Ordrerne leveres typisk til Danmark inden for 48 timer , afhængig af lokation.
Gratis levering til Danmark på ordrer med mindst $60 USD Et leveringsgebyr på $22 USD faktureres for alle ordrer mindre end $60 USD.
UPS fragt forudbetalt: DDP (afgifter og fortoldningsomkostninger betalt af DigiKey)
FedEx eller DHL fragt forudbetalt: CPT (afgifter, fortoldningsomkostninger og moms skal betales på leveringstidspunktet)
Kreditkonto for kvalificerede institutioner og virksomheder
Forudbetaling via bankoverførsel
![]()
![]()
![]()
![]()
![]()


Flere produkter fra fuldt autoriserede partnere
Gennemsnitlig forsendelsestid på 1-3 dage. Der kan være pålagt ekstra gebyrer på forsendelsen. Se produktsiden, indkøbskurven og kassen for at se den faktiske forsendelsestid.
Incoterms: CPT (told og moms forfalder på leveringstidspunktet)
For mere information, besøg Hjælp og support
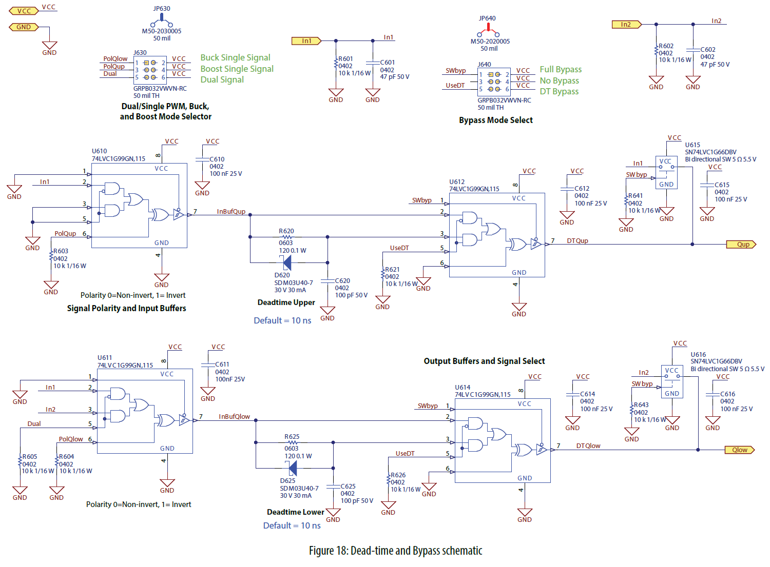
The EPC9048C is a half bridge development board with onboard gate driver, featuring the 200 V rated EPC2034C GaN field effect transistor (FET). The purpose of this development board is to simplify the evaluation process of the EPC2034C by including all the critical components on a single board that can be easily connected into the majority of existing converter topologies.
The EPC9048C evaluation board measures 2” x 2” and contains two EPC2034C GaN FETs in a half bridge configuration. The EPC9048C features the On-Semi NCP51820 gate driver. The board also contains all critical components and the layout supports optimal switching performance. There are also various probe points to facilitate simple waveform measurement and efficiency calculation.
| Manufacturer | EPC |
|---|---|
| Category | Power Management |
| Sub-Category | Power Output Stages (H-Bridge, Half Bridge) |
| Eval Board Part Number | 917-1215-ND |
| Eval Board Supplier | EPC |
| Eval Board |
Normally In Stock
|
| Configuration |
1 Half H-Bridge
|
| Voltage Out Range |
0 ~ 160 V
|
| Current Out |
15 A
|
| Interface |
PWM, Dual
|
| Features |
Internal Bootstrap Circuit
Shoot Through Protection |
| Switching Frequency (Max) |
Not given
|
| Component Count + Extras |
35 + 11
|
| Design Author |
EPC
|
| Main I.C. Base Part |
EPC2034C
|
| Date Created By Author | 2021-01 |
| Date Added To Library | 2025-11 |
Få hurtige og præcise svar fra DigiKeys teknikere og erfarne ingeniører på vores TechForum.
Besøg venligst vores Hjælp og Support område på vores websted for at finde oplysninger om bestilling, forsendelse, levering m.m.
Registrerede brugere kan spore ordrer i rullemenuen på deres konto, eller klik her. *Ordrestatus kan tage 12 timer at opdatere, efter den første ordre er afgivet.
Brugere kan begynde returneringsprocessen ved at starte med vores returneringsside.
Citater kan oprettes af registrerede brugere i myLists.
Besøg Registreringsside og indtast de obligatoriske oplysninger. Du vil modtage en e-mail som bekræftelse, når din registrering er afsluttet.
Ordrerne leveres typisk til Danmark inden for 48 timer , afhængig af lokation.
Gratis levering til Danmark på ordrer med mindst $60 USD Et leveringsgebyr på $22 USD faktureres for alle ordrer mindre end $60 USD.
UPS fragt forudbetalt: DDP (afgifter og fortoldningsomkostninger betalt af DigiKey)
FedEx eller DHL fragt forudbetalt: CPT (afgifter, fortoldningsomkostninger og moms skal betales på leveringstidspunktet)
Kreditkonto for kvalificerede institutioner og virksomheder
Forudbetaling via bankoverførsel
![]()
![]()
![]()
![]()
![]()


Flere produkter fra fuldt autoriserede partnere
Gennemsnitlig forsendelsestid på 1-3 dage. Der kan være pålagt ekstra gebyrer på forsendelsen. Se produktsiden, indkøbskurven og kassen for at se den faktiske forsendelsestid.
Incoterms: CPT (told og moms forfalder på leveringstidspunktet)
For mere information, besøg Hjælp og support
Tak!
Hold øje med din indbakke for nyheder og opdateringer fra DigiKey!
Please enter an email address