TPSM63610 synkron buck DC/DC-strømforsyningsmodul
Texas Instruments' lille, højintegrerede DC/DC-løsning er ideel til enkelhed i applikationer med begrænset plads
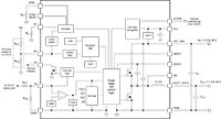
Texas Instruments' TPSM63610 er en højt integreret 36 V, 8 A DC/DC-løsning, der kombinerer power-MOSFET'er, en afskærmet induktor og passive komponenter i en forbedret HotRod™ QFN-pakning. Modulet har VIN og VOUT ben, der er placeret i hjørnerne af pakken for optimeret placering af ind- og udgangskondensator. De fire større termiske puder under modulet muliggør et enkelt layout og nem håndtering i produktionen. Med et udgangsspændingsområde på 1 V til 20 V er TPSM63610 designet til hurtigt og nemt at implementere et design med lav EMI med et lille fodaftryk.
Den samlede løsning kræver så få som fire eksterne komponenter og eliminerer valget af magnetik og kompensationsdele fra designprocessen. TPSM63610 er designet med henblik på lille størrelse og enkelhed i applikationer med begrænset plads, samt robust ydeevne med funktioner, herunder præcisionsaktivering med hysterese til justerbar UVLO-indgangsspænding, programmerbar modstand switch-node slew-rate og spread-spektrum, samt mulighed for spread-spektrum for forbedret EMI. De integrerede VCC, bootstrap og indgangskondensatorer giver øget pålidelighed og højere tæthed.
Modulet kan konfigureres til konstant switching-frekvens over hele belastningsstrømsområdet (FPWM) eller variabel frekvens (PFM) for højere effektivitet ved lav belastning. TPSM63610 indeholder en PGOOD-indikator til sekvensering, fejlbeskyttelse og overvågning af udgangsspænding.
- Funktionel sikkerhed: Dokumentation er til rådighed til støtte for design af det funktionelle sikkerhedssystem
- Alsidigt 36 VIN 8, AUD synkron buck-modul:
- Integrerede MOSFET'er med en induktor og en styring
- Justerbar udgangsspændingsområde: 1 V til 20 V
- Pakke: 6,5 mm x 7,5 mm x 4 mm helstøbt HotRod QFN
- Junction-temperaturområde: -40 °C til +125 °C
- Frekvensindstillingsområde: 200 kHz til 2,2 MHz
- Mulighed for negativ udgangsspænding
- Ultrahøj effektivitet i hele belastningsområdet:
- Maksimal effektivitet: +95 %+
- Mulighed for ekstern bias for at forbedre effektivitet
- Eksponeret pude for lav termisk impedans, EVM θ JA = 18,2 °C/W
- Hvilestrøm ved nedlukning: 0,6 µA (typisk)
- Ultralav ledende og udstrålede EMI-signaturer:
- Støjsvag pakke med dobbelte indgangssti og integrerede kondensatorer reducerer switch ringing
- Modstandsindstillelig switch-node slew-rate
- Opfylder CISPR 11 og 32 klasse B-emissioner
- Egnet til skalerbare strømforsyninger:
- Ben-kompatibel med TPSM63608 (36 V, 6 A)
- Indbyggede beskyttelsesfunktioner for et robust design:
- Præcis-aktiverings input og open-drain PGOOD-indikator til sekventering, styring og VIN UVLO
- Overstrømsbeskyttelse og termisk nedlukningsbeskyttelse
- Opret et brugerdefineret design med WEBENCH® Power Designer
- Test og måling, luft- og rumfart og forsvar
- Fabriksautomatisering og kontroller
- Buck- og inverterende buck-boost-strømforsyninger
TPSM63610 Synchronous Buck DC/DC Power Module
| Billede | Manufacturer Part Number | Beskrivelse | Type | Antal output | Spænding - Input (min.) | Tilgængeligt antal | Pris | Vis detaljer | |
|---|---|---|---|---|---|---|---|---|---|
![]() | ![]() | TPSM63610RDFR | HIGH-DENSITY, 36-V INPUT, 1-V TO | Ikke-isoleret PoL-modul | 1 | 3V | 8477 - Immediate | $107.38 | Vis detaljer |
Evaluation Board
| Billede | Manufacturer Part Number | Beskrivelse | Hovedformål | Udgange og type | Effekt - Output | Tilgængeligt antal | Pris | Vis detaljer | |
|---|---|---|---|---|---|---|---|---|---|
![]() | ![]() | TPSM63610EVM | EVAL BOARD FOR TPSM63610 | DC/DC, Trin ned | 1 Ikke-isolerede udgange | - | 42 - Immediate | $393.84 | Vis detaljer |




