Building the Power Conversion Stage for an Energy Harvesting System
Bidraget af DigiKey's European Editors
2014-01-08
Energy harvesting has very different power requirements from a traditional system. The current and voltage can fluctuate rapidly both in supply and output. This article looks at several techniques and devices from companies such as Advanced Linear Devices, Linear Technology, and Texas Instruments that can be used to build an effective power system from a solar, thermal, or vibrational source.
The energy derived from the environment is freely available but comes with a cost; it is a low level and is often quite variable. This gives the power management of energy-harvesting systems several challenges. The power manager has to collect this energy and boost the voltage up to levels needed for the electronic system it is supporting, while using as little of that energy as possible and providing system-monitoring capabilities.
There are several different power architectures that are viable for harvesting energy to power systems. At the ‘traditional’ end, solar cells are used to charge batteries to store the energy that can then be released by standard low-power energy management chips with a well-defined power discharge curve. However increasingly, system engineers are looking to use the energy available to power the electronics directly. Not only is the input power highly variable, but the output is also often ‘peaky’ with periods of inactivity followed by a burst of current draw. This creates a particular set of challenges for the system designer.

Boosting the voltage is important for the wider adoption of energy-harvesting systems. Some electronics, especially for wearable and ultra-portable systems, are operating at 1.0 V to extend the battery life and simplify the interface to the energy-harvesting power management sub-system. Unfortunately, these are new devices and the majority of designers are working with 1.8 V or even 3.3 V supplies. This also does not take into account sensors and the conditioning electronics such as analog-to-digital converters and amplifiers that may run at higher voltages and still need to be powered by the harvested energy. For some applications, such as smart meters, the rechargeable batteries are even working up to 3.6 V, giving the power management sub-system more of a challenge to address both low and higher voltages.
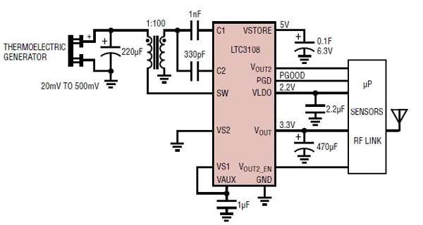
Using a Peltier thermal power source
The LTC3108 from Linear Technology is a highly-integrated DC/DC converter optimized for harvesting and managing surplus energy from extremely-low input voltage sources. This allows it to take energy from thermoelectric generators and thermopiles as the step-up topology operates from input voltages as low as 20 mV.
A Peltier cell (also known as a thermoelectric cooler) is made up of a large number of series-connected P-N junctions, sandwiched between two parallel ceramic plates. Although Peltier cells are often used as coolers by applying a DC voltage to their inputs, they will also generate a DC output voltage, using the Seebeck effect, when the two plates are at different temperatures. The polarity of the output voltage will depend on the polarity of the temperature differential between the plates. The magnitude of the output voltage is proportional to the magnitude of the temperature differential between the plates, creating a thermoelectric generator (TEG).
The low-voltage capability of the LTC3108 design allows it to operate from a TEG with temperature differentials as low as 1°C, making it ideal for harvesting energy in applications in which a temperature difference exists between two surfaces or between a surface and the ambient temperature. The internal resistance (ESR) of most cells is in the range of 1 Ω to 5 Ω, allowing for reasonable power transfer.

The LTC3108 was designed to present a minimum input resistance (load) in the range of 2 Ω to 10 Ω, depending on input voltage and transformer turns ratio. For a given turns ratio, as the input voltage drops, the input resistance increases and this allows the LTC3108 to optimize power transfer from sources with a few ohms of source resistance, such as a typical TEG. A lower source resistance will always provide more output current capability by providing a higher input voltage under load.
It does this by adding a unique fixed VOUT option to a well-established architecture for a complete power management solution for wireless sensing and data acquisition. The 2.2 V LDO powers an external microprocessor, while the main output is programmed to one of four fixed voltages to power a wireless transmitter or sensors.
A storage capacitor provides power when the input voltage source is unavailable, and the device deliberately has an extremely-low quiescent current to get the fastest possible charge times of the output reservoir capacitor.
Not only is the LTC3108 handling the energy harvesting interface, but it is also designed to manage the charging and regulation of multiple outputs in a system in which the average power draw is very low, but there may be periodic pulses of higher load current required. This is typical of wireless sensor applications, where the quiescent power draw is extremely low most of the time, except for transmit bursts when circuitry is powered up to make measurements and transmit data.
The power manager is based around a MOSFET switch that forms a resonant step-up oscillator using an external step-up transformer and a small coupling capacitor. This allows it to boost input voltages as low as 20 mV high enough to provide multiple regulated output voltages for powering other circuits. The frequency of oscillation is determined by the inductance of the transformer secondary winding, and is typically in the range of 10 kHz to 100 kHz. For input voltages down to 20 mV, a primary-secondary turns ratio of about 1:100 is recommended. For higher input voltages, this ratio can be lower.
Charge pump and rectifier
The AC voltage produced on the secondary winding of the transformer is boosted and rectified using an external charge pump capacitor (from the secondary winding to pin C1) and the rectifiers internal to the LTC3108. The rectifier circuit feeds current into the VAUX pin, providing charge to the external VAUX capacitor and the other outputs. This powers the active circuits, which should be bypassed with a 1 µF capacitor, although larger capacitor values are recommended when using turns ratios of 1:50 or 1:20. Once VAUX exceeds 2.5 V, the main VOUT is allowed to start charging.
An internal shunt regulator limits the maximum voltage on VAUX to 5.25 V, and shunts any excess current into VAUX to ground when there is no load on the converter or the input source is generating more power than is required by the load.
Handling low and variable voltages means a precision micropower reference is needed for accurate regulated output voltages. This reference becomes active as soon as VAUX exceeds 2 V, when synchronous rectifiers in parallel with each of the internal diodes take over the job of rectifying the input voltage, improving efficiency. The device also includes a low-current LDO to provide a regulated 2.2 V output from VAUX or VOUT for powering low-power processors or other low-power ICs, covering the 1.0 V and 1.8 V core voltages. This becomes active as soon as VAUX has charged to 2.3 V, while the VOUT storage capacitor is still charging, but if there is a sudden step load on the LDO output, current can come from the main VOUT capacitor if VAUX drops below VOUT. The LDO requires a 2.2 µF ceramic capacitor for stability, and while larger capacitors can be used, these will increase the time it takes for all the outputs to charge up. The LDO output is current limited to 4 mA minimum.
Programmable output
The main output voltage on VOUT is charged from the VAUX supply and is user programmed to one of four regulated voltages using the voltage select pins VS1 and VS2. Although the logic threshold voltage for VS1 and VS2 is 0.85 V typical, it is recommended that they be tied to ground or VAUX.
When the output voltage drops slightly below the regulated value, the charging current will be enabled as long as VAUX is greater than 2.5 V. Once VOUT has reached the proper value, the charging current is turned off.
The internal programmable resistor divider sets VOUT, eliminating the need for very-high-value external resistors that are susceptible to board leakage and consume power.
In a typical application, a storage capacitor (typically a few hundred microfarads) is connected to VOUT and as soon as VAUX exceeds 2.5 V, the VOUT capacitor will be allowed to charge up to its regulated voltage. The current available to charge the capacitor will depend on the input voltage and transformer turns ratio, but is limited to about 4.5 mA typical.
Monitoring
A power good comparator monitors the VOUT voltage. This is an open-drain output with a weak pull-up (1 MΩ) to the LDO voltage and goes high once VOUT has charged to within 7.5% of its regulated voltage. If VOUT drops more than 9%, PGD will go low to signal the microprocessor, and it is designed to drive a chip I/O, not drive a higher current load such as an LED. The PGD signal can also be used to enable a sleeping microprocessor or other circuitry when VOUT reaches regulation.
The VOUT2 output can be turned on and off by the host, using the VOUT2_EN pin. When enabled, VOUT2 is connected to VOUT through a 1.3 Ω P-channel MOSFET switch. This output, controlled by a host processor, can be used to power external circuits such as sensors and amplifiers that do not have a low-power sleep or shutdown capability. Minimizing the amount of decoupling capacitance on VOUT2 will allow it to be switched on and off faster, allowing shorter burst times and, therefore, smaller duty cycles in pulsed applications such as a wireless sensor/transmitter. A small VOUT2 capacitor will also minimize the energy that will be wasted in charging the capacitor every time VOUT2 is enabled.
VOUT2 has a soft-start time of about 5 µs to limit capacitor-charging current and minimize glitching of the main output when VOUT2 is enabled. It also has a current-limiting circuit that limits the peak current to 0.3 A typical. The VOUT2 enable input has a typical threshold of 1 V with 100 mV of hysteresis, making it compatible with logic.
Solar
The bq25504 from Texas Instruments is an intelligent, integrated, energy-harvesting power management device optimized for both thermal and solar sources. It uses a highly-efficient DC-DC boost converter/charger that requires only microwatts of power to begin operating.
Once started, the boost converter/charger can effectively extract power from low-voltage output harvesters such as thermoelectric generators (TEGs) or single- or dual-cell solar panels. The boost converter can be started with VIN as low as 330 mV, and once started, can continue to harvest energy down to VIN = 80 mV.

The bq25504 also implements a programmable maximum power point tracking sampling network to optimize the transfer of power into the device. Sampling the VIN_DC open-circuit voltage is programmed using external resistors, and held with an external capacitor (CREF).
For example, solar cells that operate at maximum power point (MPP) of 80% of their open-circuit voltage, the resistor divider can be set to 80% of the VIN_DC voltage and the network will control the VIN_DC to operate near that sampled reference voltage. Alternatively, an external reference voltage can be provided by a microcontroller to produce a more complex MPPT algorithm.
The bq25504 was designed with the flexibility to support a variety of energy-storage elements. The availability of the sources from which harvesters extract their energy can often be sporadic or time-variant. Systems will typically need some type of energy-storage element, such as a re-chargeable battery, super capacitor, or conventional capacitor. The storage element will make certain constant power available when needed for the systems. The storage element also allows the system to handle any peak currents that cannot directly come from the input source.
To prevent damage to the storage element, both maximum and minimum voltages are monitored against the user-programmed undervoltage (UV) and overvoltage (OV) levels. The bq25504 also toggles the battery good flag to signal an attached microprocessor when the voltage on an energy-storage battery or capacitor has dropped below a pre-set critical level. This should trigger the shedding of load currents to prevent the system from entering an undervoltage condition. The OV, UV, and battery good thresholds are programmed independently.
The bq25504 uses pulse frequency modulation (PFM) to maintain efficiency, even under light load conditions. In addition, bq25504 implements battery protection features so that either rechargeable batteries or capacitors can be used as energy-storage elements.

The bq25504's priority is to charge up the VSTOR capacitor, CSTOR, then power additional internal circuitry from VSTOR. When a storage element is attached, the bq25504 will first attempt to charge up CSTOR from the storage element by turning on the internal PFET between the VSTOR and VBAT pins for approximately 45 ms. If a system load tied to VSTOR prevents the storage element from charging VSTOR within 45 ms typical, it is recommended to add an external PFET between the system load and VSTOR. An inverted VBAT_OK signal can be used to drive the gate of the PFET.
Once the VSTOR pin voltage reaches the user set under voltage threshold (VBAT_UV), the internal PFET stays on and the boost converter/charger begins to charge the storage element if there is sufficient power available at the VIN_DC pin. If VSTOR does not reach VBAT_UV within 45 ms then the PFET turns off and the cold-start subsystem turns on.
When the voltage at pin VIN_DC exceeds the minimum input voltage with sufficient power, the cold-start subsystem turns on. This is essentially an unregulated boost converter so that when the storage capacitor, CSTOR, voltage reaches VSTOR_CHGEN (typically 1.8 V for powering a microcontroller), the main boost regulator starts up. The VSTOR voltage from the main boost regulator is now compared to the battery undervoltage threshold (VBAT_UV), and when this threshold is reached, the PMOS switch between VSTOR and VBAT is turned on, allowing the energy storage element attached to VBAT to charge up. Cold start is not as efficient as the main boost regulator and if sufficient power is not available, it is possible that the cold start continuously runs and the VSTOR output does not increase to 1.8 V and start the main boost regulator.
This highlights the challenges of designing such energy-harvesting systems. Many types of elements can be used, such as capacitors, super capacitors, or various battery chemistries. A storage element with 100 µF equivalent capacitance is required to filter the pulse currents of the PFM switching converter, but in order for the storage element to be able to charge the VSTOR capacitor (CSTOR) within the 45 ms window and avoid a cold start, the time constant created by the storage element's series resistance (plus the resistance of the internal PFET switch) and equivalent capacitance must be less than 45 ms.
Maximum power point tracking
Maximum power point tracking (MPPT) is implemented in the bq25504 in order to maximize the power extracted from an energy-harvester source. MPPT is performed by periodically sampling a ratio of the open-circuit voltage of the energy harvester and using that as the reference voltage (VREF_SAMP) to the boost converter. The sampling ratio can be externally programmed using the resistors ROC1 and ROC2. For solar harvesters, the resistive-division ratio can be typically set between 0.7-0.8, and for thermoelectric harvesters, a resistive-division ratio of 0.5 is typically used. The exact ratio for MPPT can be optimized to meet the needs of the input source being used.
Internally, the boost converter modulates the effective impedance of the energy-transfer circuitry to regulate the input voltage (VIN_DC) to the sampled reference voltage (VREF_SAMP). A new reference voltage is obtained every 16 seconds by periodically disabling the charger for 256 ms and sampling a ratio of the open-circuit voltage.
Capacitor storage
The EH300/EH301 Series EPAD energy-harvesting modules from Advanced Linear Devices can accept energy from many types of electrical energy sources and store this energy to power conventional 3.3 V and 5.0 V electrical circuits and systems.
The modules are completely self-powered and always in the active mode so that they can be used for low-power, intermittent, duty-cycle sampled data or condition-based monitoring and extreme lifespan applications. These modules can accept instantaneous input voltages ranging from 0.0 V to +/-500 VAC or DC, and input currents from 200 nA to 400 mA from energy-harvesting sources that produce electrical energy in either a steady or an intermittent and irregular manner with varying source impedances.

The modules condition the stored energy to provide power at output voltage and current levels that are within the limits of a particular electronic system power supply specification, such as 1.8 V and 3.6 V. Each individual module is set to operate between two supply voltage thresholds, +V_low DC and +V_high DC, corresponding to the minimum (VL) and maximum (VH) supply voltage values for the intended application. When an energy source starts to inject energy into the inputs of the module, the charge packets are collected, accumulated, and stored onto an internal storage capacitor bank.
For most common energy-harvesting applications, the electrical-energy charge packets arrive in the form of input voltage spikes that are uncontrolled and unpredictable. Often these cover a wide range of voltages, currents and timing waveforms, and the modules are designed to accommodate such conditions. As an example, an EH300 module can cycle within 4 minutes at an average input current of 10 mA and within 40 minutes at an average input current of just 1.0 mA.
With the +V voltage on the module input, charging starts at 0.0 V. The module's internal circuit monitors and detects this +V voltage and when it reaches VH; the module output (VP) is enabled and turned to the ON state and is then able to supply power to a power load, such as a microprocessor and/or a sensor circuit, while continuing to accumulate any energy generated by external energy sources. If external energy input availability is high, output VP remains in an ON state continuously until that external energy availability is lower than the power demand required by the power load. As external energy input exceeds power loading, +V increases until internal voltage-clamp circuits limit it to a maximum clamp voltage.
During normal operation +V decreases in voltage as power is drawn. When +V reaches VL, output VP switches to an OFF state and stops supplying any further power to the power load. With built-in hysteresis circuits within the module, VP now remains in the OFF state, even when the external energy source starts charging the capacitor bank again by importing fresh new impulses of electrical energy. Once VH level is reached again, output VP is then turned to the ON state again. In this way, the +V voltage cycles between VH to VL voltage levels and then goes to the OFF state. When in the ON state, VP can supply up to 1 A of current for a limited time period as determined by the stored useful energy and the energy demand by the power load. An optional input/output pin functions as VP on/off control or as a READY logical control signal.
Conclusion
Building the power management stage of a system that harvests energy from the environment has some very specific requirements. Very-low-power inputs, the need to regulate the output with peaks of usage, and supporting logic from 1.0 V through 1.8 V to 3.3 V and 3.6 V are a significant challenge. Different energy sources have different characteristics, but it is possible to optimize both the power capture and storage elements for the target energy source. All of this is driving the use of wearable and ultra-low-power wireless sensor networks.
Disclaimer: The opinions, beliefs, and viewpoints expressed by the various authors and/or forum participants on this website do not necessarily reflect the opinions, beliefs, and viewpoints of DigiKey or official policies of DigiKey.

