Surviving Power Loss in Ambient-Powered MCU-Based Designs
Bidraget af Electronic Products
2014-06-18
In creating MCU-based designs powered by ambient energy sources, engineers can expect brownouts or even intermittent loss of power. Power monitoring and power-on reset sequencing play a critical role in ensuring proper operation of these designs. For these designs, engineers can help ensure reliable operations through brownout and power loss by combining a few simple techniques with available ICs from Atmel, Diodes Incorporated, Fairchild Semiconductor, Linear Technology, Micrel, Microchip Technology, ON Semiconductor, Silicon Labs, STMicroelectronics, and Texas Instruments, among others.
Powered by ambient energy, MCU-based designs such as wireless sensors, smart devices, and emerging Internet of Things (IoT) motes hold promise for the ideal of decades-long, battery-free operation. In practice, any practical ambient source is likely to cycle below minimum required power levels or even momentarily fall to zero due to, say, a shadow passing across a solar cell or a drop in vibrations driving a piezoelectric transducer.
Energy storage devices such as supercapacitors or thin-film batteries can provide sustained power during periods of ambient energy decline or loss. In any real design, however, the combination of leakage current and MCU power consumption even in its ultra-low-power sleep mode could eventually drain available power reserves. In fact, designers cannot simply rely on MCU low-power modes to ensure available power in energy-limited harvesting designs. A typical MCU-based wireless sensor will likely consume significantly more overall power while in extended sleep states than in active states (Figure 1). Designers face this challenge even with devices available in the industry's lowest power MCU families, such as the Atmel tinyAVR, Microchip Technology XLP, Silicon Labs Zero Gecko, STMicroelectronics STM32 L1, Texas Instruments 8-MHz MSP430x1xx and 16-MHz MSP430x2xx, among other MCU series.

Figure 1: Low-duty-cycle applications, such as wireless temperature sensors, may find that even ultra-low-power MCUs consume more overall power in extended sleep states than in active states (Courtesy of Texas Instruments).
Indeed, the typical energy-harvesting design is likely to face temporary brownout or loss of power at some point in its deployment lifecycle. If allowed to continue operation, MCUs can enter undefined states, and storage devices, such as lithium-ion cells, can become over-discharged and even suffer consequent damage. Accordingly, engineers need to ensure that their energy-harvesting systems respond appropriately to loss of power and recover through power-on reset when sufficient energy is again available.
In conventional MCU-based systems, engineers can expect that power-on reset will execute reliably and quickly allow resumption of normal operations. In energy-harvesting designs, however, the energy limitations associated with ambient sources require more attention to the power-on reset process itself. Power-on reset can require more energy than normal operation. and typically require more energy than available on a sustained basis from an energy-harvesting power supply. Consequently, engineers typically need to employ ICs and design techniques that delay the start of the power-on reset until the energy-harvesting system can accumulate sufficient energy to complete the power-on reset process.
Designers can achieve successful power-on reset in energy-harvesting designs using a simple circuit that monitors supply voltage and enables supply to the load only when voltage levels from the energy-harvesting stage exceed a specified threshold. Typically, a system would initiate operation from the unpowered state with its primary energy storage element disconnected from the system by a battery-protection circuit. As power begins to flow from the energy harvester, it typically would be channeled exclusively to charge a capacitor, which would be used subsequently to provide energy for power-on reset. As this capacitor charges, the load would remain disconnected to minimize any additional power consumption.
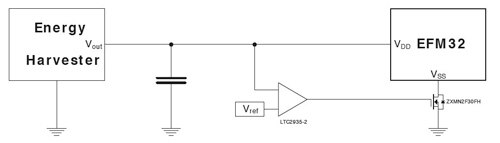
Placed between the harvester and MCU, a switch ensures that the MCU remains uncoupled from the supply until energy levels are sufficient to ensure that the MCU can complete its power-on reset activity (Figure 2). Here, a simple circuit combines a voltage reference with a low-power monitor such as the Linear Technology LTC2935 to control a Diodes Incorporated ZXMN2F30FH MOSFET device to give power to the MCU.

Figure 2: At the heart of a controlled power-on reset circuit, a device with voltage-comparator functionality decouples the MCU from the energy harvester until a storage capacitor accumulates sufficient energy to ensure complete execution of the MCU power-on reset sequence (Courtesy of Silicon Labs).
At the heart of this circuit, the LTC2935 is an ultra-low-power voltage monitor IC designed to provide system initialization, power-fail warning, and reset generation functions. Along with configurable reset thresholds, the device provides early warning of an impending low-voltage condition through its power-fail output signal.
Designers can also take advantage of "power-good" signals provided by voltage regulators and converters. For example, low-dropout (LDO) regulators such as the Fairchild Semiconductor FAN2558 and ON Semiconductor NCP3337 feature integrated comparators that deliver power-good signals on dedicated output pins (Figure 3).

Figure 3: LDO regulators such as the ON Semiconductor NCP3337 integrate a comparator to provide a "power-good" signal when output voltage reaches or exceeds specified threshold voltage level (Courtesy of ON Semiconductor).
Designers can take a similar approach using DC/DC buck converters such as the Texas Instruments TPS62125. The TPS62125 includes a precise low-power-enable comparator that can be used to provide a power-good signal to address system- specific power-up and -down requirements. The enable comparator consumes only 6 µA quiescent current and features an accurate threshold of 1.2 V typical, as well as an adjustable hysteresis.
In practice, power-on reset circuits often insert a short delay before issuing power-on enable after reaching the required voltage threshold. The additional delay allows additional time for power storage devices to fully charge and output sources to settle. Consequently, device manufacturers will build in a delay into their integrated power-good circuits before enabling the power-good signal. For example, the FAN2558 features a fixed 2 ms delay between output voltage reaching threshold and the power-good signal becoming enabled.
Designers can also find devices that allow programmable delay. For example, the Micrel MIC5249 LDO features a programmable power-on reset delay. Here, designers can set the required delay time using a capacitor sized according to the following formula:

where IDELAY = 0.55 µA and VDELAY = 1.4 V.
Simple voltage monitor ICs and power-good signal outputs address the basic requirements facing many MCU-based energy-harvesting designs. For more complex power-sequencing requirements, power-supervisor ICs, such as the Texas Instruments TPS3619 and Linear Technology LTC2928, provide more sophisticated capabilities. The Linear Technology LTC2928 IC allows designers to sequence thresholds, order, and timing on four different channels simultaneously with only a few external components.
Conclusion
Energy-harvesting techniques can enable designers to ensure sustained operation of MCU-based designs for years. Yet, intermittent reduction of ambient energy levels can cause brownouts and loss of power. In ambient-powered MCU-based designs, conventional power-on reset functions may be insufficient to restore operation following power loss. Using available ICs and power sequencing techniques, engineers can ensure reliable power-on reset despite limitations typically encountered in energy-harvesting designs.
Disclaimer: The opinions, beliefs, and viewpoints expressed by the various authors and/or forum participants on this website do not necessarily reflect the opinions, beliefs, and viewpoints of DigiKey or official policies of DigiKey.

