Introduction to High-Side Load Switches
2016-02-04 | By Dave Knight
High-side load switches are highly integrated power switches used to connect and disconnect a power source from a load. Using a load switch instead of a regular MOSFET offers several features including simplified design, small footprint, and protection features.
Using MOSFETs as power switches
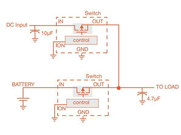
To understand why load switches are helpful, let’s take a quick look at using MOSFETs for power switching. Figure 1 is a schematic of a battery backup system. MOSFETs are used alternately to connect a DC input and a battery to a load. This example uses n-channel MOSFETs. To turn on an n-channel MOSFET, a positive voltage is applied between gate and source. In this application, an external voltage source with a voltage level higher than the battery voltage and the DC input is needed to bias the transistor. Also, control circuitry is needed to turn the MOSFETs on and off. These external components add cost, take up space on the PCB, and require time to design.
Using a p-channel MOSFET can be simpler if the DC input or battery voltage is high enough. The p-channel MOSFETs require a negative voltage to be applied between the gate and source terminals in order to turn it on. If the source voltage is low, there is less voltage available to bias the gate. Consequently, the MOSFET may not be turned on as hard as it should be, resulting in higher RDS(ON) and a lower power efficiency. Worst case, it can’t be turned on at all.

Figure 1:Using MOSFETs as power switches
Image Source: http://www.eetimes.com/document.asp?doc_id=1273331
Load switches
Load switches are essentially power MOSFETs with integrated control and gate bias circuitry.
Load switches typically include the following features:
● High level of integration
● Thermal and overcurrent protection
● Programmable slew rate
● Built-in charge pump
● Availability in very small packages - some load switches come in packages with dimensions less than 1 mm
Figure 2 is the typical application schematic of Texas Instrument’s TPS2556 n-channel–based load switch. Notice that no external drivers or power supplies are needed, because the TPPS2556 includes them. Figure 3 is the functional block diagram of the TPS2557, and shows the integrated features, including a charge pump, current limit protection, over-temperature protection, and gate driver logic into a single small chip, making it easy to use. External resistors are used to program current limit, and for a pull-up resistor for the fault indicator pin. The TPS2556 is well-suited for routing power from a lithium-ion cell or a USB port.

Figure 2: Typical application for the TPS2556
Image Source:http://ti.com/lit//ds/symlink/tps2557.pdf

Figure 3: Functional block diagram of the TPS2557
Image Source:http://www.ti.com/lit/ds/symlink/tps2557.pdf
Load switches come in n-channel and p-channel varieties. The p-channel load switches I have seen tend to have higher resistance at lower input voltages. Figure 4 is the typical resistance for Texas Instrument’s TPS22908 load switch with various input voltages. Notice that RDS(ON) increases as VIN drops. Figure 5 is the application schematic for the TPS22908.

Figure 4: On-state resistance of TPS22908
Image Source:http://www.ti.com/lit/ds/symlink/tps22908.pdf

Figure 5:Application schematic for TPS22908/
Image Source:http://www.ti.com/lit/ds/symlink/tps22908.pdf
There are some variations in load switch products. Switches like the TPS2556 pull their operating power from the voltage source it is connecting to the load. Other switches, like the NCP45520-D, require an external power source for the logic circuitry and charge pumps.
The NCP45520-D is rated for 0.5 V to 13.5 V input voltage, passing up to 10.5 A. RDS(ON) typical 9.5 Mohm to 12.8 Mohm with 3.3 V VCC . It comes in a small 2×2 package, which saves board space.
Conclusion
This article has discussed some of the difficulties in using MOSFETs for power switches. Load switches can be used to simplify design and use less board space. The advantages and varieties of load switches have been explored, and some of my favorite load switches discussed.
Recommended Reading
How MOSFETS Work - Another Teaching Moment | DigiKey

