Orders are typically delivered to Denmark within 48 hours depending on location.
Free delivery to Denmark on orders of kr. 340 or more. A delivery charge of kr. 135 will be billed on all orders less than kr. 340.
UPS freight pre-paid: DDP (Duty and customs paid by DigiKey)
FedEx or DHL freight pre-paid: CPT (Duty, customs, and VAT due at time of delivery)
Credit account for qualified institutions and businesses
Payment in Advance by Wire Transfer
![]()
![]()
![]()
![]()


More Products From Fully Authorized Partners
Average Time to Ship 1-3 Days, extra ship charges may apply. Please see product page, cart, and checkout for actual ship speed.
Incoterms: CPT (Duty, customs, and applicable VAT/Tax due at time of delivery)
For more information visit Help & Support
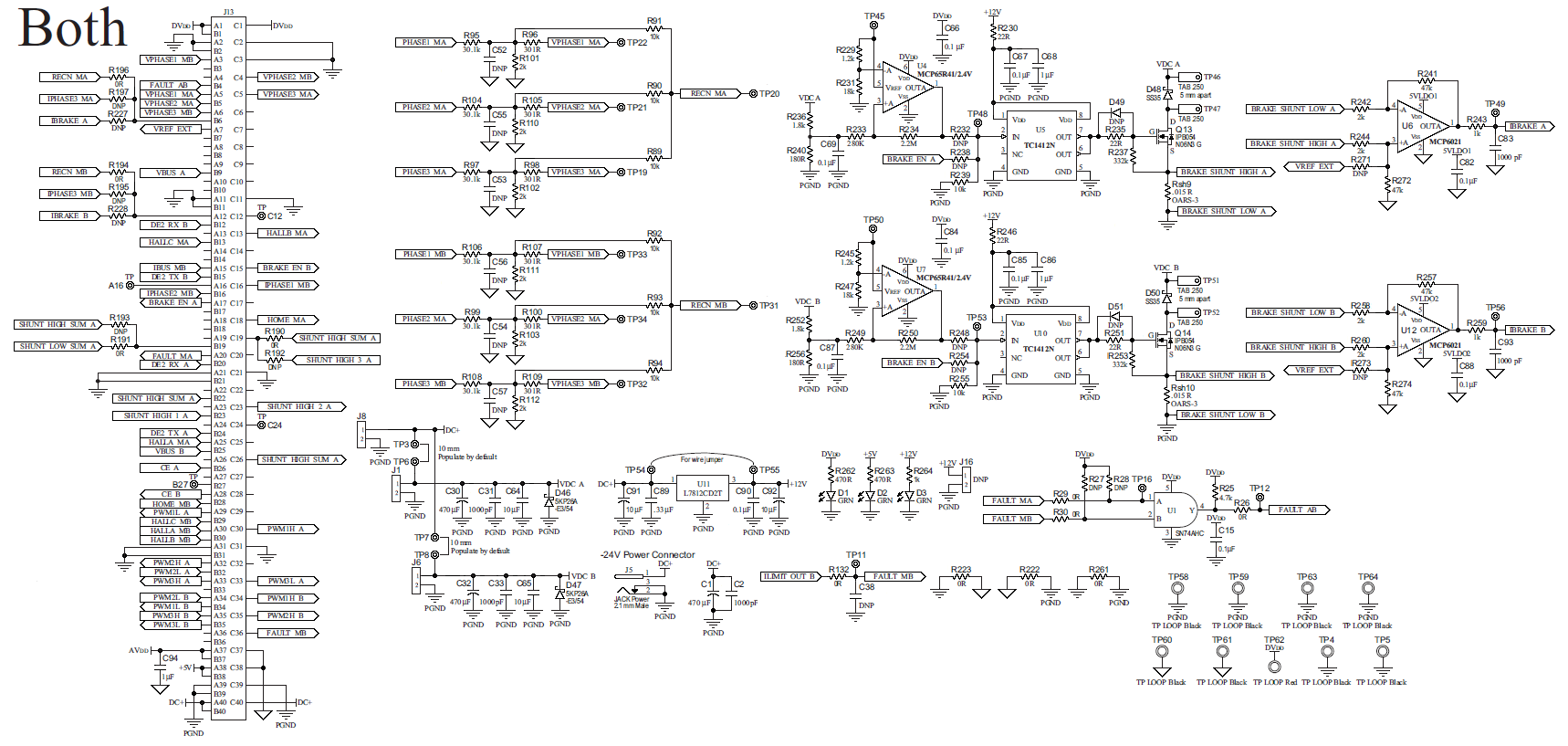
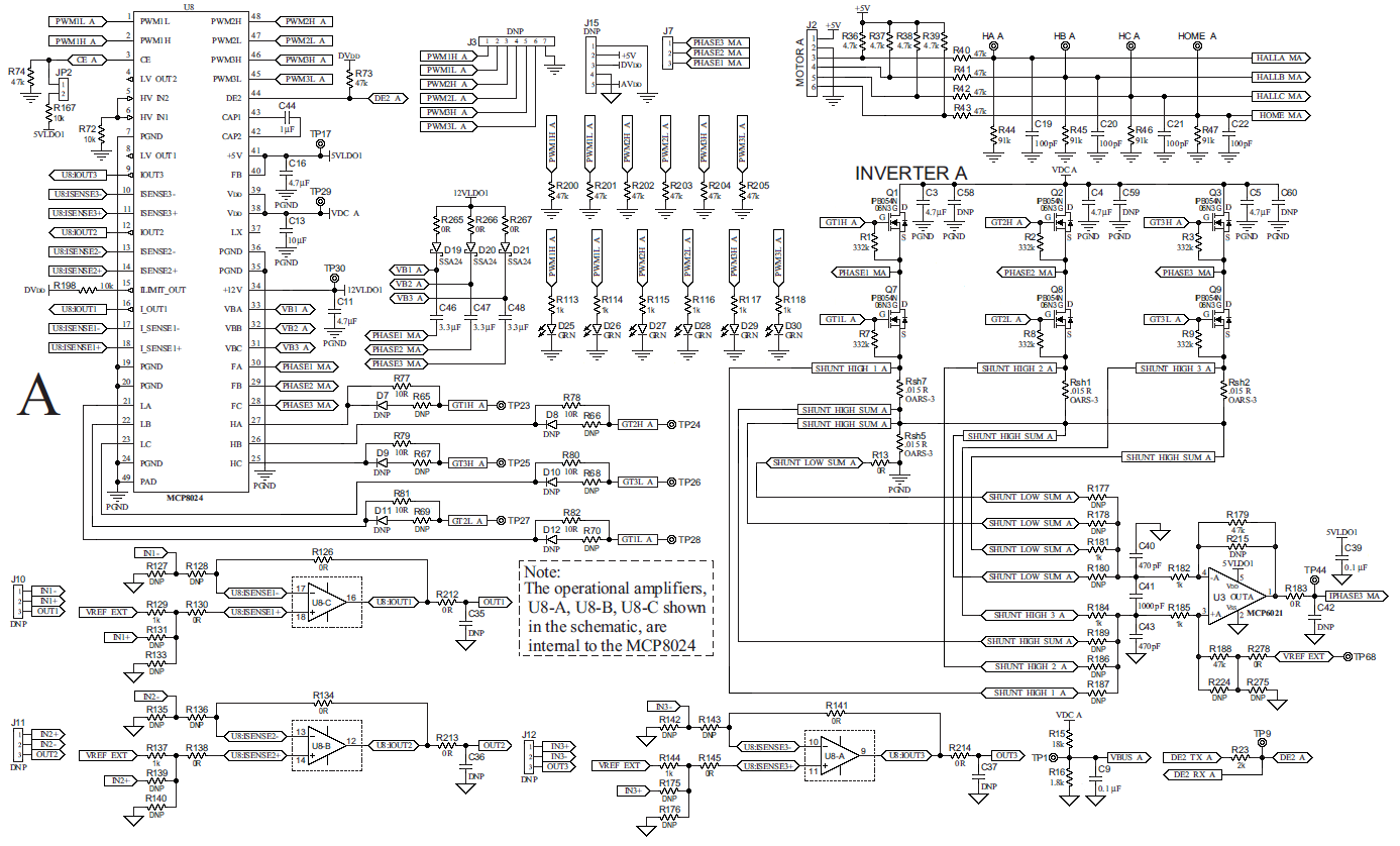
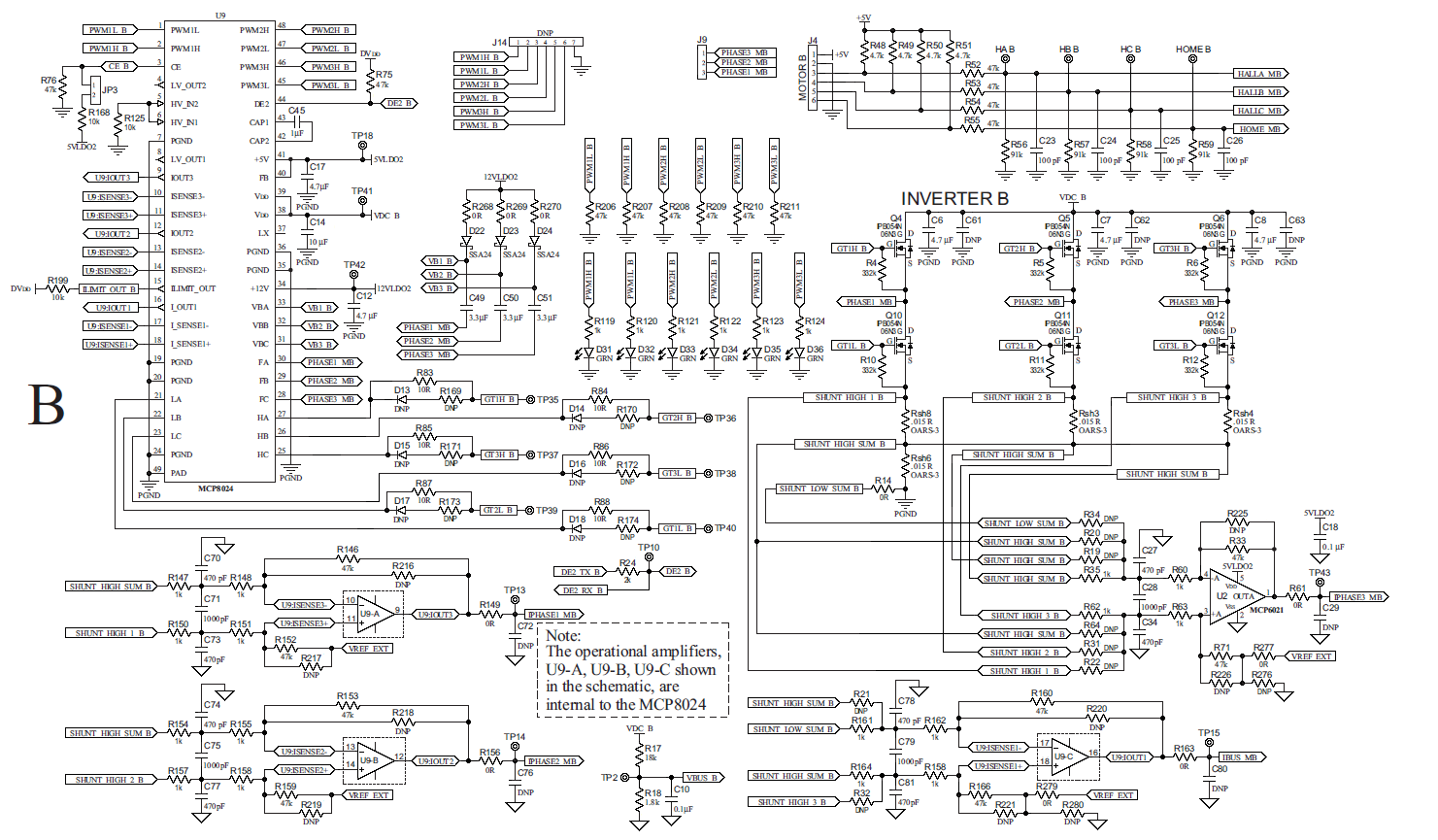
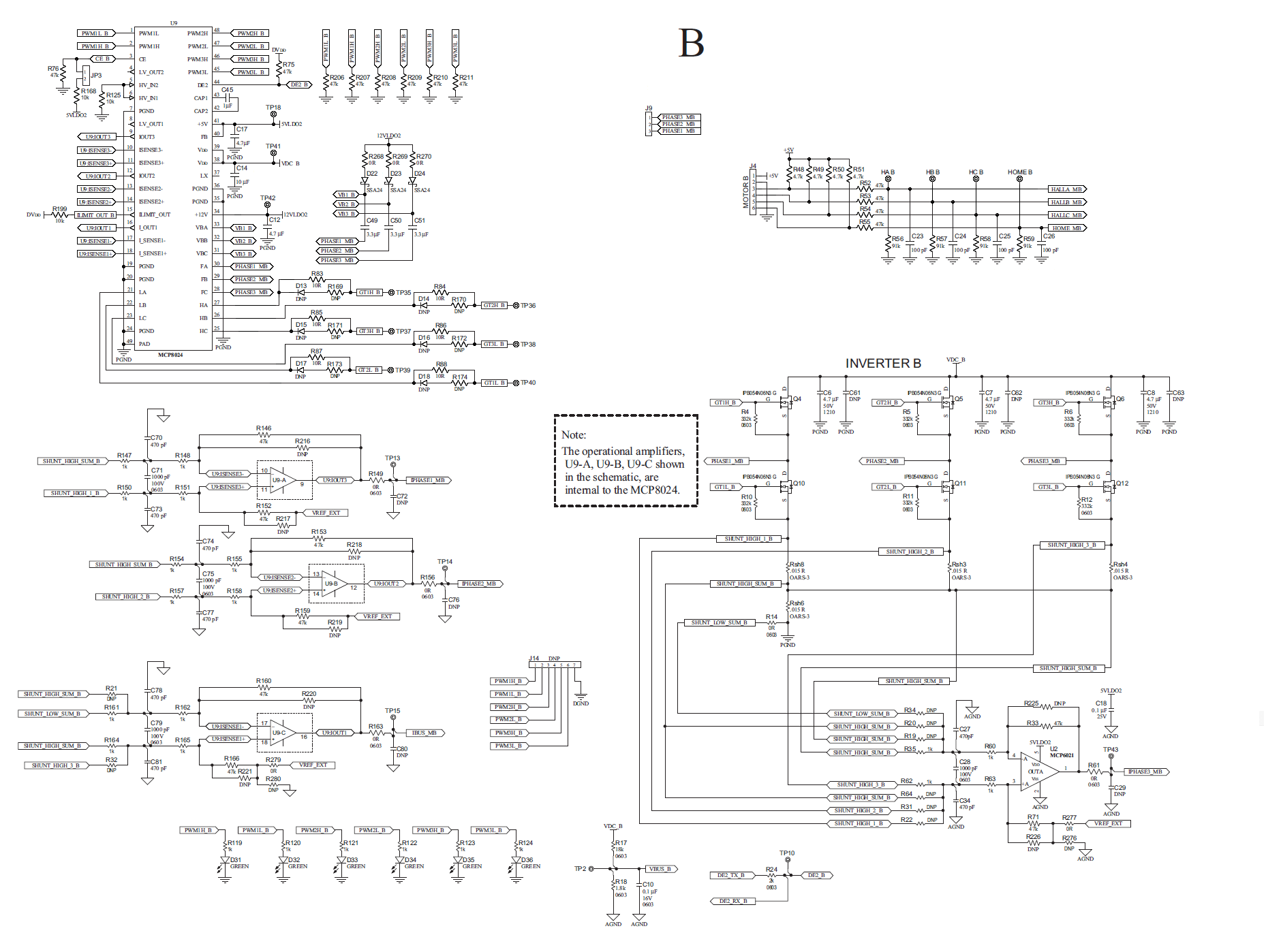
The Low Voltage Motor Control Development Bundle provides a cost-effective method of evaluating and developing dual/single motor control power stage targeted to drive two Brushless DC (BLDC) motors or Permanent Magnet Synchronous Motors (PMSM) concurrently. The bundle comes with a dsPIC DSC Signal board, Motor Control 10-24V Driver Board and dsPIC33EP512GM710 Dual Motor Control PIM.
The dsPIC (DSC) Signal Board supports both 3.3V and 5V operated devices for various applications and frequently used human interface features along with the communication ports. The Signal Board has two major connectors, a 120-pin connector and a 60-pin connector to enable connection to the plug-in boards.
The Motor Control 10V–24V Driver Board (Dual/Single) along with the compatible dsPIC DSC Signal Board provides a software development platform to build and evaluate embedded motor control application software using Microchip’s high performance motor control Digital Signal Controllers (DSCs) and Microcontrollers (MCUs).
| Manufacturer | Microchip Technology |
|---|---|
| Category | Motor Control |
| Eval Board Part Number | DV330100-ND |
| Eval Board Supplier | Microchip Technology |
| Eval Board |
Board not Stocked
|
| Voltage In |
10 ~ 24 V
|
| Number of Motors and Type |
2, 3-Ph BLDC Motors
2, 3-Ph PMSM Motors |
| Power / Current Out |
10 A per Phase
|
| Features |
Brake Function
Hall Input Over Current Protection Over Voltage Protection Short Circuit Protection SPI Interface Status Indication UART Interface Under Voltage Protection, Brown-Out |
| Component Count + Extras | |
| Application / Target Market |
Motor Control
|
| Design Author |
Microchip Technology
|
| Main I.C. Base Part |
dsPIC33EP512GM710
|
| Date Created By Author | 2014-04 |
| Date Added To Library | 2016-08 |
Co-Browse
By using the Co-Browse feature, you are agreeing to allow a support representative from DigiKey to view your browser remotely. When the Co-Browse window opens, give the session ID that is located in the toolbar to the representative.
DigiKey respects your right to privacy. For more information please see our Privacy Notice and Cookie Notice.
Yes, Continue to Co-BrowseGet fast and accurate answers from DigiKey's Technicians and Experienced Engineers on our TechForum.
Please visit the Help & Support area of our website to find information regarding ordering, shipping, delivery and more.
Registered users can track orders from their account dropdown, or click here. *Order Status may take 12 hours to update after initial order is placed.
Users can begin the returns process by starting with our Returns Page.
Quotes can be created by registered users in myLists.
Visit the Registration Page and enter the required information. You will receive an email confirmation when your registration is complete.
Orders are typically delivered to Denmark within 48 hours depending on location.
Free delivery to Denmark on orders of kr. 340 or more. A delivery charge of kr. 135 will be billed on all orders less than kr. 340.
UPS freight pre-paid: DDP (Duty and customs paid by DigiKey)
FedEx or DHL freight pre-paid: CPT (Duty, customs, and VAT due at time of delivery)
Credit account for qualified institutions and businesses
Payment in Advance by Wire Transfer
![]()
![]()
![]()
![]()


More Products From Fully Authorized Partners
Average Time to Ship 1-3 Days, extra ship charges may apply. Please see product page, cart, and checkout for actual ship speed.
Incoterms: CPT (Duty, customs, and applicable VAT/Tax due at time of delivery)
For more information visit Help & Support
Thank you!
Keep an eye on your inbox for news and updates from DigiKey!
Please enter an email address