FO-CAP, X7R Dielectric 16-200 VDC Datasheet by KEMET
E‘ectromc Components
KEII/IEI'
CHARGED?
Elecrmmc Compancnls
KEIl/IEI'
EHARGED!
7411 (HA 0603 and smaller case sizes)
7210 (EIA 0305 and larger case sizes)
7040 EIA 0603 and smaller case sizes)
7215 EIA 0805 and larger case sizes)
AUT07411 QEIA 0603 and smaller case sizes)
AUT07210 EIA 0805 and larger case sizes)
ammmc compmm
KEIVIEI'
crummy:
ammm Compancnls
KEIVIEI'
Emma):
2 00 (0.079) 1.25 (0.049) 0.50 (0.02)
20 20 (0.005) 20.20 (0 003) 20.25 (0 010)
3.20(0120) 100 ((1.063) 0.50 (0.02)
20 20 (0.005) 20.20 (0 003) 20.25 (0 010)
3.20(0120) 2.50 (0.090) 0.50 (0.02)
20 20 (0.005) 20.20 (0 003) 20.25 (0 010)
4.50 (0.177) 3.20 (0.120) 0 00 (0 024)
20.30 (0.012)
20.30 (0.012)
20.35 (0 014)
2 00 (0.079) 1.25 (0.049) 0.50 (0.02)
20.30 (0.012) 20.30 (0.012) 20.25 (0 010)
330(0130) 100 ((1.063) 0 00 (0 024)
20.40 (0 010) 20.35 (0.013) 20.25 (0 010)
3.30 (0 130) 2.50 (0.102) 0 00 (0 024)
20.40 (0 010) 20.30 (0.012) 20.25 (0 010)
4.50 (0 170) 3.20 (0.120) 0 70 (0.023)
20.40 (0 010)
20.30 (0.012)
20.35 (0 014)
ammmc compmm
KEIVIEI'
crummy:
250% of rated Volta e
(531 secands and c arge/discharge nm exceedmg SOmA)
ammm Compancnls
KEIl/IEI'
CHARGED!
1,000 Megohm
Micratarads or 100 ca
500 Megohm
Microfarads or 10 an
Eissimms Compuncnts
KEIVIEI'
crummy:
Capacitance mum Availability and Chip Thickness Codes
rnimm m Table 1 lav Chip thickness Dimensions
Eissimms Compuncnts
KEIVIEI'
crummy:
Capacitance mum Availability and Chip Thickness Codes
rnimm m Table 1 lav Chip thickness Dimensions
ammm Compancnls
KEIVIEI'
Emma):
DP
08
D0
ER
ES
EH
EU
FX
FZ
FU
FM
FJ
FR
FS
GB
GD
GD
GF
GK
GN
GL
GM
0805
0805
0805
1206
1206
1206
1206
1210
1210
1210
1210
1210
1210
1210
1812
1812
1812
1812
1812
1812
1812
1812
09010.10"
1.001020
1.251015
0.901020
1.001020
1.50 1 0 20
1.50 1 0 25
0.95 1 0 20
1.25 1 0 20
1.55 1 0 20
17010.20
1.351020
2.251020
2.501030
1.001010
1.101010
12510.15
1.501010
1.50 1 0 20
170 1 0.20
18010.20
20010.20
4,000
o
oooooooooooooooooooo
15,000
oomoocoooooocccccoooo
2,500
2,500
4,000
2,500
2,000
2,000
4,000
2,500
2,000
2,000
2,000
2,000
1,000
1,000
1,000
1,000
1,000
1,000
1,000
500
500
10,000
10,000
10,000
10,000
0,000
0,000
10,000
10,000
0,000
0,000
0,000
0,000
4,000
4,000
4,000
4,000
4,000
4,000
4,000
2,000
2 000
ammm Compancnls
KEIVIEI'
Emma):
DD
08
D0
ER
ES
EH
EU
FX
FZ
FU
FM
FJ
FR
FS
GB
GD
GD
GF
GK
GN
GL
GM
0805
0805
0805
1206
1206
1206
1206
1210
1210
1210
1210
1210
1210
1210
1812
1812
1812
1812
1812
1812
1812
1812
03010.10
1.001020
1.251015
0.901020
1.001020
1.50 1 0 20
1.50 1 0 25
0.95 1 0 20
1.25 1 0 20
1.55 1 0 20
17010.20
1.351020
2.251020
2.501030
1.001010
1.101010
12510.15
1.501010
1.50 1 0 20
170 1 0.20
18010.20
20010.20
oooooooooooooooooooooo
ooeeoooooooocccccooooo
4,000
2,500
2,500
4,000
2,500
2,000
2,000
4,000
2,500
2,000
2,000
2,000
2,000
1,000
1,000
1,000
1,000
1,000
1,000
1,000
500
500
10,000
10,000
10,000
10,000
10,000
0,000
0,000
10,000
10,000
0,000
0,000
0,000
0,000
4,000
4,000
4,000
4,000
4,000
4,000
4,000
2,000
2 000
ammmc compmm
KEIVIEI'
crummy:
E‘ucuomc Compcnonu
KEIWEI'
CHARGED!
E‘ucuomc Compcnonu
K
CHARGED!
Eiecxmmc Compancnls
KEIVIEI'
mama):
5mm
5mm
Smax
Smax
3°C/second 3°C/second
maximum maximum
(VG/second (VG/second
maximum maximum
Einctmmc Componcnl:
KEIl/IEI'
EHARGED!
1,000 Cycles (755"C 1o +125’C). Measurement a1 24 hours +/7 4 hours afrer test
conclusion
Load Humidity: 1,000 hours 85"Cl85% RH and rated voltage. Add 100 K ohm resistor.
Measurement a1 24 hours +/7 4 hours afrer test conclusion,
Low Volt Humidny: 1,000 hours SEC/85% RH and 1.5 V, Add 100 K ohm resisror.
Measurement a1 24 hours +/7 4 hours afrer test conclusion,
M|L7STD7202 Method
106
t = 24 hours/cycle. Steps 7a and 71) not required.
M|L7STD7202 Method
107
755"C/+125’C. Note: Number of cycles required 7 300, maximum transierrrme 7 20
M|L7STD7202 Method
103
/E|A7198
M|L7STD7202 Method
103
5 g‘s tor 20 min, 12 c cles each o13 orientations. Note: Use 0" X 5" PCB 0.031" thick 7
secure poims on one ong side and 2 secure poims at corners of a
mounted wnhin 2" from any secure point, Test from 10 7 2,000 Hz
M|L7STD7202 Method
213
M|L7STD7202 Method
215
....................
CHARGED!
summc Con-pan m
KEIVIEI'
CHARGED.
ammmc Compononl:
KEIWEI'
cums):
-acitance F Fur Varinus AI halNumeralldentifiers
ammm Compancnls
KEIVIEI'
Emma):
Bmm.12mm
173 mm (7 w») mmmm camenape
KPS1812
and 2220
Eiecxmmc Compancnls
KEIVIEI'
EHARGED:
‘ ' F
mum:
DY Minimum R Reierence SY Minimum T T‘
Note 1 Note 2 Note 3 Maximum Maximum
i3Y Maximum E2 T2 W
Nole4 Minimum Maximum Maximum
ammm Compancnls
KEIVI
summer
T ' I" "I f
40> 0 Q 9 0?.
j
I) T'WLL’ A
/ Ii4 ) 1 \ \ ‘
J/ K J
—
RRefevence
NmeZ
0.10
(0004)
Maximum
2.010 05 8.3
(0.079 :0 002) (0.327)
4.010.“) 83
(0.157 :0 004) (0.327)
cccccccccccccccccccc
Emma):
e 7/////////////////////l‘
e
O
@379
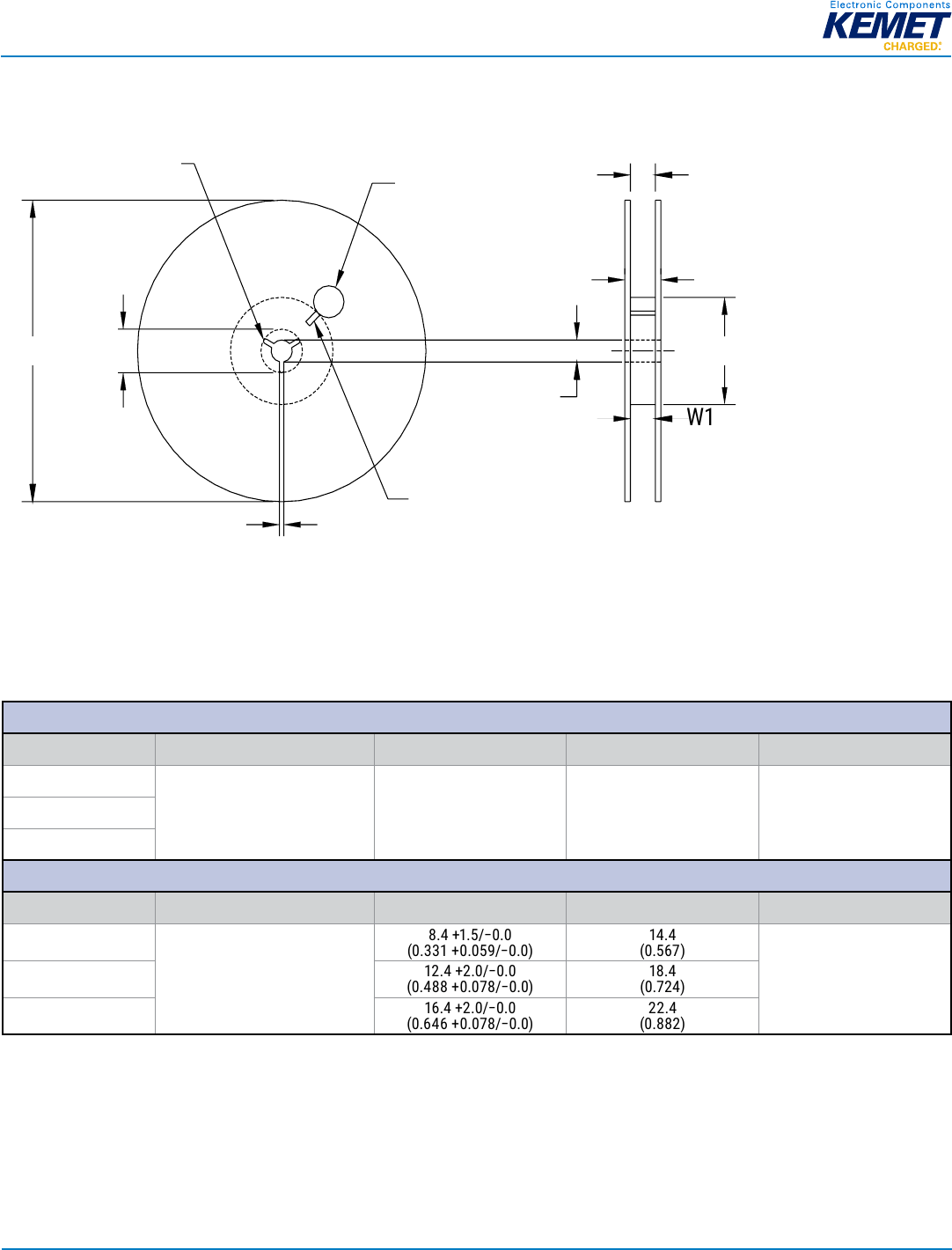
ammm Compancnls
KEIVIEI'
Emma):
0.4 mes/+0.0
(0331 +0 059400)
12.4 +2 0/00
(0.40:; +0 070/0 0)
15.4 +2.0/+0.0
(0.646 +0 070/0 0)
14.4
(0 567)
10.4
(0.724)
22.4
(0 882)
EHARGED!
1
fi%¢ee¢o¢¢ o¢ as» ¢¢‘eo¢»$—e¢¢ /
u ))
rH/mm‘ yllm‘
#e4 keH/ +4 #:4 #é+\#++ \
\LLJ LLW (Lu
‘9900099fl/60fi999wv99 \‘
90999990
Waif¢‘W¢oe6Too‘6o1
lg: Qiiiggfi1u9M133333§L
@y’émawmammm gag“?
HHHHH H‘HHHHH
ammmc compmm
KEIVIEI'
cumin:

