
AD7837/AD7847
REV. C
–4–
TERMINOLOGY
Relative Accuracy (Linearity)
Relative accuracy, or endpoint linearity, is a measure of the
maximum deviation of the DAC transfer function from a
straight line passing through the endpoints. It is measured after
allowing for zero and full-scale errors and is expressed in LSBs
or as a percentage of full-scale reading.
Differential Nonlinearity
Differential nonlinearity is the difference between the measured
change and the ideal 1 LSB change between any two adjacent
codes. A specified differential nonlinearity of ±1 LSB or less
over the operating temperature range ensures monotonicity.
Zero Code Offset Error
Zero code offset error is the error in output voltage from V
OUTA
or V
OUTB
with all 0s loaded into the DAC latches. It is due to a
combination of the DAC leakage current and offset errors in the
output amplifier.
Gain Error
Gain error is a measure of the output error between an ideal
DAC and the actual device output with all 1s loaded. It does
not include offset error.
Total Harmonic Distortion
This is the ratio of the root-mean-square (rms) sum of the har-
monics to the fundamental, expressed in dBs.
Multiplying Feedthrough Error
This is an ac error due to capacitive feedthrough from the V
REF
input to V
OUT
of the same DAC when the DAC latch is loaded
with all 0s.
Channel-to-Channel Isolation
This is an ac error due to capacitive feedthrough from the V
REF
input on one DAC to V
OUT
on the other DAC. It is measured
with the DAC latches loaded with all 0s.
Digital Feedthrough
Digital feedthrough is the glitch impulse injected from the digi-
tal inputs to the analog output when the data inputs change state,
but the data in the DAC latches is not changed.
For the AD7837, it is measured with LDAC held high. For the
AD7847, it is measured with CSA and CSB held high.
Digital Crosstalk
Digital crosstalk is the glitch impulse transferred to the output
of one converter due to a change in digital code on the DAC
latch of the other converter. It is specified in nV secs.
Digital-to-Analog Glitch Impulse
This is the voltage spike that appears at the output of the DAC
when the digital code changes, before the output settles to its
final value. The energy in the glitch is specified in nV secs and is
measured for a 1 LSB change around the major carry transition
(0111 1111 1111 to 1000 0000 0000 and vice versa).
Unity Gain Small Signal Bandwidth
This is the frequency at which the small signal voltage output
from the output amplifier is 3 dB below its dc level. It is mea-
sured with the DAC latch loaded with all 1s.
Full Power Bandwidth
This is the maximum frequency for which a sinusoidal input
signal will produce full output at rated load with a distortion
less than 3%. It is measured with the DAC latch loaded with
all 1s.
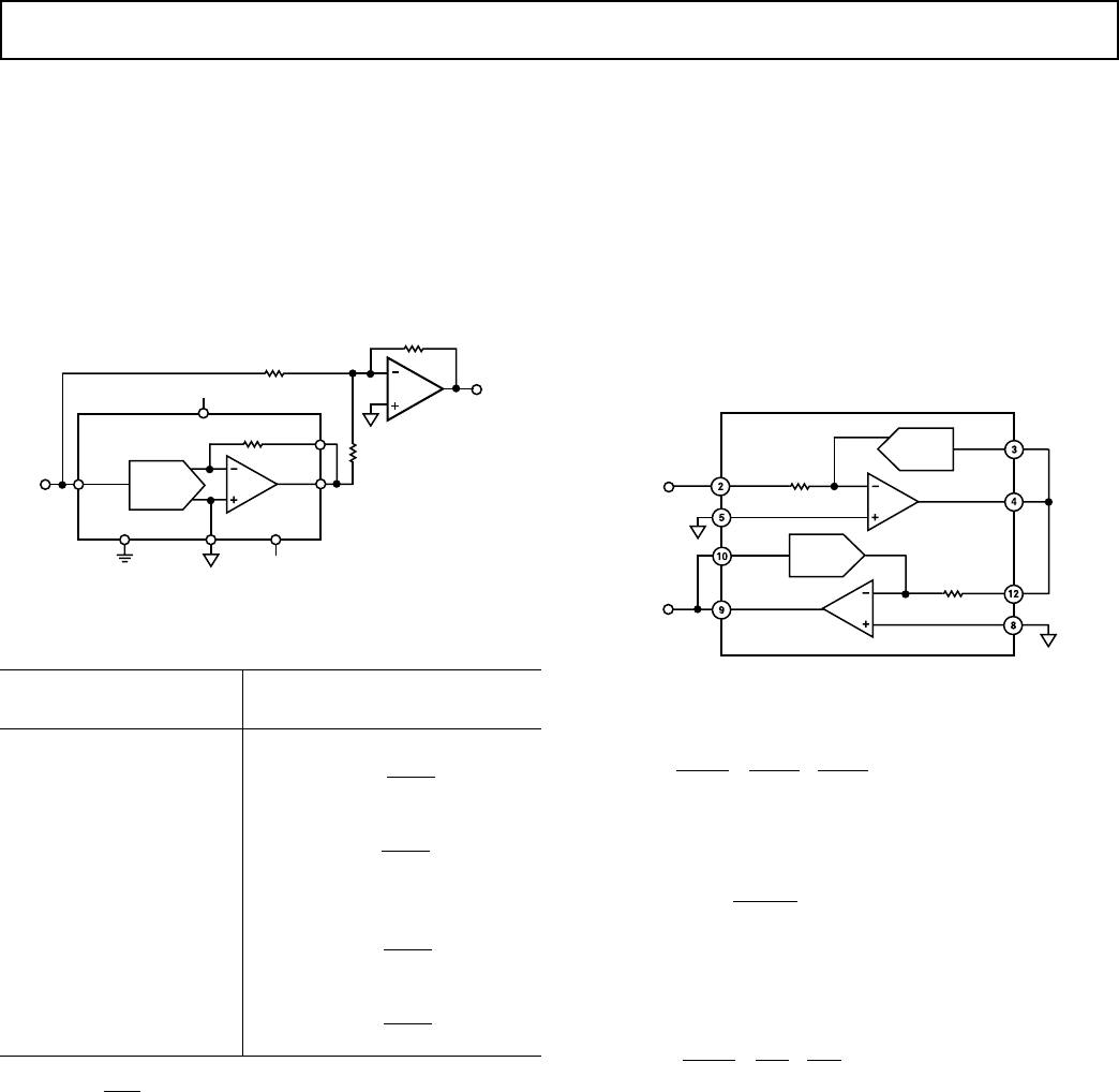
AD7837 PIN FUNCTION DESCRIPTION (DIP AND SOIC PIN NUMBERS)
Pin Mnemonic Description
1CS Chip Select. Active low logic input. The device is selected when this input is active.
2R
FBA
Amplifier Feedback Resistor for DAC A.
3V
REFA
Reference Input Voltage for DAC A. This may be an ac or dc signal.
4V
OUTA
Analog Output Voltage from DAC A.
5 AGNDA Analog Ground for DAC A.
6V
DD
Positive Power Supply.
7V
SS
Negative Power Supply.
8 AGNDB Analog Ground for DAC B.
9V
OUTB
Analog Output Voltage from DAC B.
10 V
REFB
Reference Input Voltage for DAC B. This may be an ac or dc signal.
11 DGND Digital Ground. Ground reference for digital circuitry.
12 R
FBB
Amplifier Feedback Resistor for DAC B.
13 WR Write Input. WR is an active low logic input which is used in conjunction with CS, A0 and A1 to
write data to the input latches.
14 LDAC DAC Update Logic Input. Data is transferred from the input latches to the DAC latches when LDAC
is taken low.
15 A1 Address Input. Most significant address input for input latches (see Table II).
16 A0 Address Input. Least significant address input for input latches (see Table II).
17–20 DB7–DB4 Data Bit 7 to Data Bit 4.
21–24 DB3–DB0 Data Bit 3 to Data Bit 0 (LSB) or Data Bit 11 (MSB) to Data Bit 8.