591846-1 Datasheet by TE Connectivity Aerospace, Defense and Marine

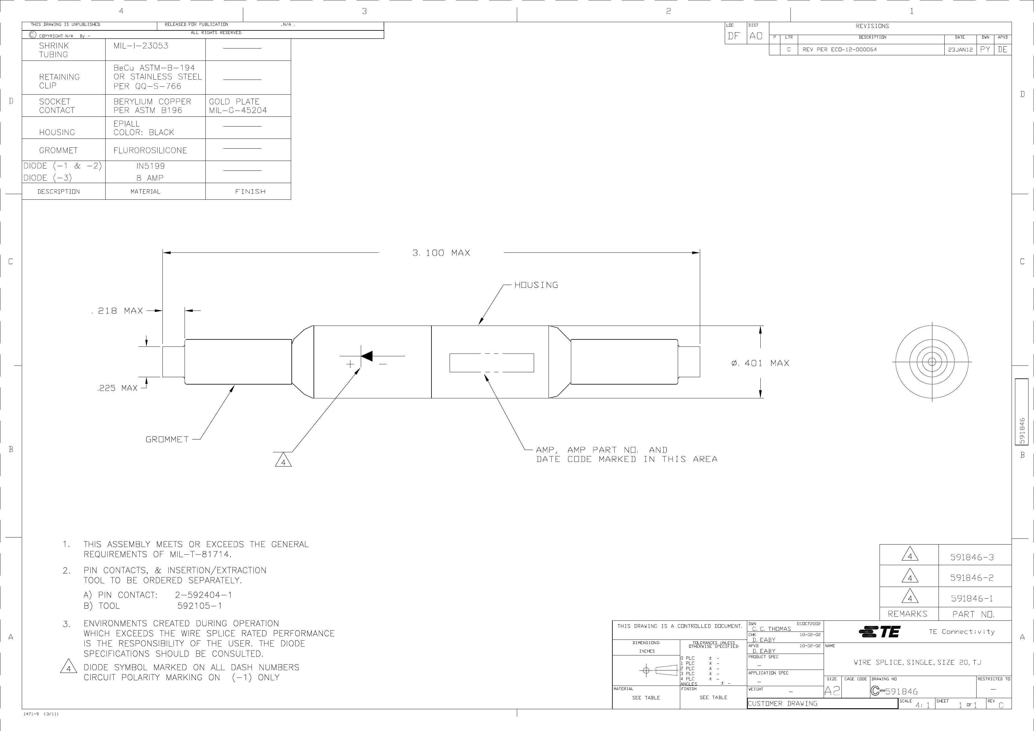
riiiii 7 3 E 1 mxmmz xsmexngn T mam rue mus/mm ,N/A Lur mr {Ex/131mg ‘ ©CDF’VR’13HIWB n 7 ALL RIGHTS RESEWED DE AU T LT? DESCRPTIDN DATE DNA AMT SHRINK M‘Li‘i23053 C QB 3E2 ECDHLZHOCOCM EBJANLE PY DE TUTWC; ‘ BECJ ASTMiBiTgZT RETAINING 0H STAINLESS STEEL CLP PE? (X iSi/fifi ‘ L SOCKET BEQYLUM CCSSER GOLD PLATE CONTACT PE? AS N BT96 NTLHCH452C‘4 EDTALL ‘ HOUSHC COLCQZ BLACK (IRON/MET ELUHOHOSTLTCONE ‘ NUDE (,1 ("Y *7) TNfing MODE (*3) 8 AMP ‘ DESCQIPTIDN NATERIAL FINISH (i ‘ 3‘ 100 MAX HDUSIRG T818 MAX» <7 ‘="" 7="" +="" if="" 77="" $401="" ma="">< t="" n="" t="" ‘="" grdmmet="" b="" anp,="" amp="" dart="" nd="" and="" ‘="" 4="" date="" cdde="" marked="" in="" this="" area="" t.="" this="" assembly="" meets="" or="" exceeds="" the="" general="" b91846="" u3="" reoutrements="" oe="" mtlht7817’4.="" a="" ‘jjibztsh;="" 24="" rn="" contacts,="" &="" tnsertton/extractton="" c="" r="" a="" tool="" to="" be="" ordered="" separately.="" a="" 5/194ttl="" ‘="" a)="" ptn="" contact:="" 275924044="" a="" 39184671="" b)="" tool="" 59210571="" remarks="" part="" nd="" 3.="" envtronments="" created="" dlrtng="" operatton="" w="" mm="" 1:="" acmmllmumw="" ‘="" ‘="" ‘="" a="" whtoh="" exceeds="" the="" wtre="" spltce="" rated="" performance="" l="" l‘="" them="" —:te="" te="" cormectivity="" ts="" the="" responstbtltty="" oe="" the="" user.="" the="" dtode="" m’hungeff‘sneeépesefted="" ”belly="" spectetoattons="" should="" be="" consulted,="" 0ch="" i="" 7="" w952="" ‘="" {s="" dtode="" symbol="" marked="" on="" all="" dash="" numbers="" éele="" :="" wmmwm="" ”5="" l‘llle'lln‘le’blle="" ll’tl="" ctrcutt="" polartty="" marking="" on="" (ht)="" only="" ecle="" ;="" :="" 7="" wm="" www="" ”wu="" nlle'="" t="" 7="" ‘="" mam="" mm="" mm="" 7="" a="" q="" ©="5" 318="" 46="" 7="" see="" table="" see="" table="" ‘="" _="" ‘="" ’="" scale="" sheet="" re.’="" llstdmer="" dramins="" 4:="" ;="" ;="" m1="" [7="" 14/,79="" (am)="">