C27 Series Datasheet by KEMET

E‘ectromc Components KEIl/IEI' CHARGED.‘ AA = Fa = lermina AF ‘ U L = 25 8 mm AL ' Un L = 300 8 mm, LF = Bipolar c L = 250 mm, unshea‘hed 4D snipped 3mm LG = Bipolav L = 300mm, unshea‘hed 4D snipped 3 mm LH ipolar c L = 350 mm, unshea‘hed 4D snipped 3 mm
1© KEMET Electronics Corporation • KEMET Tower • One East Broward Boulevard F3062_C27 • 3/29/2019
Fort Lauderdale, FL 33301 USA • 954-766-2800 • www.kemet.com
One world. One KEMET
Benefits
• Self-healing
IMQ and UL810 approved (construction only)
Rated frequency of 50 Hz and 60 Hz
High capacitance density
Overview
The C27 capacitor is a polypropylene metallized film
capacitor, with a cylindrical, plastic can-type design
filled with resin. It uses faston and plastic deck, or
cable terminals.
Applications
Typical applications include motor start S0 safety class.
Motor Run Capacitors
C27, Cylindrical Plastic Case, 275 – 470 VAC
Part Number System
C27 4A C 2 4100 AA 5J
Series Marking
Case and
Fixing Bolt
Code
Terminal
Style
Capacitance
Code
(pF)
Packaging Internal
Use Tolerance
C27 =
Motor Run
Capacitors
4 = 30,000
hours/420 VAC
(Class A) or
10,000 hours/470
VAC (Class B)
6 = 10,000
hours/420 VAC
(Class B) or 3,000
hours/470 VAC
(Class C)
7 = 10,000
hours/275 VAC
(Class C) or 1,000
hours/425 VAC
(Class D)
C274:
C = Standard
N = UL
Z = Special
C276:
A = Standard
N = UL
Z = Special
C277:
L = Standard
N = UL
Z = Special
A = Without
fixing bolt/flat
bottom
C = Cylindrical
plastic case with
M8 bolt
2 = Single faston
6.3 x 0.8
3 = Double faston
6.3 x 0.8
A = Unipolar
flexible cable
(tinned end)
B = Unipolar
flexible cable
(untinned end)
F = Bipolar cable
(tinned end)
Digits 2 - 4
indicate the
first three
digits of the
capacitance
value.
First digit
indicates the
number of
zeros to be
added.
AA = Faston
terminals standard
AF = Unipolar cable,
L = 250 mm, stripped
8 mm
AL = Unipolar cable,
L = 300 mm, stripped
8 mm,
LF = Bipolar cable
L = 250 mm,
unsheathed 40 mm,
stripped 8mm
LG = Bipolar cable
L = 300mm,
unsheathed 40 mm,
stripped 8 mm
LH = Bipolar cable
L = 350 mm,
unsheathed 40 mm,
stripped 8 mm
0, 1, 2, 5 =
Standard
J = 5%
ammm Compancnls KEIVIEI' Emma): H H g4 25 565 M8 X 10 40 73.5 MEX 30 25 58 MEX11 40 71.5 MEX31 25 55 M8 X 12 40 74 MEX 32 25 585 M8 X 13 40 94 MEX 33 25 57 M8 X 14 40 69.5 ME X 34 30 56,5 MEX15 40 95.5 MEX35 30 55 M8X1E 45 93 MEX36 30 69.5 M8X17 45 74 MEX37 30 58,5 M8X1E 45 95.5 MEX38 30 57 M8X19 45 94 MEX39 35 56,5 MEXZU 45 120 MEX40 35 73,5 M8X21 45 71.5 M8X41 35 55 MEX22 50 95 MEX42 35 57 MEX23 50 120 MEX43 35 71.5 M8X24 55 120 MEX44 35 74 M8X25 55 121 MEX45 35 94,5 MB X 26 55 93.5 ME X46 35 69.5 M8X27 35 58,5 MEX28 35 95.5 MEX29
2© KEMET Electronics Corporation • KEMET Tower • One East Broward Boulevard F3062_C27 • 3/29/2019
Fort Lauderdale, FL 33301 USA • 954-766-2800 • www.kemet.com
Motor Run Capacitors
C27, Cylindrical Plastic Case, 275 – 470 VAC
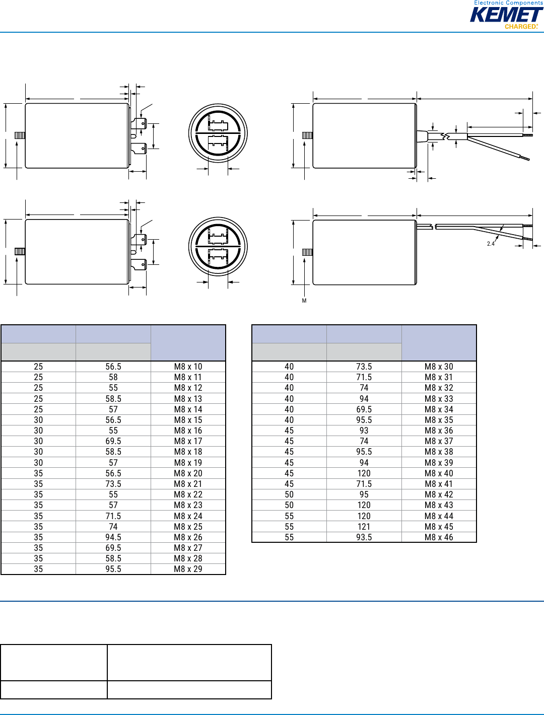
Dimensions – Millimeters
10±0.5
10± 0.5
Single Faston
M
H
13.5 ±0.5
10 ±0.5
2
6.3x0.8
5.5
D
Double Faston
M
M
M
H
13.5 ±0.5
13.4 ±0.5
2
6.3x0.8
5.5
D
Bipolar Cable
H
D
2
8 ±2
6
640 ±5
300 ±10
10
Polar Cable
H
D
250 ±10
2.4 8 ±2
D H Mounting Stud
(M)
+1/-0 ±2
25
56.5
M8 x 10
25
58
M8 x 11
25
55
M8 x 12
25
58.5
M8 x 13
25
57
M8 x 14
30
56.5
M8 x 15
30
55
M8 x 16
30
69.5
M8 x 17
30
58.5
M8 x 18
30
57
M8 x 19
35
56.5
M8 x 20
35
73.5
M8 x 21
35
55
M8 x 22
35
57
M8 x 23
35
71.5
M8 x 24
35
74
M8 x 25
35
94.5
M8 x 26
35
69.5
M8 x 27
35
58.5
M8 x 28
35
95.5
M8 x 29
D H Mounting Stud
(M)
+1/-0 ±2
40
73.5
M8 x 30
40
71.5
M8 x 31
40
74
M8 x 32
40
94
M8 x 33
40
69.5
M8 x 34
40
95.5
M8 x 35
45
93
M8 x 36
45
74
M8 x 37
45
95.5
M8 x 38
45
94
M8 x 39
45
120
M8 x 40
45
71.5
M8 x 41
50
95
M8 x 42
50
120
M8 x 43
55
120
M8 x 44
55
121
M8 x 45
55
93.5
M8 x 46
Qualification
Reference Standards
IEC 252, EN 60252-1:2011/A1/2013,
IMQ, UL810 (construction only),
approved up to 500 VAC
Vibration Test IEC 68–26
E‘Icunmc Companm; KEIVIEI' CHARGED! Polypropylene with sellrexlinguishing lealures V2 (UL 94) Noryl with sellrexlinguishmg feamres VI (UL 94) lordiamelers > 50 mm u
3© KEMET Electronics Corporation • KEMET Tower • One East Broward Boulevard F3062_C27 • 3/29/2019
Fort Lauderdale, FL 33301 USA • 954-766-2800 • www.kemet.com
Motor Run Capacitors
C27, Cylindrical Plastic Case, 275 – 470 VAC
Performance Characteristics
Type of Service Continuous
Operating Class
C27/4 Class A 30,000 hours at 420 VAC or Class B 10,000 hours at 470 VAC
C27/6 Class B 10,000 hours at 420 VAC or Class C 3,000 hours at 470 VAC
C27/7 Class B 10,000 hours at 275 VAC or Class D 1,000 hours at 425 VAC (intermittent operation)
Temperature Range 25°C to +85°C
Storage Temperature −40°C to +90°C
Rated Voltage 470 VAC
Rated Frequency 50 – 60 Hz
Voltage Rise/Fall Time (Maximum):
C27/4
C27/6
c27/7
20 V/μs
15 V/μs
15 V/μs
Maximum Permissible Voltage 1.10 x rated voltage
Maximum Permissible Current 1.30 x rated current
Dissipation Factor (DF) 20 x 10 −4 at +20°C, 50Hz
Safety Class S0
Maximum Altitude 2,000 m
Capacitance Tolerance ±5%
Mounting Any position
Can
Polypropylene with self-extinguishing features V2 (UL 94)
Noryl with self-extinguishing features VI (UL 94) for diameters > 50 mm
Disk
Faston execution: Nylon PA66 with self-extinguishing features V0
Cable execution: PC-A with self-extinguishing features V0
For diameters > 40 mm cable execution: Noryl PPO with self-extinguishing features VI
Filling Resin Polyurethane
Dielectric Polypropylene
Plates Self-healing metal layer
Test Voltage Terminal to Terminal
(V
) 2 Vn for 2 seconds
Test Voltage Terminal to Can (VTC) 2,000 V for 2 seconds
Air Distance Between Live Parts ≥ 5 mm
Air Distance Between Live Parts and
Case ≥ 6 mm
ammmc compmm KEIVIEI' crummy:
4© KEMET Electronics Corporation • KEMET Tower • One East Broward Boulevard F3062_C27 • 3/29/2019
Fort Lauderdale, FL 33301 USA • 954-766-2800 • www.kemet.com
Motor Run Capacitors
C27, Cylindrical Plastic Case, 275 – 470 VAC
Table 1 – Ratings & Part Number Reference
Capacitance
Value (µF) VAC Maximum Dimensions (mm) dV/dt
(V/µs) Termination Packaging
Quantity Part Number
D H
1470 25 56.5 20 Single faston 162 C274AC24100AA0J
1.25 470 25 58 20 Single faston 162 C274AC24125AA0J
1.5 470 25 58 20 Single faston 162 C274AC24150AA0J
2470 25 58 20 Single faston 162 C274AC24200AA0J
2.5 470 25 58 20 Single faston 162 C274AC24250AA0J
3470 25 58 20 Single faston 162 C274AC24300AA0J
4470 30 56.5 20 Single faston 110 C274AC24400AA0J
5470 30 56.5 20 Single faston 110 C274AC24500AA0J
6470 35 56.5 20 Single faston 86 C274AC24600AA0J
6.3 470 35 56.5 20 Single faston 86 C274AC24630AA0J
7470 35 56.5 20 Single faston 86 C274AC24700AA0J
7.5 470 35 56.5 20 Single faston 86 C274AC24750AA0J
8470 35 56.5 20 Single faston 86 C274AC24800AA0J
10 470 35 73.5 20 Single faston 86 C274AC25100AA0J
12 470 35 73.5 20 Single faston 86 C274AC25120AA0J
12.5 470 35 73.5 20 Single faston 86 C274AC25125AA0J
16 470 40 73.5 20 Single faston 60 C274AC25160AA0J
25 470 45 93 20 Single faston 50 C274AC25250AA0J
30 470 45 93 20 Single faston 50 C274AC25300AA0J
31.5 470 45 93 20 Single faston 50 C274AC25315AA0J
1470 25 56.5 20 Double faston 162 C274AC34100AA0J
1.5 470 25 58 20 Double faston 162 C274AC34150AA0J
2470 25 58 20 Double faston 162 C274AC34200AA0J
2.5 470 25 56.5 20 Double faston 162 C274AC34250AA0J
3470 25 58 20 Double faston 162 C274AC34300AA0J
4470 30 56.5 20 Double faston 110 C274AC34400AA0J
5470 30 56.5 20 Double faston 110 C274AC34500AA0J
6470 35 56.5 20 Double faston 86 C274AC34600AA0J
6.3 470 35 56.5 20 Double faston 86 C274AC34630AA0J
7470 35 56.5 20 Double faston 86 C274AC34700AA0J
7.5 470 35 56.5 20 Double faston 86 C274AC34750AA0J
8470 35 56.5 20 Double faston 86 C274AC34800AA0J
9470 35 73.5 20 Double faston 86 C274AC34900AA0J
10 470 35 73.5 20 Double faston 86 C274AC35100AA0J
11 470 35 73.5 20 Double faston 86 C274AC35110AA0J
12 470 35 73.5 20 Double faston 86 C274AC35120AA0J
12.5 470 35 73.5 20 Double faston 86 C274AC35125AA0J
14 470 40 73.5 20 Double faston 60 C274AC35140AA0J
15 470 40 73.5 20 Double faston 60 C274AC35150AA0J
16 470 40 73.5 20 Double faston 60 C274AC35160AA0J
18 470 45 74 20 Double faston 50 C274AC35180AA0J
20 470 45 74 20 Double faston 50 C274AC35200AA0J
25 470 45 93 20 Double faston 50 C274AC35250AA0J
30 470 45 93 20 Double faston 50 C274AC35300AA0J
35 470 50 95 20 Double faston 40 C274AC35350AA0J
40 470 50 120 20 Double faston 40 C274AC35400AA0J
50 470 50 120 20 Double faston 40 C274AC35500AA0J
55 470 55 120 20 Double faston 32 C274AC35550AA0J
60 470 55 121 20 Double faston 32 C274AC35600AA0J
1470 25 55 20 Unipolar flexible cable (tinned end) 162 C274ACA4100AL0J
1.5 470 25 55 20 Unipolar flexible cable (tinned end) 162 C274ACA4150AL0J
2470 25 55 20 Unipolar flexible cable (tinned end) 162 C274ACA4200AL0J
2.5 470 25 55 20 Unipolar flexible cable (tinned end) 162 C274ACA4250AL0J
3470 25 55 20 Unipolar flexible cable (tinned end) 162 C274ACA4300AL0J
4470 30 55 20 Unipolar flexible cable (tinned end) 110 C274ACA4400AL0J
5470 30 55 20 Unipolar flexible cable (tinned end) 110 C274ACA4500AL0J
6470 35 55 20 Unipolar flexible cable (tinned end) 86 C274ACA4600AL0J
1470 25 58.5 20 Unsheathed bipolar cable (tinned end) 162 C274ACF4100LF0J
1.5 470 25 58.5 20 Unsheathed bipolar cable (tinned end) 162 C274ACF4150LF0J
2470 25 58.5 20 Unsheathed bipolar cable (tinned end) 162 C274ACF4200LF0J
2.5 470 25 58.5 20 Unsheathed bipolar cable (tinned end) 162 C274ACF4250LF0J
3470 25 58.5 20 Unsheathed bipolar cable (tinned end) 162 C274ACF4300LF0J
Capacitance
Value (µF) VAC B (mm) H (mm) dV/dt
(V/µs) Termination Packaging
Quantity Part Number
ammmc compmm KEIVIEI' crummy:
5© KEMET Electronics Corporation • KEMET Tower • One East Broward Boulevard F3062_C27 • 3/29/2019
Fort Lauderdale, FL 33301 USA • 954-766-2800 • www.kemet.com
Motor Run Capacitors
C27, Cylindrical Plastic Case, 275 – 470 VAC
Table 1 – Ratings & Part Number Reference cont'd
Capacitance
Value (µF) VAC Maximum Dimensions (mm) dV/dt
(V/µs) Termination Packaging
Quantity Part Number
D H
4470 30 58.5 20 Unsheathed bipolar cable (tinned end) 110 C274ACF4400LF0J
5470 30 58.5 20 Unsheathed bipolar cable (tinned end) 110 C274ACF4500LF0J
6470 35 58.5 20 Unsheathed bipolar cable (tinned end) 86 C274ACF4600LF0J
8470 35 58.5 20 Unsheathed bipolar cable (tinned end) 86 C274ACF4800LF0J
10 470 35 71.5 20 Unsheathed bipolar cable (tinned end) 86 C274ACF5100LF0J
12 470 35 71.5 20 Unsheathed bipolar cable (tinned end) 86 C274ACF5120LF0J
15 470 40 71.5 20 Unsheathed bipolar cable (tinned end) 60 C274ACF5150LF0J
20 470 45 71.5 20 Unsheathed bipolar cable (tinned end) 50 C274ACF5200LF0J
30 470 45 93 20 Unsheathed bipolar cable (tinned end) 50 C274ACF5300LF0J
35 470 50 93 20 Unsheathed bipolar cable (tinned end) 40 C274ACF5350LF0J
40 470 50 120 20 Unsheathed bipolar cable (tinned end) 40 C274ACF5400LF0J
1.5 470 25 58 15 Single faston 162 C276CC24150AA0J
2470 25 58 15 Single faston 162 C276CC24200AA0J
2.5 470 25 58 15 Single faston 162 C276CC24250AA0J
3470 25 58 15 Single faston 162 C276CC24300AA0J
3.15 470 25 58 15 Single faston 162 C276CC24315AA0J
4470 25 58 15 Single faston 162 C276CC24400AA0J
5470 25 58 15 Single faston 162 C276CC24500AA1J
6470 30 56.5 15 Single faston 110 C276CC24600AA0J
6.3 470 30 56.5 15 Single faston 110 C276CC24630AA0J
7470 30 56.5 15 Single faston 110 C276CC24700AA0J
8470 35 56.5 15 Single faston 86 C276CC24800AA0J
9470 35 56.5 15 Single faston 86 C276CC24900AA0J
10 470 35 56.5 15 Single faston 86 C276CC25100AA0J
11 470 35 56.5 15 Single faston 86 C276CC25110AA0J
12 470 35 73.5 15 Single faston 86 C276CC25120AA0J
12.5 470 35 73.5 15 Single faston 86 C276CC25125AA0J
14 470 35 73.5 15 Single faston 86 C276CC25140AA0J
15 470 35 73.5 15 Single faston 86 C276CC25150AA0J
16 470 35 73.5 15 Single faston 86 C276CC25160AA0J
18 470 40 73.5 15 Single faston 60 C276CC25180AA0J
20 470 40 73.5 15 Single faston 60 C276CC25200AA0J
25 470 45 74 15 Single faston 50 C276CC25250AA0J
30 470 45 74 15 Single faston 50 C276CC25300AA0J
35 470 45 93 15 Single faston 50 C276CC25350AA0J
40 470 45 94 15 Single faston 50 C276CC25400AA0J
60 470 50 120 15 Single faston 40 C276CC25600AA0J
1.5 470 25 56.5 15 Double faston 162 C276CC34150AA0J
2.5 470 25 58 15 Double faston 162 C276CC34250AA0J
3470 25 58 15 Double faston 162 C276CC34300AA0J
3.15 470 25 58 15 Double faston 162 C276CC34315AA0J
4470 25 58 15 Double faston 162 C276CC34400AA0J
5470 30 56.5 15 Double faston 110 C276CC34500AA0J
6470 30 56.5 15 Double faston 110 C276CC34600AA0J
6.3 470 30 56.5 15 Double faston 110 C276CC34630AA0J
7470 30 56.5 15 Double faston 110 C276CC34700AA0J
8470 35 56.5 15 Double faston 86 C276CC34800AA0J
10 470 35 56.5 15 Double faston 86 C276CC35100AA0J
11 470 35 56.5 15 Double faston 86 C276CC35110AA0J
12 470 35 74 15 Double faston 86 C276CC35120AA0J
12.5 470 35 73.5 15 Double faston 86 C276CC35125AA0J
14 470 35 73.5 15 Double faston 86 C276CC35140AA0J
15 470 35 73.5 15 Double faston 86 C276CC35150AA0J
16 470 35 74 15 Double faston 86 C276CC35160AA0J
17.5 470 40 73.5 15 Double faston 60 C276CC35175AA0J
18 470 40 73.5 15 Double faston 60 C276CC35180AA0J
20 470 40 74 15 Double faston 60 C276CC35200AA0J
22 470 40 73.5 15 Double faston 60 C276CC35220AA0J
25 470 40 94 15 Double faston 60 C276CC35250AA1J
30 470 45 74 15 Double faston 50 C276CC35300AA0J
31.5 470 45 93 15 Double faston 50 C276CC35315AA0J
35 470 45 93 15 Double faston 50 C276CC35350AA0J
Capacitance
Value (µF) VAC B (mm) H (mm) dV/dt
(V/µs) Termination Packaging
Quantity Part Number
ammmc compmm KEIVIEI' crummy:
6© KEMET Electronics Corporation • KEMET Tower • One East Broward Boulevard F3062_C27 • 3/29/2019
Fort Lauderdale, FL 33301 USA • 954-766-2800 • www.kemet.com
Motor Run Capacitors
C27, Cylindrical Plastic Case, 275 – 470 VAC
Table 1 – Ratings & Part Number Reference cont'd
Capacitance
Value (µF) VAC Maximum Dimensions (mm) dV/dt
(V/µs) Termination Packaging
Quantity Part Number
D H
40 470 45 93 15 Double faston 50 C276CC35400AA0J
45 470 50 95 15 Double faston 40 C276CC35450AA0J
50 470 50 120 15 Double faston 40 C276CC35500AA0J
60 470 50 120 15 Double faston 40 C276CC35600AA0J
2470 25 58.5 15 Unsheathed bipolar cable (tinned end) 162 C276CCF4200LG0J
3470 25 57 15 Unsheathed bipolar cable (tinned end) 162 C276CCF4300LG0J
4470 25 58.5 15 Unsheathed bipolar cable (tinned end) 162 C276CCF4400LG0J
5470 30 57 15 Unsheathed bipolar cable (tinned end) 110 C276CCF4500LG0J
5.5 470 30 58.5 15 Unsheathed bipolar cable (tinned end) 110 C276CCF4550LG0J
6470 30 58.5 15 Unsheathed bipolar cable (tinned end) 110 C276CCF4600LG0J
8470 35 58.5 15 Unsheathed bipolar cable (tinned end) 86 C276CCF4800LG0J
10 470 35 58.5 15 Unsheathed bipolar cable (tinned end) 86 C276CCF5100LG0J
12 470 35 71.5 15 Unsheathed bipolar cable (tinned end) 86 C276CCF5120LG0J
12.5 470 35 71.5 15 Unsheathed bipolar cable (tinned end) 86 C276CCF5125LG0J
14 470 35 71.5 15 Unsheathed bipolar cable (tinned end) 86 C276CCF5140LG0J
16 470 35 71.5 15 Unsheathed bipolar cable (tinned end) 86 C276CCF5160LG0J
16 470 35 71.5 15 Unsheathed bipolar cable (tinned end) 86 C276CCF5160LF0J
20 470 40 71.5 15 Unsheathed bipolar cable (tinned end) 60 C276CCF5200LG0J
25 470 45 71.5 15 Unsheathed bipolar cable (tinned end) 50 C276CCF5250LG0J
30 470 45 71.5 15 Unsheathed bipolar cable (tinned end) 50 C276CCF5300LG0J
35 470 45 95.5 15 Unsheathed bipolar cable (tinned end) 50 C276CCF5350LG0J
40 470 45 95.5 15 Unsheathed bipolar cable (tinned end) 50 C276CCF5400LG0J
50 470 50 95 15 Unsheathed bipolar cable (tinned end) 40 C276CCF5500LH2J
3470 25 55 15 Polar cable (untinned end) 162 C276CCB4300AF0J
4470 25 55 15 Polar cable (untinned end) 162 C276CCB4400AF0J
5470 30 55 15 Polar cable (untinned end) 110 C276CCB4500AF0J
7470 30 55 15 Polar cable (untinned end) 110 C276CCB4700AF0J
8470 35 55 15 Polar cable (untinned end) 86 C276CCB4800AF0J
8.5 470 35 55 15 Polar cable (untinned end) 86 C276CCB4850AF0J
9470 35 55 15 Polar cable (untinned end) 86 C276CCB4900AF0J
12 470 35 69.5 15 Polar cable (untinned end) 86 C276CCB5120AF0J
12.5 470 35 69.5 15 Polar cable (untinned end) 86 C276CCB5125AF0J
14 470 35 69.5 15 Polar cable (untinned end) 86 C276CCB5140AF0J
5425 25 56.5 15 Single faston 162 C277LC24500AA0J
16 425 35 74 15 Single faston 86 C277LC25160AA0J
50 425 45 93 15 Double faston 50 C277LC35500AA0J
70 425 50 95 15 Double faston 40 C277LC35700AA0J
4425 25 55 15 Polar cable (untinned end) 162 C277LCB4400AF0J
5425 25 55 15 Polar cable (untinned end) 162 C277LCB4500AF0J
7425 30 55 15 Polar cable (untinned end) 110 C277LCB4700AF0J
8425 30 55 15 Polar cable (untinned end) 110 C277LCB4800AF0J
9425 30 55 15 Polar cable (untinned end) 110 C277LCB4900AF0J
30 425 40 95.5 15 Unsheathed bipolar cable (tinned end) 60 C277LCF5300LG2J
Capacitance
Value (µF) VAC B (mm) H (mm) dV/dt
(V/µs) Termination Packaging
Quantity Part Number
Emctmmc Compancnl: KEIl/IEI' cums: . m 25/ Haw G) “H7 ; 25a me man — us No PCB: _ (€X — $HHH A, momma; 420V~ ‘0 ouch/cuss E- 47Dv~ 3 OOOh/CLASS C S EN 50151»! a 1: us No Fear, c222 mvém 4 use / w/sm MW mm XpF tSZ 420v~ mach/c‘cssc A7ov~ mum/mass o 25/055/21 .41 — 50 Emma: ‘ EN 0, 250m smmz czzmnanrwufl‘c NO PCB: 725. mc (6 X (5%“ ’ 2/ ANAS MK: — x M L 5 “m — s zs/rau/u 4 > T Ian w my: — (
7© KEMET Electronics Corporation • KEMET Tower • One East Broward Boulevard F3062_C27 • 3/29/2019
Fort Lauderdale, FL 33301 USA • 954-766-2800 • www.kemet.com
Motor Run Capacitors
C27, Cylindrical Plastic Case, 275 – 470 VAC
Marking
C27.4
MKP C27.4
From 1 µF up to 45 µF Over 45 µF
Capacitance value
Capacitor class
Climate class/Self-healing dielectric
Capacitance value
Rated voltage based on UL standards
UL approvals
Safety class
Date code
MKP C27.4
Capacitance value
Capacitor class
Climate class/Self-healing dielectric
Capacitance value
Rated voltage based on UL standards
UL approvals
Safety class
Date code
C27.6
MKP C27.6
From 1 µF up to 55 µF
Capacitance value
Capacitor class
Climate class/Self-healing dielectric
Capacitance value/Date code
Rated voltage based on UL standards
UL approvals
Safety class
MKP C27.6
Over 55 µF
Capacitance value
Capacitor class
Climate class/Self-healing dielectric
Capacitance value/Date code
Rated voltage based on UL standards
UL approvals
Safety class
ammmc compmm KEIl/IEI' EHARGED!
8© KEMET Electronics Corporation • KEMET Tower • One East Broward Boulevard F3062_C27 • 3/29/2019
Fort Lauderdale, FL 33301 USA • 954-766-2800 • www.kemet.com
Motor Run Capacitors
C27, Cylindrical Plastic Case, 275 – 470 VAC
Marking (cont.d)
Manufacturing Date Code (IEC–60062)
Y = Year, Z = Month
Year Code Month Code
2010
A
January
1
2011
B
February
2
2012
C
March
3
2013
D
April
4
2014
E
May
5
2015
F
June
6
2016
H
July
7
2017
J
August
8
2018
K
September
9
2019
L
October
O
2020
M
November
N
2021
N
December
D
2022
P
2023
R
2024
S
2025
T
2026
U
2027
V
2028
W
2029
X
2030
A
ammmc compmm KEIVIEI' cumin:
9© KEMET Electronics Corporation • KEMET Tower • One East Broward Boulevard F3062_C27 • 3/29/2019
Fort Lauderdale, FL 33301 USA • 954-766-2800 • www.kemet.com
Motor Run Capacitors
C27, Cylindrical Plastic Case, 275 – 470 VAC
Environmental Compliance
As a leading global supplier of electronic components and an environmentally conscious company, KEMET continually
aspires to improve the environmental effects of our manufacturing processes and our finished electronic components.
In Europe (RoHS Directive) and in some other geographical areas such as China (China RoHS), legislation has been enacted
to prevent or otherwise limit the use of certain hazardous materials, including lead (Pb), in electronic equipment. KEMET
monitors legislation globally to ensure compliance and endeavors to adjust our manufacturing processes and/or electronic
components as may be required by applicable law.
For military, medical, automotive, and some commercial applications, the use of lead (Pb) in the termination is necessary
and/or required by design. KEMET is committed to communicating RoHS compliance to our customers. Information related
to RoHS compliance will be provided in data sheets and using specific identifiers on the packaging labels.
All KEMET power film capacitors are RoHS compliant.
Materials & Environment
The selection of raw materials that KEMET uses for the production of its electronic components is the result of extensive
experience. KEMET directs specific attention toward environmental protection. KEMET selects its suppliers according to
ISO 9001 standards and performs statistical analyses on raw materials before acceptance for use in manufacturing our
electronic components. All materials are, to the best of KEMET’s knowledge, non-toxic and free from cadmium; mercury;
chrome and compounds; polychlorine triphenyl (PCB); bromide and chlorinedioxins bromurate clorurate; CFC and HCFC;
and asbestos.
Dissipation Factor
Dissipation factor is a complex function involved with capacitor inefficiency. The tgδ may vary up and down with increased
temperature. For more information, refer to Performance Characteristics.
Sealing
Hermetically Sealed Capacitors
As the temperature increases, the pressure inside the capacitor increases. If the internal pressure is high enough, it can
cause a breach in the capacitor. Such a breach can result in leakage, impregnation, filling fluid, or moisture susceptibility.
Barometric Pressure
The altitude at which hermetically sealed capacitors are operated controls the capacitor's voltage rating. As the barometric
pressure decreases, the susceptibility to terminal arc-over increases. Non-hermetic capacitors can be affected by internal
stresses due to pressure changes. These effects can be in the form of capacitance changes, dielectric arc-over, and/or low
insulation resistance. Altitude can also affect heat transfer. Heat that is generated in an operation cannot be dissipated
properly, and high RI2 losses and eventual failure can result.
ammmc compmm KEIVIEI' cumin:
10© KEMET Electronics Corporation • KEMET Tower • One East Broward Boulevard F3062_C27 • 3/29/2019
Fort Lauderdale, FL 33301 USA • 954-766-2800 • www.kemet.com
Motor Run Capacitors
C27, Cylindrical Plastic Case, 275 – 470 VAC
KEMET Electronics Corporation Sales Offi ces
For a complete list of our global sales offi ces, please visit www.kemet.com/sales.
Disclaimer
All product specifi cations, statements, information and data (collectively, the “Information”) in this datasheet are subject to change. The customer is responsible for
checking and verifying the extent to which the Information contained in this publication is applicable to an order at the time the order is placed. All Information given
herein is believed to be accurate and reliable, but it is presented without guarantee, warranty, or responsibility of any kind, expressed or implied.
Statements of suitability for certain applications are based on KEMET Electronics Corporation’s (“KEMET) knowledge of typical operating conditions for such
applications, but are not intended to constitute – and KEMET specifi cally disclaims – any warranty concerning suitability for a specifi c customer application or use.
The Information is intended for use only by customers who have the requisite experience and capability to determine the correct products for their application. Any
technical advice inferred from this Information or otherwise provided by KEMET with reference to the use of KEMET’s products is given gratis, and KEMET assumes
no obligation or liability for the advice given or results obtained.
Although KEMET designs and manufactures its products to the most stringent quality and safety standards, given the current state of the art, isolated component
failures may still occur. Accordingly, customer applications which require a high degree of reliability or safety should employ suitable designs or other safeguards
(such as installation of protective circuitry or redundancies) in order to ensure that the failure of an electrical component does not result in a risk of personal injury
or property damage.
Although all product–related warnings, cautions and notes must be observed, the customer should not assume that all safety measures are indicted or that other
measures may not be required.
KEMET is a registered trademark of KEMET Electronics Corporation.