A4963 Datasheet by Allegro MicroSystems

‘ LLEGRO" mwcrosystems
The A4963 is a three-phase, sensorless, brushless DC (BLDC)
motor controller for use with external complementary P-channel
and N-channel power MOSFETs.
The A4963 can be used as a stand-alone controller
communicating directly with an electronic control unit (ECU)
or it can be used in a close-coupled system with a local
microcontroller (MCU).
The motor is driven using block commutation (trapezoidal drive)
where phase commutation is determined, without the need for
independent position sensors, by monitoring the motor back-
EMF (bemf). The sensorless startup scheme allows the A4963
to operate over a wide range of motor and load combinations.
Dedicated circuits allow the A4963 to operate over a wide range
of motor speeds, from less than 100 rpm to in excess of 30,000
rpm, depending on the supply voltage and motor capability.
Several operational modes are available including duty-cycle
(voltage) control, current (torque limit) control, and closed-loop
speed control. Operating mode and control parameters can be
altered through an SPI-compatible serial interface.
Motor operation is controlled by a programmable PWM input
that can be used to define the motor operating state and provide
the proportional input for the selected operating mode.
Integrated diagnostics provide indication of undervoltage,
overtemperature, and power bridge faults and can protect the
power switches under most short-circuit conditions. Faults
are indicated by a single open-drain output than can be used
to pull the PWM input low.
The A4963 is provided in a small, thermally enhanced 20-pin
TSSOP with exposed thermal pad.
A4963-DS, Rev. 3
MCO-0000337
Three-phase sensorless BLDC motor control FET driver
Logic level P-N gate drive (P high-side, N low-side)
4.2 to 50 V supply range
Simple block commutation for maximum torque
Sensorless (bemf sensing) startup and commutation
Programmable operating modes:
Integrated speed control
PWM duty cycle control
Current mode control
Cross-conduction prevention
Wide speed range capability
Peak current limiting
Single low-frequency PWM control input
Single open-drain fault output
SPI-compatible interface providing:
Configuration and control
Programmable dead time
Programmable phase advance
Detailed diagnostic reporting
Sensorless BLDC Controller
Typical Application – Functional Block Diagrams
A4963
ECU
COMMS
PWM
FAULTn
SPD
P
P
P
N
N
N
3-Phase
Motor
VBAT
MCU A4963
FEATURES AND BENEFITS DESCRIPTION
PWM
FAULTn
P
P
P
N
N
N
3-Phase
Motor
VBAT
ECU A4963
APPLICATIONS
Pumps
Blowers
Fans
PACKAGE:
20-Pin eTSSOP with Exposed Thermal Pad (suffix LP)
Not to scale
September 11, 2018
Sensorless BLDC Controller
A4963
2
Allegro MicroSystems, LLC
955 Perimeter Road
Manchester, NH 03103-3353 U.S.A.
www.allegromicro.com
SELECTION GUIDE
Part Number Packing Package
A4963GLPTR-T 4000 pieces per reel 6.5 mm × 4.4 mm, 1.2 mm nominal height
20-pin TSSOP with exposed thermal pad
Table of Contents
Features and Benefits 1
Description 1
Applications 1
Package 1
Typical Application Diagrams 1
Selection Guide 2
Absolute Maximum Ratings 3
Thermal Characteristics 3
Pinout Diagram and Terminal List Table 4
Functional Block Diagram 5
Electrical Characteristics 6
Timing Diagrams 9
Closed-Loop Control Diagrams 11
Functional Description 12
Input and Output Terminal Functions 12
Motor Drive System 13
Motor Control 16
Power Supplies 21
Gate Drive and Bridge PWM 21
Current Limit 24
Diagnostics 27
FAULTn Output 27
Serial Diagnostic Output 27
Fault Action 27
Fault Masks 29
Chip-Level Diagnostics 29
Loss of Synchronization 30
Serial Interface 32
Serial Registers Definition 32
Configuration and Control Registers 33
Diagnostic Register 34
Serial Register Reference 35
Input/Output Structures 40
Package Outline Drawing 41
ALLEGRO' mxcrosystems
Sensorless BLDC Controller
A4963
3
Allegro MicroSystems, LLC
955 Perimeter Road
Manchester, NH 03103-3353 U.S.A.
www.allegromicro.com
ABSOLUTE MAXIMUM RATINGS*
Characteristic Symbol Notes Rating Unit
Supply Voltage VBB –0.3 to 50 V
Battery-Compliant Inputs PWM –0.3 to 50 V
Battery-Compliant Outputs FAULTn, SPD –0.3 to 50 V
Logic Inputs STRn, SCK, SDI –0.3 to 6.5 V
Logic Outputs SDO –0.3 to 6.5 V
Pins GHA, GHB, GHC VBB – 18 to
VBB + 0.3 V
Pins SA, SB, SC –4 to 51 V
Pins GLA, GLB, GLC –0.3 to 18 V
Sense Amplifier Inputs VCSI CSP, CSM –4 to 6.5 V
Ambient Operating Temperature Range TA–25 to 150 °C
Maximum Continuous Junction Temperature TJ(max) 165 °C
Storage Temperature Range Tstg –55 to 150 °C
*With respect to GND
THERMAL CHARACTERISTICS: May require derating at maximum conditions; see application information
Characteristic Symbol Test Conditions* Value Unit
Package Thermal Resistance
RθJA
4-layer PCB based on JEDEC standard 23* °C/W
2-layer PCB with 3 in.2 copper each side 44* °C/W
RθJT 2* °C/W
*Additional thermal information available on the Allegro website.
SPECIFICATIONS
ALLEGRO' mwcrosystems
Sensorless BLDC Controller
A4963
4
Allegro MicroSystems, LLC
955 Perimeter Road
Manchester, NH 03103-3353 U.S.A.
www.allegromicro.com
Name Number Function
CSM 10 Sense amp. negative input
CSP 11 Sense amp. positive input
FAULTn 2 Fault output open drain
GHA 17 Phase A HS FET gate drive
GHB 16 Phase B HS FET gate drive
GHC 15 Phase C HS FET gate drive
GLA 14 Phase A LS FET gate drive
GLB 13 Phase B LS FET gate drive
GLA 12 Phase C LS FET gate drive
GND 9 Ground
PWM 4 PWM input, pulled low for fault
Name Number Function
SA 20 Phase A motor phase
SB 19 Phase B motor phase
SC 18 Phase C motor phase
SCK 6 Serial clock
SDI 8 Serial data input
SDO 5 Serial data output
SPD 3 Speed output
STRn 7 Serial strobe (chip select) input
VBB 1 Main supply
Pad Connect to ground
VBB
FAULTn
SPD
PWM
SDO
SCK
STRn
SDI
GND
CSM CSP
GLC
GLB
GLA
GHC
GHB
GHA
SC
SB
SA
1
2
3
4
5
6
7
8
9
10 11
12
13
14
15
16
17
18
19
PAD
20
Package LP, 20-Pin eTSSOP with Exposed Thermal Pad
Terminal List
PINOUT DIAGRAM AND TERMINAL LIST TABLE
Sensorless BLDC Controller
A4963
5
Allegro MicroSystems, LLC
955 Perimeter Road
Manchester, NH 03103-3353 U.S.A.
www.allegromicro.com
STRn
SDI
SDO
SCK
FAULTn
PWM
SPD
GND
CSM
CSP
GLA
SA
GHA
VBB
VBB
GND
VBB
GND
VRI
VREF
Battery +
Phase B
Phase C
Serial Interface Diagnostics &
Protection
Logic
Supply
Regulator
Ref
DAC
VRI
Dead
Time
Start Sequence
& Run Control
PWM
Detect Phase A shown
(repeated for B & C)
High-Side
Drive
x3
Low-Side
Drive
+
+
Speed
Control Motor
State
Seq
Bridge
Control
Gate
Drive
Control
Position
Estimator
Zero X Detect
Blank
Time
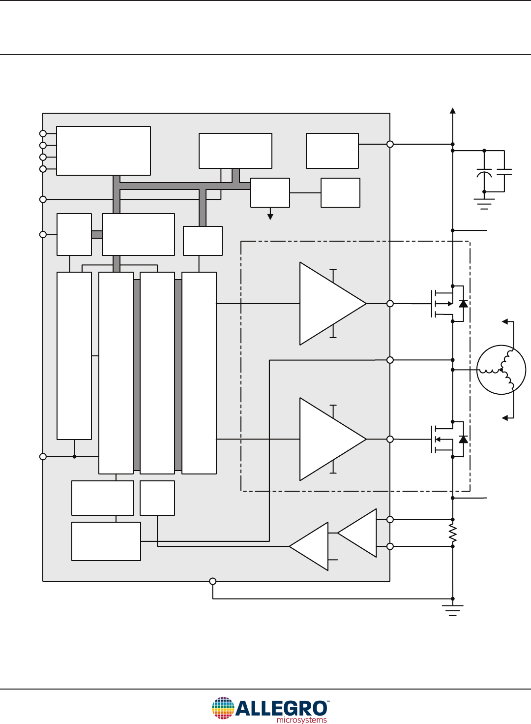
Functional Block Diagram
ALLEGRO' mxcrosystems
Sensorless BLDC Controller
A4963
6
Allegro MicroSystems, LLC
955 Perimeter Road
Manchester, NH 03103-3353 U.S.A.
www.allegromicro.com
Characteristics Symbol Test Conditions Min. Typ. Max. Unit
SUPPLY AND REFERENCE
VBB Functional Operating Range
[1] VBB
Operating; outputs active 4.2 50 V
Operating; outputs disabled 4.0 50 V
No unsafe states 0 50 V
VBB Quiescent Current IBBQ PWM = inactive, VBB = 12 V 12 18 mA
System Clock Period tOSC 47.5 50 52.5 ns
GATE OUTPUT DRIVE
Turn-On Time trCLOAD = 500 pF, 20% to 80%, VBB = 12 V 200 ns
Turn-Off Time tfCLOAD = 500 pF, 20% to 80%, VBB = 12 V 200 ns
GHx Pull-Up On Resistance RGHUP
TJ = 25°C, IGHx = –40 mA
[2] 12 17 26 Ω
TJ = 150°C, IGHx = –40 mA [2] – 26 – Ω
GHx Pull-Up Current Limit IGHLIMUP – 300 – mA
GHx Pull-Down On Resistance RGHDN
TJ = 25°C, IGHx = 40 mA, VBB = 10 V 23 28 33 Ω
TJ = 150°C, IGHx = 40 mA, VBB = 10 V 40 Ω
GHx Pull-Down Current Limit IGHLIMDN – 100 – mA
GHx Output Voltage High (Off) VGHH –10 µA < IGH < 10 µA VBB – 0.2 V
GHx Output Voltage Low (Active) VGHL
IGH = 10 mA, VBB = 14.5 V 0.9 2.6 V
–10 µA < IGH < 10 µA, VBB ≥ 14.1 V VBB – 14.1 VBB – 11.3 V
–10 µA < IGH < 10 µA, 9.6 ≤ VBB < 14.1 V 0 VBB – 9.4 V
–10 µA < IGH < 10 µA, VBB < 9.6 V 0 0.2 V
GLx Pull-Up On Resistance RGLUP
TJ = 25°C, IGLx = –40 mA
[2], VBB = 10 V 17 24 31 Ω
TJ = 150°C, IGLx = –40 mA
[2], VBB = 10 V 38 Ω
GLx Pull-Up Current Limit IGLLIMUP – 140 – mA
GLx Pull-Down On Resistance RGLDN
TJ = 25°C, IGLx = 40 mA 15 20 25 Ω
TJ = 150°C, IGLx = 40 mA 30 40 50 Ω
GLx Pull-Down Current Limit IGLLIMDN – 160 – mA
GLx Output Voltage High (Active) VGLH
–10 µA < IGL < 10 µA, VBB < 8.6 V VBB – 0.2 VBB V
–10 µA < IGL < 10 µA, 8.6 ≤ VBB < 13.7 V 8.4 VBB V
–10 µA < IGL < 10 µA, VBB ≥ 13.7 V 11.2 13.7 V
IGL = –10 mA, VBB = 14.5 V 10.7 13.5 V
GLx Output Voltage Low (Off) VGLL –10 µA < IGL < 10 µA 0.2 V
GHx Passive Pull-Down RGHPD VBB = 0 V, VGH > –0.1 V 500
GLx Passive Pull-Down RGLPD VBB = 0 V, VGL < 0.1 V 500
Turn-Off Propagation Delay [3] tP(off)
Input Change to unloaded Gate output change;
Direct mode 200 250 400 ns
Turn-On Propagation Delay [3] tP(on)
Input Change to unloaded Gate output change;
Direct mode 200 250 400 ns
Dead Time (Turn-Off to Turn-On
Delay)
[3] tDEAD Default power-up value 0.9 1.0 1.1 µs
ELECTRICAL CHARACTERISTICS: Valid at TA= 25°C, VBB = 4.2 to 28 V, unless noted otherwise
Continued on next page...
ALLEGRO' mxcrosystems
Sensorless BLDC Controller
A4963
7
Allegro MicroSystems, LLC
955 Perimeter Road
Manchester, NH 03103-3353 U.S.A.
www.allegromicro.com
Characteristics Symbol Test Conditions Min. Typ. Max. Unit
LOGIC INPUTS AND OUTPUTS
Input Low Voltage VIL – 0.8 V
Input High Voltage VIH 2.0 – V
Input Hysteresis VIhys 150 550 mV
Input Pull-Down Resistor (PWM, SDI,
SCK) RPD 30 50 70
Input Pull-Up Resistor (STRn) RPU 30 50 70
Output Low Voltage (SDO) VOL IOL = 1 mA 0.2 0.4 V
Output High Voltage (SDO) VOH IOL = 1 mA [2] 2.4 3.0 V
Output Leakage
[2] (SDO) IO0 V < VO < 3.3 V, STRn = 1 –1 1 µA
Output Low Voltage (FAULTn, SPD) VOL IOL = 4 mA, FAULTn active 0.2 0.4 V
Output Current Limit (FAULTn, SPD) IOLIM
0 V < VO < 15 V, FAULTn active 10 15 mA
15 V ≤ VO < 50 V, FAULTn active 2 mA
Output Leakage [2] (FAULTn, SPD) IO
0 V < VO < 12 V, FAULTn inactive –1 1 µA
12 V ≤ VO < 50 V, FAULTn inactive 1.7 mA
LOGIC I/O TIMING PARAMETERS
PWM Duty Detect Frequency Range fPWD 5 1000 Hz
PWM Brake Time tBRK 500 – µs
SERIAL INTERFACE – TIMING PARAMETERS
Clock High Time tSCKH A in Figure 1 50 ns
Clock Low Time tSCKL B in Figure 1 50 ns
Strobe Lead Time tSTLD C in Figure 1 30 ns
Strobe Lag Time tSTLG D in Figure 1 30 ns
Strobe High Time tSTRH E in Figure 1 300 ns
Data Out Enable Time tSDOE F in Figure 1 40 ns
Data Out Disable Time tSDOD G in Figure 1 30 ns
Data Out Valid Time from Clock
Falling tSDOV H in Figure 1 40 ns
Data Out Hold Time from Clock
Falling tSDOH I in Figure 1 5 ns
Data In Setup Time to Clock Rising tSDIS J in Figure 1 15 ns
Data In Hold Time from Clock Rising tSDIH K in Figure 1 10 ns
MOTOR STARTUP PARAMETERS
Hold Duty Cycle DHDefault power-up value 35.5 37.5 39.5 %
Hold Time tHOLD Default power-up value 15.2 16 16.8 ms
Start Speed fST Default power-up value 7.6 8 8.4 Hz
Start Duty Cycle DST Default power-up value 47.5 50 52.5 %
ELECTRICAL CHARACTERISTICS (continued): Valid at TA= 25°C, VBB = 4.2 to 28 V, unless noted otherwise
Continued on next page...
ALLEGRO' mxcrosystems
Sensorless BLDC Controller
A4963
8
Allegro MicroSystems, LLC
955 Perimeter Road
Manchester, NH 03103-3353 U.S.A.
www.allegromicro.com
Characteristics Symbol Test Conditions Min. Typ. Max. Unit
MOTOR RUN PARAMETERS
Phase Advance (in Electrical Degrees) θADV Default power-up value 14 15 16 °
Position Control Proportional Gain KCP Default power-up value 1
Position Control Integral Gain KCI Default power-up value 1
Speed Control Proportional Gain KSP Default power-up value 1
Speed Control Integral Gain KSI Default power-up value 1
Maximum Control Speed fMX Default power-up value 3112.9 3276.7 3440.5 Hz
Speed Error EfCCMX –5 – 5 %
CURRENT LIMITING
Current Limit Threshold Voltage
Range VILIM VILIM = VCSP – VCSM 12.5 200 mV
Current Limit Threshold Voltage VILIM Default power-up value 200 mV
Current Limit Threshold Voltage
Error
[7] EILIM VILIM = 200 mV –5% 5% %FS
Fixed Off-Time tPW Default power-up value 47.9 50.4 52.9 µs
Blank Time tBL Default power-up value 3.04 3.2 3.36 µs
PROTECTION
VBB Undervoltage Lockout VBBON VBB rising 4.2 4.4 4.6 V
VBBOFF VBB falling 3.8 4.0 4.2 V
VBB POR Voltage VBBR VBB falling 3.2 3.5 V
VBB POR Voltage Hysteresis VBBRHys – 100 – mV
VDS Threshold VDST Default power-up value 1325 1550 1705 mV
VDS Threshold Max, High Side VDST
VBB ≥ 6 V 1705 mV
5 V ≤ VBB < 6 V 500 mV
VDS Threshold Max, Low Side VDST VBB ≥ 4.2 V 1705 mV
VDS Threshold Offset
[4][5] VDSTO
VDST ≥ 1 V – ±100 – mV
VDST ≤ 1 V –150 ±50 150 mV
Temperature Warning Threshold TJWH Temperature increasing 125 135 145 °C
Temperature Warning Hysteresis TJWHhys – 15 – °C
Overtemperature Threshold TJF Temperature increasing 170 175 180 °C
Overtemperature Hysteresis TJHyst Recovery = TJF – TJHyst – 15 – °C
[1] Function is correct but parameters are not guaranteed above or below the general limits (6-28 V).
[2] For input and output current specifications, negative current is defined as coming out of (sourcing) the specified device terminal.
[3] See Figure 2 for gate drive output timing.
[4] As VSX decreases, high-side fault occurs if (VBAT – VSX) > (VDST + VDSTO).
[5] As VSX increases, low-side fault occurs if (VSX) > (VDST + VDSTO).
[6] See Figures 4 and 5 for VDS monitor timing.
[7] Current limit threshold voltage error is the difference between the target threshold voltage and the actual threshold voltage, referred to maximum full-scale (100%) cur-
rent: EILIM = 100 × (VILIMActual – VILIM)/200% (VILIM in mV).
ELECTRICAL CHARACTERISTICS (continued): Valid at TA= 25°C, VBB = 4.2 to 28 V, unless noted otherwise
5 “€959
Sensorless BLDC Controller
A4963
9
Allegro MicroSystems, LLC
955 Perimeter Road
Manchester, NH 03103-3353 U.S.A.
www.allegromicro.com
Figure 1: Serial Interface Timing
STRn
SCK
SDI
SDO
F
Z
CABDE
J
I
K
XD15 XD14 XXD0 X
D15’ D14’
H
D0’
G
Z
X = don’t care; Z = high impedance (tri-state)
PWM
GHX
GLX
tP(off)
tP(off)
tDEAD
tDEAD
Figure 2: Gate Drive Timing
VBB
GHA
GLA
VGS(LS)
14
12
10
8
6
4
2
0
246810 12 14 16 18
20
V Spec Max
GS(LS)
VTypical
GS(LS)
V Spec Min
GS(LS)
V (V)
BB
V (V)
GS(LS)
VBB
GHA
GLA
VGS(HS)
-14
-12
-10
-8
-6
-4
-2
0
246810 12 14 16 18
20
V Spec Max
GS(HS)
VTypical
GS(HS)
V Spec Min
GS(HS)
V (V)
BB
V (V)
GS(HS)
Figure 3: Typical Low-Side Gate Drive vs. VBB Figure 4: Typical High-Side Gate Drive vs. VBB
LLEGRO' systems mxcro
Sensorless BLDC Controller
A4963
10
Allegro MicroSystems, LLC
955 Perimeter Road
Manchester, NH 03103-3353 U.S.A.
www.allegromicro.com
Bridge
PWM
GHX
GLX
tDEAD
tBL
tP(off)
tDEAD
tBL
tP(off)
HS monitor disabled High-side V monitor active
DS High-side V monitor disabled
DS
Low-side V monitor disabled
DS Low-side V monitor active
DS disabled
Figure 5: VDS Fault Monitor – Blank Mode Timing (VDQ = 1)
Gate
Active
VDS
MOSFET turn on
No fault present
MOSFET turn on
Fault present
MOSFET on
Fault occurs
MOSFET on
Transient disturbance
Fault present
Fault Bit
tVDQ tVDQ
Figure 6: VDS Fault Monitor – Blank Mode Timing (VDQ = 1)
Gate
Active
VDS
MOSFET turn on
No fault present
MOSFET turn on
Fault present
MOSFET on
Fault occurs
MOSFET on
Transient disturbance
No fault present
Fault Bit
tVDQ tVDQ tVDQ tVDQ
Figure 7: VDS Fault Monitor – Debounce Mode Timing (VDQ = 0)
VDS Fault Monitor Timing Diagrams
ALLEGRO' mxcrosystems
Sensorless BLDC Controller
A4963
11
Allegro MicroSystems, LLC
955 Perimeter Road
Manchester, NH 03103-3353 U.S.A.
www.allegromicro.com
Communication Bus
PWM
FAULTn
SPD
P
P
P
N
N
N
3-Phase
Motor
VBAT
MCUECU A4963
Figure 8: Local Closed-Loop Control with High Level ECU Communications
Low Frequency PWM Speed or Current Demand
Low Frequency SpeedFeedback
PWM
FAULTn
SPD
P
P
P
N
N
N
3-Phase
Motor
VBAT
ECU A4963
Figure 9: Remote Closed-Loop Control
Low Frequency PWM Speed or Current Demand PWM
FAULTn
SPD
P
P
P
N
N
N
3-Phase
Motor
VBAT
ECU A4963
Figure 10: Remote Single-Wire Command with Integrated Closed-Loop Control
Closed-Loop Control Diagrams
ALLEGRO' mxcrosystems
Sensorless BLDC Controller
A4963
12
Allegro MicroSystems, LLC
955 Perimeter Road
Manchester, NH 03103-3353 U.S.A.
www.allegromicro.com
FUNCTIONAL DESCRIPTION
The A4963 is a three-phase, sensorless, brushless DC (BLDC)
motor controller for use with external complementary P-channel
and N-channel power MOSFETs. The motor is driven using
block commutation (trapezoidal drive), where phase commuta-
tion is determined by a proprietary, motor back-emf (bemf)
sensing technique. The motor bemf is sensed to determine the
rotor position without the need for independent position sensors.
An integrated sensorless startup scheme allows a wide range of
motor and load combinations.
Motor current is provided by six external power MOSFETs
arranged as a three-phase bridge with three N-channel low-
side MOSFETs and three P-channel high-side MOSFETS. The
A4963 provides six high current gate drives, three high-side and
three low-side, capable of driving a wide range of MOSFETs.
The maximum MOSFET drive voltage is internally limited
under all supply conditions to protect the MOSFET from exces-
sive gate-source voltage without the need for an external clamp
circuit. The minimum MOSFET drive voltage is determined by
the supply voltage allowing operation at very low voltage by
using logic-level MOSFETs.
Three basic operational modes are available: open-loop speed
(voltage) control, closed-loop torque (current) control, and
closed-loop speed control. Operating mode and control param-
eters can be altered through an SPI-compatible serial interface.
Motor operation is controlled by a single, low-frequency PWM
input that determines the motor operating state and provides
proportional input for the selected operating mode.
Startup (inrush) current and peak motor current are limited by
an integrated fixed off-time PWM current limiter. The maximum
current limit is set by a single external sense resistor, and the
active current limit can be modified through the serial interface.
Integrated diagnostics provide indication of undervoltage,
overtemperature, and power bridge faults and can be configured
to protect the power FETs under most short-circuit conditions.
A single FAULT flag is provided, and detailed diagnostics are
available through the serial interface.
Specific functions are described more fully in following sec-
tions.
Input and Output Terminal Functions
VBB: Main power supply for internal regulators and charge
pump. The main power supply should be connected to VBB
through a reverse voltage protection circuit and should be
decoupled with ceramic capacitors connected close to the supply
and ground terminals.
GND: Analog reference, Digital and power ground. Connect to
supply ground—see layout recommendations.
GHA, GHB, GHC: High-side, gate drive outputs for external
P-channel MOSFETs.
SA, SB, SC: Motor phase connections. These terminals sense
the voltages switched across the load.
GLA, GLB, GLC: Low-side, gate drive outputs for external
N-channel MOSFETs.
CSP, CSM: Differential current sense amplifier inputs. Connect
directly to each end of the sense resistor using separate PCB
traces.
PWM: Programmable PWM input to control the motor operat-
ing mode and the proportional duty cycle input for the selected
control mode. Can be shorted to ground or VBB without dam-
age.
SPD: Open-drain speed output indicator. Output frequency is
programmable. It can be the commutation frequency (TACHO)
or the electrical cycle frequency (FG). Can be shorted to ground
or VBB without damage.
FAULTn: Open-drain active-low fault indicator. Can be con-
nected to PWM input to provide single wire interface to a con-
trolling ECU. Can be shorted to ground or VBB without damage.
SDI: Serial data input. 16-bit serial word input msb first.
SDO: Serial data output. High impedance when STRn is high.
Outputs bit 15 of the diagnostic register, the fault flag, as soon as
STRn goes low.
SCK: Serial clock. Data is latched in from SDI on the rising
edge of CLK. There must be 16-rising edges per write and SCK
must be held high when STRn changes.
STRn: Serial data strobe and serial access enable. When STRn
is high, any activity on SCK or SDI is ignored and SDO is high
impedance, allowing multiple SDI slaves to have common SDI,
SCK, and SDO connections.
Seq@0303010101010303010101 |/:::/:::: Vii???‘ LLEGRO' mxcrosystems
Sensorless BLDC Controller
A4963
13
Allegro MicroSystems, LLC
955 Perimeter Road
Manchester, NH 03103-3353 U.S.A.
www.allegromicro.com
The motor drive system consists of three half-bridge gate drive
outputs, each driving one leg of an external 3-phase MOSFET
power bridge. The state of the gate drive outputs is determined
by a state sequencer with six possible states. These states are
shown in Table 1 and change in a set sequence. The effect of
these states on the motor phase voltage is illustrated in Figure
11. This sequence creates a moving magnetic field in the poles of
the stator, against which the permanent magnets in the rotor can
react to produce torque at the motor output shaft.
The point at which the state of the gate outputs change is defined
as the commutation point and must occur each time the magnetic
poles of the rotor reach a specific point in relation to the poles of
the stator. This point is determined by a closed-loop commuta-
tion controller consisting of a position estimator and commuta-
tion timer. This controller uses the output of a complete self-
contained bemf sensing scheme to determine the actual position
of the motor and adjust the estimated position and commutation
frequency to synchronize with the rotor poles in the motor.
The motor speed can be determined by monitoring the SPD
output. There are two options for the signal available at the SPD
terminal selected via the serial interface. The default is a signal,
defined as FG, at the frequency of the complete electrical cycle
(the 6-state sequence in Table 1). FG goes high on entering state
1 and goes low on entering state 4. The alternative is a square
wave signal, defined as TACHO, at the commutation frequency
with the falling edge synchronized to the commutation point. FG
and TACHO are shown in Figure 11.
Seq
SA
SB
SC
TACHO
FG
1122
33
44
55
66
Figure 11: Motor Phase State Sequence
In the A4963, motor speed is always defined as the frequency
of the electrical cycle, fS. This is the same frequency as the FG
signal, if selected, on the SPD output.
The actual mechanical speed of the motor, ω, will depend on the
number of pole pairs, NPP, and is determined by:
=60 × fs
NPP
where fS is in Hz and ω is in rpm (mechanical revolutions per
minute).
Table 1: Control and Phase Sequence
Control Bits State Motor Phase Gate Drive Outputs Mode
RUN BRK DIR=1 DIR0 SA SB SC GHA GLA GHB GLB GHC GLC
1 0 1 HI Z LO ON OFF OFF OFF OFF ON
Run
1 0 2 Z HI LO OFF OFF ON OFF OFF ON
1 0 3 LO HI Z OFF ON ON OFF OFF OFF
1 0 4 LO Z HI OFF ON OFF OFF ON OFF
1 0 5 Z LO HI OFF OFF OFF ON ON OFF
1 0 6 HI LO Z ON OFF OFF ON OFF OFF
0 x x x x Z Z Z OFF OFF OFF OFF OFF OFF Coast
1 1 x x x LO LO LO OFF ON OFF ON OFF ON Brake
x ≡ don’t care, HI ≡ high-side FET active, LO ≡ low-side FET active, Z ≡ high impedance, both FETs off
ON ≡ high-side output (GHx) low, low-side output (GLx) high
OFF ≡ high-side output (GHx) high, low-side output (GLx) low
Motor Drive System
ALLEGRO' mxcrosystems
Sensorless BLDC Controller
A4963
14
Allegro MicroSystems, LLC
955 Perimeter Road
Manchester, NH 03103-3353 U.S.A.
www.allegromicro.com
A key element of the controller is the back-emf zero cross-
ing detector. Determining the rotor position using direct bemf
sensing relies on the accurate comparison of the voltage on the
undriven (tri-state) motor phase (indicated by Z in Table 1) to
the voltage at the center tap of the motor, approximated using an
internally generated reference voltage. The bemf zero cross-
ing—the point where the voltage of the undriven motor winding
crosses the reference voltage—occurs when a pole of the rotor is
in alignment with a pole of the stator and is used as a positional
reference for the commutation controller.
The internally generated zero crossing reference voltage follows
the bridge drive voltage levels to allow bemf crossing detection
during both PWM-on and PWM-off states. The comparator adds
hysteresis to the reference voltage in order to reduce the effect
of low-level noise on the comparison. The effects of large signal
noise, such as switching transients, are removed by digital filter-
ing.
When the motor is running at a constant speed, with no phase
advance, this zero crossing should occur approximately halfway
through one commutation period. The commutation controller
compares the expected zero crossing point to the detected zero
crossing point and adjusts the phase and frequency of the posi-
tion estimator and commutation timer to minimize the difference
between the expected and actual crossing points over a number
of commutation periods.
The controller also allows the commutated magnetic field of
the stator to be out of phase with the rotor. The expected zero
crossing point is adjusted to be later in the commutation period,
and the controller modifies the commutation timing to minimize
the difference between the estimated and measured bemf zero-
crossing points. This is known as phase advance, and the amount
of phase advance in electrical degrees is set (up to 28°) by the
contents of the PA[3:0] variable.
In any electric motor, a force is produced by the interaction of
rotor magnetic poles and stator magnetic field. The motor and
the commutation system are designed such that a portion of
this force is tangential to the rotor and will produce a rotational
torque. Applying phase advance will have the effect of chang-
ing the direction of force vector relative to the rotor and will
increase the tangential component of the force. This will increase
the effectiveness of the torque produced by the stator field and
permit a higher motor speed than for no phase advance at the
same input demand.
The controller uses proportional and integral feedback (PI
control) to provide a fast response with good long-term accu-
racy. The amount of proportional and integral feedback can be
adjusted independently by setting the CP[3:0] and CI[3:0] vari-
ables respectively, through the serial interface. This allows the
dynamic response to be tuned to different system conditions if
required; however, the default values for CP and CI will achieve
optimum results in most applications.
The control method used is tolerant to missing bemf zero cross-
ing detections and will simply change the speed of the applied
commutation sequence by an amount determined by the pro-
portional gain of the control loop. This results in a much more
stable system that does not lose synchronization due to impulse
perturbations in the motor load torque. It also means that real
loss of synchronization cannot be determined by missing bemf
zero crossing detection and has to be determined in a different
way.
In the extreme case, when a motor stalls due to excessive load
on the output, there will be no bemf zero crossing detection,
and the frequency of the commutation sequence will be reduced
each commutation point to try and regain synchronization. If the
resulting speed reduces below the low speed threshold, then the
controller will enter the loss of synchronization state and either
stop or attempt to restart the motor. The low speed threshold will
be 25% of the start speed set by the value of the SS[3:0] vari-
able.
In some cases, rather than a complete stall, it is also possible
for the motor to vibrate at a whole fraction (subharmonic) of
the commutation frequency produced by the controller. In this
case, the controller will still detect the bemf zero crossing, but
at a rate much higher than the motor is capable of running. If the
resulting speed increases above the overspeed threshold, then the
controller will enter the loss of synchronization state and either
stop or attempt to restart the motor. The overspeed threshold is
determined by the product of the maximum limit ratio and the
maximum speed. The maximum limit ratio is set by the value of
the SH[1:0] variable, and the maximum speed is by set the value
of the SMX[2:0] variable.
The maximum speed, defined by SMX, determines the motor
speed for 100% input when operating in the closed-loop speed
control mode. However, it must still be set to a suitable level to
provide an appropriate overspeed threshold for all other operat-
ing modes.
Rotor Position Sensing Using Motor bemf
ALLEGRO' mxcrosystems
Sensorless BLDC Controller
A4963
15
Allegro MicroSystems, LLC
955 Perimeter Road
Manchester, NH 03103-3353 U.S.A.
www.allegromicro.com
To correctly detect the zero crossing, the changing motor bemf
on any phase must be detectable when that phase is not being
driven. When the motor is running at a relatively constant speed,
this is ensured by the commutation scheme used. However, dur-
ing startup, the motor must be accelerated from rest in such a
way that the bemf zero crossing can be detected. Initially, as the
motor is started, there is no rotor position information from the
bemf sensor circuits, and the motor must be driven using forced
commutation.
To ensure that the motor startup and sensorless bemf capture
is consistent, the start sequencer always forces the motor to a
known hold position and for a programmable hold time by driv-
ing phase C low and applying a programmable duty cycle PWM
signal to phase A. The hold time is defined by the contents of the
HT[3:0] variable and the hold duty cycle by the contents of the
HD[3:0] variable.
Following the hold time, the motor phases are commutated to
the next state to force the motor to start in the required direction,
and the PWM duty cycle is changed to the startup duty cycle set
by the contents of the SD[3:0] variable. For the forwards direc-
tion when DIR = 0, phase C will be held low, and the startup
duty cycle is applied to phase B. For the reverse direction when
DIR = 1, phase B will be held low, and the startup duty cycle is
applied to phase A. The duration of the first commutation period
is determined by the start speed set by the value of the SS[3:0]
variable. This value is also used as the starting speed for the
closed-loop commutation controller and for the speed controller
if selected.
At the end of the second commutation period, control is
passed to the closed-loop commutation controller, and the start
sequencer is reset. The SPD terminal will immediately output
FG or TACHO as selected by the SPO variable.
During the start sequence, it is possible for the motor to be
rotating out of synchronization with the commutated field,
as sequenced by the A4963. In some cases, it is possible for
the motor bemf produce a voltage that reinforces, rather than
opposes, the supply voltage. If this occurs, then the slow decay
mode used during running will not be able to maintain control
of the motor current during the PWM off-time, and the current
may rise uncontrollably. To overcome this effect, the A4963 uses
a mixed decay mode PWM during startup to keep the current
under control. Mixed decay is where the bridge is first switched
into fast decay mode then into slow decay after a portion of the
PWM period. This applies a reverse voltage to the motor phase
winding and counteracts the effect of the out-of-phase bemf
voltage.
The portion of the PWM period during which fast decay is used
is called percent fast decay (PFD). Two values of PFD—12.5%
or 25%—can be selected by the PFD variable in configuration
register 1. Mixed decay is applied automatically for the first
sixteen full electrical cycles (96 commutation periods).
Following the start sequence, the commutation controller is
expected to attain synchronization with the motor and stabilize
at a running frequency to match the control input demand. If
synchronization is not achieved, the commutation controller will
either reduce the resulting motor frequency below the low-speed
limit or increase it above the overspeed limit. If this happens,
the A4963 will indicate a loss of synchronization condition by
repeatedly pulling the FAULTn output active low for three PWM
periods and inactive for three periods.
If a loss of synchronization occurs, the RUN and RSC bits are
set to 1, and the PWM signal applied to the PWM input ter-
minal is not 0% (or is not less than 25% for closed-loop speed
control mode) then the FAULTn output will go active low for
three PWM periods, inactive for three periods, then repeat
this sequence before the start sequencer is reset and the start
sequence initiated as shown in Figure 4. This cycle will continue
until stopped by holding the PWM terminal in the inactive state
or setting either RUN bit or the RSC bit to 0.
If a loss of synchronization occurs and RSC = 0, the FAULTn
output will continue to indicate loss of synchronization until the
PWM signal applied to the PWM input terminal is 0% (or <25%
for closed-loop speed control mode) or the RUN bit is set to 0.
Startup
ALLEGRO' mxcrosystems
Sensorless BLDC Controller
A4963
16
Allegro MicroSystems, LLC
955 Perimeter Road
Manchester, NH 03103-3353 U.S.A.
www.allegromicro.com
The running state, direction, and speed of the motor are con-
trolled by a combination of commands through the serial inter-
face and by the signal on the PWM terminal.
The serial interface provides three control bits: RUN, DIR, and
BRK.
When RUN = 1, the A4963 is allowed to run the motor or to
commence the startup sequence. When RUN = 0, all gate drive
outputs go low, no commutation takes place, and the motor is
allowed to coast. RUN = 0 overrides all other control inputs.
The DIR bit determines the direction of rotation. Forward is
defined as DIR = 0, and the phase state sequence increments as
defined in Table 1. Reverse is when DIR = 1, and the phase state
sequence decrements.The BRK bit can be set to apply an elec-
trodynamic brake which will decelerate a rotating motor. It will
also provide some holding torque for a stationary motor. When
RUN = 1, BRK = 1, and the PWM is inactive for longer than the
PWM brake time, all low-side MOSFETs will be turned on, and
all high-side MOSFETs turned off, effectively applying a short
between the motor windings. This allows the reverse voltage
generated by the rotation of the motor (motor bemf) to set up a
current in the motor phase windings that will produce a brak-
ing torque. This braking torque will always oppose the direction
of rotation of the motor. The strength of the braking or holding
torque will depend on the motor parameters. No commutation
takes place during braking, and no current control is available.
Care must be taken to ensure that the braking current does not
exceed the capability of the low-side MOSFETs.
There are three motor control methods included in the A4963.
These are:
open-loop speed (voltage) control
closed-loop torque (current) control
closed-loop speed control
In addition, the open-loop speed control can be regulated using
direct or indirect PWM duty cycle control.
PWM Control Input
The PWM control input can be used to provide a proportional
demand input to the A4963 for the selected control mode. It can
be driven between ground and VBB and has hysteresis and a
noise filter to improve noise performance.
The sense of the PWM input can be changed from active high to
active low by changing the IPI variable in configuration regis-
ter 1. When IPI is 0, the default value, then the PWM input is
active high. When IPI is 1, then the PWM input is inverted and
active low. This applies to all operating modes and input modes.
In the direct open-loop speed control mode, when IPI is 0, the
signal on the PWM terminal is applied directly to the power
bridge. When IPI is 1 in direct mode, the the signal on the PWM
terminal is inverted before being applied directly to the power
bridge.
In indirect mode, a low-frequency signal between 5 Hz and
1 kHz is applied to the PWM terminal. The duty cycle of this
signal is measured with an 8-bit counter system giving better
than 0.5% resolution in duty cycle. When IPI is 0, the duty cycle
is the ratio of the PWM high duration to the PWM period mea-
sured between falling edges of the PWM input signal. When IPI
is 1, the duty cycle is the ratio of the PWM low duration to the
PWM period measured between rising edges of the PWM input
signal. The measured duty cycle is then used to set the bridge
PWM duty cycle for the open-loop speed control mode or to
provide the torque (current) reference or speed reference for the
closed-loop control modes.
For systems where the operation of the A4963 is managed by
a remote ECU using a single wire interface, it is also possible
to connect the FAULTn terminal directly to the PWM termi-
nal. This can be used to indicate to the ECU that a critical fault
is present that has stopped the operation of the motor by the
FAULTn output pulling the PWM input to ground continuously
or with a variable-width pulse sequence.
Direct Open-Loop Speed (Voltage) Control
Direct access to the power bridge PWM control allows an exter-
nal local microcontroller to provide application specific speed
control and more advanced communications such as CAN bus or
LIN bus. In this case, the microcontroller will be closely coupled
to the A4963 and will vary the duty cycle of the PWM signal
applied directly to the bridge in order to control the motor. The
motor speed will be proportional to the duty cycle of this signal,
but will also vary with the mechanical load and the supply volt-
age.
The A4963 will only provide current limiting using the internal
closed-loop current regulator. The motor speed can be deter-
mined by monitoring the SPD output terminal. This output can
be configured to provide a square wave at the commutation
frequency or at the electrical cycle frequency.
The signal input to the PWM terminal must be at the required
Motor Control
ALLEGRO' mxcrosystems
Sensorless BLDC Controller
A4963
17
Allegro MicroSystems, LLC
955 Perimeter Road
Manchester, NH 03103-3353 U.S.A.
www.allegromicro.com
PWM frequency for the motor and operating parameters. Typi-
cally, this will be between 10 and 20 kHz for most motors. For
some very high-speed motors, this may have to be increased
significantly.
When the PWM input is in the inactive state (low when IPI = 0,
high when IPI = 1), the three-phase bridge is switched to one of
three current decay recirculation modes depending on the value
of the RM[2:0] variable. Slow decay synchronous recirculation
can be high-side, low-side, or auto, which is a combination of
the two controlled by the commutation state. The bridge can also
be driven in fast decay mode without synchronous rectification.
These modes are described further in the Gate Drive and Bridge
PWM section below. During startup, mixed decay is always used
as described in the Startup section above.
To avoid undesirable interaction between the external PWM
signal applied to the PWM terminal and the internal current
regulator PWM, it is necessary to set the internal PWM off-time,
defined by the value of PW[4:0], to be longer than the external
PWM period. This will ensure that the internal current regula-
tor can only ever switch to PWM off and will avoid additional
bridge switching and current ripple.
PWM
RUN PWM Off Brake
tBRK
Figure 12: PWM Brake Timing – Direct Mode PWM
When operating in the direct mode, holding the PWM terminal
inactive for longer than the PWM brake time (tBRK), as shown,
for IPI = 0 in Figure 12, will force a brake condition if BRK = 1
and RUN = 1.
In most cases, when PWM terminal is held inactive, the motor
current will decay to zero before the end of the brake time, and
the motor will coast with no drive or brake torque present before
the brake condition is enabled. Once the brake condition is
enabled, all low-side MOSFETs in the bridge will be switched
on to short the motor phase windings to each other. If the motor
is still running at high speed, this will produce a very high brak-
ing current in the windings and in the MOSFETs. It is critical
that the MOSFETs are selected to be able to handle this current
without damage.
In cases where there is a high inertial load, and the motor cannot
be allowed to coast to a stop, it is advisable to first reduce the
motor speed by decreasing the demand to the A4963 by reducing
the PWM input duty cycle. This will slow the motor faster than
coasting but not as fast as a brake condition. Once the motor
speed has be reduced to a safe level, then the brake condition can
be applied.
Once enabled, the brake condition will be held until the PWM
terminal is changed to its active state. At this point, if the motor
operation is enabled, with RUN = 1 and BRK = 0, then the
A4963 will initiate a start sequence. During the start sequence,
the duty cycle of the signal on the PWM terminal is ignored,
unless it is held inactive for longer than tBRK. If this happens,
then the start sequence will terminate, and the brake condition
will be enabled as above.
If the motor speed drops below the low speed threshold (25%
of the start speed set by SS), then the A4963 will indicate the
loss of synchronization condition by pulling the FAULTn output
active low.
If the RUN and RSC bits are set to 1 and the PWM signal
applied to the PWM input terminal is not 0%, then the start
sequencer will reset and retry, and the FAULTn output will
remain low until the completion of six full commutation periods
following the hold time. This cycle will continue until stopped
by holding the PWM terminal inactive or by setting RUN to 0 or
RSC to 0.
If RSC = 0, the FAULTn output will continue to indicate loss of
synchronization until the PWM signal applied to the PWM input
terminal is 0% or RUN is set to 0.
Indirect Open-Loop Speed (Voltage) Control
In some motor control systems, the central ECU is used to
provide application-specific speed control. In these systems,
the ECU may be remote from the motor driver. It is therefore
desirable in these systems to use a low-frequency PWM signal
between the ECU and the motor controller to minimize EMC
issues with the control signal. This is particularly relevant to
systems where a brush DC motor is being replaced by a BLDC
motor. The A4963 includes an indirect open-loop control option
that will accept a low-frequency PWM input and provide all the
detailed motor commutation and control idependently from the
ECU.
When operating in the indirect mode, the A4963 measures the
duty cycle of the low-frequency signal (5 Hz to 1 kHz) applied
to the PWM terminal and applies the same duty cycle to the
power bridge at a higher fixed-frequency, as shown in Figure
13. The frequency of the PWM signal applied to the power
"4‘ ________________________ é. _____ __J ________________________ L _____ t t t t LLEGRO' mwcrosystems
Sensorless BLDC Controller
A4963
18
Allegro MicroSystems, LLC
955 Perimeter Road
Manchester, NH 03103-3353 U.S.A.
www.allegromicro.com
bridge is determined by the value of the PW[4:0] variable. The
A4963 will also provide current limiting using the internal fixed
off-time closed-loop current regulator synchronized with the
bridge PWM control signal. The fixed off-time of the current
control circuit will be the same as the programmed bridge PWM
period defined by the value of PW[4:0]. This will ensure that the
currrent control circuit does not cause excessive PWM switch-
ing and can only switch the bridge into the PWM-on state when
100% duty cycle is required and the motor torque is at the limit.
100
00 100
Input PWM Duty Cycle (%)
Bridge PWM Duty Cycle (%)
Figure 13: Bridge PWM vs. Input PWM
The A4963 does not limit the minimum or maximum duty cycle
applied to the bridge. The PWM signal applied to the PWM
terminal can have any value between 0 and 100%. At 100%, the
motor will be running at full speed as determined by the load
and the applied voltage. At very low duty cycles, there may not
be sufficient current flowing in the motor to maintain sufficient
speed for sensorless operation; however, the A4963 will not limit
the minimum applied duty cycle to provide full flexibility for the
speed control ECU to manage the motor operation. If the motor
speed drops below the low speed threshold (25% of the start
speed set by SS), then the A4963 will indicate the loss of syn-
chronization condition by repeatedly pulling the FAULTn output
active low for three PWM periods and inactive for three periods.
If a loss of synchronization occurs, the RUN and RSC bits
are set to 1, and the PWM signal applied to the PWM input
terminal is not 0%, then the FAULTn output will go active
low for three PWM periods, inactive for three periods, then
repeat this sequence before the start sequencer is reset and the
start sequence initiated as shown in Figure 14. This cycle will
continue until stopped by holding the PWM terminal inactive or
setting either the RUN bit or the RSC bit to 0.
PWM
LOS Detected
F
AULTn
RUN Coast Start
Figure 14: LOS Fault Reporting – Indirect Mode PWM
If a loss of synchronization occurs and RSC = 0, the FAULTn
output will continue to indicate loss of synchronization until
the PWM signal applied to the PWM input terminal is 0% or
the RUN bit is set to 0. The A4963 is capable of measuring the
duty cycle of any PWM signal from 5 Hz to 1 kHz. It can also
accept slight variation in the PWM frequency from cycle to
cycle. However any variation will be translated to a duty cycle
error. If the PWM signal remains in the inactive state for more
than twice the length of time of the last measured period then the
A4963 will put the bridge into the PWM-off state permanently
and allow the motor current to decay. Holding the PWM signal
inactive for a further PWM period, as shown in Figure 15, will
force a brake condition if BRK = 1 and RUN = 1.
PWM
RUN Coast Brake
t
PWM
t
PWM
t
PWM
t
PWM
Figure 15: PWM Brake Timing – Indirect Mode PWM
Once enabled, the brake condition will be held until the PWM
terminal is changed to its active state. If the motor operation is
enabled, with RUN = 1 and BRK = 0, then the A4963 will initi-
ate a start sequence. Once the start sequence is initiated, the duty
cycle of the signal on the PWM terminal is monitored as above
but not passed to the bridge drive circuits until the completion
of six full commutation periods (one electrical cycle) following
the hold time. During the start sequence, if the PWM signal is
held inactive as described above, then the start sequence will be
terminated and the brake condition will be forced.
Closed-Loop Torque (Current) Control
The A4963 provides a fixed off-time current limiting system that
can operate with an applied PWM or in a standalone mode. By
LLEGRO' mxcrosystems
Sensorless BLDC Controller
A4963
19
Allegro MicroSystems, LLC
955 Perimeter Road
Manchester, NH 03103-3353 U.S.A.
www.allegromicro.com
disabling all other control modes, this current limit can be used
to provide closed-loop torque limited motor control.
At the start of the cycle, the bridge is enabled to force current
from the supply through the load to ground. This is the PWM-on
state. The current flows through a ground-referenced sense resis-
tor which provides a voltage proportional to the current. This
voltage is monitored using a differential sense amplifier, where
the output is compared to a threshold voltage (VILIM) represent-
ing the peak current limit in the load. When the sensed current
exceeds the limit, the bridge is switched to the PWM-off state.
The PWM-off state is held for the duration of the fixed off-time
defined by the value stored in PW[4:0]. This allows the current
in the load to decay below the reference limit. At the end of the
fixed off-time, the bridge is switched back to the PWM-on state
to force the current to rise again. This sequence repeats and
produces a ripple current, where the peak current is limited to a
controlled level, and the amplitude of the ripple is determined by
the motor parameters and the fixed off-time.
200
00 100
Input PWM Duty Cycle (%)
Current Limit Threshold (mV)
Figure 16: Current Demand vs. Input PWM
In the closed-loop torque control mode, the current limit thresh-
old voltage is adjusted using a PWM signal or optionally via the
serial interface. As in the indirect open-loop speed control mode,
the PWM signal applied to the PWM terminal is monitored.
In this case the duty cycle ratio of the applied PWM signal is
translated to the current limit threshold voltage (VILIM) which is
proportional to the PWM duty cycle. The duty cycle of the signal
on the PWM input terminal is measured to 8-bit resolution, and
the most significant 4 bits are used to set the value of VILIM. The
relationship between the input duty cycle and VILIM is shown in
Figure 16.
The applied PWM signal can have a frequency from 5 Hz to
1 kHz. It can also accept slight variation in the PWM frequency
from cycle to cycle; however, any variation will be translated to
a duty cycle error which will cause a disturbance in the cur-
rent reference. If the PWM signal remains in the inactive state
for more than twice the length of time of the last measured
period, then the A4963 will put the bridge into the PWM-off
state permanently and allow the motor current to decay. Holding
the PWM signal inactive for a further PWM period will force a
brake condition if BRK = 1 and RUN = 1.
Once enabled, the brake condition will be held until the PWM
terminal is changed to its active state. If the motor operation is
enabled, with RUN = 1 and BRK = 0, then the A4963 will initi-
ate a start sequence.
After the start sequence is initiated, the duty cycle of the signal
on the PWM terminal is monitored as above, but the resulting
current reference level is ignored until the completion of six full
commutation periods (one electrical cycle) following the hold
time. During the start sequence, if the PWM signal is held inac-
tive as described above, then the start sequence will be termi-
nated and the brake condition will be forced.
If the motor speed drops below the low speed threshold (25% of
the start speed set by SS), then the A4963 will indicate the loss
of synchronization condition by repeatedly pulling the FAULTn
output active low for three PWM periods and inactive for three
periods.
If a loss of synchronization occurs, the RUN and RSC bits
are set to 1, and the PWM signal applied to the PWM input
terminal is not 0%, then the FAULTn output will go active
low for three PWM periods, inactive for three periods, then
repeat this sequence before the start sequencer is reset and the
start sequence initiated as shown in Figure 14. This cycle will
continue until stopped by holding the PWM terminal inactive or
setting either the RUN bit or the RSC bit to 0.
If a loss of synchronization occurs, and RSC = 0, the FAULTn
output will continue to indicate loss of synchronization until the
PWM signal applied to the PWM input terminal is 0% or the
RUN bit is set to 0.
Closed-Loop Speed Control
For systems where closed-loop speed control is required and
no external controller is available, the A4963 includes a full
PI (proportional/integral) speed control loop. The motor state
and speed are determined by the duty cycle input to the PWM
terminal or optionally via the serial interface. The speed demand
ALLEGRO' mxcrosystems
Sensorless BLDC Controller
A4963
20
Allegro MicroSystems, LLC
955 Perimeter Road
Manchester, NH 03103-3353 U.S.A.
www.allegromicro.com
reference to the PI control loop is determined by the duty cycle
of the PWM input signal as a percentage of the maximum speed
(fMAX). This is set by the value in the SMX[2:0] variable as:
fMAX = 0.1 × (2(SMX + 8) – 1) Hz
fMAX for each value of SMX is listed in Table 2. This also shows
the equivalent motor speed (in rpm) for several motor pole-pair
options.
Table 2: Max Speed
SMX fMAX
(Hz)
Motor Pole Pairs (Speed in rpm)
12346
0 25.5 1530 765 510 383 255
1 51.1 3066 1533 1022 767 511
2 102.3 6138 3069 2046 1535 1023
3 204.7 12282 6141 4094 3071 2047
4 409.5 24570 12285 8190 6143 4095
5 819.1 49146 24573 16382 12287 8191
6 1638.3 98298 49149 32766 24575 16383
7 3276.7 196602 98301 65534 49151 32767
The closed-loop speed controller compares the speed demand,
represented by the duty cycle of signal applied to the PWM
input terminal, to the motor speed represented by the electri-
cal cycle frequency. It then sets the duty cycle of the internal,
higher-frequency bridge PWM signal to adjust the motor speed.
The frequency of the PWM signal applied to the power bridge
is determined by the value of the PW[4:0] variable. The A4963
will also provide current limiting using the internal fixed off-
time closed-loop current regulator synchronized with the bridge
PWM control signal. The fixed off-time of the current control
circuit will be the same as the programmed bridge PWM period
defined by the value of PW[4:0]. This will ensure that the cur-
rent control circuit does not cause excessive PWM switching and
can only switch the bridge into the PWM-on state when 100%
duty cycle is required and the motor torque is at the limit.
The dynamic response of the speed controller can be tuned to
the motor and load dynamics by independently setting the gains
for the proportional and the integral paths in the closed-loop
speed controller. The proportional gain is set by the contents of
the SP[2:0] variable and the integral gain by the contents of the
SI[2:0] variable.
100
0010 25 100
Input PWM Duty Cycle (%)
Reference Speed (%f )
MAX
Restart operates
if enabled
No restart
Coast Motor
Brake
Figure 17: Speed vs. Input PWM
The PWM signal applied to the PWM terminal can have a fre-
quency from 5 Hz to 1 kHz. It can also accept slight variation in
the PWM frequency from cycle to cycle; however, any variation
will be translated to a duty cycle error which will cause a distur-
bance in the speed reference.
If the PWM signal remains in the inactive state for more than
twice the length of time of the last measured period, then the
A4963 will put the bridge into the PWM-off state and allow the
motor current to decay. Holding the PWM signal inactive for a
further PWM period will force a brake condition if BRK = 1 and
RUN = 1.
Once enabled, or following a power-on-reset, the brake condi-
tion will be held, if BRK = 1 and RUN = 1, until the duty cycle
of the PWM signal is greater than 10%. When BRK = 0, braking
is disabled regardless of the PWM input. The brake condition
can only be applied when the PWM signal rises from 0% and
remains under 10%. The brake condition is not applied if the
motor has been running and the PWM signal remains greater
than 0% even if it is less than 10%.
Following a brake condition, when the motor is not running, a
duty cycle between 10% and 25% on the PWM signal disables
the bridge drive and allows the motor to coast. When the duty
cycle of the PWM signal exceeds 25%, the A4963 initiates a
start sequence, and the motor is allowed to run.
After the start sequence is initiated, the duty cycle of the signal
on the PWM terminal is monitored, but the resulting speed
ALLEGRO' mxcrosystems
Sensorless BLDC Controller
A4963
21
Allegro MicroSystems, LLC
955 Perimeter Road
Manchester, NH 03103-3353 U.S.A.
www.allegromicro.com
demand reference level is ignored until the completion of two
commutation periods following the hold time. During the start
sequence, if the PWM signal is held inactive as described above,
then the start sequence will be terminated, and the brake condi-
tion will be forced.
Once sensorless operation is achieved, the motor speed will
change to match the speed demand reference determined by the
duty cycle of the input PWM signal. The speed then continues
to match the demand without being affected by varying supply
voltage or load, up to the torque limit imposed by either the peak
current limiter or effective applied voltage limited by the motor
bemf.
As the duty cycle of the PWM signal reduces, the motor speed
will follow until the speed is either too low to maintain sensor-
less operation or the demand is less than the low speed threshold.
The low speed threshold is 25% of the start speed set by SS. At
this point, the A4963 will turn off all bridge MOSFETs allowing
the motor to coast. The A4963 will then indicate a loss of syn-
chronization condition by repeatedly pulling the FAULTn output
active low for three PWM periods and inactive for three periods.
If a loss of synchronization occurs, the RUN and RSC bits are
set to 1, and the PWM signal applied to the PWM input termi-
nal is greater than 25%, then the FAULTn output will go active
low for three PWM periods, inactive for three periods, then
repeat this sequence before the start sequencer is reset and the
start sequence initiated as shown in Figure 14. This cycle will
continue until stopped by holding the PWM terminal inactive or
setting either the RUN bit or the RSC bit to 0.
If a loss of synchronization occurs and RSC = 0, the FAULTn
output will continue to indicate loss of synchronization until the
PWM signal applied to the PWM input terminal is less than 25%
or the RUN bit is set to 0.
Power Supplies
A single power supply voltage is required. This directly sup-
plies the analog and output drive sections. An internal regulator
provides a lower fixed logic supply. TTL threshold logic inputs
allow the inputs to be driven from a 3.3 or 5 V logic interface.
The A4963 can operate over a wide supply voltage range. Elec-
trical parameters are fully defined from 6 to 28 V; however, it
will function correctly up to 50 V during load dump conditions
and will achieve full operation down to 4.2 V during cold crank
conditions. Below 6 V and above 28 V, some parameters may
marginally exceed the limits specified for the normal supply
voltage range. The A4963 will function correctly with a VBB
supply down to 4.2 V; however, full sensorless startup may not
be possible below 5 V, as the motor bemf may be too low to
allow correct operation, and there may be insufficient torque to
allow correct startup. In this case, assuming the control condi-
tions allow motor start, the A4963 will continue to force the
motor phases to commutate in a repeating start sequence.
The main power supply should be connected to VBB through a
reverse voltage protection circuit and should be decoupled with
ceramic capacitors connected close to the supply and ground
terminals. The supply to the MOSFET bridge should include
large electrolytic capacitors that are rated to provide the motor
ripple current.
Gate Drive and Bridge PWM
The A4963 is designed to drive external, low on-resistance,
power n-channel (low-side) and p-channel (high-side) MOS-
FETs. It supplies the large transient currents necessary to quickly
charge and discharge the external FET gate capacitance to
reduce dissipation in the FET during switching. The charge and
discharge rate can be controlled using an external resistor in
series with the connection to the gate of the FET.
Gate Drive Voltage Regulation
The gate drives are powered directly from the VBB supply, but
each drive output incorporates an internal regulator which limits
the voltage to the drive outputs and therefore the maximum gate-
source voltage applied to the external MOSFETs.
Low-Side Gate Drive
The low-side, gate drive outputs on GLA, GLB, and GLC are
referenced to the GND terminal. These outputs are designed to
drive external N-channel power MOSFETs. External resistors
between the gate drive output and the gate connection to the
MOSFET (as close as possible to the MOSFET) can be used to
control the slew rate seen at the gate, thereby providing some
control of the di/dt and dv/dt of the voltage at the SA/SB/SC
terminals.
GLx = ON means that the upper half of the driver is turned on,
and it will source current to the gate of the low-side external
MOSFET turning it on.
GLx = OFF means that the lower half of the driver is turned on,
and it will sink current from the gate of the external MOSFET
turning it off.
ALLEGRO' mxcrosystems
Sensorless BLDC Controller
A4963
22
Allegro MicroSystems, LLC
955 Perimeter Road
Manchester, NH 03103-3353 U.S.A.
www.allegromicro.com
High-Side Gate Drive
The high-side, gate drive outputs on GHA, GHB, and GHC are
referenced to the VBB terminal. These outputs are designed to
drive external P-channel power MOSFETs. External resistors
between the gate drive output and the gate connection to the
MOSFET (as close as possible to the MOSFET) can be used to
control the slew rate seen at the gate, thereby controlling the di/
dt and dv/dt of the voltage at the SA/SB/SC terminals.
GHx = ON (or “low”) means that the lower half of the driver
is turned on, and it will sink current from the gate of high-side
external MOSFET turning it on.
GHx = OFF (or “high”) means that the upper half of the driver is
turned on, and it will source current to the gate of the high-side
MOSFET turning it off.
The SA, SB, and SC terminals are connected directly to the
motor phase connections. These terminals sense the voltages
switched across the load. These inputs are referred to elsewhere
as the Sx inputs where x is replaced by A, B, or C depending on
the phase. These terminals also provide the phase voltage feed-
back used to determine the rotor position.
Dead Time
To prevent cross-conduction (shoot through) in any phase of the
power MOSFET bridge, it is necessary to have a dead-time delay
between a high- or low-side turn off and the next complementary
turn-on event. The potential for cross-conduction occurs when
any complimentary high-side and low-side pair of MOSFETs
is switched at the same time, for example, at the PWM switch
point. In the A4963, the dead time for all three phases is set by
the contents of the DT[5:0] bits in configuration register 0. These
six bits contain a positive integer that determines the dead time
by division from the system clock.
The dead time is defined as:
tDEAD = n × 50 ns
where n is a positive integer defined by DT[5:0] and tDEAD has a
minimum value of 100 ns.
For example, when DT[5:0] contains [01 1000] (= 24 in deci-
mal), then tDEAD = 1.2 µs, typically. The accuracy of tDEAD is
determined by the accuracy of the system clock as defined in the
Electrical Characteristics table. A value of 0, 1, or 2 in DT[5:0]
will set the minimum dead time of 100 ns.
Synchronous Rectification
The default operation of the bridge PWM mode is to use syn-
chronous rectification, where the MOSFETs in the phase of the
bridge to which PWM is applied are switched in anti-phase as
described in the Dead Time section above. This provides slow
decay of the phase current during the PWM off-time and helps
to minimize the power dissipation by passing the recirculating
load current through an active MOSFET channel rather than the
higher resistance of the MOSFET body diode.
Non-Synchronous Rextification
In some cases it may be desirable to switch off the synchronous
rectification operation and allow diode conduction to reduce the
number of switching events in each PWM period. The A4963
can be configured to use non-synchronous rectification where all
MOSFETs are switched off during the PWM off-time. This pro-
duces fast decay of the phase current during the PWM off-time
and can result in higher phase current ripple.
Recirculation Mode Selection to Improve bemf
Detection
The bemf zero crossing detection can be affected by the recir-
culation path used during the PWM off-time. The bemf voltage
that is generated in the undriven phase is measured at the phase
connection but is referenced to the common point, or center tap,
of the three motor phases, inside the motor. The bemf voltage
will swing from negative to positive or from positive to negative
with respect to the center tap voltage. The point of interest for
the commutation controller is when this voltage crosses zero and
changes polarity. Therefore, the center-tap voltage used is the
reference input to the zero-crossing comparator.
Although the center-tap voltage is not usually available, the
A4963 develops an approximation to this voltage using an inter-
nal resistor network connected to the motor phase terminals, SA,
SB, and SC. During the PWM on-time, the phase voltage of one
of the two active phases will be at the supply voltage (VBB) and
the other will be at ground. The resulting center-tap voltage will
be approximately half of the supply voltage. During the PWM
off-time, the phase voltage of the two active phases and the
resulting center-tap voltage will be close to ground, if low-side
recirculation is selected or close to VBB if high-side recirculation
is selected.
This means that if low-side recirculation is selected (RM[1:0]
= 10) and the bemf voltage is negative, then the voltage at the
undriven phase terminal, during the PWM off-time should be
negative with respect to ground. However, the undriven phase is
mxcrosystems .O R G E L L A
Sensorless BLDC Controller
A4963
23
Allegro MicroSystems, LLC
955 Perimeter Road
Manchester, NH 03103-3353 U.S.A.
www.allegromicro.com
connected to an inactive low-side MOSFET and will be clamped
to ground by the bode diode of that MOSFET. The resulting
voltage will therefore only be below ground by the forward
voltage of the body diode of the low-side MOSFET and will
not start to rise until close to the zero crossing point as shown
in Figure 18a. During the PWM off-time, the differential input
voltage to the bemf comparator used for bemf zero crossing will
be limited to the forward voltage of the MOSFET body diode,
and the common mode of the input will be below ground until
the bemf voltage is positive. This low differential voltage and
negative common mode voltage will make the comparator more
susceptible to noise and can result in false zero-crossing detec-
tion. Although the output of the comparator is digitally filtered,
the additional noise can reduce the precision of the zero-crossing
detection and the accuracy of the commutation controller.
A similar situation arises, as shown in Figure 18c, after zero-
crossing detection, if low-side recirculation is used and the bemf
voltage is falling.
A complementary situation also arises when high-side recircu-
lation is used (RM[1:0] = 01) as shown in Figure 18b. In this
case, the bemf voltage generated in the undriven phase will be
clamped to the positive supply voltage by the body diode of the
undriven high side MOSFET. The differential input voltage to
the bemf comparator will be limited to the forward voltage of the
body diode of the high-side MOSFET and the common mode of
the differential input to the bemf comparator will be above the
positive supply voltage.
To overcome this effect and reduce the number of false zero-
crossing detections due to noise, the A4963 provides an addi-
tional automatic mixed recirculation mode (RM[1:0] = 00) as
shown in Figure 18d. In this mode, the recirculation is switched
between high-side and low-side depending on the expected bemf
voltage. If the bemf voltage in the undriven phase is expected to
be falling, then low-side recirculation is used for the start of the
commutation period and high-side recirculation is used after the
zero-crossing point. If the bemf voltage in the undriven phase
is expected to be rising, then high-side recirculation is used for
the start of the commutation period and low-side recirculation is
used after the zero-crossing point. This ensures that the zero-
crossing comparator is driven with the optimum conditions to
minimize the effects of noise on the performance of the A4963.
If non-synchronous rectification is selected (RM[1:0]=11), then,
during the PWM-off time, one phase voltage will be above VBB
by the forward voltage of the body diode of the high-side MOS-
FET and the other will be below ground by the forward voltage
of the body diode of the low-side MOSFET. During the PWM
Commutation
Point
Commutation
Point
Bemf Zero
Crossing
VBB
V/2
BB
GND
Figure 18a: Low-Side Recirculation, bemf Rising
VBB
V/2
BB
GND
Figure 18b: High-Side Recirculation, bemf Rising
V
BB
V/2
BB
GND
Figure 18c: Low-Side Recirculation, bemf Falling
V
BB
V/2
BB
GND
Figure 18d: Auto Mixed Recirculation, bemf Falling
VBB
V/2
BB
GND
Figure 18e: Non-Synchronous Fast Decay
ALLEGRO' mxcrosystems
Sensorless BLDC Controller
A4963
24
Allegro MicroSystems, LLC
955 Perimeter Road
Manchester, NH 03103-3353 U.S.A.
www.allegromicro.com
Commutation
Point
VBB
GND
Degauss
Time
Figure 19a: Short Degauss Time
VBB
GND
Degauss
Time
Figure 19b: Long Degauss Time
on-time, one phase will be close to ground and the other close
to VBB. The resulting center-tap voltage will remain at half the
supply voltage during both PWM on- and PWM off-times, and
the comparator will perform as well as in the automatic mixed
recirculation mode.
Degauss Compensation
At the end of a commutation period, the current in one phase
winding will be reduced to zero. As the phase winding is an
inductor, the current in the winding cannot be reduced to zero
immediately but will reduce at a rate defined approximately by:
dI
dt
V
L
=–
where dI/dt is the rate of change of current, V is the voltage
applied to reduce the current, and L is the inductance of the
winding. Rearranging this gives the time required to reduce the
current in the winding to zero as approximately:
V
I
t =
where I is the initial current in the winding and t is the time for
that current to reach zero. This is commonly referred to as the
degauss time or the de-energization time for the phase switching
to zero current. This is the time that the voltage must be applied
to the winding in order to redue the current to zero. The applied
voltage is usually defined by the supply voltage plus the forward
voltage of either the high-side or the low-side MOSFET depend-
ing on the current direction.
The degauss time will be seen as a period when the voltage on the
undriven phase is clamped high or low as shown in Figure 19.
From the equation above, it is clear that the degauss time will
increase as the current or winding inductance increases and
as the applied voltage decreases. For most motors with nor-
mal dynamic response, the phase inductance is small, and the
degauss time is correspondingly small, as shown in Figure 19a.
In fact, the motor inductance is usually inversely proportional to
the peak motor current.
There are, however, some low-noise motors with low dynamic
performance requirements where the phase inductance is dispro-
portionately high to ensure very low current ripple.
These motors will exhibit an extended degauss time as shown in
Figure 19b.
An extended degauss time can adversely effect the digital filter
that is applied to the zero-crossing comparator output and can
cause the zero-crossing point to be detected in a false position. The
commutation controller will continue to operate, but this effect
will usually appear as a phase shift between the motor and the
A4963 controller. To overcome this effect, if it presents a problem,
the A4963 can provide automatic compensation for the degauss
time by setting the degauss compensation bit, DGC, to 1.
Current Limit
An integrated fixed off-time PWM current control circuit is pro-
vided to limit the motor current during periods where the torque
demand exceeds the normal operating range and to provide a
variable current limit circuit in the closed-loop current control
mode.
When using indirect voltage-mode control or closed-loop speed
control, off-time of the current control circuit is set to be the
same as the programmed bridge PWM period defined by the
value of PW[4:0].
For direct voltage-mode control, the PWM frequency is deter-
mined by the applied PWM signal, and the fixed off-time is
defined directly by the value of PW. In this case, the fixed off-
time should be set to the same or longer than the period of the
externally applied PWM signal.
ALLEGRO' mxcrosystems
Sensorless BLDC Controller
A4963
25
Allegro MicroSystems, LLC
955 Perimeter Road
Manchester, NH 03103-3353 U.S.A.
www.allegromicro.com
When the closed-loop current control mode is selected, then the
fixed off-time alone will determine the PWM frequency when
the A4963 is operating in current limit. The fixed off-time is
defined directly by the value of PW.
The phase current is measured as a voltage (VSENSE) across a
sense resistor (RSENSE) placed between the supply ground and
the common connection to the sources of the low-side MOSFETs
in the three-phase power bridge. A sense amplifier with high
common-mode rejection and a fast response time is provided to
convert the differential current sense voltage, directly across the
sense resistor, to a ground-referenced voltage and remove any
common-mode noise.
The output of the sense amplifier is compared to a current limit
threshold voltage (VILIM) to indicate to the PWM control circuit
when the bridge current is greater than the current limit thresh-
old.
The current limit threshold is therefore defined by:
RSENSE
VILIM
I=
LIM
where VILIM is the current limit threshold voltage and RSENSE is
the value of the sense resistor.
The value of VILIM can be set in two ways, depending on the
motor control method selected.
When the closed-loop current control mode is selected, VILIM
is determined by the duty cycle of the signal on the PWM input
terminal. The duty cycle ratio of the PWM signal is used to set
the required value of VILIM as a ratio of the maximum value of
VILIM, typically 200 mV. For example, when the duty cycle ratio
of the signal on the PWM input terminal is 40%, then VILIM will
be 80 mV.
In all other motor control modes, the value of VILIM is deter-
mined by the contents of the VIL[3:0] variable. This allows
control of the maximum current limit via the serial interface.
When programmed through the serial interface, VILIM can have a
value between 12.5 mV and 200 mV defined as:
VILIM = (n + 1) × 12.5 mV
For example, when VIL[3:0] contains [1011] (= 11 in decimal),
then VILIM =150 mV.
In closed-loop current-control mode, the duty cycle of the signal
on the PWM input terminal is measured to 8-bit resolution, and
the most significant 4 bits are used in place of VIL to set the
value of VILIM.
At the start of a PWM cycle, the MOSFETs in the bridge are
turned on, such that current increases in a motor winding and
in the sense resistor until the voltage across the sense resistor
(VSENSE) reaches the current limit threshold voltage (VILIM).
When VSENSE rises above VILIM, the bridge switches from a
drive configuration, where the current is forced to increase, into
a recirculation configuration, where the motor inductance causes
the current to recirculate for a fixed duration, defined as the off-
time. The recirculation configuration mode is determined by the
value in the RM[1:0] variable.
When RM[1:0] = 01, the recirculation will always be high-
side with slow decay. When RM = 10, the recirculation will
always be low-side with slow decay. When RM = 00, the default
value, then the current decay will be slow, but the recirculation
path will be determined by the A4963 commutation controller
depending on the expected direction of the back emf voltage in
the undriven phase. When RM = 11, no synchronous rectifica-
tion takes place, and fast current decay will take place.
Fixed Off-Time
In the direct duty-cycle control mode and the closed-loop cur-
rent control mode, the length of the fixed off-time is set by the
user-programmed contents of the PW[4:0] bits in configuration
register 2. The five bits of PW contain a positive integer that
determines the off-time derived by division from the system
clock.
The off-time is defined as:
tPW = 20 µs + (n × 1.6 µs)
where n is a positive integer defined by PW[4:0].
For example, when PW[4:0] contains [1 0011] (= 19 in decimal),
then tPW = 50.4 µs, typically.
The accuracy of tPW is determined by the accuracy of the system
clock as defined in the Electrical Characteristics table. A value of
0 in PW will set the minimum off time of 20 µs.
Fixed Frequency
In the indirect duty-cycle control mode and the closed-loop
speed control mode, tPW is used as the fixed PWM period to set
the fixed frequency of the bridge PWM signal. In these modes,
the fixed off-time used for current limiting is automatically set to
be the same as the resulting PWM period.
For example, when PW[4:0] contains [1 0110] (= 22 in decimal),
then tPW = 55.2 µs and the PWM frequency is 18.1 kHz.
ALLEGRO' mxcrosystems
Sensorless BLDC Controller
A4963
26
Allegro MicroSystems, LLC
955 Perimeter Road
Manchester, NH 03103-3353 U.S.A.
www.allegromicro.com
Blank Time
When the bridge is switched into the drive configuration, a
current spike occurs due to the reverse-recovery currents of
the clamp diodes and switching transients related to distributed
capacitance in the load. To prevent this current spike from being
detected as a current limit trip, the current-control comparator
output is blanked for a short period of time when the source
driver is turned on. The length of the blanking time is set by the
contents of the BT[3:0] bits in configuration register 0. These
four bits contain a positive integer that determines the blank time
derived by division from the system clock.
The blank time is defined as:
tBL = n × 400 ns
where n is a positive integer defined by BT[3:0].
For example, when BT[3:0] contains [1011] (= 11 in decimal),
then tBL = 4.4 µs, typically.
The blank time is also used with the MOSFET drain-source
monitors, which are used to determine MOSFET short faults.
The blank time is used in these circuits, as shown in Figures 5
through 7, to mask the effect of any voltage or current transients
caused by any PWM switching action.
The user must ensure that blank time is long enough to mask any
current transient seen by the internal sense amplifier and mask
any voltage transients seen by the drain-source monitors.
ALLEGRO' mxcrosystems
Sensorless BLDC Controller
A4963
27
Allegro MicroSystems, LLC
955 Perimeter Road
Manchester, NH 03103-3353 U.S.A.
www.allegromicro.com
DIAGNOSTICS
Several diagnostic features are integrated into the A4963 to
provide indication of fault conditions. In addition to system wide
faults such as undervoltage and overtemperature, the A4963
integrates individual drain-source monitors for each external
MOSFET, to provide short-circuit detection. The fault status is
available from two sources, the FAULTn output terminal and the
serial interface.
FAULTn Output
The FAULTn terminal is an active-low open-drain output, which
is high impedance when no faults are present, and either pulls
low or pulses low when faults are detected. The status of the
FAULTn output during a fault condition or once a fault has been
detected is shown in Table 3 and Figures 20 to 22.
In the direct duty-cycle mode, the FAULTn output will be low
when a fault is present or when a fault has been latched.
In all three indirect control modes, the action of the FAULTn
output depends on the specific fault condition and the status
of the Enable Stop On Fault bit (ESF) in the run register. The
FAULTn output will only remain low when a fault is present
that stops the motor from being able to run. For transient fault
conditions, including loss of synchronization and short faults,
the FAULTn output produces a low pulse, which is low for a
duration determined by the period of the controlling PWM input
signal and the specific fault. This allows the FAULTn terminal
to be connected directly to the PWM terminal to provide a single
wire control with fault feedback.
There are three pulse durations indicating three different fault
groups. In each case, the FAULTn output will go active-low as
soon as the fault is detected and remain low for the remainder of
the period of the PWM signal applied to the PWM input termi-
nal. It will then remain active for a further two, three, or four
periods depending on the fault condition. In Table 3 and Figures
20 to 22, these are referred to as Pulse2, Pulse3, and Pulse4
respectively. The FAULTn output will then return to the inac-
tive (high impedance) state. Some fault conditions require that
the fault signal is repeated for the duration of the fault condi-
tion or latched fault state. This is indicated by an R at the end
of the pulse description: Pulse2R, Pulse3R, or Pulse4R. In these
cases, following the active state, the FAULTn output returns to
the inactive state for the same number of PWM periods before
repeating the sequence.
This pulse mode of fault reporting allows the signal applied
to the combined PWM and FAULTn connection to continue
controlling the action of the A4963 in the presence of a fault
condition or latched fault state. In some cases, this will allow the
motor to continue running under control. It also allows a latched
fault state to be reset by the control PWM signal.
Serial Diagnostic Output
The serial interface allows detailed diagnostic information to be
read from the diagnostic register at any time.
The first bit (bit 15) of the diagnostic register contains a com-
mon fault flag (FF), which will be high if any of the fault bits
in the registers have been set. This allows fault condition to be
detected using the serial interface by simply taking STRn low.
As soon as STRn goes low, the first bit in the diagnostic register
can be read to determine if a fault has been detected at any time
since the last diagnostic register reset. In all cases, the fault bits
in the diagnostic registers are latched and only cleared after a
diagnostic register reset.
Note that FF (bit 15) does not provide the same function as the
fault output on the FAULTn terminal. The fault output on the
FAULTn terminal provides an indication that either a fault is
present or the outputs have been disabled due to a short fault.
FF provides an indication that a fault has occurred since the last
fault reset and the respective fault flag has been latched. The
diagnostic register is described further in the serial interface sec-
tion description below.
Fault Action
The action taken when a short fault or over temperature condi-
tion is detected is determined by the state of the Enable Stop
On Fault (ESF) in the run register as defined in Table 3. When
ESF = 1, any short fault condition, loss of synchronization, or
overtemperature condition will disable all the gate drive outputs
and coast the motor. For short faults, this disabled state will be
latched until the PWM input is at 0%, a serial read is completed,
or a power-on-reset occurs. For undervoltage fault condi-
tions, the outputs will always be disabled until the condition is
removed.
When ESF = 0, any short fault condition or overtemperature
condition will be indicated by the FAULTn output, but the A4963
will not disrupt continued operation and will therefore not protect
the motor or the drive circuit from damage. When a fault occurs,
it is imperative that the master control circuit or an external circuit
takes any necessary action to prevent damage to components.
WT ‘ LLEGRQ'
Sensorless BLDC Controller
A4963
28
Allegro MicroSystems, LLC
955 Perimeter Road
Manchester, NH 03103-3353 U.S.A.
www.allegromicro.com
Table 3: Fault Response Actions
Fault Description Disable Outputs FAULTn Output
Latched Reset
Direct Indirect
ESF = 0 ESF = 1 ESF = 0 ESF = 1
No Fault No No Z Z Z N/A N/A
Serial Transmission Error No No Z Z Z No Condition Removed
VBB Power-On Reset Yes [1] Yes [1] Low Low Low No Condition Removed
VBB Undervoltge Yes [1] Ye s [1] Low Low Low No Condition Removed
Temperature Warning No No Low Z Pulse4 [2] No Condition Removed
Overtemperature No Yes [1] Low Pulse4R [2] Low No Condition Removed
Lost Synchronization Yes [1] Yes [1] Low Pulse3R [2] Pulse3R [2] If RSC = 0 Stop or Restart
Short to Ground Yes [3] Yes [1] Low Pulse2 [2] Pulse2R [2] Only when
ESF = 1
Stop or SPI
Short to Supply Yes [3] Yes [1] Low Pulse2 [2] Pulse2R [2] Stop or SPI
[1] All gate drives low, all MOSFETs off.
[2] For pulse sequence, see Figure 20 to Figure 22.
[3] Gate drive to the affected MOSFET low, only the affected MOSFET off.
Z = Open Drain High Impedance
t
PWM
t
PWM t Repeated
PWM
t
PWM
PWM
FAULTn connected to PWM
FAULTn
For Pulse2 FAULTn remains Z from here
ZZ
ZZ
Figure 20: Indirect Mode PWM – MOSFET Short Fault Output Timing (Pulse2R) (IPI = 0)
t
PWM
t
PWM t Repeated
PWM
t
PWM
PWM
FAULTn connected to PWM
FAULTn ZZ Z
Figure 21: Indirect Mode PWM – Loss of Synchronization Fault Output Timing (Pulse3R) (IPI = 0)
t
PWM
t
PWM
t Repeated
PWM
t
PWM
PWM
FAULTn connected to PWM
For Pulse4 FAULTn remains Z from here
FAULTn
ZZ
Figure 22: Indirect Mode PWM – Overtemperature Fault Output Timing (Pulse4R) (IPI = 0)
ALLEGRO' mxcrosystems
Sensorless BLDC Controller
A4963
29
Allegro MicroSystems, LLC
955 Perimeter Road
Manchester, NH 03103-3353 U.S.A.
www.allegromicro.com
Individual diagnostics, except VDD undervoltage and serial
transmission error, can be disabled by setting the corresponding
bit in the mask register. VDD undervoltage detection cannot be
disabled, because the diagnostics and the output control depend
on VDD to operate correctly. If a bit is set to one in the mask
register, then the corresponding diagnostic will be completely
disabled. No fault states for the disabled diagnostic will be gen-
erated, and no fault flags or diagnostic bits will be set. See the
mask register definition for bit allocation.
Care must be taken when diagnostics are disabled to avoid
potentially damaging conditions.
Chip-Level Diagnostics
Parameters critical for safe operation of the A4963 and the
external MOSFETs are monitored. These include serial interface,
maximum chip temperature, minimum internal logic supply volt-
age (VDD), and the minimum motor supply voltage (VBB). Faults
are indicated by an active-low level or pulse on the FAULTn
output terminal. Faults are latched in the diagnostic register
when they occur, and the diagnostic register is only reset by a
complete read of the diagnostic register or a power-on-reset. (see
section below on diagnostic register serial access)
Chip Fault State: Overtemperature
Two temperature thresholds are provided: a hot warning and an
overtemperature shutdown.
If the chip temperature rises above the temperature warning
threshold, TJW, the thermal warning bit (TW) will be set
in the diagnostic register. The state of the FAULTn output
during a thermal warning fault condition will depend on the
control mode and the state of the ESF bit. If direct control
is in use, then FAULTn will be active. If one of the indirect
control modes is in use and ESF = 1, then FAULTn will be
repeatedly active-low for four PWM periods and inactive for
four periods. If one of the indirect control modes is in use
and ESF = 0, then FAULTn will remain inactive and the fault
condition will not be detected. In all cases, no action will be
taken by the A4963 when a thermal warning fault condition
is present. When the temperature drops below TJW by more
than the hysteresis value (TJWHys), the fault condition and any
active-low level on FAULTn is either removed immediately,
if in a permanent low state, or terminated at the end of the
pulse. The thermal warning bit (TW) remains latched in the
diagnostic register until reset.
If the chip temperature rises above the overtemperature
threshold (TJF), the overtemperature bit (OT) will be set
in the diagnostic register. The state of the FAULTn output
during an overtemperature fault condition will depend on the
control mode and the state of the ESF bit. If direct control
is in use or if ESF = 1, then FAULTn will be permanently
active until the fault condition is removed and all gate drive
outputs will be off. If one of the indirect control modes is in
use and ESF = 0, then FAULTn will be repeatedly active-low
for four PWM periods and inactive for four periods. In all
control modes, if ESF = 0, then no circuitry will be disabled
during an overtemperature fault condition, and action must
be taken by the user to limit the power dissipation to prevent
overtemperature damage to the chip and unpredictable device
operation. When the temperature drops below TJF by more
than the hysteresis value (TJFHys), the fault condition and any
active-low level on FAULTn is either removed immediately,
if in a permanent low state, or terminated at the end of the
pulse. The overtemperature bit (OT) remains latched in the
diagnostic register until reset.
Chip Fault State: VBB Undervoltage
The main power supply to the A4963 (VBB) is applied to the
VBB terminal. This supply is used to provide the gate drive out-
put voltage. It is critical to ensure that VBB is sufficiently high
before enabling any of the outputs, so VBB is monitored by an
undervoltage detection circuit.
There are two undervoltage thresholds: VBBON and VBBOFF .
After power is applied to the VBB terminal, and following a
VBB undervoltage vault condition, VBB must exceed VBBON
before the gate drive outputs can be enabled. When the supply
voltage falls, the gate drive outputs can remain enabled until VBB
drops below VBBOFF , at which point a VBB undervoltage fault
condition will then exist. FAULTn will go active-low, and the
VS bit in the diagnostic register will be set.
FAULTn is always active-low when a VBB undervoltage fault
condition is present. The FAULTn output will remain active until
the condition is removed. The motor cannot be run during an
undervoltage condition, so the signal on the PWM input terminal
will be ignored.
When the VBB undervoltage fault condition is removed, the
gate drive outputs can be re-enabled, and the FAULTn output
goes high impedance. The VS fault bit remains in the diagnostic
register until reset.
Fault Masks
ALLEGRO' mxcrosystems
Sensorless BLDC Controller
A4963
30
Allegro MicroSystems, LLC
955 Perimeter Road
Manchester, NH 03103-3353 U.S.A.
www.allegromicro.com
The VBB undervoltage monitor can be disabled by setting the
VS bit in the mask register. Although not recommended, this can
allow the A4963 to operate below its minimum specified supply
voltage level with a severely impaired gate drive. The specified
electrical parameters will not be valid in this condition.
Chip Fault State: Power-On Reset
The supply to the logic sections of the A4963 is generated by an
internal regulator from VBB and is monitored to ensure correct
logical operation. The internal logic is guaranteed to operate
with the voltage at the VBB terminal (VBB) down to VBBR.
When VBB drops below the VBBR, then the logical function of
the A4963 cannot be guaranteed, the outputs will be immedi-
ately disabled, and all the logic reset. The A4963 will enter a
power-down state, and all internal activity, other than the logic
supply voltage monitor, will be suspended. When the VBB rises
above the rising undervoltage threshold (VBBR+VBBRHys), the
A4963 will exit the power-down state. All serial control registers
will be reset to their power-on state, and all fault states and the
general fault flag will be reset. The FF bit and the POR bit in the
diagnostic register will be set to 1 to indicate that a power-on-
reset has taken place. The same power-on-reset sequence occurs
for initial power-on or for a VBB “brown-out”, where VBB only
drops below VBBR momentarily.
Chip Fault State: Serial Transmission Error
The data transfer into the A4963 through the serial interface is
monitored. If there are more than 16 rising edges on SCK, or
if STRn goes high and there are fewer than 16 rising edges on
SCK, the write will be cancelled without writing data to the reg-
isters. In addition, the diagnostic register will not be reset, and
the FF and SE bits will be set to indicate a data transfer error.
Loss of Synchronization
The motor operation is controlled by a closed-loop position esti-
mator system, so it does not have any direct, immediate means
of determining whether the motor is synchronized to the rotating
field generated by the A4963. A loss of synchronization can only
be detected if the commutation controller attempts to drive the
motor too fast or too slow.
The low speed threshold is defined as 25% of the start speed set
by the value of the SS[3:0] variable. For example, if the start
speed is set to 32 Hz by setting SS to 15, then the low speed
threshold will be set to 8 Hz.
The high speed (overspeed) threshold is determined by the prod-
uct of the maximum limit ratio and the maximum speed. The
maximum limit ratio is set by the value of the SH[1:0] variable,
and the maximum speed is by set the value of the SMX[2:0]
variable. For example, if the maximum speed is set to 1638.3 Hz
by setting SMX to 6, and the limit ratio is set to 150% by setting
SH to 4, then the overspeed threshold will be 2457.45 Hz.
If the commutation controller attempts to drive the motor at
less than the low speed threshold or greater than the overspeed
threshold, then the A4963 will indicate loss of synchronization.
In the extreme case, when a motor stalls due to excessive load on
the output, there will be no bemf zero-crossing detection, and the
frequency of the commutation sequence will be reduced at each
expected commutation point to try and regain synchronization.
The resulting speed will eventually reduce below the low speed
threshold after a number of commutation cycles, and the A4963
will indicate loss of synchronization.
In some cases, rather than a complete stall, it is also possible for
the motor to vibrate at a whole fraction (subharmonic) of the
commutation frequency produced by the controller. In this case,
the controller will still detect the bemf zero crossing, but at a rate
much higher than the motor is capable of running. The commuta-
tion controller will increase the commutation rate to compensate,
the resulting speed will increase above the overspeed threshold,
and the A4963 will indicate loss of synchronization.
In the direct control mode, loss of synchronization is indicated
by an active-low state on the FAULTn output. When using
one of the indirect modes, loss of synchronization is indicated
by repeatedly pulling the FAULTn output active-low for three
PWM periods and inactive for three periods. In both cases,
the LOS bit will be set in the diagnostic register. When loss of
synchronization is detected, the controller will either stop or
attempt to restart the motor depending on the state of the RUN
bit, the restart control bit (RSC) in the run register, and the input
demand. If the RUN and RSC bits are set to 1, and the input
demand is greater than the minimum limit for the mode (see
mode descriptions for detail), then the start sequencer will reset
and retry, and the FAULTn output will remain low or continue
the fault pulse sequence until the completion of six full commu-
tation periods following the hold time. This cycle will continue
until stopped by taking the input demand lower than the mini-
mum limit for the mode or setting either the RUN bit or the RSC
bit to 0.
If RSC = 0, the FAULTn output will continue to indicate loss of
synchronization until the input demand is lower than the mini-
mum limit for the mode or the RUN bit is set to 0.
ALLEGRO' mxcrosystems
Sensorless BLDC Controller
A4963
31
Allegro MicroSystems, LLC
955 Perimeter Road
Manchester, NH 03103-3353 U.S.A.
www.allegromicro.com
Faults on any external MOSFETs are determined by measuring
the drain-source voltage of the MOSFET and comparing it to
the drain-source overvoltage threshold (VDST) defined by the
VT[4:0] bits in configuration register 1. These bits provide the
input to a 5-bit DAC with a least significant bit value of typically
50 mV. The output of the DAC produces VDST approximately
defined as:
VDST = n × 50 mV
where n is a positive integer defined by VT[4:0].
The drain-source voltage for any low-side MOSFET is measured
between the GND terminal and the appropriate Sx terminal.
Any low-side current sense voltage should be taken into account
when setting the VDST level. The drain-source voltage for any
high-side MOSFET is measured between the VBB terminal
and the appropriate Sx terminal. Any voltage drop between the
bridge supply to the common drain connection of the MOSFETs
and the VBB terminal must be taken into account when setting
the VDST level.
Fault Qualification
The output from each VDS overvoltage comparator is filtered by
a VDS fault qualifier circuit. This circuit uses a timer to verify
that the output from the comparator is indicating a valid VDS
fault. The duration of the VDS fault qualifying timer is the same
as the blank time (tBLANK) used by the current limit circuit, and
determined by the contents of the BT[3:0] variable. tBLANK is
approximately defined as:
tBLANK = n × 400 ns
where n is a positive integer defined by BT[3:0].
The qualifier can operate in one of two ways: debounce mode or
blanking mode, selected by the VDQ bit.
In the default debounce mode, a timer is started each time the
comparator output indicates a VDS fault detection when the
corresponding MOSFET is active. This timer is reset when the
comparator changes back to indicate normal operation. If the
debounce timer reaches the end of the timeout period set by
tBLANK, then the VDS fault is considered valid and the cor-
responding VDS fault bit (AH, AL, BH, BL, CH, or CL) will
be set in the diagnostic register and action taken to protect the
MOSFET.
In the optional blanking mode, a timer is started when a gate
drive is turned on. The output from the VDS overvoltage com-
parator for the MOSFET being switched on is ignored (blanked)
for the duration of the timeout period, set by tBLANK. If the com-
parator output indicates an overvoltage event when the MOSFET
is in the on-state, and the blanking timer is not active, then the
VDS fault is considered valid, and the corresponding VDS fault
bit (AH, AL, BH, BL, CH, or CL) will be set in the diagnostic
register and action taken to protect the MOSFET.
If a valid VDS fault is detected when ESF = 1, then this fault
condition will be latched, and all MOSFETs will be immediately
switched off and disabled until the fault is reset.
If a valid VDS fault is detected when ESF = 0, then the external
MOSFET where the fault is detected is immediately switched off
by the A4963, but the remaining MOSFETs continue to operate.
The MOSFET where the fault is detected will be switched on
again the next time the internal bridge control switches it from
off to on.
To limit any damage to the external MOSFETs, when ESF = 0,
the A4963 should either be fully disabled by setting the PWM
input to 0% or by setting RUN to 0 through a serial write.
Alternatively, setting the ESF bit to 1 will allow the A4963 to
completely disable the MOSFETs as soon as a fault is detected.
The FAULTn output reports a VDS fault in different ways
depending on the state of the ESF bit and the selected control
mode.
When using the direct control mode, the FAULTn output will
be active-low for the duration of the fault detection. In addition,
when ESF = 1, FAULTn output will be active-low during the
time when a VDS fault condition is latched.
When using any of the three indirect control modes with
ESF = 0, the FAULTn output will be active-low for two PWM
periods each time a VDS fault is detected. When using indirect
control with ESF = 1, the FAULTn output will be repeatedly
active-low for two PWM periods and inactive for two periods
during the time when a VDS fault condition is latched.
MOSFET Fault Detection
ALLEGRO' mxcrosystems
Sensorless BLDC Controller
A4963
32
Allegro MicroSystems, LLC
955 Perimeter Road
Manchester, NH 03103-3353 U.S.A.
www.allegromicro.com
SERIAL INTERFACE
Serial Registers Definition
Table 4: Serial Registers Definition*
15 14 13 12 11 109876543210
Config 0 (Blank, Dead) 0 0 0 WR RM1 RM0 BT3 BT2 BT1 BT0 DT5 DT4 DT3 DT2 DT1 DT0
001000010100
Config 1 (VREF, VDST)0 0 1 WR PFD IPI VIL3 VIL2 VIL1 VIL0 VDQ VT4 VT3 VT2 VT1 VT0
001111011111
Config 2 (PWM) 0 1 0 WR CP3 CP2 CP1 CP0 SH1 SH0 DGC PW4 PW3 PW2 PW1 PW0
011110010011
Config 3 (Hold) 0 1 1 WR CI3 CI2 CI1 CI0 HD3 HD2 HD1 HD0 HT3 HT2 HT1 HT0
01110101001 0
Config 4 (Start) 1 0 0 WR SP3 SP2 SP1 SP0 SD3 SD2 SD1 SD0 SS3 SS2 SS1 SS0
0 1 11 101110011
Config 5 1 0 1 WR SI3 SI2 SI1 SI0 SPO SMX2 SMX1 SMX0 PA3 PA2 PA1 PA0
011101111000
Mask 1 1 0 WR TW OT LOS VS AH AL BH BL CH CL
000000000000
Run 1 1 1 WR CM1 CM0 ESF DI4 DI3 DI2 DI1 DI0 RSC BRK DIR RUN
000000001001
Diagnostic FF POR SE TW OT LOS VS AH AL BH BL CH CL
1100000000000000
*Power-on-reset value shown below each input register bit.
A three-wire synchronous serial interface, compatible with SPI,
is used to control the features of the A4963. A fourth wire can be
used to provide diagnostic feedback and readback of the register
contents.
The A4963 can be fully controlled by the PWM input or via the
serial interface. The serial interface provides access to additional
control options and several programmable parameters. Applica-
tion-specific settings are configured by setting the appropriate
register bits through the serial interface.
The serial interface timing requirements are specified in the
Electrical Characteristics table and illustrated in the Serial Inter-
face Timing figure on page 9. Data is received on the SDI termi-
nal and clocked through a shift register on the rising edge of the
clock signal input on the SCK terminal. STRn is normally held
high and is only brought low to initiate a serial transfer. No data
is clocked through the shift register when STRn is high, allowing
multiple slave units to use common SDI, SCK, and SDO connec-
tions. Each slave then requires an independent STRn connection.
When 16 data bits have been clocked into the shift register,
STRn must be taken high to latch the data into the selected regis-
ter. When this occurs, the internal control circuits act on the new
data and the diagnostic register is reset.
If there are more than 16 rising edges on SCK, or if STRn goes
high and there are fewer than 16 rising edges on SCK, the write
will be cancelled without writing data to the registers. In addi-
tion, the diagnostic register will not be reset, and the FF and SE
bits will be set to indicate a data transfer error.
Diagnostic information or the contents of the configuration and
control registers is output on the SDO terminal, msb first, while
STRn is low and changes to the next bit on each falling edge of
SCK. The first bit, which is always the FF bit from the diagnos-
tic register, is output as soon as STRn goes low.
Each of the four configuration and control registers has a write
bit (WR, bit 12) as the first bit after the register address. This bit
must be set to one to write the subsequent bits into the selected
register. If WR is zero, then the remaining data bits (bits 11 to
0) are ignored. The state of the WR bit also determines the data
output on SDO. If WR is set to one, then the diagnostic register
is output. If WR is set to zero, then the contents of the register
selected by the first three bits are output. In all cases, the first
three bits output on SDO will always be the FF bit, the POR bit,
and the SE bit from the diagnostic register.
ALLEGRO' mxcrosystems
Sensorless BLDC Controller
A4963
33
Allegro MicroSystems, LLC
955 Perimeter Road
Manchester, NH 03103-3353 U.S.A.
www.allegromicro.com
The serial data word is 16 bits, input msb first; the first three bits
are defined as the register address. This provides eight writeable
registers:
Six registers are used for configuration, including blank time
and dead time programming, current and voltage limits, PWM
setup parameters, and motor startup and control parameters.
The seventh register is the fault mask register providing the
ability to disable individual diagnostics.
The eighth register is the run register containing motor
control inputs.
Writing to any register when the WR bit is set to one will allow
the diagnostic register to be read at the SDO output.
Configuration Register 0 contains basic timing settings:
RM[1:0], 2 bits to select the recirculation mode.
BT[3:0], a 4-bit integer to set the blank time, tBL, in 400 ns
increments.
DT[5:0], a 6-bit integer to set the dead time, tDEAD, in 50 ns
increments.
Configuration Register 1 contains basic voltage settings:
PFD, 1 bit to select amount of fast decay at start.
IPI, 1 bit to invert the sense of the PWM input.
VIL[3:0], a 4-bit integer to set the current limit reference
voltage, VILIM.
VDQ, to select timing qualifier for the VDS monitor.
VT[4:0], a 5-bit integer to set the drain-source threshold
voltage, VDST, in 50 mV increments.
Configuration Register 2:
CP[3:0], 4 bits to set the position controller proportional gain.
SH[1:0], 2 bits to select the overspeed limit ratio.
DGC, 1 bit to enable degauss compensation.
PW[4:0], a 5-bit integer to set the off time for PWM current
control used to limit the motor current during startup and
normal running, or to set the PWM period for the fixed
frequency control options.
Configuration Register 3:
CI[3:0], 4 bits to set the position controller integral gain.
HD[3:0], a 4-bit integer to set the PWM duty cycle to produce
the hold torque for the initial start position in increments of
6.25%.
HT[3:0], a 4-bit integer to set the hold time of the initial start
position in increments of 8 ms from 0 ms.
Configuration Register 4:
SP[3:0], 4 bits to set the speed controller proportional gain.
SD[3:0], a 4-bit integer to set the PWM duty cycle during
forced commutation at startup in increments of 6.25%.
SS[3:0], a 4-bit integer to set the start speed as electrical cycle
frequency in increments of 2 Hz from 2 Hz.
Configuration Register 5:
SI[3:0], 4 bits to set the speed controller integral gain.
SPO, to select the signal output on the SPD terminal.
SMX[2:0], a 3-bit integer to set the maximum (100% input)
controlled speed as electrical cycle frequency.
PA[3:0], a 4-bit integer to set the phase advance in increments
of 1.875° (electrical)
The Mask Register contains a fault mask bit for each fault bit in
the diagnostic register. If a bit is set to one in the mask register,
then the corresponding diagnostic will be completely disabled.
No fault states for the disabled diagnostic will be generated, and
no fault flags or diagnostic bits will be set.
The Run Register contains various bits to set running conditions:
CM[1:0], to select the required control mode.
ESF, the Enable Stop On Fault bit that defines the action
taken when a short is detected. See diagnostics section for
details of fault actions.
DI[4:0], a 5-bit integer to allow control of the motor via the
serial interface.
RSC, the restart control bit. When set to 1, allows restart
after loss of bemf synchronization of RUN is 1 and BRK is
0. When set to 0, the motor will coast to a stop when bemf
synchronization is lost.
BRK, enable brake function.
DIR, direction control.
RUN, enables the A4963 to start and run the motor.
Configuration and Control Registers
ALLEGRO' mxcrosystems
Sensorless BLDC Controller
A4963
34
Allegro MicroSystems, LLC
955 Perimeter Road
Manchester, NH 03103-3353 U.S.A.
www.allegromicro.com
There is one diagnostic register in addition to the eight writeable
registers. Each time a register is written, the diagnostic register
can be read, msb first, on the serial output terminal (SDO), as
illustrated in the serial timing diagram. The diagnostic regis-
ter contains fault flags for each fault condition, a general fault
flag, and an overcurrent indicator. Whenever a fault occurs, the
corresponding flag bit in the diagnostic register will be set and
latched. The fault flags in the diagnostic register are only reset
on the completion of a serial access or when a power-on-reset
occurs. Resetting the diagnostic register only affects latched
faults that are no longer present. For any static faults that are still
present (e.g. overtemperature), the fault flag will remain set after
the register reset.
At power-up or after a power-on-reset, the FF and POR bits are
set, and all other bits are reset. This indicates to the external
controller that a power-on-reset has taken place and all registers
have been reset. Note that a power-on-reset only occurs when the
VDD supply rises above its undervoltage threshold. Power-on-
reset is not directly affected by the state of the VBB.
The first bit in the register is the diagnostic register flag (FF).
This is high if any bits in the diagnostic register are set. When
STRn goes low to start a serial write, SDO comes out of its
high-impedance state and outputs the serial register fault flag.
This allows the main controller to poll the A4963 through the
serial interface to determine if a fault has been detected. If no
faults have been detected, then the serial transfer may be ter-
minated without generating a serial read fault by ensuring that
SCK remains high while STRn is low. When STRn goes high,
the transfer will be terminated, and SDO will go into its high-
impedance state.
Diagnostic Register
ALLEGRO' mxcrosystems
Sensorless BLDC Controller
A4963
35
Allegro MicroSystems, LLC
955 Perimeter Road
Manchester, NH 03103-3353 U.S.A.
www.allegromicro.com
SERIAL REGISTER REFERENCE
Table 5: Serial Register Reference*
15 14 13 12 11 109876543210
Config 0 0 0 0 WR
RM1 RM0 BT3 BT2 BT1 BT0 DT5 DT4 DT3 DT2 DT1 DT0
001000010100
Config 1 0 0 1 WR
PFD IPI VIL3 VIL2 VIL1 VIL0 VDQ VT4 VT3 VT2 VT1 VT0
001111011111
*Power-on-reset value shown below each input register bit.
Configuration Register 0
RM[0:1] Recirculation Mode
RM1 RM0 Recirculation Mode Default
0 0 Auto D
0 1 High
1 0 Low
1 1 Off – Non-sync Rectification
BT[3:0] Blank Time
tBLANK = n × 400 ns
where n is a positive integer defined by BT[3:0].
For example, for the power-on-reset condition BT[3:0] = [1000],
then tBL=3.2 μs.
The range of tBL is 0 to 6 μs.
The accuracy of tBL is determined by the system clock frequency
as defined in the Electrical Characteristics table.
DT[5:0] Dead Time
tDEAD = n × 50 ns
where n is a positive integer defined by DT[5:0].
For example, for the power-on-reset condition DT[5:0] = [01
0100] then tDEAD = 1 μs.
The range of tDEAD is 100 ns to 3.15 μs. Selecting a value of 0, 1,
or 2 will set the dead time to 100 ns.
The accuracy of tDEAD is determined by the system clock fre-
quency as defined in the Electrical Characteristics table.
Configuration Register 1
PFD Percent Fast Decay
PFD Percent Fast Decay (at Start) Default
0 12.5% D
1 25%
IPI Invert PWM Input
IPI PWM Input Sense Default
0Normal True Logic D
1 Inverter Logic
VIL[3:0] Current Sense Threshold Voltage for Normal
Running Conditions
Typically:
VILIM = (n + 1) × 12.5 mV
where n is a positive integer defined by VIL[3:0].
For example, for the power-on-reset condition VIL[3:0] = [1111]
then VILIM = 200 mV.
The range of VILIM is 12.5 to 200 mV.
VDQ bemf Time Qualifier
VDQ VDS Comparator Time Qualifier Default
0Debounce Timer D
1Window Timer
VT[4:0] VDS Threshold
Typically:
VDST = n × 50 mV
where n is a positive integer defined by VT[4:0].
For example, for the power-on-reset condition VT[4:0] = [1
1111], then VDST = 1.55 V.
The range of VDST is 0 to 1.55 V.
The accuracy of VDST is defined in the Electrical Characteristics
table.
ALLEGRO' mxcrosystems
Sensorless BLDC Controller
A4963
36
Allegro MicroSystems, LLC
955 Perimeter Road
Manchester, NH 03103-3353 U.S.A.
www.allegromicro.com
Table 6: Serial Register Reference
15 14 13 12 11 109876543210
Config 2 0 1 0 WR
CP3 CP2 CP1 CP0 SH1 SH0 DGC PW4 PW3 PW2 PW1 PW0
011110010011
Config 3 0 1 1 WR
CI3 CI2 CI1 CI0 HD3 HD2 HD1 HD0 HT3 HT2 HT1 HT0
011101010010
*Power-on-reset value shown below each input register bit.
Configuration Register 2
CP[3:0] Proportional Gain of the Position Controller
Position control proportional gain is KCP defined as:
KCP = 2(n-7)
where n is a positive integer defined by CP[3:0].
For example, when CP[3:0] = [1000], then KCP = 2.
The range of KCP is 1/128 to 256.
SH[0:1] Overspeed Limit Ratio
SH1 SH0 Overspeed Limit Default
0 0 100% Max Control Speed
0 1 125% Max Control Speed
1 0 150% Max Control Speed D
1 1 200% Max Control Speed
DGC Degauss Compensation
DGC Degauss Compensation Default
0Off D
1 Active
PW[4:0] Fixed Off-Time/Fixed Period
tPW = 20 µs + (n × 1.6 µs)
where n is a positive integer defined by PW[4:0].
For example, when the power-on-reset condition PW[4:0] =
[1 0011], then tPW = 50.4 µs.
The range of tPW is 20 to 69.6 µs.
In fixed-frequency mode, this is equivalent to 14.4k Hz to
50 kHz.
The accuracy of tPW is determined by the system clock fre-
quency as defined in the Electrical Characteristics table.
Configuration Register 3
CI[3:0] Integral Gain of the Position Controller
Position control integral gain is KCI defined as:
KCI = 2(n-7)
where n is a positive integer defined by CI[3:0].
For example, when CI[3:0] = [1000], then KCI = 2.
The range of KCI is 1/128 to 256.
HD[3:0] PWM Duty Cycle for Hold Torque
DH = (n + 1) × 6.25%
where n is a positive integer defined by HD[3:0].
For example, where the power-on-reset condition HQ[3:0] =
[0101], then DH = 37.5%.
The range of DH is 6.25% to 100%.
HT[3:0] Hold Time
tHOLD = n × 8 ms
where n is a positive integer defined by HT[3:0].
For example, where the power-on-reset condition HT[3:0] =
[0010], then tHOLD = 16 ms.
The range of tHOLD is 0 to 120 ms.
The accuracy of tHOLD is determined by the system clock fre-
quency as defined in the Electrical Characteristics table.
ALLEGRO' mxcrosystems
Sensorless BLDC Controller
A4963
37
Allegro MicroSystems, LLC
955 Perimeter Road
Manchester, NH 03103-3353 U.S.A.
www.allegromicro.com
Table 7: Serial Register Reference*
15 14 13 12 11 109876543210
Config 4 1 0 0 WR
SP3 SP2 SP1 SP0 SD3 SD2 SD1 SD0 SS3 SS2 SS1 SS0
0 1 11 101110011
Config 5 1 0 1 WR
SI3 SI2 SI1 SI0 SPO SMX2 SMX1 SMX0 PA3 PA2 PA1 PA0
011101111000
*Power-on-reset value shown below each input register bit.
Configuration Register 4
SP[3:0] Proportional Gain of the Speed PI Controller
Speed control proportional gain is KSP defined as:
KSP = 2(n-7) × KNSP
where n is a positive integer defined by SP[3:0], and KNSP is the
nominal proportional gain of speed control.
For example, when SP[3:0] = [1000], then KSP = 2 KNSP.
The range of KSP is 1/128 to 256 KNSP.
SD[3:0] PWM Duty Cycle for Torque During Forced
Commutation Startup
DS = (n + 1) × 6.25%
where n is a positive integer defined by SD[3:0].
For example, when the power-on-reset condition SD[3:0] =
[0111], then DS = 50%.
The range of DS is 6.25% to 100%.
The accuracy of DS is defined in the Electrical Characteristics
table.
SS[3:] Start Speed
Defined by electrical cycle frequency:
fST = (n + 1) × 2 Hz
where n is a positive integer defined by SS[3:0].
For example, where the power-on-reset condition SS[3:0] =
[0011], then fST = 8 Hz.
The range of fST is 2 to 32 Hz.
The accuracy of fST is determined by the system clock frequency
as defined in the Electrical Characteristics table.
Configuration Register 5
SI[3:0] Integral Gain of the Speed PI Controller
Speed control integral gain is KSI defined as:
KSI = 2(n-7) × KNSI
where n is a positive integer defined by SI[3:0] and KNSI is the
nominal integral gain of speed control.
For example, when SI[3:0] = [1000], then KSI = 2 KNSI.
The range of KSI is 1/128 to 256 KNSI.
SPO Speed Output Selection
SPO Signal Output on SPD Default
0 FG (electrical frequency) D
1 TACHO (commutation frequency)
SMX[2:0] Maximum Speed Setting as Maximum Electri-
cal Cycle Frequency
fMX = [2(8 + n) – 1] × 0.1 Hz
where n is a positive integer defined by SMX[2:0].
For example, where the power-on-reset condition SMX[2:0] =
[101], then fMX = 819.1 Hz.
The range of fMX is 25.5 to 3,276.7 Hz.
For example, for a 6-pole pair motor this is equivalent to a
default maximum speed of 8,191 rpm and maximum speed range
from 255 to 32,767 rpm.
PA[3:0] Phase Advance
θADV = n × 1.875°(electrical)
where n is a positive integer defined by PA[3:0].
For example, where the following condition PA[3:0] =
[1000], then θADV = 15°.
The range of θADV is 0 to 28.125°(electrical).
The accuracy of θADV is defined in the Electrical Characteristics
table.
ALLEGRO' mxcrosystems
Sensorless BLDC Controller
A4963
38
Allegro MicroSystems, LLC
955 Perimeter Road
Manchester, NH 03103-3353 U.S.A.
www.allegromicro.com
Table 8: Serial Register Reference*
15 14 13 12 11 109876543210
Run 1 1 1 WR
CM1 CM0 ESF DI4 DI3 DI2 DI1 DI0 RSC BRK DIR RUN
000000001001
*Power-on-reset value shown below each input register bit.
Run Register
CM[1:0] Selects Motor Control Mode
CM1 CM0 Motor Control Mode Default
0 0 Indirect Speed (Duty Cycle) D
0 1 Direct Speed (Duty Cycle)
1 0 Closed-Loop Current
1 1 Closed-Loop Speed
ESF Enable Stop On Fail
ESF Action on Fail Default
0 No Stop on Fail; Report Fault D
1 Stop on Fail; Report Fault
DI[4:0] Duty Cycle Control
DC = 7 + (n × 3)%
where n is a positive integer defined by DI[4:0].
For example, when DI[4:0] = 0, then serial duty cycle control is
disabled and control reverts to the duty cycle of the PWM signal
applied to the PWM input terminal.
The range of DC is 10% to 100%.
RSC Restart Control
RSC Restart Default
0 No Restart
1 Allow Restart after Loss of Sync D
BRK Brake
BRK Brake Function Default
0 Brake Function Disabled D
1 Brake Enabled when PWM Inactive
DIR Direction of Rotation
DIR Direction Default
0 Forward (Table 1 States 1 to 6) D
1 Reverse (Table 1 States 6 to 1)
RUN Run Enable
RUN Motor Activity Default
0 Disable Outputs, Coast Motor
1 Start and Run Motor D
War re ync ge as V e VD e V VDS LLEGRO' mxcrosystems
Sensorless BLDC Controller
A4963
39
Allegro MicroSystems, LLC
955 Perimeter Road
Manchester, NH 03103-3353 U.S.A.
www.allegromicro.com
Table 9: Serial Register Reference*
15 14 13 12 11 109876543210
Mask 1 1 0 WR
TW OT LOS VS AH AL BH BL CH CL
000000000000
Diagnostic
FF POR SE TW OT LOS VS AH AL BH BL CH CL
1100000000000000
*Power-on-reset value shown below each input register bit.
Mask Register
TW Temperature Warning
OT Overtemperature
LOS Loss of bemf Synchronization
VS VBB Undervoltage
AH Phase A High-Side VDS
AL Phase A Low-Side VDS
BH Phase B High-Side VDS
BL Phase B Low-Side VDS
CH Phase C High-Side VDS
CL Phase C Low-Side VDS
xx Fault Mask Default
0 Fault Detection Permitted D
1 Fault Detection Disabled
Diagnostic Register
TW High Temperature Warning
OT Overtemperature Shutdown
LOS bemf Synchronization Lost
VS Undervoltage on VBB
AH VDS Fault Detected on Phase A High-Side
AL VDS Fault Detected on Phase A Low-Side
BH VDS Fault Detected on Phase B High-Side
BL VDS Fault Detected on Phase B Low-Side
CH VDS Fault Detected on Phase C High-Side
CL VDS Fault Detected on Phase C Low-Side
FF Diagnostic Register Flag
POR Power-On Reset
SE Serial Transfer Error
xx Fault Mask
0 Fault Detection Permitted
1 Fault Detection Disabled
13%? mg %M%% mi a??? W3
Sensorless BLDC Controller
A4963
40
Allegro MicroSystems, LLC
955 Perimeter Road
Manchester, NH 03103-3353 U.S.A.
www.allegromicro.com
INPUT/OUTPUT STRUCTURES
VBB
HVESD
16 V
16 V
20 V
HVESD To other
phase
40 kΩ
40 kΩ
To other
phase
SXGLXGHX
VBB VBB
20 V
20 V
3.3 V (Internal Supply)
3.3 V (Internal Supply)
3.3 V (Internal Supply)3.3 V (Internal Supply)
DDI
SCK STRn
2 kΩ 2 kΩ2 kΩ
6 V 6 V6 V
50 kΩ 50 kΩ
50 kΩ
6 V 6 V6 V
6 V
16 V
6 V
3.3 V
HVESD
PWM
50 Ω
SDO FAULTn
SPD
CSP
CSM
20 kΩ
6 V
10 V 33 kΩ
HVESD
Figure 23a: Supply Figure 23b: Phase Inputs Figure 23c: LS Gate Drive Figure 23d: HS Gate Drive
Figure 23e: SDI, SCK InputsFigure 23f: STRn Input Figure 23g: PWM Input
Figure 23h: Sense InputsFigure 23i: SDO Output Figure 23j: FAULTn, SPD Outputs
50 Ω
a aaa}aaHi—' E_, H II H H II H II N A )1 A I] ll IJ I] II I] ll IJ A ASIandard Brandin Reference Vwew 1/7 ALL'EEW'SQ;
Sensorless BLDC Controller
A4963
41
Allegro MicroSystems, LLC
955 Perimeter Road
Manchester, NH 03103-3353 U.S.A.
www.allegromicro.com
PACKAGE OUTLINE DRAWING
For Reference Only – Not for Tooling Use
(Reference MO-153 ACT)
NOT TO SCALE
Dimensions in millimeters
Dimensions exclusive of mold flash, gate burrs, and dambar protrusions
Exact case and lead configuration at supplier discretion within limits shown
B
A
1.20 MAX
0.05 NOM
0.30
0.19
0.20
0.09
0.60 NOM 1.00 REF
C
SEATING
PLANE
C0.10
20X
0.65 BSC
0.25 BSC
21
1
20
6.50 NOM
4.40 NOM
3.00 3.00
4.20
4.20
6.40 NOM
GAUGE PLANE
SEATING PLANE
A
B
0.45
1.70
20
21
B
6.10
0.65
CExposed thermal pad (bottom surface)
C
PCB Layout Reference View
NNNNNNN
YYWW
LLLLLLL
Standard Branding Reference View
N = Device part number
= Supplier emblem
Y= Last two digits of year of manufacture
W = Week of manufacture
L= Lot number
Terminal #1 mark area
Reference land pattern layout (reference IPC7351 SOP65P640X110-21M); all pads a minimum of 0.20 mm from all adjacent pads;
adjust as necessary to meet application process requirements and PCB layout tolerances; when mounting on a multilayer PCB,
thermal vias at the exposed thermal pad land can improve thermal dissipation (reference EIA/JEDEC Standard JESD51-5)
Figure 24: Package LP, 20-Pin TSSOP with Exposed Pad
ALLEGRO' mxcrosystems
Sensorless BLDC Controller
A4963
42
Allegro MicroSystems, LLC
955 Perimeter Road
Manchester, NH 03103-3353 U.S.A.
www.allegromicro.com
For the latest version of this document, visit our website:
www.allegromicro.com
REVISION HISTORY
Number Date Description
October 20, 2014 Initial release
1 November 8, 2017 Corrected Input/Output Structures (page 40)
2 November 27, 2017 Corrected Figure 23b Input/Output Structure (page 40)
3 September 11, 2018 Corrected Max Speed table (page 20)
Copyright ©2018, Allegro MicroSystems, LLC
Allegro MicroSystems, LLC reserves the right to make, from time to time, such departures from the detail specifications as may be required to
permit improvements in the performance, reliability, or manufacturability of its products. Before placing an order, the user is cautioned to verify that
the information being relied upon is current.
Allegro’s products are not to be used in any devices or systems, including but not limited to life support devices or systems, in which a failure of
Allegro’s product can reasonably be expected to cause bodily harm.
The information included herein is believed to be accurate and reliable. However, Allegro MicroSystems, LLC assumes no responsibility for its
use; nor for any infringement of patents or other rights of third parties which may result from its use.
Copies of this document are considered uncontrolled documents.