LTC4229 Datasheet by Analog Devices Inc.

L7 LINE I “2 LTC4229 TECHNOLOGY PLUGrW L7 LJUW 1
LTC4229
1
4229f
For more information www.linear.com/LTC4229
Typical applicaTion
FeaTures DescripTion
Ideal Diode and
Hot Swap Controller
The LT C
®
4229 offers ideal diode and Hot Swap™ functions
for a power rail by controlling two external N-channel MOS-
FETs. The MOSFET acting as an ideal diode replaces a high
power Schottky diode and the associated heat sink, saving
power and board area. The Hot Swap MOSFET control al-
lows a board to be safely inserted and removed from a live
backplane by limiting inrush current. The supply output is
also protected against short-circuit faults with a fast acting
foldback current limit and electronic circuit breaker.
The LTC4229 regulates the forward voltage drop across
the external MOSFET to ensure smooth current transfer
in diode-OR applications. The ideal diode turns on quickly
to reduce the load voltage droop during supply switcho-
ver. If the input supply fails or is shorted, a fast turn-off
minimizes reverse-current transients.
The LTC4229 provides adjustable start-up delay, under-
voltage and overvoltage protection, and reports fault and
power good status for the supply. It can be configured
for latch off or automatic retry after a fault.
L, LT , LT C , LT M , Linear Technology and the Linear logo are registered trademarks and Hot
Swap is a trademark of Linear Technology Corporation. All other trademarks are the property of
their respective owners.
Protected by U.S. Patents, including 7920013, 8022679.
Plug-In Supply Card Application
applicaTions
n Ideal Diode and Inrush Current Control for
Redundant Supplies
n Low Loss Replacement for Power Schottky Diode
n Protects Output Voltage from Input Brownouts
n Allows Safe Hot Swapping from a Live Backplane
n 2.9V to 18V Operating Range
n Controls Back-to-Back N-Channel MOSFETs
n Limits Peak Fault Current in ≤1µs
n Adjustable Current Limit with Foldback
n Adjustable Start-Up and Current Limit Fault Delay
n 0.5µs Ideal Diode Turn-On and Turn-Off Time
n Undervoltage and Overvoltage Protection
n Status, Fault and Power Good Outputs
n Pin Selectable Latch Off or Automatic Retry
After Fault
n 24-Lead 4mm × 5mm QFN and SSOP Packages
n Redundant Power Supplies
n Supply Holdup
n High Availability Systems and Servers
n Telecom and Network Infrastructure
n Power Prioritizer
Diode FET Protects Output
Voltage from Input Brownout
DCFGDOFF EN
4229 TA01a
DFLT
GND INTVCC
FB
SENSE+SENSE
UV
OV DSTAT
RTMR
FAULT
PWRGD
DTMR FTMR
CPO DSRC HGATEIN DSNS
BACKPLANE
OUT
10Ω 1k
680µF
10nF
12V V
OUT
7.6A
HOT SWAP FET
SiR818DP
PLUG-IN
SUPPLY
CARD
DGATE
DIODE FET
SiR818DP 0.0025Ω
21.5k
1.1k
2k
+
0.1µF
0.1µF
0.1µF
15k
2k
LTC4229
50µs/DIV
IN
10V/DIV
OUT
10V/DIV
DGATE
20V/DIV
HGATE
20V/DIV
4229 TA01b
LTC4229 TOP vwEw TUP vwEw 4“ flflflflflflflflflflflfl UUUUUUUUUUUU
LTC4229
2
4229f
For more information www.linear.com/LTC4229
absoluTe MaxiMuM raTings
Supply Voltages
IN ........................................................... 0.3V to 24V
INTVCC ..................................................... 0.3V to 7V
Input Voltages
FB, DCFG ................................................. 0.3V to 7V
FTMR, DTMR, RTMR ............. 0.3V to INTVCC + 0.3V
UV, OV, EN, DOFF ................................... 0.3V to 24V
SENSE+, SENSE, DSNS, DSRC ............. 0.3V to 24V
Output Voltages
FA U LT, PWRGD, DSTAT, D F LT, OUT ........ 0.3V to 24V
CPO, DGATE (Note 3) ............................. 0.3V to 35V
HGATE (Note 4) ..................................... 0.3V to 35V
Average Currents
FA U LT, PWRGD, DSTAT, D F LT ...............................5mA
INTVCC ................................................................. 1mA
Operating Ambient Temperature Range
LTC4229C ................................................ C to 70°C
LTC4229I .............................................40°C to 8C
Storage Temperature Range .................. 6C to 150°C
Lead Temperature (Soldering, 10 sec)
G Package .........................................................300°C
(Notes 1, 2)
orDer inForMaTion
LEAD FREE FINISH TAPE AND REEL PART MARKING* PACKAGE DESCRIPTION TEMPERATURE RANGE
LTC4229CUFD#PBF LTC4229CUFD#TRPBF 4229 24-Lead (4mm × 5mm) Plastic QFN 0°C to 70°C
LTC4229IUFD#PBF LTC4229IUFD#TRPBF 4229 24-Lead (4mm × 5mm) Plastic QFN –40°C to 85°C
LTC4229CG#PBF LTC4229CG#TRPBF LTC4229G 24-Lead Plastic SSOP 0°C to 70°C
LTC4229IG#PBF LTC4229IG#TRPBF LTC4229G 24-Lead Plastic SSOP –40°C to 85°C
Consult LT C Marketing for parts specified with wider operating temperature ranges. *The temperature grade is identified by a label on the shipping container.
Consult LT C Marketing for information on nonstandard lead based finish parts.
For more information on lead free part marking, go to: http://www.linear.com/leadfree/
For more information on tape and reel specifications, go to: http://www.linear.com/tapeandreel/
8 9
TOP VIEW
25
UFD PACKAGE
24-LEAD (4mm × 5mm) PLASTIC QFN
10 11 12
24 23 22 21 20
6
5
4
3
2
1
DSRC
SENSE
SENSE
+
IN
DSNS
INTVCC
GND
PWRGD
FAULT
DSTAT
DFLT
DOFF
DCFG
OV
DGATE
CPO
HGATE
OUT
FB
DTMR
RTMR
FTMR
EN
UV
7
14
15
16
17
18
19
13
TJMAX = 125°C, θJA = 43°C/W (Note 5)
EXPOSED PAD (PIN 25) PCB GND CONNECTION OPTIONAL
1
2
3
4
5
6
7
8
9
10
11
12
TOP VIEW
G PACKAGE
24-LEAD PLASTIC SSOP
24
23
22
21
20
19
18
17
16
15
14
13
CPO
DGATE
DSRC
SENSE
SENSE
+
IN
DSNS
INTVCC
GND
DTMR
RTMR
FTMR
HGATE
OUT
FB
PWRGD
FAULT
DSTAT
DFLT
DOFF
DCFG
OV
UV
EN
TJMAX = 125°C, θJA = 88°C/W
pin conFiguraTion
LTC4229 L7 LJUW 3
LTC4229
3
4229f
For more information www.linear.com/LTC4229
elecTrical characTerisTics
The l denotes the specifications which apply over the full operating
temperature range, otherwise specifications are at TA = 25°C. VIN = 12V, unless otherwise noted.
SYMBOL PARAMETER CONDITIONS MIN TYP MAX UNITS
Supplies
VIN Input Supply Range l2.9 18 V
IIN Input Supply Current l2 4 mA
VINTVCC Internal Regulator Voltage I = 0, –500µA l4.5 5 5.5 V
VINTVCC(UVL) Internal VCC Undervoltage Lockout INTVCC Rising l2.1 2.2 2.3 V
∆VINTVCC(HYST) Internal VCC Undervoltage Lockout Hysteresis l30 60 90 mV
Ideal Diode Control
∆VFWD(REG) Forward Regulation Voltage (VIN – VDSNS)l35 50 65 mV
∆VDGATE External N-Channel Gate Drive
(VDGATE – VDSRC)
IN < 7V, ∆VFWD = 0.15V; I = 0, –1µA
IN = 7V to 18V, ∆VFWD = 0.15V; I = 0, –1µA
l
l
5
10
7
12
14
14
V
V
∆VDGATE(ST) Diode MOSFET On Detect Threshold
(VDGATE – VDSRC)
DSTAT Pulls Low, ∆VFWD = 75mV l0.3 0.7 1.1 V
∆VFWD(F LT )Open Diode MOSFET Threshold (VIN – VDSNS)DFLT Pulls Low l200 250 300 mV
IDSNS DSNS Pin Current DSNS = 12V l50 150 300 µA
IDSRC DSRC Pin Current DSRC = 0V l–95 –150 µA
ICPO(UP) CPO Pull-Up Current CPO = DSRC = IN = 2.9V
CPO = DSRC = IN = 18V
l
l
–70
–60
–105
–95
–130
–120
µA
µA
IDGATE(FPU) DGATE Fast Pull-Up Current ∆VFWD = 0.2V, ∆VDGATE = 0V, CPO = 17V –1.5 A
IDGATE(FPD) DGATE Fast Pull-Down Current ∆VFWD = –0.2V, ∆VDGATE = 5V 1.5 A
IDGATE(DN) DGATE Off Pull-Down Current DOFF = 2V, ∆VDGATE = 2.5V l50 100 200 µA
tON(DGATE) DGATE Turn-On Delay ∆VFWD = 0.2V , CDGATE = 10nF l0.25 0.5 µs
tOFF(DGATE) DGATE Turn-Off Delay ∆VFWD = –0.2V, CDGATE = 10nF l0.2 0.5 µs
tPLH(DGATE) DOFF Low to DGATE High l50 100 µs
Hot Swap Control
∆VSENSE(TH) Current Limit Sense Voltage Threshold
(VSENSE+ – VSENSE)
FB = 1.23V
FB = 0V
l
l
22.5
6
25
8.3
27.5
10.6
mV
mV
VSENSE+(UVL) SENSE+ Undervoltage Lockout SENSE+ Rising l1.8 1.9 2 V
∆VSENSE+(HYST)SENSE+ Undervoltage Lockout Hysteresis l10 50 90 mV
ISENSE+SENSE+ Pin Current SENSE+ = 11V, IN = 12V, OUT = 0V
SENSE+ = 13V, IN = 12V, OUT = 0V
l
l
150 300
2
450
4
µA
mA
ISENSESENSE Pin Current SENSE = 12V l10 40 100 µA
∆VHGATE External N-Channel Gate Drive
(VHGATE – VOUT)
IN < 7V; I = 0, –1µA
IN = 7V to 18V; I = 0, –1µA
l
l
5
10
7
12
14
14
V
V
∆VHGATE(H) Gate High Threshold (VHGATE – VOUT)l3.6 4.2 4.8 V
IHGATE(UP) External N-Channel Gate Pull-Up Current Gate Drive On, HGATE = 0V l–7 –10 –13 µA
IHGATE(DN) External N-Channel Gate Pull-Down Current Gate Drive Off, OUT = 12V,
HGATE = OUT + 5V
l1 2 4 mA
IHGATE(FPD) External N-Channel Gate Fast
Pull-Down Current
Fast Turn-Off, OUT = 12V,
HGATE = OUT + 5V
l100 200 350 mA
tPHL(SENSE) Sense Voltage (SENSE+ – SENSE)
High to HGATE Low
∆VSENSE = 200mV, CHGATE = 10nF l0.5 1 µs
tOFF(HGATE) OV High to HGATE Low
UV Low to HGATE Low
EN High to HGATE Low
SENSE+ Low to HGATE Low
l
l
l
l
10
10
20
10
20
20
40
20
µs
µs
µs
µs
LTC4229 4 L7LJ1W
LTC4229
4
4229f
For more information www.linear.com/LTC4229
elecTrical characTerisTics
The l denotes the specifications which apply over the full operating
temperature range, otherwise specifications are at TA = 25°C. VIN = 12V, unless otherwise noted.
SYMBOL PARAMETER CONDITIONS MIN TYP MAX UNITS
tD(HGATE) UV High, EN Low to HGATE Turn-On Delay DTMR = INTVCC l50 100 150 ms
tP(HGATE) UV to HGATE Propagation Delay UV = Step 0.8V to 2V l10 20 µs
Input/Output Pin
VDOFF(H,TH) DOFF Pin High Threshold DOFF Rising l1.21 1.235 1.26 V
VDOFF(L,TH) DOFF Pin Low Threshold DOFF Falling l1.19 1.215 1.24 V
∆VDOFF(HYST) DOFF Pin Hysteresis l10 20 30 mV
VIN(TH) UV, OV, FB Pin Threshold Voltage Voltage Rising l1.21 1.235 1.26 V
∆VUV(HYST) UV Pin Hysteresis l40 80 120 mV
∆VOV(HYST) OV Pin Hysteresis l10 20 30 mV
∆VFB(HYST) FB Pin Hysteresis l10 20 30 mV
VUV(RESET) UV Pin Fault Reset Threshold Voltage UV Falling l0.57 0.6 0.63 V
IIN(LEAK) Input Leakage Current (UV, OV, FB, DOFF) V = 5V l0 ±1 µA
VEN(TH) EN Pin Threshold Voltage EN Rising l1.185 1.235 1.284 V
∆VEN(HYST) EN Pin Hysteresis l60 110 160 mV
IEN(UP) EN Pull-Up Current EN = 1V l–7 –10 –13 µA
VTMR(H) FTMR, DTMR, RTMR Pin High Threshold l1.198 1.235 1.272 V
VTMR(L) FTMR, DTMR, RTMR Pin Low Threshold l0.15 0.2 0.25 V
IFTMR(UP) FTMR Pull-Up Current FTMR = 1V, In Fault Mode l–80 –100 –120 µA
IFTMR(DN) FTMR Pull-Down Current FTMR = 2V, No Faults l1.3 2 2.6 µA
IFTMR(RATIO) FTMR Current Ratio IFTMR(DN)/IFTMR(UP) l1.3 2 2.7 %
ITMR(UP) DTMR, RTMR Pull-Up Current V = 0V l–8 –10 –12 µA
ITMR(DN) DTMR, RTMR Pull-Down Current V = 1.5V l1 5 10 mA
VIH Input High Voltage (DTMR, RTMR) lINTVCC
0.1
INTVCC +
0.1
V
VDCFG(TH) Logic Input Threshold (DCFG) l0.5 2 V
IOUT OUT Pin Current OUT = 11V, IN = 12V, SENSE+ = 11.5V
OUT = 13V, IN = 12V, SENSE+ = 11.5V
l
l
40
1.7
100
4
µA
mA
VOL Output Low Voltage
(PWRGD, FAULT, DSTAT, DFL
T)
I = 1mA
I = 3mA
l
l
0.15
0.4
0.4
1.2
V
V
VOH Output High Voltage
(PWRGD, FAULT, DFLT)
I = –1µA lINTVCC
1
INTVCC
0.5
V
IOH Input Leakage Current
(PWRGD, FAULT, DSTAT, DFL
T)
V = 18V l0 ±1 µA
IPU Output Pull-Up Current
(PWRGD, FAULT, DFLT)
V = 1.5V l–7 –10 –13 µA
tRST(UV) UV Low to FAULT High l20 40 µs
tPG(FB) FB Low to PWRGD High l20 40 µs
Note 1: Stresses beyond those listed under Absolute Maximum Ratings
may cause permanent damage to the device. Exposure to any Absolute
Maximum Rating condition for extended periods may affect device
reliability and lifetime.
Note 2: All currents into device pins are positive; all currents out of device
pins are negative. All voltages are referenced to GND unless otherwise
specified.
Note 3: An internal clamp limits the DGATE and CPO pins to a minimum of
10V above and a diode below DSRC. Driving these pins to voltages beyond
the clamp may damage the device.
Note 4: An internal clamp limits the HGATE pin to a minimum of 10V
above and a diode below OUT. Driving this pin to voltages beyond the
clamp may damage the device.
Note 5: Thermal resistance is specified when the exposed pad is soldered
to a 3" × 4.5", four layer, FR4 board.
LTC4229 EU EU 20 / g l E : I\ s _ \ _ ! I ‘ I # . . 8 5 M M \‘ vW ; 5 S a \ vW a i \ 3 II S S a a L7 HEW
LTC4229
5
4229f
For more information www.linear.com/LTC4229
Typical perForMance characTerisTics
INTVCC Load Regulation Hot Swap Gate Voltage vs Current
Hot Swap Gate Voltage
vs IN Voltage
IN Supply Current vs Voltage SENSE+ Current vs Voltage OUT Current vs Voltage
TA = 25°C, VIN = 12V, unless otherwise noted.
CPO Voltage vs Current Diode Gate Voltage vs Current Diode Gate Voltage vs IN Voltage
VIN (V)
0
I
IN
(mA)
2.0
2.5
3.0
9 15
18
4229 G01
1.5
0.5
1.0
0
3 6 12
VOUT = 3.3V
VOUT = 0V VOUT = 12V
VSENSE+ = VIN – 0.5V
VOUT (V)
0
I
OUT
(mA)
1.5
2.0
9 15
18
4229 G03
1.0
0
0.5
–0.5
3 6 12
VIN = 12V, VSENSE+ = 11.5V
ILOAD (mA)
0
INTV
CC
(V)
3
4
5
6
–0.6
–1
4229 G04
2
1
0
–0.2 –0.4 –0.8
VIN = 2.9V
VIN = 12V
IHGATE (µA)
0
HGATE
8
10
12
–6
–10
6
4
2
0
–2 –4 –8
VIN = 2.9V
VIN = 12V
VOUT = VIN
VIN (V)
0
∆ V
HGATE
(V)
8
10
12
14
9
18
15
4229 G06
6
4
3 6 12
VOUT = VIN
ICPO (µA)
0
V
CPO
– V
DSRC
(V)
2
4
6
8
10
12
–60
–120
–100
4229 G07
0
–2
–20 –40 –80
VIN = 2.9V
VIN = 18V
VDRSC = VIN
IDGATE (µA)
0
∆V
DGATE
(V)
2
4
6
8
10
12
–60
–120
–100
4229 G08
0
–2
–20 –40 –80
VIN = 18V
VIN = 2.9V
VDSNS = VIN – 0.15V
VIN (V)
0
∆V
DGATE
(V)
8
10
12
14
9
18
15
4229 G09
6
4
3 6 12
VDSNS = VIN – 0.15V
VDSRC = VIN
VSENSE+ (V)
0
ISENSE
+
(mA)
2.0
2.5
3.0
9 15
18
4229 G02
1.5
0.5
1.0
0
3 6 12
VIN = 12V, VOUT = 0V
LTC4229 / m Inn .5 5,52, 33 SE3 :3 3:3 :55 EWEB 30 WES? mmzmm :2: SEE: VUms/D w L7HCU§QB
LTC4229
6
4229f
For more information www.linear.com/LTC4229
Typical perForMance characTerisTics
Ideal Diode Start-Up Waveform
on IN Power-Up
Ideal Diode Turn-On and Turn-Off
Waveform
100ms HGATE Start-Up Delay with
DTMR Pin Connected to INTVCC
TA = 25°C, VIN = 12V, unless otherwise noted.
Current Limit Threshold Foldback
Current Limit Delay
vs Sense Voltage
PWRGD, FAULT, DSTAT, DFLT
Output Low Voltage vs Current
Adjustable HGATE Start-Up Delay
with 0.1µF Capacitor at DTMR Pin
FB VOLTAGE (V)
0
CURRENT LIMIT SENSE VOLTAGE
VSENSE+ – VSENSE (mV)
10
15
20
25
30
0.6
1.4
1.21
4229 G10
5
0
0.2 0.4 0.8
SENSE VOLTAGE (VSENSE+ – VSENSE–) (mV)
0
CURRENT LIMIT DELAY (µs)
10
100
120
200
4229 G11
1
0.1
40 80 160
CHGATE = 10nF
CURRENT (mA)
0
OUTPUT LOW VOLTAGE (V)
0.4
1.0
3
5
4229 G12
0.2
0.8
0.6
0
1 2 4
VIN = 12V
VIN = 2.9V
10ms/DIV
IN
10V/DIV
OUT
10V/DIV
10V/DIV
DSNS
10V/DIV
4229 G13
CPO
DGATE
1ms/DIV
DOFF
5V/DIV
DSTAT
10V/DIV
DGATE
10V/DIV
DSNS
10V/DIV
4229 G14
20ms/DIV
UV
5V/DIV
PWRGD
10V/DIV
HGATE
10V/DIV
OUT
10V/DIV
4229 G15
20ms/DIV
UV
5V/DIV
PWRGD
10V/DIV
HGATE
10V/DIV
OUT
10V/DIV
4229 G16
LTC4229 L7 LJUW 7
LTC4229
7
4229f
For more information www.linear.com/LTC4229
pin FuncTions
CPO: Charge Pump Output. Connect a capacitor from
CPO to the DSRC pin. The value of this capacitor is ap-
proximately 10× the
gate capacitance (CISS) of the external
MOSFET for ideal diode control. The charge stored on this
capacitor is used to pull up the ideal diode MOSFET gate
during a fast turn-on. Leave this pin open if fast ideal diode
turn-on is not needed.
DCFG: Logic Input. Configures status indication of DFLT
output depending on diode sense (DSNS) connection.
Connect this pin to GND when the diode sense is only
across the ideal diode MOSFET. Connect to INTVCC when
the diode sense is across the ideal diode MOSFET, sense
resistor and Hot Swap MOSFET.
DFLT: Diode MOSFET Fault Status Output. This pin is pulled
low by an internal switch when the voltage between IN and
DSNS exceeds 250mV. The external ideal diode MOSFET
is not turned off during the fault. An internal 10µA current
source pulls this pin up to a diode below INTVCC. It may
be pulled above INTVCC using an external pull-up. Leave
open if unused.
DGATE: Ideal Diode MOSFET Gate Drive Output. Connect
this pin to the gate of an external N-channel MOSFET
for ideal diode control. An internal clamp limits the gate
voltage to 12V above and a diode voltage below DSRC.
During fast turn-on, a 1.5A pull-up charges DGATE from
CPO. During fast turn-off, a 1.5A pull-down discharges
DGATE to DSRC.
DOFF: Control Input. A rising edge above 1.235V turns off
the external ideal diode MOSFET and a falling edge below
1.215V allows the MOSFET to be turned on.
DSNS: Ideal Diode Output Voltage Sense Input. Connect
this pin to the output of either the ideal diode MOSFET or
the Hot Swap MOSFET for diode output sense. The voltage
sensed at this pin is used to control DGATE for forward
voltage regulation and reverse turn-off.
DSRC: Ideal Diode’s MOSFET Gate Drive Return. Connect
this pin to the source of the external N-channel MOSFET
switch. The gate fast pull-down current returns through
this pin when DGATE is discharged.
DSTAT: Diode MOSFET Status Output. Open drain output
that pulls low when the MOSFET gate drive voltage between
DGATE and DSRC exceeds 0.7V. Otherwise it goes high
impedance and requires an external pull-up resistor to a
positive supply as there is no internal 10µA current source
at this pin. Leave open if unused.
DTMR: Debounce Timer Capacitor Terminal. Connect
this pin to either INTVCC for fixed 100ms delay or an
external capacitor to ground for adjustable start-up delay
(123ms/µF) when EN toggles low.
EN: Enable Input. Ground this pin to enable Hot Swap con-
trol. If this pin is pulled high, the MOSFET is not allowed
to turn on. A 10µA current source pulls this pin up to a
diode below INTVCC. Upon EN going low when UV is high
and OV is low, there is a start-up delay for debounce as
configured at the DTMR pin, after which the fault is cleared.
Exposed Pad (UFD Package): The exposed pad may be
left open or connected to device ground.
FAULT: Overcurrent Fault Status Output. Output that pulls
low when the fault filter times out during an overcurrent
fault. Otherwise it is pulled high by a 10µA current source
to a diode below INTVCC. It may be pulled above INTVCC
using an external pull-up. Leave open if unused.
FB: Foldback and Power Good Comparator Input. Connect
this pin to an external resistive divider from OUT. If the
voltage falls below 1.215V, the PWRGD pin pulls high to
indicate the power is bad. If the voltage falls below 0.9V,
the output power is considered bad and the current limit
is reduced. Tie to INTVCC to disable foldback.
FTMR: Fault Timer Capacitor Terminal. Connect a capacitor
between this pin and ground to set a 12ms/µF duration
for current limit before the external Hot Swap MOSFET is
turned off. The duration of the off time is 11s/µF, resulting
in a 0.1% duty cycle.
GND: Device Ground.
LTC4229 8 L7LJ1‘JW
LTC4229
8
4229f
For more information www.linear.com/LTC4229
pin FuncTions
HGATE: Hot Swap MOSFET Gate Drive Output. Connect
this pin to the gate of the external N-channel MOSFET for
Hot Swap control. An internal 10µA current source charges
the MOSFET gate. An internal clamp limits the gate voltage
to 12V above and a diode voltage below OUT. During an
undervoltage or overvoltage generated turn-off, a 2mA
pull-down discharges HGATE to ground. During an output
short or INTVCC undervoltage lockout, a fast 200mA pull-
down discharges HGATE to OUT.
IN: Positive Supply Input. The 5V INTVCC supply is gener-
ated from IN, SENSE+ and OUT via an internal diode-OR.
The voltage sensed at this pin is used to control DGATE.
INTVCC: Internal 5V Supply Decoupling Output. This pin
must have a 0.1µF or larger capacitor. An external load of
less than 500µA can be connected at this pin. An undervolt-
age lockout threshold of 2.2V will turn off both MOSFETs.
OUT: Hot Swap’s MOSFET Gate Drive Return. Connect
this pin to the output side of the external MOSFET. The
gate fast pull-down current returns through this pin when
HGATE is discharged.
OV: Overvoltage Comparator Input. Connect this pin to an
external resistive divider from IN or SENSE+ to monitor
the supply overvoltage condition. If the voltage at this pin
rises above 1.235V, an overvoltage fault is detected and
the Hot Swap MOSFET turns off. Tie to GND if unused.
PWRGD: Power Status Output. Output that pulls low when
the FB pin rises above 1.235V and the MOSFET gate drive
between HGATE and OUT exceeds 4.2V. Otherwise it is
pulled high by a 10µA current source to a diode below
INTVCC. It may be pulled above INTVCC using an external
pull-up. Leave open if unused.
RTMR: Auto-Retry Timer Capacitor Terminal. Connect this
pin to INTVCC for fault latch off. Leave open for auto-retry
with 0.1% duty cycle after a fault. Connect an external
capacitor to extend the Hot Swap MOSFET off time set
by the FTMR pin capacitor to less than 0.1% auto-retry
duty cycle after a fault.
SENSE+: Positive Current Sense Input. Connect this pin to
the input of the current sense resistor. The voltage sensed
at this pin is used for monitoring the current limit. This
pin has an undervoltage lockout threshold of 1.9V that
will turn off the Hot Swap MOSFET.
SENSE: Negative Current Sense Input. Connect this pin
to the output of the current sense resistor. The current
limit circuit controls HGATE to limit the voltage between
SENSE+ and SENSE to 25mV or less depending on the
voltage at the FB pin.
UV: Undervoltage Comparator Input. Connect this pin to
an external resistive divider from IN or SENSE+ to monitor
the supply undervoltage condition. If the voltage at this
pin falls below 1.155V, an undervoltage fault is detected
and the Hot Swap MOSFET turns off. Pulling the UV pin
below 0.6V resets the fault latch after an overcurrent fault.
Tie to INTVCC if unused.
LTC4229 Hfi H H HHE H H A Hm: “I m: 3 Hi: H1 L7 LJUW
LTC4229
9
4229f
For more information www.linear.com/LTC4229
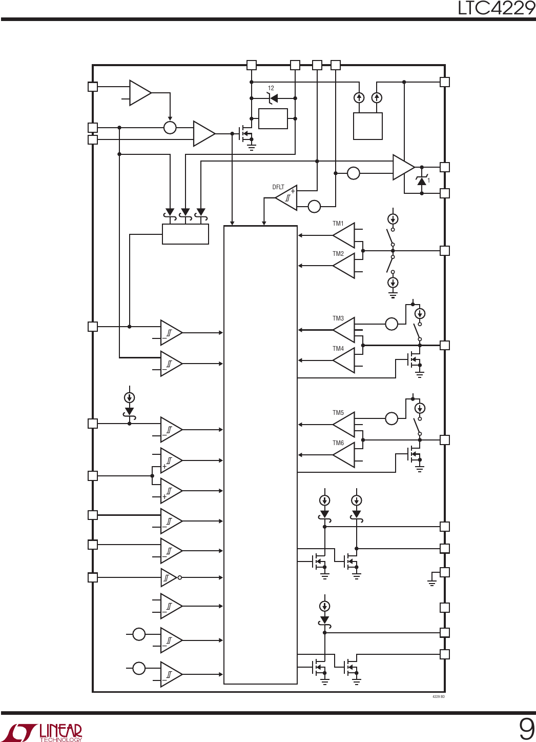
block DiagraM
+
DSRC
DSTAT
DGATE
0.7V
+
+
CL
+
+
OUT
PG2
HGATE
DCFG
4.2V
+
+
1.235V
PG1
FB
+
1.235V
DOFF
DGATE OFF
LOGIC
5V LDO
DOFF
+
1.235V
OV
HGATE OFF
OV
+
1.235V
INTVCC
EN
10µA
INTVCC
EN
4229 BD
DFLT
GND
EXPOSED PAD
+
1.9V
UVLO2
GATE
DRIVER CHARGE
PUMP
f = 2MHz
+
2.2V
UVLO1
INTVCC
0.9V
FOLDBACK
FB
SENSE+
SENSE
+
+
0.6V
RST
FAULT RESET
1.235V
UV
UV
TM5
TM6
HGATE ON
+
+
INTVCC
10µA
DSTAT
INTVCC
10µA
100µA10µA
0.2V
1.235V
RTMR
FAULT
INTVCC
10µA
PWRGD
0.1V
+
10µA
INTVCC
TM3
TM4
+
+
0.2V
+
1.235V
DTMR
0.1V
+
10µA
INTVCC
TM1
DFLT
TM2
+
+
0.2V
1.235V
FTMR
DGATE
CPO
DSRC
50mV
GD
100µA
2µA
HGATE
12V
IN DSNSOUT
+
+
250mV
+
12V
LTc4229
LTC4229
10
4229f
For more information www.linear.com/LTC4229
operaTion
The LTC4229 functions as an ideal diode with inrush cur-
rent limiting and overcurrent protection. It controls two
external N-channel MOSFETs on a supply path, a diode
MOSFET (MD) and a Hot Swap MOSFET (MH).
When the LTC4229 is first powered up, the gates of the
external MOSFETs are held low, keeping them off. The gate
drive amplifier (GD) monitors the voltage between the IN
and DSNS pins and drives the DGATE pin. The amplifier
quickly pulls up the DGATE pin, turning on the MOSFET for
ideal diode control, when it senses a large forward voltage
drop. An external capacitor connected between the CPO
and DSRC pins provides the charge needed to quickly
turn on the ideal diode MOSFET. An internal charge pump
charges up this capacitor at device power-up. The DGATE
pin sources current from the CPO pin and sinks current
into the DSRC and GND pins. When the DGATE to DSRC
voltage exceeds 0.7V, the DSTAT pin pulls low to indicate
that the ideal diode MOSFET is turned on.
If the LTC4229 is out of undervoltage and overvoltage
conditions, pulling the EN pin low initiates a debounce
timing cycle that can be a fixed 100ms or adjustable delay
as configured at the DTMR pin. After this timing cycle, a
10µA current source from the charge pump ramps up
the HGATE pin. When the Hot Swap MOSFET turns on,
the inrush current is limited at a level set by an external
sense resistor (RS) connected between the SENSE+ and
SENSE pins. An active current limit amplifier (CL) servos
the gate of the MOSFET to 25mV or less across the cur-
rent sense resistor depending on the voltage at the FB
pin. Inrush current can be further reduced, if desired, by
adding a capacitor from HGATE to GND. When FB voltage
rises above 1.235V and the MOSFET’s gate drive (HGATE
to OUT voltage) exceeds 4.2V, the PWRGD pin pulls low.
When both of the MOSFETs are turned on, the gate drive
amplifier controls DGATE to servo the forward voltage
drop (VINVDSNS) across the sense resistor and the two
MOSFETs to 50mV if DSNS and OUT pins are connected
together. If the load current causes more than 50mV of
voltage drop, the DGATE voltage rises to enhance the
MOSFET used for ideal diode control. For large output
currents, the ideal diode MOSFET is driven fully on and the
voltage
drop across the MOSFETs is equal to the sum of the
ILOAD RDS(ON) of the two MOSFETs in series. However, if
DSNS and SENSE+ pins are connected together, the gate
drive amplifier attempts to regulate 50mV across the ideal
diode MOSFET only regardless of the ILOAD RDS(ON) drop
across the Hot Swap MOSFET.
In the case of an input supply short circuit when the MOS-
FETs are conducting, a large reverse current starts flowing
from the load towards the input. The gate drive amplifier
detects this failure condition and turns off the ideal diode
MOSFET by pulling down the DGATE pin.
In the case where an overcurrent fault occurs on the supply
output, the current is limited with foldback. After a delay
set by 100µA charging the FTMR pin capacitor, the fault
filter times out and pulls the HGATE pin low, turning off
the Hot Swap MOSFET. The FAULT pin is also latched low.
At this point, the DGATE pin continues to pull high and
keeps the ideal diode MOSFET on.
Internal clamps limit both the DGATE to DSRC and CPO to
DSRC voltages to 12V. The same clamps also limit the CPO
and DGATE pins to a diode voltage below the DSRC pin.
Another internal clamp limits the HGATE to OUT voltage
to 12V and also clamps the HGATE pin to a diode voltage
below the OUT pin.
Power to the LTC4229 is supplied from either the IN,
SENSE+ or OUT pins, through an internal diode-OR circuit
to a low dropout regulator (LDO). That LDO generates a
5V supply at the INTVCC pin and powers the LTC4229’s
internal low voltage circuitry
LTC4229 PLUGVIN .||.o— L7 LJUW 1 1
LTC4229
11
4229f
For more information www.linear.com/LTC4229
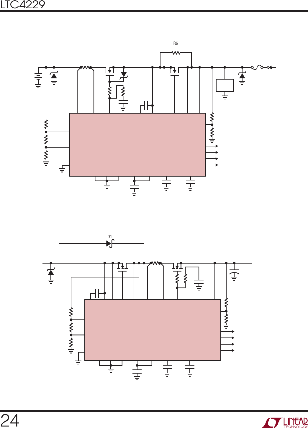
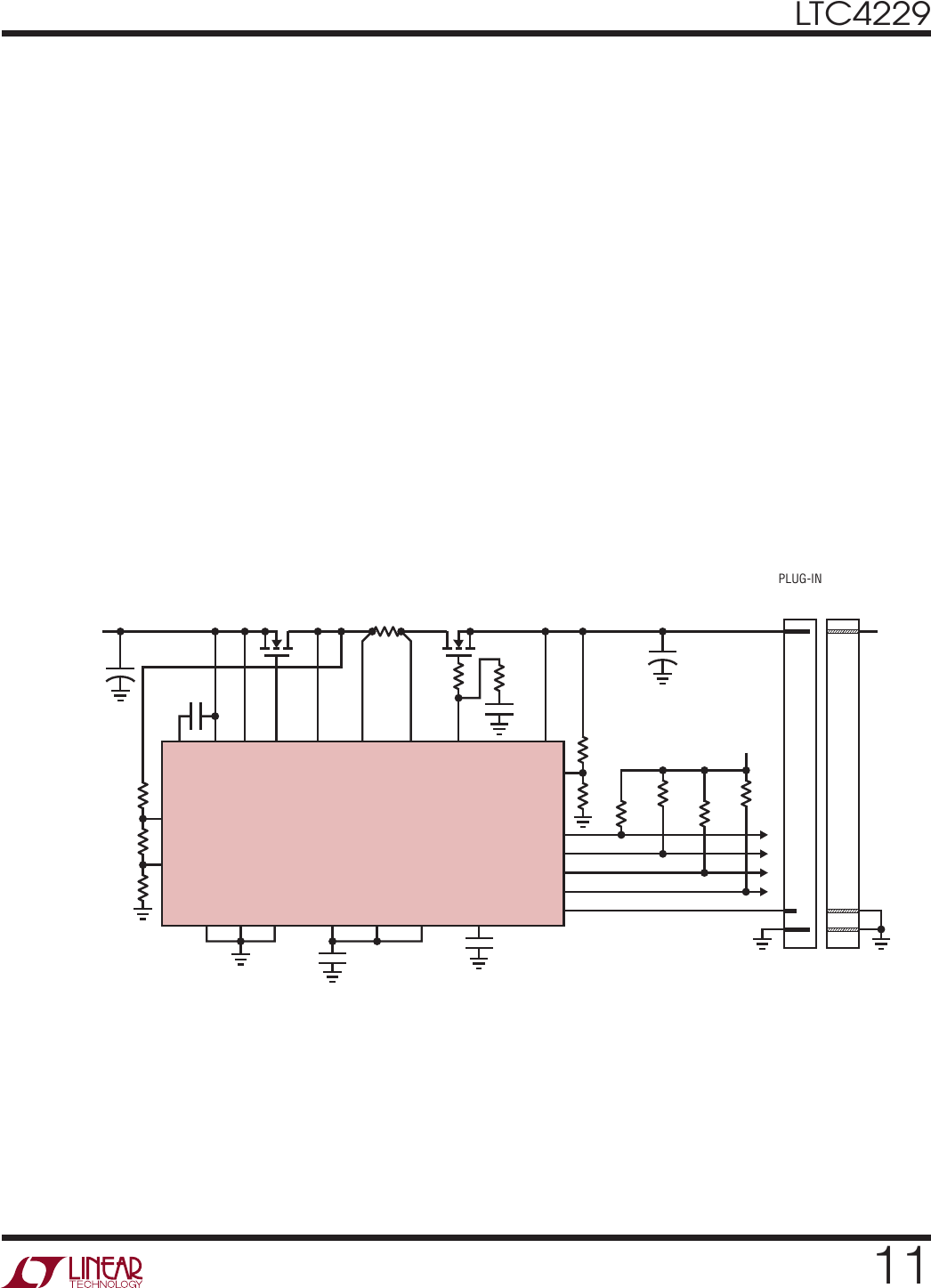
High availability systems often employ parallel-connected
power supplies or battery feeds to achieve redundancy
and enhance system reliability. Power ORing diodes are
commonly used to connect these supplies at the point
of load at the expense of power loss due to significant
diode forward voltage drop. The LTC4229 minimizes this
power loss by using an external N-channel MOSFET as
the pass element, allowing for a low voltage drop from the
supply to the load when the MOSFET is turned on. When
an input source voltage drops below the output common
supply voltage, the appropriate MOSFET is turned off,
thereby matching the function and performance of an ideal
diode. By adding a current sense resistor in between the
two external MOSFETs that are separately controlled, the
LTC4229 enhances the ideal diode performance with inrush
current limiting and overcurrent protection (see Figure 1).
This allows the board to be safely inserted and removed
from a live backplane without damaging the connector.
applicaTions inForMaTion
Internal VCC Supply
The LTC4229 operates with an input supply from 2.9V to
18V. The power supply to the device is internally regulated
at 5V by a low dropout regulator (LDO) with an output at
the INTVCC pin. An internal diode-OR circuit selects the
highest of the supplies at the IN, SENSE+ and OUT pins to
power the device through the LDO. The diode-OR scheme
permits the device’s power to be kept alive by the OUT
voltage when the IN and SENSE+ supplies have collapsed
or shut off.
An undervoltage lockout circuit prevents all of the MOSFETs
from turning on until the INTVCC voltage exceeds 2.2V. A
0.1µF capacitor is recommended between the INTVCC and
GND pins, close to the device for bypassing. No external
supply should be connected at the INTVCC pin so as not
to affect the LDO’s operation. A small external load of less
than 500µA can be connected at the INTVCC pin.
Figure 1. Plug-In Card Supplying 12V Power to Backplane
R6
100k
R7
100k R8
100k
R9
100k
DCFGDOFF EN
4229 F01
DFLT
GND INTVCC
FB
SENSE+SENSE
UV
OV DSTAT
RTMR
FAULT
PWRGD
DTMR FTMR
CPO DSRC HGATEIN DSNS
BACKPLANE
OUT
RH
10Ω
RHG
1k
CL
680µF
CHG
10nF
VIN
12V
V
OUT
7.6A
BULK SUPPLY
BYPASS
CAPACITOR
MH
SiR818DP
PLUG-IN
SUPPLY
CARD
VSENSE+
DGATE
MD
SiR818DP
RS
0.0025Ω
R3
21.5k
R2
1.1k
R1
2k
++
C2
0.1µF
CFT
0.1µF
R5
15k
R4
2k
LTC4229
C1
0.1µF
LTc4229 —»f— R5 1+1 Iw1l$l # b? —> R5 P)? Bifilfl C—L Tl T a i—Ifl
LTC4229
12
4229f
For more information www.linear.com/LTC4229
applicaTions inForMaTion
Figure 2. DSNS and DCFG Configurations
DSNS and DCFG Configuration
The LTC4229 features the DSNS and DCFG pins that allow
a diode-OR circuit output to be configured either at the
SENSE+ or OUT pin (see Figure 2). If DSNS is connected
to SENSE+, the forward voltage is sensed across the ideal
diode MOSFET MD. As the Hot Swap MOSFET MH is not
part of the diode sensing, connect the DCFG pin to GND
so that the Hot Swap MOSFET gate overdrive will not be
considered as a criterion for the ideal diode MOSFET fault
status indication at the DFLT pin. If DSNS is connected to
OUT, the forward voltage is sensed across the ideal diode
MOSFET, sense resistor and Hot Swap MOSFET. Since
the Hot Swap MOSFET is part of the diode sensing and is
turned off at start-up, the DFLT pin may be falsely pulled
low to indicate an open ideal diode MOSFET fault when the
forward voltage exceeds 250mV. For such a configuration,
connect DCFG pin to INTVCC so that the Hot Swap MOSFET
gate overdrive condition will be considered to avoid false
indication of the DFLT output status.
Turn-On Sequence
The board power supply at the OUT pin is controlled with
two external N-channel MOSFETs (MD, MH) in Figure 1. The
MOSFET MD on the supply side functions as an ideal diode,
while MH on the load side acts as a Hot Swap controlling
the power supplied to the output load. The sense resistor
RS monitors the load current for overcurrent detection. The
HGATE capacitor CHG controls the gate slew rate to limit
the inrush current. Resistor RHG with CHG compensates
the current control loop, while RH prevents high frequency
oscillations in the Hot Swap MOSFET.
During a normal power-up, the ideal diode MOSFET turns
on first. As soon as the internally generated supply, INTVCC,
rises above its 2.2V undervoltage lockout threshold, the
internal charge pump is allowed to charge up the CPO pin.
The gate drive amplifier controls the gate of the ideal diode
MOSFET, to servo its forward voltage drop between the IN
and DSNS pins to 50mV. If the forward drop is large, the
gate drive amplifier will cause DGATE to be pulled up to
the CPO pin voltage and drive the MOSFET gate fully on.
Before the Hot Swap MOSFET can be turned on, the UV
and OV pin voltage requirements should be met and EN
must remain low for a debounce cycle as configured at the
DTMR pin, to ensure that any contact bounces during the
insertion have ceased. At the end of the debounce cycle,
the internal fault latch is cleared. The Hot Swap MOSFET
is then allowed to turn on by charging up HGATE with a
10µA current source from the charge pump. The voltage
at the HGATE pin rises with a slope equal to 10µA/CHG and
the supply inrush current flowing into the load capacitor
CL is limited to:
IINRUSH =
C
L
C
HG
10µA
The OUT voltage follows the HGATE voltage when the Hot
Swap MOSFET turns on. If the voltage across the current
sense resistor RS becomes too high based on the FB pin
voltage, the inrush current will be limited by the internal
current limiting circuitry. Once the MOSFET gate overdrive
exceeds 4.2V and the FB pin voltage is above 1.235V, the
PWRGD pin pulls low to indicate that the power is good.
DCFG
LTC4229*
*ADDITIONAL DETAILS OMITTED FOR CLARITY
4229 F02
DFLT
GND
SENSE+SENSE
INTVCC
HGATEIN DSNS
V
IN2
OUT
V
IN1 V
OUT
MH
DGATE
MDRS
D1
C1
DCFG
LTC4229* DFLT
GND
SENSE+SENSE
INTVCC
HGATEIN DSNS
V
IN2
OUT
V
IN1 VOUT
MH
DGATE
MDRS
D1
C1
LTC4229 L7HEJWEGR 1 3
LTC4229
13
4229f
For more information www.linear.com/LTC4229
applicaTions inForMaTion
Once OUT reaches the input supply voltage, HGATE con-
tinues to ramp up. An internal 12V clamp limits the HGATE
voltage above OUT.
Turn-Off Sequence
The external MOSFETs can be turned off by a variety of
conditions. A normal turn-off for the Hot Swap MOSFET is
initiated by pulling the UV pin below its 1.155V threshold
(80mV UV pin hysteresis), or pulling the EN pin above its
1.235V threshold. Additionally, an overvoltage fault or
overcurrent fault that exceeds the fault filter time-out also
turns off the Hot Swap MOSFET. Normally, the LTC4229
turns off the MOSFET by pulling the HGATE pin to ground
with a 2mA current sink.
All of the MOSFETs turn off when INTVCC falls below its
undervoltage lockout threshold (2.2V). The DGATE pin is
pulled down with a 100µA current to one diode voltage
below the DSRC pin, while the HGATE pin is pulled down
to the OUT pin by a 200mA current.
The gate drive amplifier controls the ideal diode MOSFET to
prevent reverse current when the input supply falls below
DSNS (connects to either SENSE+ or OUT). If the input
supply collapses quickly, the gate drive amplifier turns
off the ideal diode MOSFET with a fast pull-down circuit.
If the input supply falls at a more modest rate, the gate
drive amplifier controls the MOSFET to maintain DSNS
at 50mV below IN.
Board Presence Detect with EN
After the input has settled to within the OV and UV limits,
and the EN pin goes low indicating a board presence, the
LTC4229 initiates a timing cycle as configured at the DTMR
pin for contact debounce. It defaults to internal 100ms
delay if DTMR is tied to INTVCC. If an external capacitor
CDT is connected from the DTMR pin to GND, the delay
is given by charging the capacitor to 1.235V with a 10µA
current. Thereafter, the capacitor is discharged to ground
by a 5mA current. For a given debounce delay, the equation
for setting the external capacitor CDT value is:
CDT = tDB • 0.0081 [µF/ms]
Upon board insertion, any bounces on the EN pin restart
the timing cycle. When the debounce timing cycle is done,
the internal fault latch is cleared. If the EN pin remains low
at the end of the timing cycle, HGATE is charged up with
a 10µA current source to turn on the Hot Swap MOSFET.
If the EN pin goes high, indicating a board removal, the
HGATE pin is pulled low with a 2mA current sink after a
20µs delay, turning off the Hot Swap MOSFET without
clearing any latched fault.
Overcurrent Fault
The LTC4229 features an adjustable current limit with
foldback that protects the external MOSFET against short
circuits or excessive load current. The voltage across the
external sense resistor RS is monitored by an active current
limit amplifier. The amplifier controls the gate of the Hot
Swap MOSFET to reduce the load current as a function of
the output voltage sensed by the FB pin during active current
limit. A graph in the Typical Performance Characteristics
shows the current limit sense voltage versus FB voltage.
An overcurrent fault occurs when the output has been in
current limit for longer than the fault filter delay configured
at the FTMR pin. Current limiting begins when the sense
voltage between the SENSE+ and SENSE pins reaches
8.3mV to 25mV depending on the FB pin voltage. The
gate of the Hot Swap MOSFET is brought under control
by the current limit amplifier and the output current is
regulated to limit the sense voltage to less than 25mV. At
this point, the fault filter starts the timeout with a 100µA
current charging the FTMR pin capacitor. If the FTMR
pin voltage exceeds its 1.235V threshold, the external
MOSFET turns off with HGATE pulled to ground by 2mA,
and FAULT pulls low.
After the Hot Swap MOSFET turns off, the FTMR pin ca-
pacitor is discharged with aA pull-down current until
its threshold reaches 0.2V. This is followed by a cool-off
period of 14 timing cycles as described in the FTMR Pin
Functions. Figure 3 shows an overcurrent fault on the
12V output.
LTc4229
LTC4229
14
4229f
For more information www.linear.com/LTC4229
applicaTions inForMaTion
In the event of a severe short-circuit fault on the 12V
output as shown in Figure 4, the output current can surge
to tens of amperes. The LTC4229 responds withins to
bring the current under control by pulling the HGATE to
OUT voltage down to zero volts. Almost immediately, the
gate of the Hot Swap MOSFET recovers rapidly due to the
charge stored in the RHG and CHG network, and current
is actively limited until the fault filter times out. Due to
parasitic supply lead inductance, an input supply without
any bypass capacitor may collapse during the high cur-
rent surge and then spike upwards when the current is
interrupted. Figure 13 shows the input supply transient
suppressors consisting of Z1, RSNUB and CSNUB for the
supply if there is no input capacitance.
FTMR Pin Functions
An external capacitor CFT connected from the FTMR pin
to GND serves as fault filtering when the supply output is
in active current limit. When the voltage across the sense
Figure 3. Overcurrent Fault on 12V Output
Figure 4. Severe Short-Circuit on 12V Output
resistor exceeds the foldback current limit threshold (from
25mV to 8.3mV), FTMR pulls up with 100µA. Otherwise,
it pulls down withA. The fault filter times out when the
1.235V FTMR threshold is exceeded, causing the FAULT
pin to pull low. For a given fault filter delay, the equation
for setting the external capacitor CFT value is:
CFT = tFF • 0.083 [µF/ms]
After the fault filter timeout, the FTMR pin capacitor pulls
down withA from the 1.235V FTMR threshold until it
reaches 0.2V. Then, it completes 14 cooling cycles consist-
ing of the FTMR pin capacitor charging to 1.235V with a
100µA current and discharging to 0.2V with aA current.
At that point, the HGATE pin voltage is allowed to start up
if the fault has been cleared as described in the Resetting
Fault section. When the latched fault is cleared during the
cool-off period, the FAULT pin pulls high. The total cool-off
time for the MOSFET after an overcurrent fault is:
tCOOL = CFT • 11 [s/µF]
After the cool-off period, the HGATE pin is only allowed
to pull up if the fault has been cleared for the latchoff
configuration. For the auto-retry configuration, the latched
fault is cleared automatically following the extended cool-
off period and the HGATE pin voltage is allowed to restart.
Resetting Fault
For the latchoff configuration with the RTMR pin tied to
INTVCC, an overcurrent fault is latched after fault filter
times out, and the FAULT pin is asserted low. To reset a
latched fault and restart the output, pull the UV pin below
0.6V for more than 100µs and then high above 1.235V.
The fault latch resets and the FAULT pin deasserts on the
falling edge of the UV pin. When UV goes high again, a
debounce timing cycle is initiated before the HGATE pin
voltage restarts. Toggling the EN pin high and then low again
also resets a fault, but the FAULT pin pulls high at the end
of the debounce cycle before the HGATE pin voltage starts
up. Bringing the supply below the INTVCC undervoltage
lockout threshold (2.2V) shuts off all the MOSFETs and
resets the fault latch. A debounce cycle is initiated before
a normal start-up when the supply is restored above the
INTVCC UVLO threshold.
200µs/DIV
OUT
10V/DIV
HGATE
10V/DIV
ILOAD
20A/DIV
4229 F03
5µs/DIV
OUT
10V/DIV
HGATE
10V/DIV
ILOAD
20A/DIV
4229 F04
LTC4229 ‘MMWN ///////'//////// L7HEJWEGR 1 5
LTC4229
15
4229f
For more information www.linear.com/LTC4229
applicaTions inForMaTion
Auto-Retry After a Fault
For the auto-retry configuration, if the RTMR pin is left
open, the latched fault is reset automatically at the end of
the cool-off period as described in the FTMR Pin Functions
section. In this case, the auto-retry duty cycle is equal to
0.1%, irrespective of CFT. If an external capacitor CRT is
connected from the RTMR pin to GND, the cool-off time can
be further extended by another 15 cooling cycles consist-
ing of the RTMR pin capacitor charging to 1.235V with a
10µA current and discharging to 0.2V with a 5mA current.
For a given additional cool-off time for the MOSFET, the
equation for setting the external capacitor CRT value is:
CRT = tXCOOL • 0.54 [µF/s]
At the end of the extended cool-off period, the fault latch
is cleared and FAULT pulls high. The HGATE pin voltage
is allowed to start up and turn on the Hot Swap MOSFET.
If the output short persists, the supply powers up into a
short with active current limiting until the fault filter times
out and FAULT again pulls low. A new extended cool-off
cycle begins with FTMR ramping down with aA current.
The whole process repeats itself until the output short is
removed.
The auto-retry duty cycle is given by:
Duty Cycle =
t
FF
t
COOL
+t
XCOOL
100%
For example, if CFT = 0.1µF, CRT = 1µF and tFF = 1.2ms,
the auto-retry duty cycle is calculated as 0.04%. Figure 5
shows an auto-retry sequence after an overcurrent fault.
Monitor Overvoltage and Undervoltage Faults
Both the OV and UV pins function as an input supply
monitor while UV pin also functions as a turn-on control.
A resistive divider connected between the input supply
(IN or SENSE+) and GND at the OV and UV pins monitors
the supply for overvoltage and undervoltage conditions.
The overvoltage and undervoltage thresholds are set by
proper selection of the resistors at their respective OV and
UV rising threshold voltage (1.235V).
For Figure 1, if R1 = 2k, R2 = 1.1k and R3 = 21.5k, the
input supply overvoltage and undervoltage thresholds are
set to 15.2V and 9.8V respectively.
An overvoltage fault occurs if the input supply rises above
its overvoltage threshold. The Hot Swap MOSFET is
turned off by a 2mA pull-down from HGATE to ground. If
the input supply subsequently falls below its overvoltage
threshold, the Hot Swap MOSFET is allowed to turn on
immediately. The OV pin voltage is 1.215V when falling
out of overvoltage.
An undervoltage fault occurs if the input supply falls below
its undervoltage threshold. If the UV pin voltage falls below
1.155V but remains above 0.6V, the Hot Swap MOSFET
is turned off by a 2mA pull-down from HGATE to ground.
The Hot Swap MOSFET turns back on instantly without
the debounce cycle when the input supply rises above its
undervoltage threshold. However, if the UV pin voltage
drops below 0.6V, it turns off the Hot Swap MOSFET and
clears the fault latch. The Hot Swap MOSFET turns back
on only after a debounce cycle when the input supply is
restored above its undervoltage threshold.
During the overvoltage and undervoltage fault conditions,
FAULT will not be pulled low but PWRGD will be pulled
high as HGATE is pulled low. The ideal diode function
controlled by the ideal diode MOSFET is not affected by
the OV and UV fault conditions.
Power Good Monitor
Internal circuitry monitors the MOSFET gate overdrive
between the HGATE and OUT pins. Also, the FB pin that
connects to OUT through a resistive divider is used to
determine a power good condition. The power good
Figure 5. Auto-Retry Sequence After a Fault
500ms/DIV
RTMR
2V/DIV
FTMR
2V/DIV
FAULT
10V/DIV
OUT
10V/DIV
4229 F05
LTc4229 AV
LTC4229
16
4229f
For more information www.linear.com/LTC4229
applicaTions inForMaTion
comparator drives high when the FB pin rises above
1.235V, and drives low when FB falls below 1.215V. The
power good status for the input supply is reported via an
open-drain output, PWRGD. It is normally pulled high by
an external pull-up resistor or the internal 10µA pull-up.
The PWRGD pin pulls low when the FB power good com-
parator is high and the HGATE drive exceeds 4.2V. The
PWRGD pin goes high when the HGATE is turned off by the
UV, OV or EN pins, or when the FB power good comparator
drives low, or when INTVCC enters undervoltage lockout.
CPO and DGATE Start-Up
In applications where a single ideal diode MOSFET is placed
on the supply side, CPO is initially pulled up to a diode
below the DSRC pin when first powered up (see Figure
13). In back-to-back MOSFETs applications, CPO starts
off at 0V, since DSRC is near ground (see Figure14). CPO
starts ramping ups after INTVCC clears its undervolt-
age lockout level. Another 40µs later, DGATE also starts
ramping up with CPO. The CPO ramp rate is determined
by the CPO pull-up current into the combined CPO and
DGATE pin capacitances. An internal clamp limits the
CPO pin voltage to 12V above the DSRC pin, while the
final DGATE pin voltage is determined by the gate drive
amplifier. An internal 12V clamp limits the DGATE pin
voltage above DSRC.
CPO Capacitor Selection
The recommended value of the capacitor between the CPO
and DSRC pins is approximately 10× the input capacitance
CISS of the ideal diode MOSFET. A larger capacitor takes a
correspondingly longer time to charge up by the internal
charge pump. A smaller capacitor suffers more voltage
drop during a fast gate turn-on event as it shares charge
with the MOSFET gate capacitance.
MOSFET Selection
The LTC4229 drives N-channel MOSFETs to conduct the
load current. The important features of the MOSFETs are
on-resistance RDS(ON), the maximum drain-source voltage
BVDSS and the threshold voltage.
The gate drive for the ideal diode and Hot Swap MOSFET is
guaranteed to be greater than 5V when the supply voltage
at IN is between 2.9V and 7V. When the supply voltage
at IN is greater than 7V, the gate drive is guaranteed to
be greater than 10V. The gate drive is limited to 14V. An
external Zener diode can be used to clamp the potential
from the MOSFET’s gate to source if the rated breakdown
voltage is less than 14V.
The maximum allowable drain-source voltage BVDSS
must be higher than the supply voltage including supply
transients as the full supply voltage can appear across the
MOSFET. If an input or output is connected to ground, the
full supply voltage will appear across the MOSFET. The
RDS(ON) should be small enough to conduct the maximum
load current, and also stay within the MOSFET’s power
rating.
Supply Transient Protection
When the capacitances at the input and output are very
small, rapid changes in current during input or output
short-circuit events can cause transients that exceed the
24V absolute maximum ratings of the IN and OUT pins.
To minimize such spikes, use wider traces or heavier
trace plating to reduce the power trace inductance. Also,
bypass locally with a 10µF electrolytic and 0.1µF ceramic,
or alternatively clamp the input with a transient voltage
suppressor Z1. A 100Ω, 0.1µF snubber damps the response
and eliminates ringing (see Figure 13).
Design Example
As a design example for selecting components, consider
a 12V system with a 7.6A maximum load current for the
input supply (see Figure 1).
First, select the appropriate value of the current sense
resistor RS for the 12V supply. Calculate the sense resistor
value based on the maximum load current ILOAD(MAX) and
the lower limit for the current limit sense voltage threshold
∆VSENSE(TH)(MIN).
RS=Δ
V
SENSE(TH)(MIN)
ILOAD(MAX)
=22.5mV
7.6A =2.9mΩ
Choose a 2.5mΩ sense resistor with a 1% tolerance.
Next, calculate the RDS(ON) of the ideal diode MOSFET
to achieve the desired forward drop at maximum load.
LTC4229 AVFWD 50mV l 2 cL -\/IN esopF-12v IINRUSH ECL (1 ) L7HDN§QB 1 7
LTC4229
17
4229f
For more information www.linear.com/LTC4229
applicaTions inForMaTion
Assuming a forward drop, ∆VFWD of 50mV across the
ideal diode MOSFET:
RDS(ON) Δ
V
FWD
ILOAD(MAX)
=
50mV
7.6A =6.5mΩ
The SiR818DP offers a good choice with a maximum
RDS(ON) of 2.8at VGS = 10V. The input capacitance
CISS of the SiR818DP is about 3660pF. Slightly exceeding
the 10× recommendation, a 0.1µF capacitor is selected
for C2 at the CPO pin.
Next, verify that the thermal ratings of the selected Hot
Swap MOSFET are not exceeded during power-up or an
overcurrent fault.
Assuming the MOSFET dissipates power due to inrush
current charging the load capacitor CL at power-up, the
energy dissipated in the MOSFET is the same as the energy
stored in the load capacitor, and is given by:
ECL =
1
2
CLVIN2
For CL = 680µF, the time it takes to charge up CL is cal-
culated as:
tCHARGE =
C
L
V
IN
IINRUSH
=
680µF 12V
1A =8ms
The inrush current is set to 1A by adding capacitance CHG
at the gate of the Hot Swap MOSFET.
CHG =
C
L
I
HGATE(UP)
I
INRUSH
=680µF 10µA
1A =6.8nF
Choose a practical value of 10nF for CHG.
The average power dissipated in the MOSFET is calculated as:
PAVG =ECL
tCHARGE
=1
2680µF 12V
( )
2
8ms =6W
The MOSFET selected must be able to tolerate 6W for 8ms
during power-up. The SOA curves of the SiR818DP provide
45W (1.5A at 30V) for 100ms. This is sufficient to satisfy
the requirement. The increase in junction temperature due
to the power dissipated in the MOSFET isT = PAVG ZthJC
where ZthJC is the junction-to-case thermal impedance.
Under this condition, the SiR818DP data sheet indicates
that the junction temperature will increase byC using
ZthJC = 0.5°C/W (single pulse).
Next, the power dissipated in the MOSFET during an
overcurrent fault must be safely limited. The fault timer
capacitor (CFT) is used to prevent power dissipation in
the MOSFET from exceeding the SOA rating during active
current limit. A good way to determine a suitable value
for CFT is to superimpose the foldback current limit profile
shown in the Typical Performance Characteristics on the
MOSFET data sheet’s SOA curves.
For the SiR818DP MOSFET, this exercise yields the plot
in Figure 6.
VDS – DRAIN-TO-SOURCE VOLTAGE (V)
ID – DRAIN CURRENT (A)
4229 F06
100
10
1
0.1
0.01
0.01 10 10010.1
1ms
10ms
100ms
1s
10s
DC
BVDSS LIMITED
* VGS > MINIMUM VGSAT WHICH RDS(ON) IS SPECIFIED
ID LIMITED
IDM LIMITED
LIMITED BY RDS(ON)*
MOSFET POWER
DISSIPATION CURVE
RESULTING FROM
FOLDBACK ACTIVE
CURRENT LIMIT
Figure 6. SiR818DP SOA with Design Example
MOSFET Power Dissipation Superimposed
As can be seen, the LTC4229’s foldback current limit
profile roughly coincides with the 100ms SOA contour.
Since this SOA plot is for an ambient temperature of 25°C
only, a maximum fault filter time of much less than 100ms
should be considered, such as 10ms or less. Selecting a
0.1μF ± 10% value for CFT yields a maximum fault filter
time of 1.75ms which should be small enough to protect
the MOSFET during any overcurrent fault scenario.
Next, select the values for the resistive divider at the OV
and UV pins that define the overvoltage and undervoltage
threshold of 15.2V and 9.8V respectively for the 12V input
supply. Since the leakage currents for the OV and UV pins
can be as high as ±1μA each, the total resistance in the
divider should be low enough to minimize the resulting
LTC4229 CURRENT FLDW CURRENT FLOW 1 8 me
LTC4229
18
4229f
For more information www.linear.com/LTC4229
applicaTions inForMaTion
offset errors. Calculate the bottom resistor R1 based on
the following equation to obtain less than ±0.5% error
due to leakage current.
R1=VOV(TH)
2IIN(LEAK)
0.5% =1.235V
2µA
0.5% =3k
Choose R1 to be 2k to achieve less than ±0.5% error and
calculating R2/R3 yields:
R2 =V
IN(OV)
V
IN(UV)
– 1
R1=15.2V
9.8V 1
2k =1.1k
R3 =V
IN(UV)
V
UV(TH)
– 1
(R1+R2)
R3 =9.8V
1.235V – 1
(2k +1.1k) =21.5k
The worst case OV and UV threshold offset voltage errors
resulting from the total UV and OV pin leakage current
(2 IIN(LEAK)) that flows into R3, are calculated as ±0.29%
and ±0.44% respectively.
It remains to select the values for the FB pin resistive
divider in order to set a power good threshold of 10.5V.
Keeping in mind the FB pin’s ±1μA leakage current, choose
a value of 2k for the bottom resistor R4. Calculating the
top resistor R5 value yields:
R5 =VOUT(PG)
V
FB(TH)
1
R4 =10.5V
1.235V 1
2k =15k
The subsequent offset error due to the FB pin leakage
current will be less than ±0.14%.
The final component to consider is a 0.1µF bypass (C1)
at the INTVCC pin.
PCB Layout Considerations
To achieve accurate current sensing, a Kelvin connection
for the sense resistor is recommended. The PCB layout
should be balanced and symmetrical to minimize wiring
errors. In addition, the PCB layout for the sense resistor
and the power MOSFET should include good thermal
management techniques for optimal device power dissipa-
tion. A recommended PCB layout is illustrated in Figure 7.
Connect the IN and OUT pin traces as close as possible to
the MOSFET’s terminals. Keep the traces to the MOSFETs
wide and short to minimize resistive losses. The PCB traces
associated with the power path through the MOSFETs
should have low resistance. The suggested trace width for
Figure 7. Recommended PCB Layout for Power MOSFETs and Sense Resistor
C1
MH
PowerPAK SO-8
D
D
D
D
S
S
S
G
OUT
CURRENT FLOW
TO LOAD
TRACK WIDTH W:
0.03" PER AMPERE
ON 1oz Cu FOIL
VIA TO GND PLANE
W
MD
PowerPAK SO-8
G
S
S
S
D
D
D
D
IN
CURRENT FLOW
TO LOAD
W
RH
C2
Z1
8 9 10 11 12
24 23 22
LTC4229UFD
21 20
6
5
4
3
2
1
7
14
15
16
17
18
19
13
RS
4229 F07
LTC4229 L7HEJWEGR 1 9
LTC4229
19
4229f
For more information www.linear.com/LTC4229
applicaTions inForMaTion
1oz copper foil is 0.03" for each ampere of DC current to
keep PCB trace resistance, voltage drop and temperature
rise to a minimum. Note that the sheet resistance of 1oz
copper foil is approximately 0.5mΩ/square, and voltage
drops due to trace resistance add up quickly in high cur-
rent applications.
It is also important to place the bypass capacitor C1 for
the INTVCC pin, as close as possible between INTVCC and
GND. Also place C2 near the CPO and DSRC pins. The
transient voltage suppressor Z1, when used, should be
mounted close to the LTC4229 using short lead lengths.
Flexible Configuration for Ideal Diode and Hot Swap
MOSFET
The LTC4229 offers the flexibility to swap the ordering of
the MD and MH N-channel MOSFETs for the ideal diode
and Hot Swap control respectively between the supply
and load side.
Figure 8 shows a configuration that allows two input sup-
plies to be diode-ORed at SENSE+ pin followed by Hot Swap
control for a card-resident application. For applications
where the LTC4229 resides on the backplane, the two
supplies are diode-ORed at the output as shown in Figures
9 and 10. Figure 11 depicts an application where placing
the MD MOSFET downstream of the MH MOSFET allows a
dedicated bypass capacitor to keep alive its small load after
power is removed at the input. Unlike the circuit in Figure
9 where the SENSE+ pin is protected from momentary
negative input transients by the ideal diode, the loads in
Figures 10 and 11 are much more susceptible to brownouts.
This is because input transients that dip below the SENSE+
pin’s 1.9V UVLO threshold can cause the HGATE pin to pull
low thus discharging the MH MOSFET’s gate capacitance
as well as any external capacitance which can result in a
lengthy recovery time for the Hot Swap controller.
Since the LTC4229’s ideal diode and Hot Swap controllers
operate independently, the MD and MH MOSFETs can also
be configured to operate on two different supplies at the
same time as shown in Figure 12. If one of the supplies
is not available, the LTC4229 will continue to operate with
the remaining supply since the internal INTVCC regulator
is powered from an internal diode-OR of the IN, SENSE+
and OUT pins.
Power Prioritizer
Figure 14 shows an application where either of two sup-
plies is passed to the output on the basis of priority, rather
than simply allowing the highest voltage to prevail. The 5V
primary supply (VIN1) is passed to the output whenever it
is available; power is drawn from the 12V backup supply
(VIN2) only when the primary supply is unavailable. As long
as VIN1 is above the 4.7V threshold set by the R6-R7 divider
at the DOFF pin, back-to-back ideal diode MOSFETs, MD1
and MD2, are turned off, allowing VIN1 to be connected to
the output through MD3 that is controlled by another ideal
diode controller LTC4352. The common source terminals
of MD1 and MD2 are connected to DSRC pin, which allows
the body-diode of MD1 to reverse block the current flow
from the higher backup supply (VIN2) to the output. If the
primary supply fails and VIN1 drops below 4.3V, DOFF is
allowed to turn on MD1 and MD2, and connect the VIN2 to
the output. When VIN1 returns to a viable voltage, MD1 and
MD2 turn off, and the output is connected to VIN1. Adding
R8 in the R6-R7 divider and bypassing it with DSTAT pin
control, allows the DOFF pin hysteresis to be increased
from 20mV to 100mV. The resistive divider at OV and
UV pins set the SENSE+ overvoltage and undervoltage
thresholds to 15V and 4.1V respectively.
Hot Swap Followed by Ideal Diode Application
Figure 15 shows an application whereby the Hot Swap
MOSFET is placed on the supply side and the ideal diode
MOSFET on the load side with the source terminals con-
nected together. The ideal diode voltage is sensed across
MD at IN and DSNS pins. If the 12V power supply is con-
nected, it supplies power to the load and also charges up
the standby battery cell at SENSE+ through MH and R6
as MD is turned off. If the power supply is disconnected,
the power to the load is provided by the standby battery
as MD turns on. Since the LTC4229’s internal 12V clamp
only limits the HGATE-to-OUT pin voltage, the gate-to-
source breakdown voltage of the Hot Swap MOSFET can
be exceeded when the input is connected to ground. An
external Zener diode clamp is required between the GATE
and SOURCE pins of the MOSFET to prevent it from break-
ing down.
LTC4229 _; —|Ex __I_ T 45 HI~ 20 L7ELUEN2
LTC4229
20
4229f
For more information www.linear.com/LTC4229
applicaTions inForMaTion
Figure 10. Hot Swap Followed by Ideal Diode Configuration with Diode Sense Across RS, MH and MD
4229 F08
LTC4229
DGATE SENSE+
IN HGATE OUTSENSE
INTVCC
DCFGGND
DSNS
D1
MDMH
RS
DSRCCPO
C2
C1
V
IN1 V
OUT
V
IN2
CL
4229 F09
LTC4229
DGATE SENSE+
IN HGATE OUTSENSE
INTVCC
DCFGGND
DSNS
D1
MDMH
RS
DSRCCPO
C2
C1
V
IN1 V
OUT
V
IN2
CL
Figure 8. Ideal Diode Followed by Hot Swap Configuration with Diode Sense Across MD
Figure 9. Ideal Diode Followed by Hot Swap Configuration with Diode Sense Across MD, RS and MH
4229 F10
LTC4229
DGATESENSE+
IN HGATE OUTSENSE
INTVCC
DCFGGND
DSNS
D1
MD
MH
RS
DSRCCPO
C2
C1
VIN1 VOUT
VIN2
CL
LTC4229 13.1 arlh M“? -IH|~ W LflJumg 21
LTC4229
21
4229f
For more information www.linear.com/LTC4229
applicaTions inForMaTion
Figure 11. Hot Swap Followed by Ideal Diode Configuration with Diode Sense Across MD
4229 F11
LTC4229
DGATESENSE+INHGATE OUTSENSE
INTVCC
DCFGGND
DSNS
MD
MH
VIN
RS
DSRCCPO
C2
C1
VOUT2
VOUT1
CL2
CL1 LARGE
LOAD
SMALL
LOAD
Figure 12. Separate Ideal Diode and Hot Swap Configuration with Diode Sense Across MD
4229 F12
LTC4229
DGATE SENSE+
IN HGATE OUTSENSE
INTVCC
DCFGGND
DSNS
MD
MH
RS
DSRCCPO
C2
C1
VIN2
12V VOUT2
VIN1
3.3V
CL2
VOUT1
CL1
LTC4229 H1 m $5 55 5S 55 :_T I||-0— 22 L7ELUEN2
LTC4229
22
4229f
For more information www.linear.com/LTC4229
applicaTions inForMaTion
Figure 13. Plug-In Card Supply Holdup Using Ideal Diode at Input
R6
2.7k
R7
2.7k
R8
2.7k
R9
2.7k
D4
DCFGDOFF
EN
4229 F13
DFLT
GND INTVCC
FB
SENSE+SENSE
UV
Z1
SMAJ15A
OV
DSTAT
FAULT
PWRGD
DTMR FTMR
CPO DSRC HGATEIN DSNS
BACKPLANE
CONNECTOR
CARD
CONNECTOR
D1, D3: GREEN LED LN1351C
D2, D4: RED LED LN1261CAL
OUT
RH
10Ω
RHG
1k
CL
470µF
CHG
10nF
VIN
12V
12V
5A
MH
SiR818DP
VSENSE+
DGATE
MD
SiR818DP
RS
0.004Ω
R3
21.5k
RSNUB
100Ω
R2
1.1k
R1
2k
CSNUB
0.1µF
C3
0.1µF
+
C2
0.1µF
CFT
0.1µF
C1
0.1µF
RTMR
CRT
F
R5
15k
R4
2k
LTC4229
D3D2D1
LTC4229 r||~ W E $ i i, J._|{_I" 1_§_1 flm i % rlF $1: llll n— 'T ”HIT M M L7HEJWEGR 23
LTC4229
23
4229f
For more information www.linear.com/LTC4229
applicaTions inForMaTion
Figure 14. 2-Channel Power Prioritizer
DCFGEN
DOFF
4229 F14
DSTAT
GND INTVCC
FB
SENSE+SENSE
UV
Z1
SMAJ15A
12V
BACKUP
BATTERY
VIN1
5V
PRIMARY
SUPPLY
OV
DFLT
FAULT
PWRGD
RTMR FTMR
CPO DSRC HGATEIN DSNS OUT
RH
10Ω
RHG
1k
CL
470µF
CHG
10nF
V
OUT
5A
MH
SiR818DP
DGATE
MD2
SiR818DP
MD1
SiR818DP
RS
0.004Ω
R3
16.9k
R2
5.36k
R1
2k
R7
56.2k
C3
0.1µF
+
C2
0.1µF
CFT
0.1µF
C1
0.1µF
C5
0.1µF
DTMR
CDT
0.1µF
R5
4.87k
R4
2k
LTC4229
+
GND
VCC
UV
FAULT
STATUS
CPO SOURCE
LTC4352
VIN OUTGATE
M
D3
SiR818DP
VIN2
C4
0.1µF
OV
REV
R6
20k
R8
2.2k
LTC4229 [Li/He A... LEE; . . a i... H_| i... % 5.. ugly. + w| _.___ LE. .I___T__ _. 0 f2... . fl . _._. i... m l i... 5. m“ % w. [53? 1:. 4 2
LTC4229
24
4229f
For more information www.linear.com/LTC4229
applicaTions inForMaTion
Figure 15. Battery Application with Hot Swap MOSFET on the Supply Side and Ideal Diode MOSFET on the Load Side
DCFGDOFF
EN
4229 F15
DFLT
GND INTVCC
FB
SENSE+SENSE
UV
Z1
SMAJ17A
12V
2.2Ah
BATTERY
CELL
OV
DSTAT
FAULT
PWRGD
RTMR FTMR
CPO DSRCHGATE IN DSNS OUT
RH
10Ω
RHG
1k
CHG
10nF
12V
POWER
SUPPLY
12V
5A
10A
MH
SiR818DP
DGATE
MD
SiR818DP
RS
0.004Ω
R3
21k
R2
1.33k
R1
2k
R6
6.2Ω
C2
0.1µF
CFT
0.1µF
C1
0.1µF
DTMR
CDT
0.1µF
R5
15k
R4
2k
LTC4229
ZH
CMHZ4706
Z2
SMAJ17A
+
LOAD
Figure 16. USB Power Combined with Wall Adaptor
DCFGDOFF
4229 F16
DFLT
GND INTVCC
FB
SENSE+SENSE
UV
OV
EN
DSTAT
RTMR
FAULT
PWRGD
DTMR FTMR
CPO DSRC HGATEIN DSNS OUT
RH
10Ω
RHG
1k
CL
100µF
VOUT
500mA
CHG
10nF
5V
USB
12V
WALL
ADAPTOR
MH
Si4048DY
DGATE
MD
Si4048DY
D1
RS
0.035Ω
R3
18.2k
R2
5.49k
R1
2k
Z1
SMAJ15A
+
C2
0.1µF
CFT
0.1µF
CDT
0.1µF
C1
0.1µF
R5
5.11k
R4
2k
LTC4229
LTC4229 PLUGVW i 1_§_1 1&1 % w E = g % é 1 t | 1 | ... g— i- —— "-1-" "-E _ l L7 LJUW 25
LTC4229
25
4229f
For more information www.linear.com/LTC4229
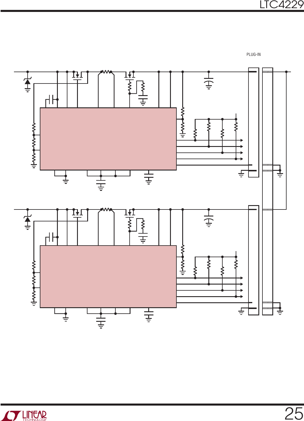
Typical applicaTion
Diode-ORing on Backplane Application with Ideal Diode First Followed by Hot Swap Control
R6
100k
R7
100k R8
100k
R9
100k
DCFGDOFF EN
DFLT
GND INTVCC
FB
SENSE+SENSE
UV
OV DSTAT
RTMR
FAULT
PWRGD
DTMR FTMR
CPO DSRC HGATEIN DSNS OUT
RH1
10Ω
RHG1
1k
CL1
100µF
CHG1
10nF
V
IN1
12V
12V
7.6A
MH1
SiR158DP
PLUG-IN
SUPPLY
CARD 1
VSENSE1+
VSENSE1+
DGATE
MD1
SiR158DP
RS1
0.0025Ω
R3
21.5k
R2
1.1k
R1
2k
+
C3
0.1µF
CFT1
0.1µF
C1
0.1µF
R5
15k
R4
2k
LTC4229
Z1
SMAJ15A
R16
100k
R17
100k R18
100k
R19
100k
DCFGDOFF EN
4229 TA02
DFLT
GND INTVCC
FB
SENSE+SENSE
UV
OV DSTAT
RTMR
FAULT
PWRGD
DTMR FTMR
CPO DSRC HGATEIN DSNS
BACKPLANE
OUT
RH2
10Ω
RHG2
1k
CL2
100µF
CHG2
10nF
V
IN2
12V
MH2
SiR158DP
PLUG-IN
SUPPLY
CARD 2
VSENSE2+
VSENSE2+
DGATE
MD2
SiR158DP
RS2
0.0025Ω
R13
21.5k
R12
1.1k
R11
2k
+
C4
0.1µF
CFT2
0.1µF
C2
0.1µF
R15
15k
R14
2k
LTC4229
Z2
SMAJ15A
VOUT1
VOUT2
LTC4229 UFD Package EEEC / fix 4 ‘ m m fit 4W ' 7 (*WBBHBBEBW? L7LJCUEN2 26
LTC4229
26
4229f
For more information www.linear.com/LTC4229
package DescripTion
Please refer to http://www.linear.com/designtools/packaging/ for the most recent package drawings.
4.00 ±0.10
(2 SIDES)
5.00 ±0.10
(2 SIDES)
NOTE:
1. DRAWING PROPOSED TO BE MADE A JEDEC PACKAGE OUTLINE MO-220 VARIATION (WXXX-X).
2. DRAWING NOT TO SCALE
3. ALL DIMENSIONS ARE IN MILLIMETERS
4. DIMENSIONS OF EXPOSED PAD ON BOTTOM OF PACKAGE DO NOT INCLUDE
MOLD FLASH. MOLD FLASH, IF PRESENT, SHALL NOT EXCEED 0.15mm ON ANY SIDE
5. EXPOSED PAD SHALL BE SOLDER PLATED
6. SHADED AREA IS ONLY A REFERENCE FOR PIN 1 LOCATION
ON THE TOP AND BOTTOM OF PACKAGE
PIN 1
TOP MARK
(NOTE 6)
0.40 ±0.10
23 24
1
2
BOTTOM VIEW—EXPOSED PAD
0.75 ±0.05 R = 0.115
TYP
R = 0.05 TYP PIN 1 NOTCH
R = 0.20 OR C = 0.35
0.25 ±0.05
0.50 BSC
0.200 REF
0.00 – 0.05
(UFD24) QFN 0506 REV A
RECOMMENDED SOLDER PAD PITCH AND DIMENSIONS
APPLY SOLDER MASK TO AREAS THAT ARE NOT SOLDERED
0.70 ±0.05
0.25 ±0.05
0.50 BSC
2.65 ±0.05
2.00 REF
3.00 REF
4.10 ±0.05
5.50 ±0.05
3.10 ±0.05
4.50 ±0.05
PACKAGE OUTLINE
2.65 ±0.10
2.00 REF
3.00 REF
3.65 ±0.10
3.65 ±0.05
UFD Package
24-Lead Plastic QFN (4mm × 5mm)
(Reference LTC DWG # 05-08-1696 Rev A)
‘|]|]|I||I||I||I||]|]|]|]|]|]TL L]IllingnIJIJIJIJEJQLJ ifljfl [‘97, 22‘) i _L,,& DH 74 L * ¢mfinfi L7 LJUW G Package +444,L&ifl4444> (an, 335) flflflflflflflflflflflfl O HHHHHHHHHHHH W £19\L7 ‘L ATW (mm [1227033 (0097th LTC4229 a 2n 7 323) 27
LTC4229
27
4229f
For more information www.linear.com/LTC4229
Information furnished by Linear Technology Corporation is believed to be accurate and reliable.
However, no responsibility is assumed for its use. Linear Technology Corporation makes no representa-
tion that the interconnection of its circuits as described herein will not infringe on existing patent rights.
package DescripTion
Please refer to http://www.linear.com/designtools/packaging/ for the most recent package drawings.
G24 SSOP 0204
0.09 – 0.25
(.0035 – .010)
0° – 8°
0.55 – 0.95
(.022 – .037)
5.00 – 5.60**
(.197 – .221)
7.40 – 8.20
(.291 – .323)
1 2 3 4 5678 9 10 11 12
7.90 – 8.50*
(.311 – .335)
2122 18 17 16 15 14 13
19202324
2.0
(.079)
MAX
0.05
(.002)
MIN
0.65
(.0256)
BSC 0.22 – 0.38
(.009 – .015)
TYP
MILLIMETERS
(INCHES)
DIMENSIONS DO NOT INCLUDE MOLD FLASH. MOLD FLASH
SHALL NOT EXCEED .152mm (.006") PER SIDE
DIMENSIONS DO NOT INCLUDE INTERLEAD FLASH. INTERLEAD
FLASH SHALL NOT EXCEED .254mm (.010") PER SIDE
*
**
NOTE:
1. CONTROLLING DIMENSION: MILLIMETERS
2. DIMENSIONS ARE IN
3. DRAWING NOT TO SCALE
0.42 ±0.03 0.65 BSC
5.3 – 5.7
7.8 – 8.2
RECOMMENDED SOLDER PAD LAYOUT
1.25 ±0.12
G Package
24-Lead Plastic SSOP (5.3mm)
(Reference LTC DWG # 05-08-1640)
LTC4229 __T___ 1*... .|3%___ :3 _.___ Mrflr E. m| .__.__. 5. F +7 :_1 Li: ; L7LJCUEN2 28
LTC4229
28
4229f
For more information www.linear.com/LTC4229
LINEAR TECHNOLOGY CORPORATION 2013
LT 0813 • PRINTED IN USA
Linear Technology Corporation
1630 McCarthy Blvd., Milpitas, CA 95035-7417
(408) 432-1900 FAX: (408) 434-0507 www.linear.com/LTC4229
relaTeD parTs
Typical applicaTion
Battery Charging Application with Ideal Diode at Input
PART NUMBER DESCRIPTION COMMENTS
LTC4210 Single Channel, Hot Swap Controller Operates from 2.7V to 16.5V, Active Current Limiting, TSOT23-6
LTC4211 Single Channel, Hot Swap Controller Operates from 2.5V to 16.5V, Multifunction Current Control, MSOP-8, SO-8 or
MSOP-10
LTC4215 Single Channel, Hot Swap Controller Operates from 2.9V to 15V, I2C Compatible Monitoring, SSOP-16 or QFN-24
LTC4216 Single Channel, Hot Swap Controller Operates from 0V to 6V, Active Current Limiting, MSOP-10 or DFN-12
LTC4218 Single Channel, Hot Swap Controller Operates from 2.9V to 26.5V, Active Current Limiting, SSOP-16 or DFN-16
LTC4221 Dual Channel, Hot Swap Controller Operates from 1V to 13.5V, Multifunction Current Control, SSOP-16
LTC4222 Dual Channel, Hot Swap Controller Operates from 2.9V to 29V, I2C Compatible Monitoring, SSOP-36 or QFN-32
LTC4223 Dual Supply Hot Swap Controller Controls 12V and 3.3V, Active Current Limiting, SSOP-16 or DFN-16
LTC4224 Dual Channel, Hot Swap Controller Operates from 1V to 6V, Active Current Limiting, MSOP-10 or DFN-10
LTC4227 Dual Ideal Diode and Single Hot Swap Controller Operates from 2.9V to 18V, Controls Three N-Channels, SSOP-16 or QFN-20
LTC4228 Dual Ideal Diode and Hot Swap Controller Operates from 2.9V to 18V, Controls Four N-Channels, SSOP-28 or QFN-28
LTC4352 Low Voltage Ideal Diode Controller Operates from 0V to 18V, Controls N-Channel, MSOP-12 or DFN-12
LTC4353 Dual Low Voltage Ideal Diode Controller Operates from 0V to 18V, Controls Tw o N-Channels, MSOP-16 or DFN-16
LTC4355 Positive High Voltage Ideal Diode-OR and Monitor Operates from 9V to 80V, Controls Tw o N-Channels, SO-16, DFN-14 or MSOP-16
LTC4357 Positive High Voltage Ideal Diode Controller Operates from 9V to 80V, Controls N-Channel, MSOP-8 or DFN-6
LTC4358 5A Ideal Diode Operates from 9V to 26.5V, On-Chip N-Channel, TSSOP-16 or DFN-14
DCFGDOFF
ENPWREN
4229 TA03
DFLT
GND INTVCC
FB
SENSE+SENSE
UV
OV
DSTAT
RTMR
FAULT
PWRGD
DTMR FTMR
CPO DSRC HGATEIN DSNS OUT
12V
BATTERY
CHARGER
INPUT
12V
2A
DGATE
+
C2
0.1µF
LTC4229
CL
100µF
MH
SiR818DP
MD
SiR818DP
RS
0.01Ω
R3
21k
R2
1.33k
R1
2k
CFT
0.1µF
R5
15k
R4
2k
CDT
0.1µF
C1
0.1µF
RH
10Ω
RHG
1k CHG
10nF
Z1
SMAJ17A
12V
BATTERY
CELL
+