FT-CAP, X7R Dielectric, Automotive Datasheet by KEMET

E‘ectromc Components KEII/IEI' CHARGED?
1© KEMET Electronics Corporation • KEMET Tower • One East Broward Boulevard C1078_X7R_FT-CAP_AUTO_SMD 5/3/2019
Fort Lauderdale, FL 33301 USA • 954-766-2800 • www.kemet.com
One world. One KEMET
Overview
The KEMET Automotive Grade Flexible Termination (FT-CAP)
multilayer ceramic capacitor in X7R dielectric incorporates
a unique, flexible termination system that is integrated with
KEMET’s standard termination materials. A conductive silver
epoxy is utilized between the base metal and nickel barrier
layers of KEMET’s standard termination system in order
to establish pliability while maintaining terminal strength,
solderability and electrical performance. This technology
was developed in order to address the primary failure mode
of MLCCs – flex cracks, which are typically the result of
excessive tensile and shear stresses produced during board
flexure and thermal cycling. Flexible termination technology
inhibits the transfer of board stress to the rigid ceramic body,
therefore mitigating flex cracks which can result in low IR or
short circuit failures.
Although this technology does not eliminate the potential
for mechanical damage that may propagate during extreme
environmental and handling conditions, it does provide
superior flex performance over standard termination
systems. FT-CAP complements KEMET’s Open Mode,
Floating Electrode (FE-CAP), Floating Electrode with Flexible
Termination (FF-CAP) and KEMET Power Solutions (KPS)
product lines by providing a complete portfolio of flex
mitigation solutions.
Combined with the stability of an X7R dielectric and designed
to accommodate all capacitance requirements, these flex-
robust devices are RoHS-compliant, offer up to 5 mm of
flex-bend capability and exhibit a predictable change in
capacitance with respect to time and voltage. Capacitance
change with reference to ambient temperature is limited to
±15% from −55°C to +125°C.
Whether underhood or in-cabin, these capacitors are designed
to provide reliable performance in a mission and safety of
critical automotive circuits. Stricter testing protocol and
inspection criteria have been established for automotive grade
products in recognition of potentially harsh environmental
conditions. KEMET automotive grade series capacitors meet
the demanding Automotive Electronics Council's AEC-Q200
qualification requirements.
Surface Mount Multilayer Ceramic Chip Capacitors (SMD MLCCs)
Flexible Termination System (FT-CAP) X7R Dielectric,
6.3 – 250 VDC (Automotive Grade)
Ordering Information
C1206 X106 K 4 R A C AUTO
Ceramic
Case Size
(L" x W")
Specification/
Series
Capacitance
Code (pF)
Capacitance
Tolerance
Rated Voltage
(VDC) Dielectric Failure Rate/
Design
Termination
Finish1
Packaging/
Grade (C-Spec)2
0603
0805
1206
1210
1808
1812
1825
2220
2225
X = Flexible
termination
Two
significant
digits and
number of
zeros
J = ±5%
K = ±10%
M = ±20%
9 = 6.3
8 = 10
4 = 16
3 = 25
5 = 50
1 = 100
2 = 200
A = 250
R = X7R A = N/A C = 100% Matte Sn See
"Packaging
C-Spec
Ordering
Options
Table"
1 Additional termination finish options may be available. Contact KEMET for details.
Click image above for interactive 3D content
Open PDF in Adobe Reader for full functionality
ammm Compancnls KEIVIEI' EHARGED! AUT07411 (HA 0603 and smal‘er case swzes) AUT07210 (EIA 0505 and larger case swzes)
2© KEMET Electronics Corporation • KEMET Tower • One East Broward Boulevard C1078_X7R_FT-CAP_AUTO_SMD 5/3/2019
Fort Lauderdale, FL 33301 USA • 954-766-2800 • www.kemet.com
Surface Mount Multilayer Ceramic Chip Capacitors (SMD MLCCs)
Flexible Termination System (FT-CAP), X7R Dielectric, 6.3 – 250 VDC (Automotive Grade)
Packaging C-Spec Ordering Options Table
Packaging Type1Packaging/Grade
Ordering Code (C-Spec)3
7" Reel
AUTO
13" Reel/Unmarked
AUTO7411 (EIA 0603 and smaller case sizes)
AUTO7210 (EIA 0805 and larger case sizes)
7" Reel/Unmarked/2 mm pitch
2
3190
13" Reel/Unmarked/2 mm pitch
2
3191
1 Reeling tape options (paper or plastic) are dependent on capacitor case size (L x W) and thickness dimension. See "Chip Thickness/Tape & Reel
Packaging Quantities" and "Tape & Reel Packaging Information."
2 The 2 mm pitch option allows for double the packaging quantity of capacitors on a given reel size. This option is limited to EIA 0603 (1608 metric) case
size devices. For more information regarding 2 mm pitch option see "Tape & Reel Packaging Information."
3 All automotive packaging C-Specs listed exclude the option to laser mark components. Please contact KEMET if you require a laser marked option. For
more information see "Capacitor Marking."
3 For additional Information regarding "AUTO" C-Spec options, see "Automotive C-Spec Information."
Benefits
AEC-Q200 automotive qualified
−55°C to +125°C operating temperature range
Superior flex performance (up to 5 mm)
High capacitance flex mitigation
Lead (Pb)-free, RoHS and REACH compliant
EIA 0603, 0805, 1206, 1210, 1808, 1812, 1825, 2220, and
2225 case sizes
DC voltage ratings of 6.3 V, 10 V, 16 V, 25 V, 50 V, 100 V,
200 V, and 250 V
Capacitance offerings ranging from 180 pF to 22 μF
Available capacitance tolerances of ±5%, ±10% and ±20%
Non-polar device, minimizing installation concerns
100% pure matte tin-plated termination finish allowing for
excellent solderability
Applications
Typical applications include circuits with a direct battery or power source connection, critical and safety relevant circuits
without (integrated) current limitation and any application that is subject to high levels of board flexure or temperature
cycling. Examples include raw power input side filtering (power plane/bus), high current applications (automobile battery
line) and circuits that cannot be fused to open. Markets include consumer, medical, industrial (power supply), automotive,
aerospace and telecom.
ammmc compmm KEIVIEI' crummy:
3© KEMET Electronics Corporation • KEMET Tower • One East Broward Boulevard C1078_X7R_FT-CAP_AUTO_SMD • 5/3/2019
Fort Lauderdale, FL 33301 USA • 954-766-2800 • www.kemet.com
Surface Mount Multilayer Ceramic Chip Capacitors (SMD MLCCs)
Flexible Termination System (FT-CAP), X7R Dielectric, 6.3 – 250 VDC (Automotive Grade)
Automotive C-Spec Information
KEMET automotive grade products meet or exceed the requirements outlined by the Automotive Electronics Council.
Details regarding test methods and conditions are referenced in document AEC–Q200, Stress Test Qualifi cation for Passive
Components. These products are supported by a Product Change Notifi cation (PCN) and Production Part Approval Process
warrant (PPAP).
Automotive products offered through our distribution channel have been assigned an inclusive ordering code C-Spec, “AUTO.
This C-Spec was developed in order to better serve small and medium-sized companies that prefer an automotive grade
component without the requirement to submit a customer Source Controlled Drawing (SCD) or specifi cation for review by a
KEMET engineering specialist. This C-Spec is therefore not intended for use by KEMET OEM automotive customers and are
not granted the same “privileges” as other automotive C-Specs. Customer PCN approval and PPAP request levels are limited
(see details below.)
Product Change Notifi cation (PCN)
The KEMET product change notifi cation system is used to communicate primarily the following types of changes:
• Product/process changes that affect product form, fi t, function, and/or reliability
• Changes in manufacturing site
• Product obsolescence
KEMET Automotive
C-Spec
Customer Notifi cation Due To: Days Prior To
Implementation
Process/Product change Obsolescence*
KEMET assigned1Yes (with approval and sign off) Yes 180 days minimum
AUTO Yes (without approval) Yes 90 days minimum
1 KEMET assigned C-Specs require the submittal of a customer SCD or customer specifi cation for review. For additional information contact KEMET.
Production Part Approval Process (PPAP)
The purpose of the Production Part Approval Process is:
• To ensure that supplier can meet the manufacturability and quality requirements for the purchased parts.
• To provide the evidence that all customer engineering design records and specifi cation requirements are properly
understood and fulfi lled by the manufacturing organization.
• To demonstrate that the established manufacturing process has the potential to produce the part.
KEMET Automotive
C-Spec
PPAP (Product Part Approval Process) Level
12345
KEMET assigned1●●●●●
AUTO ○ ○
1 KEMET assigned C-Specs require the submittal of a customer SCD or customer specifi cation for review. For additional information contact KEMET.
Part number specifi c PPAP available
Product family PPAP only
ammm Compancnls KEIVIEI' EHARGED! 1.60 ((1,063) 0.00 (0,032) 0.45 (0,010) 20.17 (0.007) 20.15 (0.006) 20.15 (0.006) 2.00 (0,079) 1.25 (0,049) 0.50 (0.02) 20.30 (0.012) 20.30 (0,012) 20.25 (0.010) 3.30 (0.130) 1.60 (0.063) (1.60 (0.024) 20.40 (0.016) 20.35 (0,013) 20.25 (0.010) 3.30 (.130) 2.60 (0,102) (1.60 (0.024) 20.40 (.016) 20.30 (0,012) 20.25 (0.010) 4.70 (0,105) 2.00 (0.079) 0.70 (0,020) 20.50 (0,020) 20.20 (0.000) 20.35 (0,014) 4.50 (0.170) 3.20 (0.126) 0.70 (0,020) 20.40 (0.016) 20.30 (0,012) 20.35 (0,014) 4.60 (0.101) 6.40 (0.252) 0.70 (0,020) 20.40 (0.016) 20.40 (0.016) 20.35 (0,014) 5.90 (0,232) 5.00 (0,197) 0.70 (0,020) 20.75 (0.030) 20.40 (0.016) 20.35 (0,014) 5.90 (0,232) 6.40 (0,240) 0.70 (0,020) 20.75 (0.030) 20.40 (0.016) 20.35 (0,014)
4© KEMET Electronics Corporation • KEMET Tower • One East Broward Boulevard C1078_X7R_FT-CAP_AUTO_SMD • 5/3/2019
Fort Lauderdale, FL 33301 USA • 954-766-2800 • www.kemet.com
Surface Mount Multilayer Ceramic Chip Capacitors (SMD MLCCs)
Flexible Termination System (FT-CAP), X7R Dielectric, 6.3 – 250 VDC (Automotive Grade)
Dimensions – Millimeters (Inches)
L
B
W
S
T
EIA Size
Code
Metric Size
Code
L
Length
W
Width
T
Thickness
B
Bandwidth
S
Separation
Minimum
Mounting
Technique
060311608
1.60 (0.063)
±0.17 (0.007)
0.80 (0.032)
±0.15 (0.006)
See Table 2 for
Thickness
0.45 (0.018)
±0.15 (0.006)
0.58 (0.023)
Solder wave
or
Solder reflow
080522012
2.00 (0.079)
±0.30 (0.012)
1.25 (0.049)
±0.30 (0.012)
0.50 (0.02)
±0.25 (0.010)
0.75 (0.030)
1206 3216
3.30 (0.130)
±0.40 (0.016)
1.60 (0.063)
±0.35 (0.013)
0.60 (0.024)
±0.25 (0.010)
N/A
1210 3225
3.30 (.130)
±0.40 (.016)
2.60 (0.102)
±0.30 (0.012)
0.60 (0.024)
±0.25 (0.010)
Solder reflow
only
1808 4520
4.70 (0.185)
±0.50 (0.020)
2.00 (0.079)
±0.20 (0.008)
0.70 (0.028)
±0.35 (0.014)
1812 4532
4.50 (0.178)
±0.40 (0.016)
3.20 (0.126)
±0.30 (0.012)
0.70 (0.028)
±0.35 (0.014)
1825 4564
4.60 (0.181)
±0.40 (0.016)
6.40 (0.252)
±0.40 (0.016)
0.70 (0.028)
±0.35 (0.014)
2220 5650
5.90 (0.232)
±0.75 (0.030)
5.00 (0.197)
±0.40 (0.016)
0.70 (0.028)
±0.35 (0.014)
2225 5664
5.90 (0.232)
±0.75 (0.030)
6.40 (0.248)
±0.40 (0.016)
0.70 (0.028)
±0.35 (0.014)
1 For capacitance values ≥ 0.56 µF add 0.03 (0.001) to length tolerance dimension.
2 For capacitance values 1.0 µF or ≥ 2.7 µF add 0.05 (0.002) to length tolerance dimension.
ammm Compancnls KEIl/IEI' EHARGED! 250% a! rated voltage (5 11 seconds and charge/discharge not exceeding 50 mA)
5© KEMET Electronics Corporation • KEMET Tower • One East Broward Boulevard C1078_X7R_FT-CAP_AUTO_SMD • 5/3/2019
Fort Lauderdale, FL 33301 USA • 954-766-2800 • www.kemet.com
Surface Mount Multilayer Ceramic Chip Capacitors (SMD MLCCs)
Flexible Termination System (FT-CAP), X7R Dielectric, 6.3 – 250 VDC (Automotive Grade)
Qualification/Certification
Automotive grade products meet or exceed the requirements outlined by the Automotive Electronics Council. Details
regarding test methods and conditions are referenced in document AEC-Q200, Stress Test Qualification for Passive
Components. For additional information regarding the Automotive Electronics Council and AEC-Q200, please visit their
website at www.aecouncil.com.
Environmental Compliance
Lead (Pb)-free, RoHS, and REACH compliant without exemptions.
Electrical Parameters/Characteristics
Item Parameters/Characteristics
Operating Temperature Range −55°C to +125°C
Capacitance Change with Reference to
+25°C and 0 VDC Applied (TCC) ±15%
1Aging Rate (Maximum % Capacitance Loss/Decade Hour) 3.0%
2Dielectric Withstanding Voltage (DWV)
250% of rated voltage
(5 ±1 seconds and charge/discharge not exceeding 50 mA)
3Dissipation Factor (DF) Maximum Limit at 25°C See Dissipation Factor Limit Table
4Insulation Resistance (IR) Minimum Limit at 25°C See Insulation Resistance Limit Table
(Rated voltage applied for 120 ±5 seconds at 25°C)
1 Regarding Aging Rate: Capacitance measurements (including tolerance) are indexed to a referee time of 1,000 hours.
2 DWV is the voltage a capacitor can withstand (survive) for a short period of time. It exceeds the nominal and continuous working voltage of the
capacitor.
3 Capacitance and dissipation factor (DF) measured under the following conditions:
1 kHz ±50Hz and 1.0 ±0.2 Vrms if capacitance ≤ 10µF
120 Hz ±10Hz and 0.5 ±0.1 Vrms if capacitance > 10µF
4 To obtain IR limit, divide MΩ-µF value by the capacitance and compare to GΩ limit. Select the lower of the two limits.
Note: When measuring capacitance, it is important to ensure the set voltage level is held constant. The HP4284 and Agilent E4980 have a feature known
as Automatic Level Control (ALC). The ALC feature should be switched to "ON."
ammmc compmm KEIVIEI' crummy:
6© KEMET Electronics Corporation • KEMET Tower • One East Broward Boulevard C1078_X7R_FT-CAP_AUTO_SMD • 5/3/2019
Fort Lauderdale, FL 33301 USA • 954-766-2800 • www.kemet.com
Surface Mount Multilayer Ceramic Chip Capacitors (SMD MLCCs)
Flexible Termination System (FT-CAP), X7R Dielectric, 6.3 – 250 VDC (Automotive Grade)
Post Environmental Limits
High Temperature Life, Biased Humidity, Moisture Resistance
EIA Case Size Rated
DC Voltage Capacitance
Dissipation
Factor
(Maximum %)
Capacitance
Shift
Insulation
Resistance
06031
< 16
< 1.0 µF
7.5
±20% 10% of Initial
limit
16/25 5.0
> 25 3.0
All ≥ 1.0 µF 20.0
08052
< 16 < 4.7 µF 7.5
≥ 4.7 µF 20.0
16 < 4.7 µF 5.0
≥ 4.7 µF 20.0
25 All 5.0
> 25 All 3.0
12063
< 16 All 7.5
16/25 All 5.0
> 25 All 3.0
1210
< 16 All 7.5
16/25 All 5.0
> 25 All 3.0
1808 - 2225
< 16 All 7.5
16/25 All 5.0
> 25 All 3.0
1 For Capacitance values 0.22uF (16 and 25 Volts) DF is 7.5%.
2 For Capacitance values 2.F (6.3, 10, and 16 Volts) and 4.7µF (25 Volts) DF is 20%.
3 For Capacitance values 4.7 and 10 µF (All Voltages) and 2.2uF (25 and 50 Volts) DF is 20%.
ammmc compmm KEIl/IEI' EHARGED! 1,000 megohm 500 megohm 100 megohm microfarads or 100 an miclnlalads or 10 an microfarads or 10 an
7© KEMET Electronics Corporation • KEMET Tower • One East Broward Boulevard C1078_X7R_FT-CAP_AUTO_SMD • 5/3/2019
Fort Lauderdale, FL 33301 USA • 954-766-2800 • www.kemet.com
Surface Mount Multilayer Ceramic Chip Capacitors (SMD MLCCs)
Flexible Termination System (FT-CAP), X7R Dielectric, 6.3 – 250 VDC (Automotive Grade)
Insulation Resistance Limit Table
EIA Case Size Rated DC Voltage
1,000 megohm
microfarads or 100 GΩ
0402
ALL
< 0.012 µF
≥ 0.012 µF
N/A
0603
≤ 200 V
< 0.047 µF
≥ 0.047 µf < 0.47 µf
≥ 0.47 µf
250 V
N/A
N/A
ALL
0805
≤ 200 V
< 0.15 µF
≥ 0.15 µF < 2.2 µf
≥ 2.2 µf
250 V
< .027 µF
N/A
≥ .027 µF
1206
≤ 200 V
< 0.47 µF
≥ 0.47 µF < 2.2 µf
≥ 2.2 µf
250 V
< 0.12 µF
N/A
≥ 0.12 µF
1210
≤ 200 V
< 0.39 µF
≥ 0.39 µF < 10 µf
≥ 10 µf
250 V
< 0.27 µF
N/A
≥ 0.27 µF
1808
ALL
ALL
N/A
N/A
1812
ALL
< 2.2 µF
≥ 2.2 µF
N/A
1825
ALL
ALL
N/A
N/A
2220
ALL
< 10 µF
≥ 10 µF
N/A
2225
ALL
ALL
N/A
N/A
Dissipation Factor (DF) Limit Table
EIA
Case Size
Rated DC
Voltage Capacitance
Dissipation
Factor
(Maximum %)
06031
< 16
< 1.0 µF
5.0
16/25
3.5
> 25
2.5
All
≥ 1.0 µF
10.0
08052
< 16
< 4.7 µF
5.0
≥ 4.7 µF
10.0
16
< 4.7 µF
3.5
≥ 4.7 µF
10.0
25
All
3.5
> 25
All
2.5
12063
< 16
All
5.0
16/25
All
3.5
> 25
All
2.5
1210
< 16
All
5.0
16/25
All
3.5
> 25
All
2.5
1808 – 2225
< 16
All
5.0
16/25
All
3.5
> 25
All
2.5
1 For Capacitance values 0.22uF (16 and 25 Volts) DF is 5%.
2 For Capacitance values 2.F (6.3, 10, and 16 Volts) and 4.7µF (25 Volts) DF is 10%.
3 For Capacitance values 4.7 and 10 µF (All Voltages) and 2.2uF (25 and 50 Volts) DF is 10%.
ammmc compmm KEIVIEI' crummy: Raled Vullage wncj Case Sixel Series
8© KEMET Electronics Corporation • KEMET Tower • One East Broward Boulevard C1078_X7R_FT-CAP_AUTO_SMD • 5/3/2019
Fort Lauderdale, FL 33301 USA • 954-766-2800 • www.kemet.com
Surface Mount Multilayer Ceramic Chip Capacitors (SMD MLCCs)
Flexible Termination System (FT-CAP), X7R Dielectric, 6.3 – 250 VDC (Automotive Grade)
Table 1A – Capacitance Range/Selection Waterfall (0603 – 1210 Case Sizes)
Cap Cap
Code
Case Size/
Series C0603X C0805X C1206X C1210X
Voltage Code 9843512A9843512A9843512A9843512A
Rated Voltage
(VDC)
6.3
10
16
25
50
100
200
250
6.3
10
16
25
50
100
200
250
6.3
10
16
25
50
100
200
250
6.3
10
16
25
50
100
200
250
Cap Tolerance Product Availability and Chip Thickness Codes – See Table 2 for Chip Thickness Dimensions
180 pF 181 J K M CJ CJ CJ CJ CJ CJ CJ DR DR DR DR DR DR DR DR
220 pF 221 J K M CJ CJ CJ CJ CJ CJ CJ DR DR DR DR DR DR DR DR
270 pF 271 J K M CJ CJ CJ CJ CJ CJ CJ DR DR DR DR DR DR DR DR
330 pF 331 J K M CJ CJ CJ CJ CJ CJ CJ DR DR DR DR DR DR DR DR
390 pF 391 J K M CJ CJ CJ CJ CJ CJ CJ DR DR DR DR DR DR DR DR
470 pF 471 J K M CJ CJ CJ CJ CJ CJ CJ DR DR DR DR DR DR DR DR
560 pF 561 J K M CJ CJ CJ CJ CJ CJ CJ DR DR DR DR DR DR DR DR
680 pF 681 J K M CJ CJ CJ CJ CJ CJ CJ DR DR DR DR DR DR DR DR
820 pF 821 J K M CJ CJ CJ CJ CJ CJ CJ DR DR DR DR DR DR DR DR
1,000 pF 102 J K M CJ CJ CJ CJ CJ CJ CJ CJ DR DR DR DR DR DR DR DR EQ EQ EQ EQ EQ EQ EQ EQ
1,200 pF 122 J K M CJ CJ CJ CJ CJ CJ CJ CJ DR DR DR DR DR DR DR DR EQ EQ EQ EQ EQ EQ EQ EQ
1,500 pF 152 J K M CJ CJ CJ CJ CJ CJ CJ CJ DR DR DR DR DR DR DR DR EQ EQ EQ EQ EQ EQ EQ EQ
1,800 pF 182 J K M CJ CJ CJ CJ CJ CJ CJ CJ DR DR DR DR DR DR DR DR EQ EQ EQ EQ EQ EQ EQ EQ
2,200 pF 222 J K M CJ CJ CJ CJ CJ CJ CJ CJ DR DR DR DR DR DR DR DR EQ EQ EQ EQ EQ EQ EQ EQ FN FN FN FN FN FN FN FN
2,700 pF 272 J K M CJ CJ CJ CJ CJ CJ CJ CJ DR DR DR DR DR DR DR DR EQ EQ EQ EQ EQ EQ EQ EQ FN FN FN FN FN FN FN FN
3,300 pF 332 J K M CJ CJ CJ CJ CJ CJ CJ CJ DR DR DR DR DR DR DR DR EQ EQ EQ EQ EQ EQ EQ EQ FN FN FN FN FN FN FN FN
3,900 pF 392 J K M CJ CJ CJ CJ CJ CJ CJ CJ DR DR DR DR DR DR DR DR EQ EQ EQ EQ EQ EQ EQ EQ FN FN FN FN FN FN FN FN
4,700 pF 472 J K M CJ CJ CJ CJ CJ CJ CJ CJ DR DR DR DR DR DR DR DR EQ EQ EQ EQ EQ EQ EQ EQ FN FN FN FN FN FN FN FN
5,600 pF 562 J K M CJ CJ CJ CJ CJ CJ CJ CJ DR DR DR DR DR DR DR DR EQ EQ EQ EQ EQ EQ EQ EQ FN FN FN FN FN FN FN FN
6,800 pF 682 J K M CJ CJ CJ CJ CJ CJ CJ CJ DR DR DR DR DR DR DR DR EQ EQ EQ EQ EQ EQ EQ EQ FN FN FN FN FN FN FN FN
8,200 pF 822 J K M CJ CJ CJ CJ CJ CJ CJ CJ DR DR DR DR DR DR DR DR EQ EQ EQ EQ EQ EQ EQ EQ FN FN FN FN FN FN FN FN
10,000 pF 103 J K M CJ CJ CJ CJ CJ CJ CJ CJ DR DR DR DR DR DR DR DR EQ EQ EQ EQ EQ EQ EQ EQ FN FN FN FN FN FN FN FN
12,000 pF 123 J K M CJ CJ CJ CJ CJ CJ DR DR DR DR DR DR DR DR EQ EQ EQ EQ EQ EQ EQ EQ FN FN FN FN FN FN FN FN
15,000 pF 153 J K M CJ CJ CJ CJ CJ CJ DR DR DR DR DR DD DR DR EQ EQ EQ EQ EQ EQ EQ EQ FN FN FN FN FN FN FN FN
18,000 pF 183 J K M CJ CJ CJ CJ CJ CJ DR DR DR DR DR DD DR DR EQ EQ EQ EQ EQ EQ EQ EQ FN FN FN FN FN FN FN FN
22,000 pF 223 J K M CJ CJ CJ CJ CJ CJ DR DR DR DR DR DD DR DR EQ EQ EQ EQ EQ EQ EQ EQ FN FN FN FN FN FN FN FN
27,000 pF 273 J K M CJ CJ CJ CJ CJ CJ DR DR DR DR DR DD DS DG EQ EQ EQ EQ EQ EQ EQ EQ FN FN FN FN FN FN FN FN
33,000 pF 333 J K M CJ CJ CJ CJ CJ CJ DR DR DR DR DR DD DS DG EQ EQ EQ EQ EQ EQ EQ EQ FN FN FN FN FN FN FN FN
39,000 pF 393 J K M CJ CJ CJ CJ CJ CJ DR DR DR DR DR DD DS DG EQ EQ EQ EQ EQ ER EQ EQ FN FN FN FN FN FN FN FN
47,000 pF 473 J K M CJ CJ CJ CJ CJ CJ DR DR DR DR DR DS DG DG EQ EQ EQ EQ EQ ER ES ES FN FN FN FN FN FN FQ FQ
Cap Cap
Code
Rated Voltage
(VDC)
6.3
10
16
25
50
100
200
250
6.3
10
16
25
50
100
200
250
6.3
10
16
25
50
100
200
250
6.3
10
16
25
50
100
200
250
Voltage Code 9843512A9843512A9843512A9843512A
Case Size/
Series
C0603X C0805X C1206X C1210X
ammmc compmm KEIVIEI' crummy: Raled Vullage wncj Case Sixel Series
9© KEMET Electronics Corporation • KEMET Tower • One East Broward Boulevard C1078_X7R_FT-CAP_AUTO_SMD • 5/3/2019
Fort Lauderdale, FL 33301 USA • 954-766-2800 • www.kemet.com
Surface Mount Multilayer Ceramic Chip Capacitors (SMD MLCCs)
Flexible Termination System (FT-CAP), X7R Dielectric, 6.3 – 250 VDC (Automotive Grade)
Table 1A – Capacitance Range/Selection Waterfall (0603 – 1210 Case Sizes) cont'd
Cap Cap
Code
Case Size/
Series C0603X C0805X C1206X C1210X
Voltage Code 9843512A9843512A9843512A9843512A
Rated Voltage
(VDC)
6.3
10
16
25
50
100
200
250
6.3
10
16
25
50
100
200
250
6.3
10
16
25
50
100
200
250
6.3
10
16
25
50
100
200
250
Cap Tolerance Product Availability and Chip Thickness Codes – See Table 2 for Chip Thickness Dimensions
56,000 pF 563 J K M CJ CJ CJ CJ CJ DD DD DD DD DD DS DG DG EQ EQ EQ EQ EQ EQ ES ES FN FN FN FN FN FN FQ FQ
68,000 pF 683 J K M CJ CJ CJ CJ CJ DD DD DD DD DD DS DG DG EQ EQ EQ EQ EQ EQ ES ES FN FN FN FN FN FN FQ FQ
82,000 pF 823 J K M CJ CJ CJ CJ CJ DD DD DD DD DD DS EQ EQ EQ EQ EQ EQ ES ES FN FN FN FN FN FQ FA FA
0.10 µF 104 J K M CJ CJ CJ CJ CJ DR DR DR DR DR DS EQ EQ EQ EQ EQ EQ EM EM FN FN FN FN FN FX FZ FZ
0.12 µF 124 J K M CJ CJ CJ CJ CJ DR DR DR DR DD DG ER ER ER ER ER ER EU EM FN FN FN FN FN FX FU FU
0.15 µF 154 J K M CJ CJ CJ CJ CJ DR DR DR DR DD DG ER ER ER ER ER ER EU EH FQ FQ FQ FQ FQ FX FM FM
0.18 µF 184 J K M CJ CJ CJ CJ DR DR DR DR DD DG ER ER ER ER ER ER EM EM FQ FQ FQ FQ FQ FX FK FK
0.22 µF 224 J K M CJ CJ CJ CJ DR DR DR DR DD DG ER ER ER ER ER ER EH EH FQ FQ FQ FQ FQ FX FK FK
0.27 µF 274 J K M CJ CJ CJ DD DD DD DD DD EQ EQ EQ EQ ER EM FQ FQ FQ FQ FQ FX FP FP
0.33 µF 334 J K M CJ CJ CJ DD DD DD DD DD EQ EQ EQ EQ ER EU FX FX FX FX FX FX FM FM
0.39 µF 394 J K M CJ CJ CJ DG DG DG DG DS EQ EQ EQ EQ ER EU FX FX FX FX FX FX FK FK
0.47 µF 474 J K M CJ CJ CJ DD DD DD DD DS ER ER ER ER ER EU FX FX FX FX FX FX FS FS
0.56 µF 564J K M DD DD DD DG DH ES ES ES ES ER EM FX FX FX FX FX FA
0.68 µF 684 J K M DD DD DD DG DH ET ET ET ET ES EM FX FX FX FX FX FZ
0.82 µF 824 J K M DD DD DD DG EF EF EF EF ES EH FA FA FA FA FA FL
1.0 µF 105 J K M CJ CJ CJ DD DD DD DG EF EF EF EU ES EH FU FU FU FU FU FM
1.2 µF 125 J K M DS DS DS ES ES ES EU EH FU FU FU FU FZ FH
1.5 µF 155 J K M DG DG DG ES ES ES EU EH FU FU FU FU FZ FM
1.8 µF 185 J K M DG DG DG ES ES ES EF EH FU FU FU FU FZ FJ
2.2 µF 225 J K M DG DG DG EA EA EA EH EH FJ FJ FJ FJ FZ FK
2.7 µF 275 J K M EN EN EN EH FE FE FE FZ FU
3.3 µF 335 J K M ES ES ES EH FA FA FA FM FM
3.9 µF 395 J K M EF EF EF EH FZ FZ FZ FZ FK
4.7 µF 475 J K M DH DH DH DH EA EA EA EA EA FQ FQ FQ FZ FS
5.6 µF 565 J K M EH EH EH FA FA FA FU
6.8 µF 685 J K M EH EH EH FZ FZ FZ FM
8.2 µF 825 J K M EH EH EH FU FU FU FK
10 µF 106 J K M DH DH EA EA EA EA FU FU FU FS
22 µF 226 J K M FS FS
Cap Cap
Code
Rated Voltage
(VDC)
6.3
10
16
25
50
100
200
250
6.3
10
16
25
50
100
200
250
6.3
10
16
25
50
100
200
250
6.3
10
16
25
50
100
200
250
Voltage Code 9843512A9843512A9843512A9843512A
Case Size/
Series
C0603X C0805X C1206X C1210X
ammmc compmm KEIVIEI' crummy: Ruled anlage Ruled anlage wncj
10© KEMET Electronics Corporation • KEMET Tower • One East Broward Boulevard C1078_X7R_FT-CAP_AUTO_SMD • 5/3/2019
Fort Lauderdale, FL 33301 USA • 954-766-2800 • www.kemet.com
Surface Mount Multilayer Ceramic Chip Capacitors (SMD MLCCs)
Flexible Termination System (FT-CAP), X7R Dielectric, 6.3 – 250 VDC (Automotive Grade)
Cap Cap
Code
Case Size/
Series C1808X C1812X C1825X C2220X C2225X
Voltage Code 5 1 2 A 3 5 1 2 A 5 1 2 A 3 5 1 2 A 5 1 2 A
Rated Voltage
(VDC)
50
100
200
250
25
50
100
200
250
50
100
200
250
25
50
100
200
250
50
100
200
250
Cap Tolerance Product Availability and Chip Thickness Codes – See Table 2 for Chip Thickness Dimensions
4,700 pF 472 J K M LD LD LD
5,600 pF 562 J K M LD LD LD
6,800 pF 682 J K M LD LD LD GB GB GB GB GB
8,200 pF 822 J K M LD LD LD GB GB GB GB GB
10,000 pF 103 J K M LD LD LD GB GB GB GB GB
12,000 pF 123 J K M LD LD LD GB GB GB GB GB
15,000 pF 153 J K M LD LD LD GB GB GB GB GB
18,000 pF 183 J K M LD LD LD GB GB GB GB GB
22,000 pF 223 J K M LD LD GB GB GB GB GB HB HB HB HB
27,000 pF 273 J K M LD LD GB GB GB GB GB HB HB HB HB
33,000 pF 333 J K M LD LD GB GB GB GB GB HB HB HB HB
39,000 pF 393 J K M LD LD GB GB GB GB GB HB HB HB HB
47,000 pF 473 J K M LD LD GB GB GB GB GB HB HB HB HB
56,000 pF 563 J K M LD LD GB GB GB GB GB HB HB HB HB
68,000 pF 683 J K M LD GB GB GB GB GB HB HB HB HB
82,000 pF 823 J K M LD GB GB GB GB GB HB HB HB HB JC JC JC JC JC
0.10 µF 104 J K M LD GB GB GB GB GB HB HB HB HB JC JC JC JC JC KC KC KC KC
0.12 µF 124 J K M LD GB GB GB GB GB HB HB HB HB JC JC JC JC JC KC KC KC KC
0.15 µF 154 J K M LD GB GB GB GE GE HB HB HB HB JC JC JC JC JC KC KC KC KC
0.18 µF 184 J K M LD GB GB GB GF GG HB HB HB HB JC JC JC JC JC KC KC KC KC
0.22 µF 224 J K M GB GB GB GG GG HB HB HB HB JC JC JC JC JC KC KC KC KC
0.27 µF 274 J K M GB GB GG GG GG HB HB HB HB JC JC JC JC JC KB KC KC KC
0.33 µF 334 J K M GB GB GG GG GG HB HB HB HB JC JC JC JC JC KB KC KC KC
0.39 µF 394 J K M GB GB GG GG GG HB HB HD HD JC JC JC JC JC KB KC KC KC
0.47 µF 474 J K M GB GB GG GJ GJ HB HB HD HD JC JC JC JC JC KB KC KD KD
0.56 µF 564 J K M GC GC GG HB HD HD HD JC JC JC JD JD KB KC KD KD
0.68 µF 684 J K M GC GC GG HB HD HD HD JC JC JD JD JD KB KC KD KD
0.82 µF 824 J K M GE GE GG HB HF HF HF JC JC JF JF JF KB KC KE KE
1.0 µF 105 J K M GE GE GG HB HF HF HF JC JC JF JF JF KB KD KE KE
1.2 µF 125 J K M GB GB GB HB JC JC KB KE KE KE
1.5 µF 155 J K M GC GC GC HC JC JC KC
1.8 µF 185 J K M GE GE GE HD JD JD KD
2.2 µF 225 J K M GG GG GG HF JF JF KD
2.7 µF 275 J K M GJ GJ GJ
3.3 µF 335 J K M GL GL GL
4.7 µF 475 J K M GK GK
10 µF 106 J K M GK JF JO
15 µF 156 J K M JO
22 µF 226 J K M JO
Cap Cap
Code
Rated Voltage
(VDC)
50
100
200
250
25
50
100
200
250
50
100
200
250
25
50
100
200
250
50
100
200
250
Voltage Code 5 1 2 A 3 5 1 2 A 5 1 2 A 3 5 1 2 A 5 1 2 A
Case Size/
Series C1808X C1812X C1825X C2220X C2225X
Table 1B – Capacitance Range/Selection Waterfall (1808 – 2225 Case Sizes)
ammm Compancnls KEIVIEI' Emma): CJ DR DD 03 D6 DH E0 ER EN Es ET EF EM EH Eu EA FN F0 Ex FE FA FZ FL FH FU FP FM FJ FK FS LD as so GE GF 66 GK GJ GL H8 H0 HD HF JC JD JF J0 K8 Kc KD KE 0603 0805 0805 0805 0805 0805 1206 1206 1206 1206 1206 1206 1206 1206 1206 1206 1210 1210 1210 1210 1210 1210 1210 1210 1210 1210 1210 1210 1210 1210 1800 1812 1812 1812 1812 1812 1812 1812 1812 1825 1825 1825 1825 2220 2220 2220 2220 2225 2225 2225 2225 0.00 10.15" 0.78 10.20 0.90 10.10 1.00 10.20 1.25 10.15 1.25 30.20 0 78 30,20 0 90 30,20 0,95 10.10 1.00 30.20 1.10 10.20 1.20 10.15 1.25 10.15 1.60 10.20 1.60 10.25 1.60 30.35 0 78 30,20 0 90 30,20 0,95 10 20 1.00 30.10 1.10 10.15 1.25 10.20 1.40 10.15 1.55 10.15 1.55 10.20 1.60 10.20 1.70 10 20 1.85 10.20 2 10 10.20 2 50 10.30 0.90 10.10 1.00 10.10 1.10 10.10 1.30 10.10 1.50 10.10 1.55 30.10 1.60 10.20 1 70 10 15 1.90 10 20 1.10 30.15 1.15 10.15 1.30 10.15 1.50 10.15 1.10 10.15 1.30 10.15 1.50 10.15 2 40 10 15 1.00 10.15 1.10 30.15 1.30 10.15 1.40 10.15 4.000 a o soooooooooooooooooooooooooooooooooooooooooooaooooo 15,000 5:. caaaaacccccaaaaacccccaaaaacccccaDaaacccccaaaoacccc a a 4.000 4.000 2.500 2.500 2.500 4.000 4.000 4.000 2.500 2.500 2.500 2.500 2.000 2.000 2.000 4.000 4.000 4.000 2.500 2.500 2.500 2.000 2.000 2.000 2.000 2.000 2.000 2.000 1.000 2.500 1.000 1.000 1.000 1.000 1.000 1.000 1.000 500 1.000 1.000 1.000 1.000 1.000 1.000 1.000 500 1.000 1.000 1.000 1.000 10.000 10.000 10.000 10.000 10.000 10.000 10.000 10.000 10.000 10.000 10.000 10.000 0.000 0.000 8.000 10.000 10.000 10.000 10.000 10.000 10.000 0.000 0.000 0.000 8.000 8.000 8.000 8.000 4.000 10.000 4.000 4.000 4.000 4.000 4.000 4.000 4.000 2.000 4.000 4.000 4.000 4.000 4.000 4.000 4.000 2.000 4.000 4.000 4.000 4.000
11© KEMET Electronics Corporation • KEMET Tower • One East Broward Boulevard C1078_X7R_FT-CAP_AUTO_SMD 5/3/2019
Fort Lauderdale, FL 33301 USA • 954-766-2800 • www.kemet.com
Surface Mount Multilayer Ceramic Chip Capacitors (SMD MLCCs)
Flexible Termination System (FT-CAP), X7R Dielectric, 6.3 – 250 VDC (Automotive Grade)
Table 2 – Chip Thickness/Tape & Reel Packaging Quantities
Package quantity based on finished chip thickness specifications.
1 If ordering using the 2 mm Tape and Reel pitch option, the packaging quantity outlined in the table above will be doubled. This option is limited to EIA
0603 (1608 metric) case size devices. For more information regarding 2 mm pitch option see "Tape & Reel Packaging Information."
Thickness
Code
Case
Size1
Thickness ±
Range (mm)
Paper Quantity1Plastic Quantity
7" Reel 13" Reel 7" Reel 13" Reel
CJ
0603
0.80 ±0.15*
4,000
15,000
0
0
DR
0805
0.78 ±0.20
0
0
4,000
10,000
DD
0805
0.90 ±0.10
0
0
4,000
10,000
DS
0805
1.00 ±0.20
0
0
2,500
10,000
DG
0805
1.25 ±0.15
0
0
2,500
10,000
DH
0805
1.25 ±0.20
0
0
2,500
10,000
EQ
1206
0.78 ±0.20
4,000
10,000
4,000
10,000
ER
1206
0.90 ±0.20
0
0
4,000
10,000
EN
1206
0.95 ±0.10
0
0
4,000
10,000
ES
1206
1.00 ±0.20
0
0
2,500
10,000
ET
1206
1.10 ±0.20
0
0
2,500
10,000
EF
1206
1.20 ±0.15
0
0
2,500
10,000
EM
1206
1.25 ±0.15
0
0
2,500
10,000
EH
1206
1.60 ±0.20
0
0
2,000
8,000
EU
1206
1.60 ±0.25
0
0
2,000
8,000
EA
1206
1.60 ±0.35
0
0
2,000
8,000
FN
1210
0.78 ±0.20
0
0
4,000
10,000
FQ
1210
0.90 ±0.20
0
0
4,000
10,000
FX
1210
0.95 ±0.20
0
0
4,000
10,000
FE
1210
1.00 ±0.10
0
0
2,500
10,000
FA
1210
1.10 ±0.15
0
0
2,500
10,000
FZ
1210
1.25 ±0.20
0
0
2,500
10,000
FL
1210
1.40 ±0.15
0
0
2,000
8,000
FH
1210
1.55 ±0.15
0
0
2,000
8,000
FU
1210
1.55 ±0.20
0
0
2,000
8,000
FP
1210
1.60 ±0.20
0
0
2,000
8,000
FM
1210
1.70 ±0.20
0
0
2,000
8,000
FJ
1210
1.85 ±0.20
0
0
2,000
8,000
FK
1210
2.10 ±0.20
0
0
2,000
8,000
FS
1210
2.50 ±0.30
0
0
1,000
4,000
LD
1808
0.90 ±0.10
0
0
2,500
10,000
GB
1812
1.00 ±0.10
0
0
1,000
4,000
GC
1812
1.10 ±0.10
0
0
1,000
4,000
GE
1812
1.30 ±0.10
0
0
1,000
4,000
GF
1812
1.50 ±0.10
0
0
1,000
4,000
GG
1812
1.55 ±0.10
0
0
1,000
4,000
GK
1812
1.60 ±0.20
0
0
1,000
4,000
GJ
1812
1.70 ±0.15
0
0
1,000
4,000
GL
1812
1.90 ±0.20
0
0
500
2,000
HB
1825
1.10 ±0.15
0
0
1,000
4,000
HC
1825
1.15 ±0.15
0
0
1,000
4,000
HD
1825
1.30 ±0.15
0
0
1,000
4,000
HF
1825
1.50 ±0.15
0
0
1,000
4,000
JC
2220
1.10 ±0.15
0
0
1,000
4,000
JD
2220
1.30 ±0.15
0
0
1,000
4,000
JF
2220
1.50 ±0.15
0
0
1,000
4,000
JO
2220
2.40 ±0.15
0
0
500
2,000
KB
2225
1.00 ±0.15
0
0
1,000
4,000
KC
2225
1.10 ±0.15
0
0
1,000
4,000
KD
2225
1.30 ±0.15
0
0
1,000
4,000
KE
2225
1.40 ±0.15
0
0
1,000
4,000
Thickness
Code
Case
Size1
Thickness ±
Range (mm)
7" Reel 13" Reel 7" Reel 13" Reel
Paper Quantity1Plastic Quantity
E‘ucuomc Compcnonu KEIVIEI' CHARGED!
12© KEMET Electronics Corporation • KEMET Tower • One East Broward Boulevard C1078_X7R_FT-CAP_AUTO_SMD • 5/3/2019
Fort Lauderdale, FL 33301 USA • 954-766-2800 • www.kemet.com
Surface Mount Multilayer Ceramic Chip Capacitors (SMD MLCCs)
Flexible Termination System (FT-CAP), X7R Dielectric, 6.3 – 250 VDC (Automotive Grade)
Table 3 – Chip Capacitor Land Pattern Design Recommendations per IPC–7351
EIA
Size
Code
Metric
Size
Code
Density Level A:
Maximum (Most)
Land Protrusion (mm)
Density Level B:
Median (Nominal)
Land Protrusion (mm)
Density Level C:
Minimum (Least)
Land Protrusion (mm)
C Y X V1 V2 C Y X V1 V2 C Y X V1 V2
0603 1608 0.85 1.25 1.10 4.00 2.10 0.75 1.05 1.00 3.10 1.50 0.65 0.85 0.90 2.40 1.20
0805 2012 0.99 1.44 1.66 4.47 2.71 0.89 1.24 1.56 3.57 2.11 0.79 1.04 1.46 2.42 1.81
1206 3216 1.59 1.62 2.06 5.85 3.06 1.49 1.42 1.96 4.95 2.46 1.39 1.22 1.86 4.25 2.16
1210 3225 1.59 1.62 3.01 5.90 4.01 1.49 1.42 2.91 4.95 3.41 1.39 1.22 2.81 4.25 3.11
1808 4520 2.30 1.75 2.30 7.40 3.30 2.20 1.55 2.20 6.50 2.70 2.10 1.35 2.10 5.80 2.40
1812 4532 2.10 1.80 3.60 7.00 4.60 2.00 1.60 3.50 6.10 4.00 1.90 1.40 3.40 5.40 3.70
1825 4564 2.15 1.80 6.90 7.10 7.90 2.05 1.60 6.80 6.20 7.30 1.95 1.40 6.70 5.50 7.00
2220 5650 2.85 2.10 5.50 8.80 6.50 2.75 1.90 5.40 7.90 5.90 2.65 1.70 5.30 7.20 5.60
2225 5664 2.85 2.10 6.90 8.80 7.90 2.75 1.90 6.80 7.90 7.30 2.65 1.70 6.70 7.20 7.00
Density Level A: For low-density product applications. Recommended for wave solder applications and provides a wider process window for reflow
solder processes. KEMET only recommends wave soldering of EIA 0603, 0805, and 1206 case sizes.
Density Level B: For products with a moderate level of component density. Provides a robust solder attachment condition for reflow solder processes.
Density Level C: For high component density product applications. Before adapting the minimum land pattern variations the user should perform
qualification testing based on the conditions outlined in IPC Standard 7351 (IPC–7351).
Image below based on Density Level B for an EIA 1210 case size.
Y
C C
X X
V1
V2
Grid Placement Courtyard
Y
cccccccccccccccccccc EHARGED!
13© KEMET Electronics Corporation • KEMET Tower • One East Broward Boulevard C1078_X7R_FT-CAP_AUTO_SMD • 5/3/2019
Fort Lauderdale, FL 33301 USA • 954-766-2800 • www.kemet.com
Surface Mount Multilayer Ceramic Chip Capacitors (SMD MLCCs)
Flexible Termination System (FT-CAP), X7R Dielectric, 6.3 – 250 VDC (Automotive Grade)
Soldering Process
Recommended Soldering Technique:
• Solder wave or solder reflow for EIA case sizes 0603, 0805 and 1206
• All other EIA case sizes are limited to solder reflow only
Recommended Reflow Soldering Profile:
The KEMET families of surface mount multilayer ceramic capacitors (SMD MLCCs) are compatible with wave (single or dual),
convection, IR or vapor phase reflow techniques. Preheating of these components is recommended to avoid extreme thermal
stress. KEMET’s recommended profile conditions for convection and IR reflow reflect the profile conditions of the IPC/
J-STD-020 standard for moisture sensitivity testing. These devices can safely withstand a maximum of three reflow passes
at these conditions.
Storage & Handling
Ceramic chip capacitors should be stored in normal working environments. While the chips themselves are quite robust in
other environments, solderability will be degraded by exposure to high temperatures, high humidity, corrosive atmospheres,
and long term storage. In addition, packaging materials will be degraded by high temperature – reels may soften or warp
and tape peel force may increase. KEMET recommends that maximum storage temperature not exceed 40°C and maximum
storage humidity not exceed 70% relative humidity. Temperature fluctuations should be minimized to avoid condensation on
the parts and atmospheres should be free of chlorine and sulfur bearing compounds. For optimized solderability chip stock
should be used promptly, preferably within 1.5 years of receipt.
Profile Feature Termination Finish
SnPb 100% Matte Sn
Preheat/Soak
Temperature Minimum (TSmin)
100°C
150°C
Temperature Maximum (T
Smax
)150°C 200°C
Time (tS) from TSmin to TSmax
60 – 120 seconds
60 – 120 seconds
Ramp-Up Rate (TL to TP)3°C/second
maximum
3°C/second
maximum
Liquidous Temperature (TL)183°C 217°C
Time Above Liquidous (tL) 60 – 150 seconds 60 – 150 seconds
Peak Temperature (TP)235°C 260°C
Time Within 5°C of Maximum
Peak Temperature (t
P
)
20 seconds
maximum
30 seconds
maximum
Ramp-Down Rate (TP to TL)C/second
maximum
C/second
maximum
Time 25°C to Peak
Temperature
6 minutes
maximum
8 minutes
maximum
Note: All temperatures refer to the center of the package, measured on the
capacitor body surface that is facing up during assembly reflow.
Time
Temperature
Tsmin
25
Tsmax
TL
TPMaximum Ramp-up Rate = 3°C/second
Maximum Ramp-down Rate = 6°C/second
tP
tL
ts
25°C to Peak
E‘Icunmc Companm; KEIVIEI' CHARGED! Layer ) M
14© KEMET Electronics Corporation • KEMET Tower • One East Broward Boulevard C1078_X7R_FT-CAP_AUTO_SMD 5/3/2019
Fort Lauderdale, FL 33301 USA • 954-766-2800 • www.kemet.com
Surface Mount Multilayer Ceramic Chip Capacitors (SMD MLCCs)
Flexible Termination System (FT-CAP), X7R Dielectric, 6.3 – 250 VDC (Automotive Grade)
Construction
Dielectric
Material (BaTiO3)
Detailed Cross Section
Inner Electrodes
(Ni)
Barrier Layer
(Ni)
Termination Finish
(100% Matte Sn)
Termination Finish
(100% Matte Sn)
Inner Electrodes
(Ni)
Dielectric Material
(BaTiO3)
Epoxy Layer
(Ag)
End Termination/
External Electrode
(Cu)
Barrier Layer
(Ni)
Epoxy Layer
(Ag)
End Termination/
External Electrode
(Cu)
summc Con-pan m KEIVIEI' CHARGED.
15© KEMET Electronics Corporation • KEMET Tower • One East Broward Boulevard C1078_X7R_FT-CAP_AUTO_SMD • 5/3/2019
Fort Lauderdale, FL 33301 USA • 954-766-2800 • www.kemet.com
Surface Mount Multilayer Ceramic Chip Capacitors (SMD MLCCs)
Flexible Termination System (FT-CAP), X7R Dielectric, 6.3 – 250 VDC (Automotive Grade)
Capacitor Marking (Optional):
These surface mount multilayer ceramic capacitors are
normally supplied unmarked. If required, they can be
marked as an extra cost option. Marking is available
on most KEMET devices, but must be requested using
the correct ordering code identifi er(s). If this option is
requested, two sides of the ceramic body will be laser
marked with a “K” to identify KEMET, followed by two
characters (per EIA–198 - see table below) to identify the
capacitance value. EIA 0603 case size devices are limited
to the “K” character only.
Laser marking option is not available on:
C0G, ultra stable X8R and Y5V dielectric devices.
EIA 0402 case size devices.
EIA 0603 case size devices with fl exible termination
option.
KPS commercial and automotive grade stacked
devices.
X7R dielectric products in capacitance values outlined
below.
Marking appears in legible contrast. Illustrated below
is an example of an MLCC with laser marking of “KA8”,
which designates a KEMET device with rated capacitance
of 100 µF. Orientation of marking is vendor optional.
KEMET
ID
2-Digit
Capacitance
Code
EIA Case Size Metric Size Code Capacitance
0603
1608
≤ 170 pF
0805
2012
≤ 150 pF
1206
3216
≤ 910 pF
1210
3225
≤ 2,000 pF
1808
4520
≤ 3,900 pF
1812
4532
≤ 6,700 pF
1825
4564
≤ 0.018 µF
2220
5650
≤ 0.027 µF
2225
5664
≤ 0.033 µF
ammmc Compononl: KEIWEI' cums): -acitance F Fur Varinus AI halNumeralldentifiers
16© KEMET Electronics Corporation • KEMET Tower • One East Broward Boulevard C1078_X7R_FT-CAP_AUTO_SMD • 5/3/2019
Fort Lauderdale, FL 33301 USA • 954-766-2800 • www.kemet.com
Surface Mount Multilayer Ceramic Chip Capacitors (SMD MLCCs)
Flexible Termination System (FT-CAP), X7R Dielectric, 6.3 – 250 VDC (Automotive Grade)
Capacitor Marking (Optional) cont’d
Capacitance (pF) For Various Alpha/Numeral Identifi ers
Alpha
Character
Numeral
9
0
1
2
3
4
5
6
7
8
Capacitance (pF)
A
0.10
1.0
10
100
1,000
10,000
100,000
1,000,000
10,000,000
100,000,000
B 0.11 1.1 11 110 1,100 11,000 110,000 1,100,000 11,000,000 110,000,000
C
0.12
1.2
12
120
1,200
12,000
120,000
1,200,000
12,000,000
120,000,000
D
0.13
1.3
13
130
1,300
13,000
130,000
1,300,000
13,000,000
130,000,000
E
0.15
1.5
15
150
1,500
15,000
150,000
1,500,000
15,000,000
150,000,000
F
0.16
1.6
16
160
1,600
16,000
160,000
1,600,000
16,000,000
160,000,000
G 0.18 1.8 18 180 1,800 18,000 180,000 1,800,000 18,000,000 180,000,000
H
0.20
2.0
20
200
2,000
20,000
200,000
2,000,000
20,000,000
200,000,000
J
0.22
2.2
22
220
2,200
22,000
220,000
2,200,000
22,000,000
220,000,000
K
0.24
2.4
24
240
2,400
24,000
240,000
2,400,000
24,000,000
240,000,000
L
0.27
2.7
27
270
2,700
27,000
270,000
2,700,000
27,000,000
270,000,000
M 0.30 3.0 30 300 3,000 30,000 300,000 3,000,000 30,000,000 300,000,000
N
0.33
3.3
33
330
3,300
33,000
330,000
3,300,000
33,000,000
330,000,000
P
0.36
3.6
36
360
3,600
36,000
360,000
3,600,000
36,000,000
360,000,000
Q
0.39
3.9
39
390
3,900
39,000
390,000
3,900,000
39,000,000
390,000,000
R
0.43
4.3
43
430
4,300
43,000
430,000
4,300,000
43,000,000
430,000,000
S 0.47 4.7 47 470 4,700 47,000 470,000 4,700,000 47,000,000 470,000,000
T
0.51
5.1
51
510
5,100
51,000
510,000
5,100,000
51,000,000
510,000,000
U
0.56
5.6
56
560
5,600
56,000
560,000
5,600,000
56,000,000
560,000,000
V
0.62
6.2
62
620
6,200
62,000
620,000
6,200,000
62,000,000
620,000,000
W
0.68
6.8
68
680
6,800
68,000
680,000
6,800,000
68,000,000
680,000,000
X 0.75 7.5 75 750 7,500 75,000 750,000 7,500,000 75,000,000 750,000,000
Y
0.82
8.2
82
820
8,200
82,000
820,000
8,200,000
82,000,000
820,000,000
Z
0.91
9.1
91
910
9,100
91,000
910,000
9,100,000
91,000,000
910,000,000
a
0.25
2.5
25
250
2,500
25,000
250,000
2,500,000
25,000,000
250,000,000
b
0.35
3.5
35
350
3,500
35,000
350,000
3,500,000
35,000,000
350,000,000
d 0.40 4.0 40 400 4,000 40,000 400,000 4,000,000 40,000,000 400,000,000
e
0.45
4.5
45
450
4,500
45,000
450,000
4,500,000
45,000,000
450,000,000
f
0.50
5.0
50
500
5,000
50,000
500,000
5,000,000
50,000,000
500,000,000
m
0.60
6.0
60
600
6,000
60,000
600,000
6,000,000
60,000,000
600,000,000
n
0.70
7.0
70
700
7,000
70,000
700,000
7,000,000
70,000,000
700,000,000
t 0.80 8.0 80 800 8,000 80,000 800,000 8,000,000 80,000,000 800,000,000
y
0.90
9.0
90
900
9,000
90,000
900,000
9,000,000
90,000,000
900,000,000
ammm Compancnls KEIVIEI' Emma): Bmm.12mm 180mm (700») mmmm camenape KPS1812 and 2220
17© KEMET Electronics Corporation • KEMET Tower • One East Broward Boulevard C1078_X7R_FT-CAP_AUTO_SMD • 5/3/2019
Fort Lauderdale, FL 33301 USA • 954-766-2800 • www.kemet.com
Surface Mount Multilayer Ceramic Chip Capacitors (SMD MLCCs)
Flexible Termination System (FT-CAP), X7R Dielectric, 6.3 – 250 VDC (Automotive Grade)
Tape & Reel Packaging Information
KEMET offers multilayer ceramic chip capacitors packaged in 8, 12 and 16 mm tape on 7" and 13" reels in accordance with
EIA Standard 481. This packaging system is compatible with all tape-fed automatic pick and place systems. See Table 2 for
details on reeling quantities for commercial chips.
8 mm, 12 mm
or 16 mm carrier tape
180 mm (7.00")
or
330 mm (13.00")
Anti-static reel
Embossed plastic* or
punched paper carrier.
Embossment or punched cavity
Anti-static cover tape
(0.10 mm (0.004") maximum thickness)
Chip and KPS orientation in pocket
(except 1825 commercial, and 1825 and 2225 Military)
*EIA 01005, 0201, 0402 and 0603 case sizes available on punched paper carrier only.
KEMET
®
Bar code label
Sprocket holes
Table 5 – Carrier Tape Confi guration, Embossed Plastic & Punched Paper (mm)
EIA Case Size
Tape
Size
(W)*
Embossed Plastic Punched Paper
7" Reel 13" Reel 7" Reel 13" Reel
Pitch (P
1
)* Pitch (P
1
)*
01005 – 0402 8 2 2
0603 82/4 2/4
0805 84444
1206 1210 84444
1805 – 1808 12 4 4
≥ 1812 12 8 8
KPS 1210 12 8 8
KPS 1812
and 2220
16 12 12
Array 0612 844
*Refer to Figures 1 and 2 for W and P1 carrier tape reference locations.
*Refer to Tables 6 and 7 for tolerance specifi cations.
New 2 mm Pitch Reel Options*
Packaging
Ordering Code
(C-Spec)
Packaging Type/Options
C-3190
Automotive grade 7" reel unmarked
C-3191
Automotive grade 13" reel unmarked
C-7081
Commercial grade 7" reel unmarked
C-7082
Commercial grade 13" reel unmarked
* 2 mm pitch reel only available for 0603 EIA case size.
2 mm pitch reel for 0805 EIA case size under development.
Benefi ts of Changing from 4 mm to 2 mm Pitching Spacing
Lower placement costs.
Double the parts on each reel results in fewer reel
changes and increased effi ciency.
Fewer reels result in lower packaging, shipping and
storage costs, reducing waste.
Eiecxmmc Compancnls KEIVIEI' EHARGED: ‘ ' F mum: DY Minimum R Reierence SY Minimum T T‘ Note 1 Note 2 Note 3 Maximum Maximum i3Y Maximum E2 T2 W Nole4 Minimum Maximum Maximum
18© KEMET Electronics Corporation • KEMET Tower • One East Broward Boulevard C1078_X7R_FT-CAP_AUTO_SMD • 5/3/2019
Fort Lauderdale, FL 33301 USA • 954-766-2800 • www.kemet.com
Surface Mount Multilayer Ceramic Chip Capacitors (SMD MLCCs)
Flexible Termination System (FT-CAP), X7R Dielectric, 6.3 – 250 VDC (Automotive Grade)
Figure 1 – Embossed (Plastic) Carrier Tape Dimensions
P
0
T
F
W
Center Lines of Cavity
A
0
B
0
User Direction of Unreeling
Cover Tape
K
0
B
1
is for tape feeder reference only,
including draft concentric about B
0
.
T
2
ØD
1
ØD
0
B
1
S
1
T
1
E
1
E
2
P
1
P
2
Embossment
For cavity size,
see Note 1 Table 4
(10 pitches cumulative
tolerance on tape ±0.2 mm)
Table 6 – Embossed (Plastic) Carrier Tape Dimensions
Metric will govern
Constant Dimensions — Millimeters (Inches)
Tape Size D0
D
1
Minimum
Note 1
E1P0 P2
R Reference
Note 2
S
1
Minimum
Note 3
T
Maximum
T
1
Maximum
8 mm
1.5 +0.10/−0.0
(0.059 +0.004/−0.0)
1.0
(0.039)
1.75 ±0.10
(0.069 ±0.004) 4.0 ±0.10
(0.157 ±0.004) 2.0 ±0.05
(0.079 ±0.002)
25.0
(0.984)
0.600
(0.024) 0.600
(0.024) 0.100
(0.004)
12 mm 1.5
(0.059) 30
(1.181)
16 mm
Variable Dimensions — Millimeters (Inches)
Tape Size Pitch
B
1
Maximum
Note 4
E
2
Minimum
F P1
T
2
Maximum
W
Maximum
A0,B0 & K0
8 mm Single (4 mm)
4.35
(0.171)
6.25
(0.246)
3.5 ±0.05
(0.138 ±0.002)
4.0 ±0.10
(0.157 ±0.004)
2.5
(0.098)
8.3
(0.327)
Note 512 mm Single (4 mm)
and double (8 mm)
8.2
(0.323)
10.25
(0.404)
5.5 ±0.05
(0.217 ±0.002)
8.0 ±0.10
(0.315 ±0.004)
4.6
(0.181)
12.3
(0.484)
16 mm Triple (12 mm)
12.1
(0.476)
14.25
(0.561)
7.5 ±0.05
(0.138 ±0.002)
12.0 ±0.10
(0.157 ±0.004)
4.6
(0.181)
16.3
(0.642)
1. The embossment hole location shall be measured from the sprocket hole controlling the location of the embossment. Dimensions of the embossment
location and the hole location shall be applied independently of each other.
2. The tape with or without components shall pass around R without damage (see Figure 6.)
3. If S1 < 1.0 mm, there may not be enough area for a cover tape to be properly applied (see EIA Standard 481, paragraph 4.3, section b.)
4. B1 dimension is a reference dimension for tape feeder clearance only.
5. The cavity defi ned by A0, B0 and K0 shall surround the component with su cient clearance that:
(a) the component does not protrude above the top surface of the carrier tape.
(b) the component can be removed from the cavity in a vertical direction without mechanical restriction, after the top cover tape has been
removed.
(c) rotation of the component is limited to 20° maximum for 8 and 12 mm tapes and 10° maximum for 16 mm tapes (see Figure 3.)
(d) lateral movement of the component is restricted to 0.5 mm maximum for 8 and 12 mm wide tape and to 1.0 mm maximum for 16 mm tape
(see Figure 4.)
(e) for KPS product, A0 and B0 are measured on a plane 0.3 mm above the bottom of the pocket.
(f) see addendum in EIA Standard 481 for standards relating to more precise taping requirements.
ammm Compancnls KEIVI mam): T - V 1 f ¢¢§9 W \ +7: Tiifi‘eri / #4 j/ l ‘X J x — RRefevence NmeZ 0.10 (0.904) maXImum (afiiflig (0237) 4.0 10.10 3.3 (0.157 :a 004) (0.327)
19© KEMET Electronics Corporation • KEMET Tower • One East Broward Boulevard C1078_X7R_FT-CAP_AUTO_SMD • 5/3/2019
Fort Lauderdale, FL 33301 USA • 954-766-2800 • www.kemet.com
Surface Mount Multilayer Ceramic Chip Capacitors (SMD MLCCs)
Flexible Termination System (FT-CAP), X7R Dielectric, 6.3 – 250 VDC (Automotive Grade)
Figure 2 – Punched (Paper) Carrier Tape Dimensions
User Direction of Unreeling
Top Cover Tape
T
Center Lines of Cavity
P1
ØDo Po E1
F
E2
W
G
A0
B0
Cavity Size,
See
Note 1, Table 7
Bottom Cover Tape
T1
T1
Bottom Cover Tape
(10 pitches cumulative
tolerance on tape ±0.2 mm)
Table 7 – Punched (Paper) Carrier Tape Dimensions
Metric will govern
Constant Dimensions — Millimeters (Inches)
Tape Size D
0
E
1
P
0
P
2
T
1
Maximum G Minimum
R Reference
Note 2
8 mm 1.5 +0.10 -0.0
(0.059 +0.004 -0.0) 1.75 ±0.10
(0.069 ±0.004) 4.0 ±0.10
(0.157 ±0.004) 2.0 ±0.05
(0.079 ±0.002)
0.10
(0.004)
maximum
0.75
(0.030) 25
(0.984)
Variable Dimensions — Millimeters (Inches)
Tape Size Pitch E2 Minimum F P1 T Maximum W Maximum A0 B0
8 mm Half (2 mm) 6.25
(0.246) 3.5 ±0.05
(0.138 ±0.002)
2.0 ±0.05
(0.079 ±0.002)
1.1
(0.098)
8.3
(0.327)
Note 1
8 mm Single (4 mm)
4.0 ±0.10
(0.157 ±0.004)
8.3
(0.327)
1. The cavity defi ned by A0, B0 and T shall surround the component with suffi cient clearance that:
a) the component does not protrude beyond either surface of the carrier tape.
b) the component can be removed from the cavity in a vertical direction without mechanical restriction, after the top cover tape has been
removed.
c) rotation of the component is limited to 20° maximum (see Figure 3.)
d) lateral movement of the component is restricted to 0.5 mm maximum (see Figure 4.)
e) see addendum in EIA Standard 481 for standards relating to more precise taping requirements.
2. The tape with or without components shall pass around R without damage (see Figure 6.)
cccccccccccccccccccc Emma): e 7/////////////////////l‘ e O @379
20© KEMET Electronics Corporation • KEMET Tower • One East Broward Boulevard C1078_X7R_FT-CAP_AUTO_SMD 5/3/2019
Fort Lauderdale, FL 33301 USA • 954-766-2800 • www.kemet.com
Surface Mount Multilayer Ceramic Chip Capacitors (SMD MLCCs)
Flexible Termination System (FT-CAP), X7R Dielectric, 6.3 – 250 VDC (Automotive Grade)
Packaging Information Performance Notes
1. Cover Tape Break Force: 1.0 kg minimum.
2. Cover Tape Peel Strength: The total peel strength of the cover tape from the carrier tape shall be:
Tape Width Peel Strength
8 mm 0.1 to 1.0 newton (10 to 100 gf)
12 and 16 mm 0.1 to 1.3 newton (10 to 130 gf)
The direction of the pull shall be opposite the direction of the carrier tape travel. The pull angle of the carrier tape shall be
165° to 180° from the plane of the carrier tape. During peeling, the carrier and/or cover tape shall be pulled at a velocity of
300 ±10 mm/minute.
3. Labeling: Bar code labeling (standard or custom) shall be on the side of the reel opposite the sprocket holes. Refer to EIA
Standards 556 and 624.
Figure 3 – Maximum Component Rotation
Ao
Bo
°
T
°
s
Maximum Component Rotation
Top View
Maximum Component Rotation
Side View
Tape Maximum
Width (mm) Rotation (°
T)
8,12 20
16 – 200 10 Tape Maximum
Width (mm) Rotation ( °
S)
8,12 20
16 – 56 10
72 – 200 5
Typical Pocket Centerline
Typical Component Centerline
Figure 4 – Maximum Lateral Movement
0.5 mm maximum
0.5 mm maximum
8 mm & 12 mm Tape
1.0 mm maximum
1.0 mm maximum
16 mm Tape
Figure 5 – Bending Radius
RR
Bending
Radius
Embossed
Carrier
Punched
Carrier
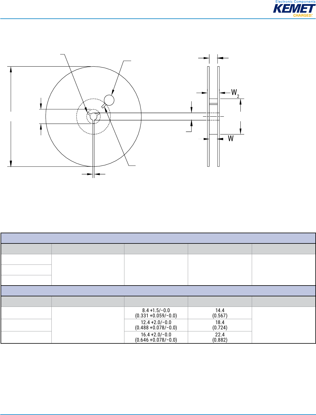
ammm Compancnls KEIVIEI' Emma): 0.4 mes/+0.0 (0331 +0 059400) 12.4 +2 0/00 (0.40:; +0 070/0 0) 15.4 +2.0/+0.0 (0.646 +0 070/0 0) 14.4 (0 567) 10.4 (0.724) 22.4 (0 882)
21© KEMET Electronics Corporation • KEMET Tower • One East Broward Boulevard C1078_X7R_FT-CAP_AUTO_SMD • 5/3/2019
Fort Lauderdale, FL 33301 USA • 954-766-2800 • www.kemet.com
Surface Mount Multilayer Ceramic Chip Capacitors (SMD MLCCs)
Flexible Termination System (FT-CAP), X7R Dielectric, 6.3 – 250 VDC (Automotive Grade)
Figure 6 – Reel Dimensions
AD(See Note)
Full Radius,
See Note
B(see Note)
Access Hole at
Slot Location
(Ø 40 mm minimum)
If present,
tape slot in core
for tape start:
2.5 mm minimum width x
10.0 mm minimum depth
W
3
(Includes
flange distortion
at outer edge)
W
2
(Measured at hub)
W
1
(Measured at hub)
C
(Arbor hole
diameter)
Note: Drive spokes optional; if used, dimensions B and D shall apply.
N
Table 8 – Reel Dimensions
Metric will govern
Constant Dimensions — Millimeters (Inches)
Tape Size A B Minimum CD Minimum
8 mm 178 ±0.20
(7.008 ±0.008)
or
330 ±0.20
(13.000 ±0.008)
1.5
(0.059) 13.0 +0.5/−0.2
(0.521 +0.02/−0.008) 20.2
(0.795)
12 mm
16 mm
Variable Dimensions — Millimeters (Inches)
Tape Size N Minimum W1 W2 Maximum W3
8 mm
50
(1.969)
8.4 +1.5/0.0
(0.331 +0.059/0.0)
14.4
(0.567)
Shall accommodate tape
width without interference
12 mm
12.4 +2.0/0.0
(0.488 +0.078/0.0)
18.4
(0.724)
16 mm
16.4 +2.0/0.0
(0.646 +0.078/0.0)
22.4
(0.882)
EHARGED! 1 fi%¢ee¢o¢¢ o¢ as» ¢¢‘eo¢»$—e¢¢ / u )) rH/mm‘ yllm‘ #e4 keH/ +4 #:4 #é+\#++ \ \LLJ LLW (Lu ‘9900099fl/60fi999wv99 \‘ 90999990 Waif¢‘W¢oe6Too‘6o1 lg: Qiiiggfi1u9M133333§L @y’émawmammm gag“? HHHHH H‘HHHHH
22© KEMET Electronics Corporation • KEMET Tower • One East Broward Boulevard C1078_X7R_FT-CAP_AUTO_SMD 5/3/2019
Fort Lauderdale, FL 33301 USA • 954-766-2800 • www.kemet.com
Surface Mount Multilayer Ceramic Chip Capacitors (SMD MLCCs)
Flexible Termination System (FT-CAP), X7R Dielectric, 6.3 – 250 VDC (Automotive Grade)
Figure 7 – Tape Leader & Trailer Dimensions
Trailer
160 mm minimum
Carrier Tape
END START
Round Sprocket Holes
Elongated Sprocket Holes
(32 mm tape and wider)
Top Cover Tape
Top Cover Tape
Punched Carrier
8 mm & 12 mm only
Embossed Carrier
Components
100 mm
minimum leader
400 mm minimum
Figure 8 – Maximum Camber
Carrier Tape
Round Sprocket Holes
1 mm maximum, either direction
Straight Edge
250 mm
Elongated Sprocket Holes
(32 mm & wider tapes)
ammmc compmm KEIVIEI' cumin:
23© KEMET Electronics Corporation • KEMET Tower • One East Broward Boulevard C1078_X7R_FT-CAP_AUTO_SMD • 5/3/2019
Fort Lauderdale, FL 33301 USA • 954-766-2800 • www.kemet.com
Surface Mount Multilayer Ceramic Chip Capacitors (SMD MLCCs)
Flexible Termination System (FT-CAP), X7R Dielectric, 6.3 – 250 VDC (Automotive Grade)
KEMET Electronics Corporation Sales Offi ces
For a complete list of our global sales offi ces, please visit www.kemet.com/sales.
Disclaimer
All product specifi cations, statements, information and data (collectively, the “Information”) in this datasheet are subject to change. The customer is responsible for
checking and verifying the extent to which the Information contained in this publication is applicable to an order at the time the order is placed. All Information given
herein is believed to be accurate and reliable, but it is presented without guarantee, warranty, or responsibility of any kind, expressed or implied.
Statements of suitability for certain applications are based on KEMET Electronics Corporation’s (“KEMET) knowledge of typical operating conditions for such
applications, but are not intended to constitute – and KEMET specifi cally disclaims – any warranty concerning suitability for a specifi c customer application or use.
The Information is intended for use only by customers who have the requisite experience and capability to determine the correct products for their application. Any
technical advice inferred from this Information or otherwise provided by KEMET with reference to the use of KEMET’s products is given gratis, and KEMET assumes
no obligation or liability for the advice given or results obtained.
Although KEMET designs and manufactures its products to the most stringent quality and safety standards, given the current state of the art, isolated component
failures may still occur. Accordingly, customer applications which require a high degree of reliability or safety should employ suitable designs or other safeguards
(such as installation of protective circuitry or redundancies) in order to ensure that the failure of an electrical component does not result in a risk of personal injury
or property damage.
Although all product–related warnings, cautions and notes must be observed, the customer should not assume that all safety measures are indicted or that other
measures may not be required.
KEMET is a registered trademark of KEMET Electronics Corporation.