PLP1-zzz-F Datasheet by Bivar Inc.

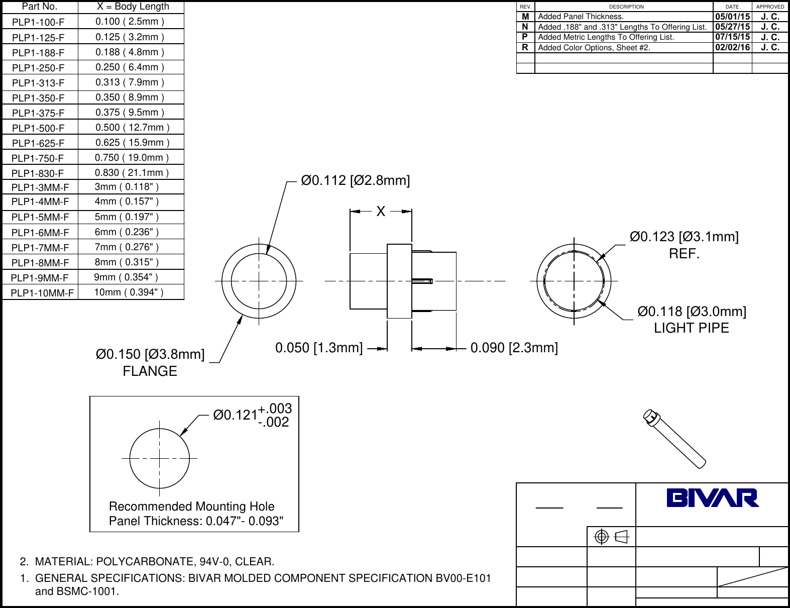
Part No. X = Body Length m ozscwnuN um Amman 0.0.2.5....) 1"222:::2:‘.12C2::fi:.....10.......... 3212111: 3:5; PLF1 7125*F 0-125 ( 32mm ) P Added Metric LengIns T0 OIIenng Lust 07/15/15 J_ c. PLF'1V1887F 0.188 (4.8mm ) R Added cm Opmns, sneemz. 02/02/16 J. c. PLF'172507F 0.250 ( 6.4mm) PLF'173137F 0.313 ( 7.9mm) PLF'173507F 0.350 ( 8.9mm) PLF'173757F 0.375 ( 9.5mm) PLF'175007F 0.500 ( 12.7mm) PLF'176257F 0.625 ( 15.9mm) F'LP1V7507F 0.750 ( 19.0mm) F'LP178307F 0.830 (21.1mm) F'LP173MMVF 3mm(0.118") 90-112 [92-80101] F'LP1V4MMVF 4mm ( 0.157") F'LP175MMVF 5mm ( 0.197") X F'LP1VGMMVF 6mm ( 0.236") F'LP1V7MMVF 7mm(0.276") 60-123 [63.1mm] F'LP178MMVF 8mm(0.315") ‘ REF- PLP179MM7F 9mm ( 0.354“) 7 1 7 7 7 7 7 , PLP171OMM7F 10mm ( 0.394") I $0.150 [93.8mm] 0-050 [1-3mm] FLANGE +003 {30.121002 Recommended Mounting Hole Panel Thickness: 0.047“ 0.093" 2. MATERIAL: POLYCARBONATE, 94V-0, CLEAR. 1. GENERAL SPECIFICATIONS: BIVAR MOLDED COMPONENT SPECIFICATION BVOO-E101 and BSMC-1001. 90.118 [93.0mm] LIGHT PIPE 0.090 [2.3mm] BIVAR $6
REV. DATE APPROVEDDESCRIPTION
0.500 ( 12.7mm )
0.375 ( 9.5mm )
0.350 ( 8.9mm )
0.250 ( 6.4mm )
0.125 ( 3.2mm )
PLP1-125-F
PLP1-500-F
PLP1-350-F
PLP1-375-F
PLP1-250-F
Part No. X = Body Length
2. MATERIAL: POLYCARBONATE, 94V-0, CLEAR.
1. GENERAL SPECIFICATIONS: BIVAR MOLDED COMPONENT SPECIFICATION BV00-E101
and BSMC-1001.
0.100 ( 2.5mm )
PLP1-100-F
RAdded Color Options, Sheet #2. 02/02/16 J. C.
MAdded Panel Thickness. 05/01/15 J. C.
0.188 ( 4.8mm )
PLP1-188-F
0.313 ( 7.9mm )
PLP1-313-F
NAdded .188" and .313" Lengths To Offering List. 05/27/15 J. C.
PAdded Metric Lengths To Offering List. 07/15/15 J. C.
0.625 ( 15.9mm )
PLP1-625-F
0.750 ( 19.0mm )
PLP1-750-F
0.830 ( 21.1mm )
PLP1-830-F 3mm ( 0.118" )
PLP1-3MM-F
5mm ( 0.197" )
PLP1-5MM-F
6mm ( 0.236" )
PLP1-6MM-F
7mm ( 0.276" )
PLP1-7MM-F
8mm ( 0.315" )
PLP1-8MM-F
9mm ( 0.354" )
PLP1-9MM-F
10mm ( 0.394" )
PLP1-10MM-F
Recommended Mounting Hole
Panel Thickness: 0.047"- 0.093"
+.003
-.002
4mm ( 0.157" )
PLP1-4MM-F

X
0.050 [1.3mm]

LIGHT PIPE

REF.

FLANGE
0.090 [2.3mm]
4 THOMAS, IRVINE, CA. 92618
TEL: (949) 951-8808 FAX: (949) 951-3974
TITLE:
(UNLESS OTHERWISE SPECIFIED)
DECIMALS ANGULAR
STANDARD TOLERANCE




REVISED: DATE:
CHECKED: DATE:
PART NO:
32559
REVISION:
SHEET # OF
CAD GENERATED DOCUMENT, DO NOT MEASURE DRAWING
1
V. CHAVEZ 10/21/20
A. VALDEZ 10/21/20 2
PLP1-XXX-FM. CHEN
DESIGNED: DATE:
01/16/02
SCALE:
T1
CAGE CODE:
1:1
PRESS-FIT, PANEL MOUNT,
LIGHT PIPE, FLAT TOP
TUpdated Color Options. 07/05/18 G.O.
BODY LENGTHS FOR CLEAR
LIGHT PIPES.
T1 Corrected PN Assingment 10/21/20 A. V.
OTHER AVAILABLE COLORS ‘ SEE TABLE FOR ORDERING INFORMATION PLP1- _ RIGID LIGHT PIPE] FLAT j SERIES REV usmwmw um Apmvzu SEE SHEET #1 AVAILABLE COLOR OPTIONS FACE LENGTH COLOR Order Code TINTED BLUE BE TINTED GREEN GN TINTED RED RD TINTED YELLOW VW f COLOR Order Code DIFFUSED D SMOKED S NONE
SEE SHEET #1
REV. DESCRIPTION DATE APPROVED
OTHER AVAILABLE COLORS
* SEE TABLE FOR ORDERING INFORMATION
FLAT
FACE
RIGID LIGHT PIPE
SERIES
COLOR Order Code
TINTED BLUE BE
TINTED GREEN GN
TINTED RED RD
TINTED YELLOW YW
LENGTH
COLOR Order Code
DIFFUSED D
SMOKED S
T1
CAD GENERATED DOCUMENT, DO NOT MEASURE DRAWING
22SHEET # OF
PART NO: REVISION:
SCALE:
PLP1-XXX-F
PART
NUMBER BODY LENGTH
PLP1-100-F 0.100" (2.5mm)
PLP1-125-F 0.125" (3.2mm)
PLP1-2.5mm-F 2.5mm (0.100")
PLP1-3mm-F 3mm (0.118")
RIGID LIGHT PIPE
SERIES LENGTH
PART
NUMBER
BODY
LENGTH
PLP1-100-F 0.100" (2.5mm)
PLP1-125-F 0.125" (3.2mm)
PLP1-2.5mm-F 2.5mm (0.100")
PLP1-3mm-F 3mm (0.118")
FLAT
FACE