LTM8026 Datasheet by Analog Devices Inc.

NDW PART OF ANALOG DEVICES LIL TIEIDHNOLOGY LTM8026 ml .5 LU|—- }_T OUTPUT VOLTAGE M an
LTM8026
1
8026fd
For more information www.linear.com/LTM8026
TYPICAL APPLICATION
FEATURES DESCRIPTION
36VIN, 5A CVCC Step-Down
µModule Regulator
The LT M
®
8026 is a 36VIN, 5A constant-voltage, constant-
current (CVCC) step-down µModule
®
regulator. Included in
the package are the switching controller, power switches,
inductor and support components. Operating over an
input voltage range of 6V to 36V, the LTM8026 supports
an output voltage range of 1.2V to 24V. CVCC operation
allows the LTM8026 to accurately regulate its output
current up to 5A over the entire output range. The output
current can be set by a control voltage, a single resistor or
a thermistor. Only resistors to set the output voltage and
frequency and the bulk input and output filter capacitors
are needed to finish the design.
The LTM8026 is packaged in a thermally-enhanced,
compact (11.25mm × 15mm) overmolded land grid ar-
ray (LGA) and ball grid array (BGA) packages suitable for
automated assembly by standard surface mount equip-
ment. The LTM8026 is available in SnPb (BGA) or RoHS
compliant terminal finish.
Typical Application
APPLICATIONS
n Complete Step-Down Switch Mode Power Supply
n Constant-Voltage Constant-Current Operation
n Selectable Output Current Up to 5A
n Parallelable for Increased Output Current, Even
from Different Voltage Sources
n Wide Input Voltage Range: 6V to 36V
n 1.2V to 24V Output Voltage
n Selectable Switching Frequency: 100kHz to 1MHz
n SnPb or RoHS Compliant Finish
n Programmable Soft-Start
n (11.25mm × 15mm × 2.82mm) LGA and (11.25mm
× 15mm × 3.42mm BGA Packages
n SuperCap Charging
n General Purpose Industrial
n Extreme Short-Circuit Protection or Accurate Output
Current Limit
n µController-Based Battery Charging
n High Power LED Drive
n Multiple Input, Single Output Voltage Conversion
L, LT , LT C , LT M , µModule, Linear Technology and the Linear logo are registered trademarks of
Analog Devices Inc. All other trademarks are the property of their respective owners. Protected
by U.S. Patents including 7199560, 7321203 and others pending.
VIN
RUN
510k
SS
LTM8026
SYNC 330µF
100µF
8026 TA01a
10µF
VIN
6V TO 36V
V
OUT
2.5V
5A
COMP
VOUT
VREF
CTL_I
CTL_T
RT GND
90.9k 9.09k
ADJ
+
VOUT vs IOUT, 12VIN
OUTPUT CURRENT (A)
0
0
OUTPUT VOLTAGE (V)
0.5
1.0
1.5
2.0
2.5
3.0
1 2 3 64 5
8026 TA01b
LTM8026 TTTTTTT
LTM8026
2
8026fd
For more information www.linear.com/LTM8026
PIN CONFIGURATION
ABSOLUTE MAXIMUM RATINGS
VIN ............................................................................40V
ADJ, RT, COMP, CTL_I, CTL_T, VREF ...........................3V
VOUT .......................................................................... 25V
RUN, SYNC, SS ...........................................................6V
(Note 1)
BANK 3
SYNC
RUN
CLT_T
CLT_I
VREF
RT
COMP
SS
ADJ
BANK 1
A B C D E F
LGA PACKAGE
81-LEAD (15mm
×
11.25mm
×
2.82mm)
G H J K L
BANK 2 GND
TOP VIEW
VOUT
8
7
6
5
4
3
2
1
VIN
TJMAX = 125°C, θJA = 18.6°C/W, θJC(bottom) = 5.4°C/W, θJB = 5.6°C/W, θJC(top) = 10.8°C/W
WEIGHT = 1.4g, θ VALUES DERIVED FROM A 4-LAYER 7.62cm × 7.62cm
BANK 3
SYNC
RUN
CLT_T
CLT_I
VREF
RT
COMP
SS
ADJ
BANK 1
A B C D E F
BGA PACKAGE
81-LEAD (15mm × 11.25mm × 3.42mm)
G H J K L
BANK 2 GND
TOP VIEW
VOUT
8
7
6
5
4
3
2
1
VIN
TJMAX = 125°C, θJA = 18.6°C/W, θJC(bottom) = 5.4°C/W, θJB = 5.6°C/W, θJC(top) = 10.8°C/W
WEIGHT = 1.4g, θ VALUES DERIVED FROM A 4-LAYER 7.62cm × 7.62cm
Current Into RUN Pin ............................................100µA
Internal Operating Temperature Range .. –40°C to 125°C
Peak Solder Reflow Body Temperature ................. 24C
Storage Temperature.............................. 5C to 125°C
PART NUMBER PAD OR BALL FINISH PART MARKING* PACKAGE
TYPE
MSL
RATING
TEMPERATURE RANGE
(Note 2)
DEVICE FINISH CODE
LTM8026EV#PBF Au (RoHS) LTM8026V e4 LGA 3 –40°C to 125°C
LTM8026IV#PBF Au (RoHS) LTM8026V e4 LGA 3 –40°C to 125°C
LTM8026MPV#PBF Au (RoHS) LTM8026V e4 LGA 3 –55°C to 125°C
LTM8026EY#PBF SAC305 (RoHS) LTM8026Y e1 BGA 3 –40°C to 125°C
LTM8026IY#PBF SAC305 (RoHS) LTM8026Y e1 BGA 3 –40°C to 125°C
LTM8026IY SnPb (63/37) LTM8026Y e0 BGA 3 –40°C to 125°C
LTM8026MPY#PBF SAC305 (RoHS) LTM8026Y e1 BGA 3 –55°C to 125°C
LTM8026MPY SnPb (63/37) LTM8026Y e0 BGA 3 –55°C to 125°C
Consult Marketing for parts specified with wider operating temperature
ranges. *Device temperature grade is indicated by a label on the shipping
container. Pad or ball finish code is per IPC/JEDEC J-STD-609.
• Terminal Finish Part Marking:
www.linear.com/leadfree
• Recommended LGA and BGA PCB Assembly and Manufacturing
Procedures:
www.linear.com/umodule/pcbassembly
• LGA and BGA Package and T
ray Drawings:
www.linear.com/packaging
ORDER INFORMATION
http://www.linear.com/product/LTM8026#orderinfo
LTM8026
LTM8026
3
8026fd
For more information www.linear.com/LTM8026
ELECTRICAL CHARACTERISTICS
The l denotes the specifications which apply over the full internal
operating temperature range, otherwise specifications are at TA = 25°C. RUN = 3V, unless otherwise noted. (Note 3)
PARAMETER CONDITIONS MIN TYP MAX UNITS
Minimum Input Voltage l6 V
Output DC Voltage IOUT = 1A, RADJ Open
IOUT = 1A, RADJ = 499Ω
1.2
24
V
V
Output DC Current 6V < VIN < 36V, VOUT = 3.3V 0 5 A
Quiescent Current Into VIN RUN = 0V
No Load
0.1
2
3
4
µA
mA
Line Regulation 6V < VIN < 36V, IOUT = 1A 0.1 %
Load Regulation VIN = 12V, 0A < IOUT < 5A 0.7 %
Output RMS Voltage Ripple VIN = 12V, IOUT = 4.5A 10 mV
Switching Frequency RT = 40.2k
RT = 453k
1000
100
kHz
kHz
Voltage at ADJ Pin l1.16 1.19 1.22 V
Current Out of ADJ Pin ADJ = 0V, VOUT = 1V 100 µA
RUN Pin Current RUN = 1.45V 5.5 µA
RUN Threshold Voltage (Falling) 1.47 1.55 1.63 V
RUN Input Hysteresis 130 mV
CTL_I Control Range 0 1.5 V
CTL_I Pin Current 1.5 µA
CTL_I Current Limit Accuracy CTL_I = 1.5V
CTL_I = 0.75V
5.1
2.24
5.6
2.8
6.1
3.36
A
A
CTL_T Control Range 0 1.5 V
CTL_T Pin Current 1.5 µA
CTL_T Current Limit Accuracy CTL_T = 1.5V
CTL_T = 0.75V
5.1
2.24
5.6
2.8
6.1
3.36
A
A
VREF Voltage 0.5mA Load 1.89 2.04 V
SS Pin Current (Note 4) –11 µA
SYNC Input Low Threshold fSYNC = 400kHz 0.6 V
SYNC Input High Threshold fSYNC = 400kHz 1.2 V
SYNC Bias Current SYNC = 0V 1 µA
Note 1: Stresses beyond those listed under Absolute Maximum Ratings
may cause permanent damage to the device. Exposure to any Absolute
Maximum Rating condition for extended periods may affect device
reliability and lifetime.
Note 2: This µModule regulator includes overtemperature protection that
is intended to protect the device during momentary overload conditions.
Internal temperature will exceed 125°C when overtemperature protection
is active. Continuous operation above the specified maximum internal
operating junction temperature may impair device reliability.
Note 3: The LTM8026E is guaranteed to meet performance specifications
from 0°C to 125°C internal operating temperature. Specifications over the
full –40°C to 125°C internal operating temperature range are assured by
design, characterization and correlation with statistical process controls.
The LTM8026I is guaranteed to meet specifications over the full –40°C
to 125°C internal operating temperature range. The LTM8026MP is
guaranteed to meet specifications over the full –55°C to 125°C internal
operating temperature range. Note that the maximum internal temperature
is determined by specific operating conditions in conjunction with board
layout, the rated package thermal resistance and other environmental
factors.
Note 4: Current flows out of pin.
LTM8026 55.2% 3: 555mb 3: 555mb 55.2% 3: 555mb mu EEGEW :2 555mb
LTM8026
4
8026fd
For more information www.linear.com/LTM8026
TYPICAL PERFORMANCE CHARACTERISTICS
2.5VOUT Efficiency
vs Output Current
3.3VOUT Efficiency
vs Output Current
5VOUT Efficiency
vs Output Current
8VOUT Efficiency
vs Output Current
12VOUT Efficiency
vs Output Current
18VOUT Efficiency
vs Output Current
1.2VOUT Efficiency
vs Output Current
1.5VOUT Efficiency
vs Output Current
1.8VOUT Efficiency
vs Output Current
TA = 25°C, unless otherwise noted. Configured per Table 1, where applicable.
OUTPUT CURRENT (A)
0
EFFICIENCY (%)
65
70
75
3
5
8026 G01
60
55
50 1 2 4
80
85
90
6VIN
12VIN
24VIN
36VIN
OUTPUT CURRENT (A)
EFFICIENCY (%)
65
70
75
3
5
8026 G02
60
55
50 10 2 4
80
85
90
6VIN
12VIN
24VIN
36VIN
OUTPUT CURRENT (A)
EFFICIENCY (%)
65
70
75
3
5
8026 G03
60
55
50 10 2 4
80
85
90
6VIN
12VIN
24VIN
36VIN
OUTPUT CURRENT (A)
EFFICIENCY (%)
65
70
75
3
5
8026 G04
60
55
50 10 2 4
80
85
95
90
6VIN
12VIN
24VIN
36VIN
OUTPUT CURRENT (A)
EFFICIENCY (%)
65
70
75
3
5
8026 G05
60
55
50 10 2 4
80
85
95
90
6VIN
12VIN
24VIN
36VIN
OUTPUT CURRENT (A)
EFFICIENCY (%)
65
70
75
3
5
8026 G06
60
55
50 10 2 4
80
85
95
90
12VIN
24VIN
36VIN
OUTPUT CURRENT (A)
EFFICIENCY (%)
65
70
75
3
5
8026 G07
60
55
50 10 2 4
80
85
100
95
90
12VIN
24VIN
36VIN
OUTPUT CURRENT (A)
EFFICIENCY (%)
65
70
75
3
5
8026 G08
60 10 2 4
80
85
95
90
24VIN
36VIN
OUTPUT CURRENT (A)
EFFICIENCY (%)
70
75
3
5
8026 G09
65 10 2 4
80
85
100
95
90
24VIN
36VIN
LTM8026 3: 55.2% 2:5ng 5%: .s FEES :32. 90 :3 Sift 3: EEGEW é FEES :32. mu .5 $5.5m E 55.2% 3 EEE 5%.
LTM8026
5
8026fd
For more information www.linear.com/LTM8026
TYPICAL PERFORMANCE CHARACTERISTICS
24VOUT Efficiency
vs Output Current
–3.3VOUT Efficiency
vs Output Current
–5VOUT Efficiency
vs Output Current
–8VOUT Efficiency
vs Output Current
–12VOUT Efficiency
vs Output Current
Input Current vs Output Current
1.2VOUT
Input Current vs Output Current
1.5VOUT
Input Current vs Output Current
1.8VOUT
Input Current vs Output Current
2.5VOUT
TA = 25°C, unless otherwise noted. Configured per Table 1, where applicable.
TA = 25°C, unless otherwise noted.
OUTPUT CURRENT (A)
EFFICIENCY (%)
75
3
5
4
8026 G10
70 10 2
80
85
100
95
90
28VIN
36VIN
OUTPUT CURRENT (A)
EFFICIENCY (%)
65
70
75
3
5
8026 G11
60
55
50 10 2 4
80
85
90
12VIN
24VIN
33VIN
OUTPUT CURRENT (A)
EFFICIENCY (%)
65
70
75
3
5
8026 G12
60
55
50 10 2 4
80
85
90
12VIN
24VIN
31VIN
OUTPUT CURRENT (A)
EFFICIENCY (%)
65
70
75
3
5
8026 G13
60
55
50 10 2 4
80
85
90
12VIN
24VIN
28VIN
OUTPUT CURRENT (A)
EFFICIENCY (%)
65
70
75
3
3.5
8026 G14
60 10 21.50.5 2.5
80
85
90
12VIN
24VIN
OUTPUT CURRENT (A)
0
INPUT CURRENT (A)
0.6
0.8
1.0
3
5
8026 G15
0.4
0.2
01 2 4
1.2
1.4
1.6
6VIN
12VIN
24VIN
36VIN
OUTPUT CURRENT (A)
INPUT CURRENT (A)
0.6
0.8
1.0
3
5
8026 G16
0.4
0.2
010 2 4
1.2
1.4
1.8
1.6
6VIN
12VIN
24VIN
36VIN
OUTPUT CURRENT (A)
INPUT CURRENT (A)
0.6
0.8
1.0
3
5
8026 G17
0.4
0.2
010 2 4
1.2
1.4
2.0
1.8
1.6
6VIN
12VIN
24VIN
36VIN
OUTPUT CURRENT (A)
0
0
0.5
1.0
1.5
2.0
2.5
1 2 3 4
5
6VIN
12VIN
24VIN
36VIN
LTM8026 2.5.5.8 5%. €55.55 5%. €55.55 5%. evw ‘va 35 .4. 5.5.5 5%. 3.5.5.5 5%. .5 EWEB 5%. .5 EWEB 5%. ma
LTM8026
6
8026fd
For more information www.linear.com/LTM8026
TYPICAL PERFORMANCE CHARACTERISTICS
Input Current vs Output Current
3.3VOUT
Input Current vs Output Current
12VOUT
Input Current vs Input Voltage
(Output Shorted)
Input Current vs Load Current
–3.3VOUT
Input Current vs Load Current
–5VOUT
Input Current vs Output Current
5VOUT
Input Current vs Output Current
18VOUT
Input Current vs Output Current
8VOUT
Input Current vs Output Current
24VOUT
OUTPUT CURRENT (A)
0
0
0.5
1.0
1.5
2.0
2.5
3.0
1 2 3 4
5
6VIN
12VIN
24VIN
36VIN
OUTPUT CURRENT (A)
0
0
0.5
1.0
1.5
2.0
2.5
3.5
3.0
1 2 3 4
5
8VIN
12VIN
24VIN
36VIN
OUTPUT CURRENT (A)
0
0
0.5
1.0
1.5
2.0
2.5
4.0
3.5
3.0
1 2 3 4
5
15VIN
24VIN
36VIN
OUTPUT CURRENT (A)
0
0
0.5
1.0
1.5
2.0
2.5
4.0
3.5
3.0
1 2 3 4
5
22VIN
24VIN
36VIN
OUTPUT CURRENT (A)
0
0
0.5
1.0
1.5
2.0
2.5
3.5
3.0
1 2 3 4
5
28VIN
36VIN
INPUT VOLTAGE (V)
0
400
500
700
30
8026 G25
300
200
10 20 40
100
0
600
INPUT CURRENT (mA)
OUTPUT CURRENT (A)
0
INPUT CURRENT (A)
0.6
0.8
1.0
35
8026 G26
0.4
0.2
01 2 4
1.2
1.4
1.6
12VIN
24VIN
32.5VIN
OUTPUT CURRENT (A)
0
INPUT CURRENT (A)
0.6
0.8
1.0
35
8026 G27
0.4
0.2
01 2 4
1.2
1.4
1.6
1.8
2.0
12VIN
24VIN
31VIN
TA = 25°C, unless otherwise noted. Configured per Table 1, where applicable.
OUTPUT CURRENT (A)
0
0
INPUT CURRENT (A)
0.5
1.0
1.5
2.0
2.5
4.0
3.5
3.0
1 2 3 4
8026 G21
5
12VIN
24VIN
36VIN
LTM8026 25 3. .352. 5%. as .SEWEB 5%. an .SEWEB 5%. 72 S. .35 E. 5%. 54 3. 55.35%. an 2‘5 3. .352. 5%. / Md 3. .352. 5%. mu 3. 5.535%.
LTM8026
7
8026fd
For more information www.linear.com/LTM8026
TYPICAL PERFORMANCE CHARACTERISTICS
Input Current vs Load Current
–8VOUT
Input Current vs Load Current
–12VOUT
Minimum Required Input Running
Voltage vs Negative Output Voltage
Minimum Required Input Running
Voltage vs Output Voltage,
IOUT = 5A
Minimum Required Input Voltage
vs Load 3.3VOUT and Below
Minimum Required Input Voltage
vs Load 5VOUT
Minimum Required Input Voltage
vs Load 8VOUT
Minimum Required Input Voltage
vs Load 12VOUT
Minimum Required Input Voltage
vs Load 18VOUT
OUTPUT CURRENT (A)
0
0
0.5
1.0
1.5
2.0
2.5
1 2 3 4
5
12VIN
24VIN
28VIN
OUTPUT CURRENT (A)
0
0
0.5
1.0
1.5
2.0
2.5
3.0
1 2 3 4
5
12VIN
24VIN
OUTPUT VOLTAGE (V)
0
0
INPUT VOLTAGE (V)
5
10
15
20
25
–5 –10
8026 G30
–15
IOUT = 4A
IOUT = 3A
IOUT = 2A
IOUT = 1A
OUTPUT VOLTAGE (V)
0
0
INPUT VOLTAGE (V)
5
10
15
20
30
510 15 20
8026 G31
25 30
25
LOAD CURRENT (A)
0
13.2
13.4
13.6
13.8
14.0
14.2
1 2 3 4
5
LOAD CURRENT (A)
0
19.0
19.5
20.0
20.5
21.0
1 2 3 4
5
TA = 25°C, unless otherwise noted. Configured per Table 1, where applicable.
LOAD CURRENT (A)
0
INPUT VOLTAGE (V)
6.0
6.2
6.4
4
8026 G32
5.8
5.6 1235
LOAD CURRENT (A)
0
INPUT VOLTAGE (V)
6.8
7.2
7.0
4
8026 G33
6.6
6.4
1235
LOAD CURRENT (A)
0
INPUT VOLTAGE (V)
9.4
9.6
10.0
9.8
4
8026 G34
9.2
9.0 123
5
LTM8026 280 S $35592. an au 62 mm; muzzxwmgfi 7o eu
LTM8026
8
8026fd
For more information www.linear.com/LTM8026
Minimum Required Input Voltage
vs Load 24VOUT
Minimum Required Input Voltage
vs Load –8VOUT
Minimum Required Input Voltage
vs Load –3.3VOUT
Minimum Required Input Voltage
vs Load –12VOUT
Minimum Required Input Voltage
vs Load –5VOUT
Temperature Rise vs Load Current
2.5VOUT
Temperature Rise vs Load Current
3.3VOUT
Temperature Rise vs Load Current
5VOUT
Temperature Rise vs Load Current
8VOUT
TYPICAL PERFORMANCE CHARACTERISTICS
LOAD CURRENT (A)
0
25.5
INPUT VOLTAGE (V)
26.0
26.5
27.0
27.5
28.0
1 2 3 4
8026 G37
5
LOAD CURRENT (A)
0
25
30
35
4
8026 G38
20
15
1 2 3 5
10
5
0
INPUT VOLTAGE (V)
TO START
RUN CONTROLLED
TO RUN
LOAD CURRENT (A)
0
25
30
35
4
8026 G39
20
15
123
5
10
5
0
INPUT VOLTAGE (V)
TO START
RUN CONTROLLED
TO RUN
LOAD CURRENT (A)
0
25
30
4
8026 G40
20
15
123
5
10
5
0
INPUT VOLTAGE (V)
TO START
RUN CONTROLLED
TO RUN
LOAD CURRENT (A)
0
25
30
8026 G41
20
15
123
4
10
5
0
INPUT VOLTAGE (V)
TO START
RUN CONTROLLED
TO RUN
LOAD CURRENT (A)
0
50
60
4
8026 G42
40
30
123
5
20
10
0
TEMPERATURE RISE (°C)
36VIN
24VIN
12VIN
6VIN
LOAD CURRENT (A)
0
50
60
4
8026 G43
40
30
123
5
20
10
0
TEMPERATURE RISE (°C)
36VIN
24VIN
12VIN
6VIN
LOAD CURRENT (A)
0
50
70
60
4
8026 G44
40
30
123
5
20
10
0
TEMPERATURE RISE (°C)
36VIN
24VIN
12VIN
7VIN
LOAD CURRENT (A)
0
0
10
30
40
50
245
20
1 3
60
70
80
36VIN
24VIN
12VIN
TA = 25°C, unless otherwise noted. Configured per Table 1, where applicable.
LTM8026 mu :2 mm; muzzxwmgfi ‘20 ‘20 62 mm; muzzxwmgfi 62 mm; muzzxwmgfi ¢ 70 500 :3 5:3 I ‘20
LTM8026
9
8026fd
For more information www.linear.com/LTM8026
Temperature Rise vs Load Current
12VOUT
Temperature Rise vs Load Current
–3.3VOUT
Temperature Rise vs Load Current
–12VOUT Switching Frequency vs RT Value
Temperature Rise vs Load Current
–5VOUT
Temperature Rise vs Load Current
–8VOUT
Temperature Rise vs Load Current
18VOUT
Temperature Rise vs Load Current
24VOUT
TYPICAL PERFORMANCE CHARACTERISTICS
LOAD CURRENT (A)
0
100
120
4
8026 G46
80
60
123
5
40
20
0
TEMPERATURE RISE (°C)
36VIN
24VIN
15VIN
LOAD CURRENT (A)
0
100
120
4
8026 G47
80
60
123
5
40
20
0
TEMPERATURE RISE (°C)
36VIN
24VIN
LOAD CURRENT (A)
0
TEMPERATURE RISE (°C)
60
80
100
4
8026 G48
40
20
50
70
90
30
10
01235
36VIN
28VIN
LOAD CURRENT (A)
0
50
70
60
4
8026 G49
40
30
123
5
20
10
0
TEMPERATURE RISE (°C)
12VIN
32.5VIN
24VIN
LOAD CURRENT (A)
0
TEMPERATURE RISE (°C)
30
40
50
35
8026 G50
20
10
01 2 4
60
70
80
12VIN
31VIN
24VIN
LOAD CURRENT (A)
0
0
10
30
40
50
245
20
1 3
60
70
80
12VIN
28VIN
24VIN
LOAD CURRENT (A)
0
100
120
8026 G52
80
60
123
4
40
20
0
TEMPERATURE RISE (°C)
24VIN
12VIN
SWITCHING FREQUENCY (MHz)
0
R
T
VALUE (kΩ)
300
400
500
0.8
8026 G53
200
100
250
350
450
150
50
00.2 0.4 0.6
1.0
TA = 25°C, unless otherwise noted. Configured per Table 1, where applicable.
LTM8026 ‘IO CTLJ VOLTAGE (V)
LTM8026
10
8026fd
For more information www.linear.com/LTM8026
PIN FUNCTIONS
VOUT (Bank 1): Power Output Pins. Apply the output filter
capacitor and the output load between these pins and
GND pins.
GND (Bank 2): Tie these GND pins to a local ground plane
below the LTM8026 and the circuit components. In most
applications, the bulk of the heat flow out of the LTM8026
is through these pads, so the printed circuit design has a
large impact on the thermal performance of the part. See
the PCB Layout and Thermal Considerations sections for
more details. Return the feedback divider (RADJ) to this net.
VIN (Bank 3): The VIN pins supply current to the LTM8026’s
internal regulator and to the internal power switches. These
pins must be locally bypassed with an external, low ESR
capacitor; see Table 1 for recommended values.
CTL_T (Pin D8): Connect a resistor/NTC thermistor network
to the CTL_T pin to reduce the maximum regulated output
current of the LTM8026 in response to temperature. The
maximum control voltage is 1.5V. If this function is not
used, tie this pin to VREF
.
CTL_I (Pin E8): The CTL_I pin reduces the maximum
regulated output current of the LTM8026. The maximum
control voltage is 1.5V. If this function is not used, tie
this pin to VREF
.
VREF (Pin F8): Buffered 2V Reference Capable of 0.5mA
Drive.
RT (Pin G8): The RT pin is used to program the switching
frequency of the LTM8026 by connecting a resistor from
this pin to ground. The Applications Information section
of the data sheet includes a table to determine the resis-
tance value based on the desired switching frequency.
When using the SYNC function, apply a resistor value
equivalent to 20% lower than the SYNC pulse frequency.
Do not leave this pin open.
COMP (Pin H8): Compensation Pin. This pin is generally
not used. The LTM8026 is internally compensated, but
some rare situations may arise that require a modification
to the control loop. This pin connects directly to the PWM
comparator of the LTM8026. In most cases, no adjustment
is necessary. If this function is not used, leave this pin open.
CTL_I Voltage vs Load Current,
CTL_T = 2V
CTL_T Voltage vs Load Current,
CTL_I = 2V
TYPICAL PERFORMANCE CHARACTERISTICS
LOAD CURRENT (A)
10
0
0.5
1.0
1.5
2.0
2345
6
LOAD CURRENT (A)
10
0
0.5
1.0
1.5
2.0
2345
6
TA = 25°C, unless otherwise noted. Configured per Table 1, where applicable.
LTM8026 11.9 '— |—’__L $3 5;} E] 11
LTM8026
11
8026fd
For more information www.linear.com/LTM8026
PIN FUNCTIONS
BLOCK DIAGRAM
RUN
0.2µF
SS
SYNC
VREF
CTL_I
CTL_T
COMP
GND RT ADJ
8026 BD
VOUT
VIN INTERNAL
REGULATOR
RSENSE
2.2µH
10k 2.2µF
VIN
CURRENT
MODE
CONTROLLER
SS (Pin J8): The Soft-Start Pin. Place an external capacitor
to ground to limit the regulated current during start-up
conditions. The soft-start pin has an 11µA charging current.
ADJ (Pin K8): The LTM8026 regulates its ADJ pin to 1.19V.
Connect the adjust resistor from this pin to ground. The
value of RADJ is given by the equation:
RADJ =
11.9
V
OUT
– 1.19
where RADJ is in kΩ.
RUN (Pin L6): The RUN pin acts as an enable pin and
turns on the internal circuitry. The RUN pin is internally
clamped, so it may be pulled up to a voltage source that is
higher than the absolute maximum voltage of 6V through a
resistor, provided the pin current does not exceed 100µA.
Do not leave this pin open. It may also be used to imple-
ment a precision UVLO. See the Applications Information
section for details.
SYNC (Pin L7): Frequency Synchronization Pin. This pin
allows the switching frequency to be synchronized to an
external clock. The RT resistor should be chosen to oper-
ate the internal clock at 20% lower than the SYNC pulse
frequency. This pin should be grounded when not in use.
Do not leave this pin floating. When laying out the board,
avoid noise coupling to or from the SYNC trace. See the
Synchronization section in Applications Information.
LTM8026 12
LTM8026
12
8026fd
For more information www.linear.com/LTM8026
OPERATION
The LTM8026 is a standalone nonisolated step-down
switching DC/DC power supply that can deliver up to 5A of
output current. This µModule regulator provides a precisely
regulated output voltage programmable via one external
resistor from 1.2V to 24V. The input voltage range is 6V
to 36V. Given that the LTM8026 is a step-down converter,
make sure that the input voltage is high enough to support
the desired output voltage and load current.
As shown in the Block Diagram, the LTM8026 contains a
current mode controller, power switches, power inductor,
and a modest amount of input and output capacitance.
The LTM8026 utilizes fixed frequency, average current
mode control to accurately regulate the inductor current,
independently from the output voltage. This is an ideal
solution for applications requiring a regulated current
source. The control loop will regulate the current in the
internal inductor. Once the output has reached the regula-
tion voltage determined by the resistor from the ADJ pin
to ground, the inductor current will be reduced by the
voltage regulation loop.
The current control loop has two reference inputs,
determined by the voltage at the analog control pins, CTL_I
and CTL_T . CTL_I is typically used to set the maximum
allowable current output of the LTM8026, while CTL_T
is typically used with a NTC thermistor to reduce the
output current in response to temperature. The lower of
the two analog voltages on CTL_I and CTL_T determines
the regulated output current. The analog control range of
both the CTL_I and CTL_T pin is from 0V to 1.5V.
The RUN pin functions as a precision shutdown pin. When
the voltage at the RUN pin is lower than 1.55V, switch-
ing is terminated. Below the turn-on threshold, the RUN
pin sinks 5.5µA. This current can be used with a resistor
between RUN and VIN to the set a hysteresis. During start-
up, the SS pin is held low until the part is enabled, after
which the capacitor at the soft-start pin is charged with
an 11µA current source.
The LTM8026 is equipped with a thermal shutdown to
protect the device during momentary overload conditions.
It is set above the 125°C absolute maximum internal tem-
perature rating to avoid interfering with normal specified
operation, so internal device temperatures will exceed
the absolute maximum rating when the overtemperature
protection is active. So, continuous or repeated activation
of the thermal shutdown may impair device reliability.
During thermal shutdown, all switching is terminated and
the SS pin is driven low.
The switching frequency is determined by a resistor at
the RT pin. The LTM8026 may also be synchronized to an
external clock through the use of the SYNC pin.
LTM8026 13
LTM8026
13
8026fd
For more information www.linear.com/LTM8026
APPLICATIONS INFORMATION
For most applications, the design process is straight
forward, summarized as follows:
1. Look at Table 1 and find the row that has the desired
input range and output voltage.
2. Apply the recommended CIN, COUT, RADJ and RT
values.
While these component combinations have been tested for
proper operation, it is incumbent upon the user to verify
proper operation over the intended system’s line, load and
environmental conditions. Bear in mind that the maximum
output current is limited by junction temperature, the
relationship between the input and output voltage mag-
nitude and polarity and other factors. Please refer to the
Table 1. Recommended Component Values and Configuration.
(TA = 25°C. See Typical Performance Characteristics for Load Conditions)
VIN VOUT CIN COUT CERAMIC COUT ELECTROLYTIC RADJ fOPTIMAL RT(OPTIMAL)fMAX RT(MIN)
6V to 36V 1.2 10µF, 50V, 1210 100µF, 6.3V, 1210 470µF, 6.3V, 9m_, Chemi-Con,
APXF6R3ARA471MH80G
Open 200kHz 210k 250kHz 169k
6V to 36V 1.5 10µF, 50V, 1210 100µF, 6.3V, 1210 470µF, 6.3V, 9m_, Chemi-Con,
APXF6R3ARA471MH80G
38.3k 300kHz 140k 350kHz 118k
6V to 36V 1.8 10µF, 50V, 1210 100µF, 6.3V, 1210 470µF, 6.3V, 9m_, Chemi-Con,
APXF6R3ARA471MH80G
19.6k 350kHz 118k 400kHz 102k
6V to 36V 2.5 10µF, 50V, 1210 100µF, 6.3V, 1210 330µF, 4V, 27mΩ, OS-CON, 4SVPC330M 9.09k 450kHz 90.9k 525kHz 78.7k
6V to 36V 3.3 10µF, 50V, 1210 100µF, 6.3V, 1210 330µF, 4V, 27mΩ, OS-CON, 4SVPC330M 5.62k 550kHz 75.0k 625kHz 64.9k
7V to 36V 5 10µF, 50V, 1210 100µF, 6.3V, 1210 120µF, 16V, 27mΩ, OS-CON, 16SVPC120M 3.09k 600kHz 68.1k 700kHz 57.6k
10V to 36V 8 10µF, 50V, 1210 100µF, 10V, 1210 120µF, 16V, 27m_, OS-CON, 16SVPC120M 1.74k 625kHz 64.9k 750kHz 53.6k
15V to 36V 12 10µF, 50V, 1210 47µF, 16V, 1210 120µF, 16V, 27mΩ, OS-CON, 16SVPC120M 1.10k 650kHz 61.9k 800kHz 49.9k
22V to 36V 18 10µF, 50V, 1210 22µF, 25V, 1210 47µF, 20V, 45mΩ, OS-CON, 20SVPS47M 604 675kHz 59.0k 900kHz 44.2k
28V to 36V 24 4.7µF, 50V, 1210 10µF, 50V, 1206 47µF, 35V, 30mΩ, OS-CON, 35SVPC47M 523 700kHz 57.6k 1MHz 39.2k
9V to 15V 1.2 10µF, 50V, 1210 100µF, 6.3V, 1210 470µF, 6.3V, 9mΩ, Chemi-Con,
APXF6R3ARA471MH80G
Open 200kHz 210k 525kHz 78.7k
9V to 15V 1.5 10µF, 50V, 1210 100µF, 6.3V, 1210 470µF, 6.3V, 9mΩ, Chemi-Con,
APXF6R3ARA471MH80G
38.3k 300kHz 140k 650kHz 61.9k
9V to 15V 1.8 10µF, 50V, 1210 100µF, 6.3V, 1210 470µF, 6.3V, 9mΩ, Chemi-Con,
APXF6R3ARA471MH80G
19.6k 350kHz 118k 800kHz 49.9k
9V to 15V 2.5 10µF, 50V, 1210 100µF, 6.3V, 1210 330µF, 4V, 27mΩ, OS-CON, 4SVPC330M 9.09k 450kHz 90.9k 1MHz 39.2k
9V to 15V 3.3 10µF, 50V, 1210 100µF, 6.3V, 1210 330µF, 4V, 27mΩ, OS-CON, 4SVPC330M 5.62k 550kHz 75.0k 1MHz 39.2k
9V to 15V 5 10µF, 50V, 1210 100µF, 6.3V, 1210 120µF, 16V, 27mΩ, OS-CON, 16SVPC120M 3.09k 600kHz 68.1k 1MHz 39.2k
10V to 15V 8 10µF, 50V, 1210 100µF, 10V, 1210 120µF, 16V, 27mΩ, OS-CON, 16SVPC120M 1.74k 625kHz 64.9k 1MHz 39.2k
18V to 36V 1.2 10µF, 50V, 1210 100µF, 6.3V, 1210 470µF, 6.3V, 9mΩ, Chemi-Con,
APXF6R3ARA471MH80G
Open 200kHz 210k 250kHz 169k
18V to 36V 1.5 10µF, 50V, 1210 100µF, 6.3V, 1210 470µF, 6.3V, 9mΩ, Chemi-Con,
APXF6R3ARA471MH80G
38.3k 300kHz 140k 350kHz 118k
18V to 36V 1.8 10µF, 50V, 1210 100µF, 6.3V, 1210 470µF, 6.3V, 9mΩ, Chemi-Con,
APXF6R3ARA471MH80G
19.6k 350kHz 118k 400kHz 102k
18V to 36V 2.5 10µF, 50V, 1210 100µF, 6.3V, 1210 330µF, 4V, 27mΩ, OS-CON, 4SVPC330M 9.09k 450kHz 90.9k 525kHz 78.7k
18V to 36V 3.3 10µF, 50V, 1210 100µF, 6.3V, 1210 330µF, 4V, 27mΩ, OS-CON, 4SVPC330M 5.62k 550kHz 75.0k 625kHz 64.9k
18V to 36V 5 10µF, 50V, 1210 100µF, 6.3V, 1210 120µF, 16V, 27mΩ, OS-CON, 16SVPC120M 3.09k 600kHz 68.1k 700kHz 57.6k
18V to 36V 8 10µF, 50V, 1210 100µF, 10V, 1210 120µF, 16V, 27mΩ, OS-CON, 16SVPC120M 1.74k 625kHz 64.9k 750kHz 53.6k
18V to 36V 12 10µF, 50V, 1210 47µF, 16V, 1210 120µF, 16V, 27mΩ, OS-CON, 16SVPC120M 1.10k 650kHz 61.9k 800kHz 49.9k
2.7V to
32.5V*
–3.3 10µF, 50V, 1210 100µF, 6.3V, 1210 330µF, 4V, 27mΩ, OS-CON, 4SVPC330M 5.62k 550kHz 75.0k 625kHz 64.9k
2V to 31V* –5 10µF, 50V, 1210 100µF, 6.3V, 1210 120µF, 16V, 27mΩ, OS-CON, 16SVPC120M 3.09k 600kHz 68.1k 700kHz 57.6k
2V to 28V* –8 10µF, 50V, 1210 100µF, 10V, 1210 120µF, 16V, 27mΩ, OS-CON, 16SVPC120M 1.74k 625kHz 64.9k 750kHz 53.6k
3V to 24V* –12 10µF, 50V, 1210 47µF, 16V, 1210 120µF, 16V, 27mΩ, OS-CON, 16SVPC120M 1.10k 650kHz 61.9k 800kHz 49.9k
*Running voltage. Requires at least 6VIN to start. Note: An input bulk capacitor is required.
LTM8026 14
LTM8026
14
8026fd
For more information www.linear.com/LTM8026
APPLICATIONS INFORMATION
graphs in the Typical Performance Characteristics section
for guidance.
The maximum frequency (and attendant RT value) at
which the LTM8026 should be allowed to switch is given
in Table 1 in the fMAX column, while the recommended
frequency (and RT value) for optimal efficiency over the
given input condition is given in the fOPTIMAL column.
There are additional conditions that must be satisfied if
the synchronization function is used. Please refer to the
Switching Frequency Synchronization section for details.
Capacitor Selection Considerations
The CIN and COUT capacitor values in Table 1 are the
minimum recommended values for the associated oper-
ating conditions. Applying capacitor values below those
indicated in Table 1 is not recommended, and may result
in undesirable operation. Using larger values is generally
acceptable, and can yield improved dynamic response, if
necessary. Again, it is incumbent upon the user to verify
proper operation over the intended system’s line, load and
environmental conditions.
Ceramic capacitors are small, robust and have very low ESR.
However, not all ceramic capacitors are suitable. X5R and
X7R types are stable over temperature, applied voltage and
give dependable service. Other types, including Y5V and
Z5U have very large temperature and voltage coefficients
of capacitance. In an application circuit they may have only
a small fraction of their nominal capacitance resulting in
much higher output voltage ripple than expected.
Many of the output capacitances given in Table 1 specify
an electrolytic capacitor. Ceramic capacitors may also be
used in the application, but it may be necessary to use
more of them. Many high value ceramic capacitors have a
large voltage coefficient, so the actual capacitance of the
component at the desired operating voltage may be only
a fraction of the specified value. Also, the very low ESR of
ceramic capacitors may necessitate additional capacitors
for acceptable stability margin.
A final precaution regarding ceramic capacitors concerns
the maximum input voltage rating of the LTM8026. A
ceramic input capacitor combined with trace or cable
inductance forms a high Q (under damped) tank circuit.
If the LTM8026 circuit is plugged into a live supply, the
input voltage can ring to twice its nominal value, possi-
bly exceeding the device’s rating. This situation is easily
avoided; see the Hot Plugging Safely section.
Programming Switching Frequency
The LTM8026 has an operational switching frequency
range between 100kHz and 1MHz. This frequency is
programmed with an external resistor from the RT pin to
ground. Do not leave this pin open under any circumstance.
See Table 2 for resistor values and the corresponding
switching frequencies.
Table 2. RT Resistor Values and Their Resultant Switching
Frequencies
SWITCHING FREQUENCY (MHz) RT (kΩ)
1 39.2
0.750 53.6
0.5 82.5
0.3 140
0.2 210
0.1 453
In addition, the Typical Performance Characteristics sec-
tion contains a graph that shows the switching frequency
versus RT value.
To improve efficiency at light load, the part will enter
discontinuous mode.
Switching Frequency Trade-Offs
It is recommended that the user apply the optimal RT
value given in Table 1 for the input and output operating
condition. System level or other considerations, however,
may necessitate another operating frequency. While the
LTM8026 is flexible enough to accommodate a wide range
of operating frequencies, a haphazardly chosen one may
result in undesirable operation under certain operating or
fault conditions. A frequency that is too high can reduce
efficiency, generate excessive heat or even damage the
LTM8026 in some fault conditions. A frequency that is too
low can result in a final design that has too much output
ripple or too large of an output capacitor.
Switching Frequency Synchronization
The nominal switching frequency of the LTM8026 is
determined by the resistor from the RT pin to GND and
LTM8026
LTM8026
15
8026fd
For more information www.linear.com/LTM8026
may be set from 100kHz to 1MHz. The internal oscillator
may also be synchronized to an external clock through
the SYNC pin. The external clock applied to the SYNC pin
must have a logic low below 0.6V and a logic high greater
than 1.2V. The input frequency must be 20% higher than
the frequency determined by the resistor at the RT pin.
In general, the duty cycle of the input signal should be
greater than 10% and less than 90%. Input signals outside
of these specified parameters may cause erratic switching
behavior and subharmonic oscillations. The SYNC pin must
be tied to GND if the synchronization to an external clock
is not required. When SYNC is grounded, the switching
frequency is determined by the resistor at the RT pin. At
light loads, the LTM8026 will enter discontinuous opera-
tion to improve efficiency even while a valid clock signal
is applied to the SYNC pin.
Soft-Start
The soft-start function controls the slew rate of the power
supply output voltage during start-up. A controlled output
voltage ramp minimizes output voltage overshoot, reduces
inrush current from the VIN supply, and facilitates supply
sequencing. A capacitor connected from the SS pin to
GND programs the slew rate. The capacitor is charged
from an internal 11µA current source to produce a ramped
output voltage.
Maximum Output Current Adjust
To adjust the regulated load current, an analog voltage is
applied to the CTL_I pin or CTL_T pins. Varying the voltage
between 0V and 1.5V adjusts the maximum current between
the minimum and the maximum current, 5.6A typical.
Graphs of the output current vs CTL_I and CTL_T volt-
ages are given in the Typical Performance Characteristics
section. The LTM8026 provides a 2V reference voltage for
conveniently applying resistive dividers to set the current
limit. The current limit can be set as shown in Figure 1
with the following equation:
IMAX =
7.467 R2
R1+R2
Amps
APPLICATIONS INFORMATION
Figure 1. Setting the Output Current Limit, IMAX
LTM8026
VREF
R1
2V
R2
8026 F01
CTL_I OR CTL_T
Load Current Derating Using the CTL_T Pin
In high current applications, derating the maximum current
based on operating temperature may prevent damage
to the load. In addition, many applications have thermal
limitations that will require the regulated current to be
reduced based on the load and/or board temperature. To
achieve this, the LTM8026 uses the CTL_T pin to reduce
the effective regulated current in the load. While CTL_I
programs the regulated current in the load, CTL_T can
be configured to reduce this regulated current based
on the analog voltage at the CTL_T pin. The load/board
temperature derating is programmed using a resistor
divider with a temperature dependant resistance (Figure2).
When the board/load temperature rises, the CTL_T voltage
will decrease. To reduce the regulated current, the CTL_T
voltage must be lower than the voltage at the CTL_I pin.
CTL_T may be higher than CTL_I, but then it will have
no effect.
Voltage Regulation and Output Overvoltage Protection
The LTM8026 uses the ADJ pin to regulate the output
voltage and to provide a high speed overvoltage lockout
to avoid high voltage conditions. If the output voltage
exceeds 125% of the regulated voltage level (1.5V at the
ADJ pin), the LTM8026 terminates switching and shuts
LTM8026
VREF
RNTC RX
RVRV
R2
R1
(OPTION A TO D)
8026 F02
CTL_T
B
RNTC
A
RNTC RX
D
RNTC
C
Figure 2. Load Current Derating vs Temperature Using NTC
Resistor
LTM8026 11.9 1.55-R2 VENA 11.9 16
LTM8026
16
8026fd
For more information www.linear.com/LTM8026
APPLICATIONS INFORMATION
Figure 3. Voltage Regulation and Overvoltage Protection
Feedback Connections
LTM8026
VOUT
VOUT
RADJ
8026 F03
ADJ
down switching for 13µs. The regulated output voltage
must be greater than 1.21V and is set by the equation:
RADJ =
11.9
V
OUT
– 1.19 k
where RADJ is shown in Figure 3.
Figure 4. UVLO Configuration
LTM8026
VIN
R2
VIN
R1
8026 F04
RUN
divider resistors for programming the falling UVLO voltage
and rising enable voltage (VENA) as configured in Figure 4.
R1=
1.55 R2
UVLO – 1.55
R2 =VENA – 1.084 •UVLO
5.5µA
The RUN pin has an absolute maximum voltage of 6V.
To accommodate the largest range of applications, there
is an internal Zener diode that clamps this pin, so that it
can be pulled up to a voltage higher than 6V through a
resistor that limits the current to less than 100µA. For
applications where the supply range is greater than 4:1,
size R2 greater than 375k.
Thermal Shutdown
If the part is too hot, the LTM8026 engages its thermal
shutdown, terminates switching and discharges the soft-
start capacitor. When the part has cooled, the part automati-
cally restarts. This thermal shutdown is set to engage at
temperatures above the 125°C absolute maximum internal
operating rating to ensure that it does not interfere with
functionality in the specified operating range. This means
that internal temperatures will exceed the 125°C absolute
maximum rating when the overtemperature protection is
active, possibly impairing the device’s reliability.
Shutdown and UVLO
The LTM8026 has an internal UVLO that terminates switch-
ing, resets all logic, and discharges the soft-start capacitor
when the input voltage is below 6V. The LTM8026 also has
a precision RUN function that enables switching when the
voltage at the RUN pin rises to 1.68V and shuts down the
LTM8026 when the RUN pin voltage falls to 1.55V. There
is also an internal current source that provides 5.5μA of
pull-down current to program additional UVLO hysteresis.
For RUN rising, the current source is sinking 5.5µA until
RUN = 1.68V, after which it turns off. For RUN falling, the
current source is off until the RUN = 1.55V, after which it
sinks 5.5µA. The following equations determine the voltage
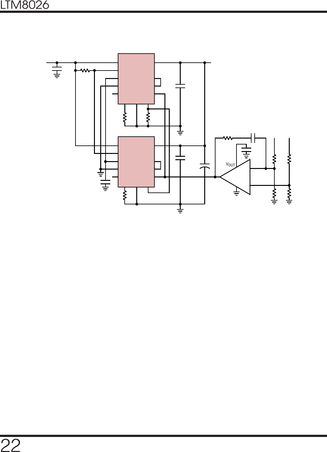
Load Sharing
Tw o or more LTM8026s may be paralleled to produce
higher currents. To do this, simply tie VOUT, SS, RUN
and ADJ together. The value of the ADJ resistor is given
by the equation:
RADJ =
11.9
n VOUT – 1.19
( )
k
where n is the number of LTM8026s in parallel. Given the
LTM8026’s accurate current limit and CVCC operation,
each paralleled unit will contribute a portion of the output
current, up to the amount determined by the CTL_I and
CTL_T pins. An example of this is given in the Typical
Applications section.
Two or more LTM8026s can share load current equally by
using a simple op amp circuit to simultaneously modulate
the CTL_I pins. Tie SS, RUN, and VOUT and CTL_I of all
of the paralleled LTM8026s together. An example of two
LTM8026 17
LTM8026
17
8026fd
For more information www.linear.com/LTM8026
APPLICATIONS INFORMATION
LTM8026s equally sharing output current is shown in the
Typical Applications section. The modulation of the CTL_I
inputs is performed at a high bandwidth, so use an op
amp with a gain bandwidth product greater than 1MHz.
The example circuit in the Typical Applications section
uses the LTC6255, which has a minimum gain bandwidth
product of 2MHz.
The LTM8026’s CVCC operation provides the ability to
power share the load among several input voltage sources.
An example of this is shown in the Typical Applications
section; please refer to the schematic while reading this
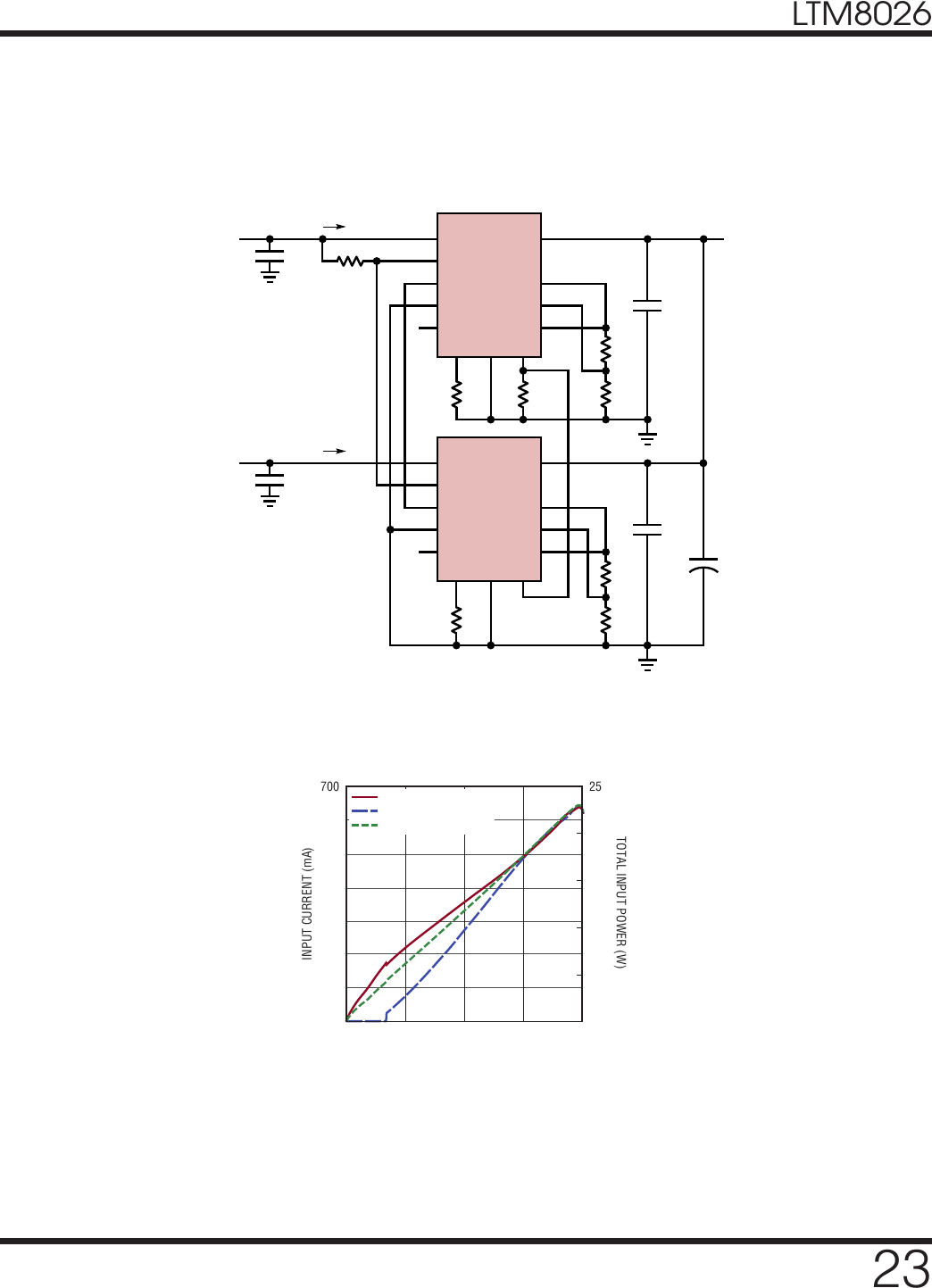
discussion. Suppose the application powers 2.5V at 8A
and the system under consideration has regulated 24V
and 12V input rails available. The power budget for the
power rails says that each can allocate only 750mA to
produce 2.5V. From the Input Current vs Output Current
graph in the Typical Performance Characteristics section
for 2.5VOUT, 750mA from the 24V rail can support more
than 5A output current, so apply a 66.5k/140k from VREF
to the CTL_I pin of the LTM8026 powered from 24VIN to
set the output current to 5A. These resistor values were
derived as follows:
1. The typical output current limit is 5.6A for CTL_I = 1.5V
and above.
2. To get 5A, make the voltage on CTL_I = 1.5V • 5A/5.6A
= 1.34V.
3. The VREF node is a regulated 2V, so applying the
66.5k/140k network yields 2V • 140k/(66.5k + 140k) =
1.35V
The LTM8026 powered from 12VIN needs to supply the
rest of the load current, or 3A. Again referring to the Input
Current vs Output Current graph in the Typical Performance
Characteristics section for 2.5VOUT, 750mA will support
more than 3A when operated from 12VIN. Using a method
similar to the above, apply a resistor network of 132k/78.7k
to the CTL_I pin:
1. To get 2.5A, make the voltage on CTL_I = 1.5V • 3A/5.6A
= 0.8V
2. Applying a 132k/88.7k network to VREF and CTL_I yields
2V • 88.7k/(88.7k + 132k) = 0.8V
As seen in the graph accompanying the schematic in the
Typical Applications section, the input currents to each
LTM8026 stays below 750mA for all loads below 8A.
PCB Layout
Most of the headaches associated with PCB layout have
been alleviated or even eliminated by the high level of
integration of the LTM8026. The LTM8026 is neverthe-
less a switching power supply, and care must be taken to
minimize EMI and ensure proper operation. Even with the
high level of integration, you may fail to achieve specified
operation with a haphazard or poor layout. See Figure 5
for a suggested layout. Ensure that the grounding and
heat sinking are acceptable.
A few rules to keep in mind are:
1. Place the RADJ and RT resistors as close as possible to
their respective pins.
2. Place the CIN capacitor as close as possible to the VIN
and GND connection of the LTM8026.
Figure 5. Layout Showing Suggested External Components, GND
Plane and Thermal Vias.
CTL_T
CTL_I
VREF
COMP
SS
ADJ
SYNC
VIN
• • •
VIN
8026 F05
GND
GND
CIN
VOUT
VOUT
COUT
GND
THERMAL AND INTERCONNECT VIAS
RUN
RT
LTM8026 18
LTM8026
18
8026fd
For more information www.linear.com/LTM8026
APPLICATIONS INFORMATION
3. Place the COUT capacitor as close as possible to the
VOUT and GND connection of the LTM8026.
4. Place the CIN and COUT capacitors such that their
ground current flow directly adjacent or underneath
the LTM8026.
5. Connect all of the GND connections to as large a copper
pour or plane area as possible on the top layer. Avoid
breaking the ground connection between the external
components and the LTM8026.
6. Use vias to connect the GND copper area to the board’s
internal ground planes. Liberally distribute these GND
vias to provide both a good ground connection and
thermal path to the internal planes of the printed circuit
board. Pay attention to the location and density of the
thermal vias in Figure 5. The LTM8026 can benefit from
the heat sinking afforded by vias that connect to internal
GND planes at these locations, due to their proximity
to internal power handling components. The optimum
number of thermal vias depends upon the printed
circuit board design. For example, a board might use
very small via holes. It should employ more thermal
vias than a board that uses larger holes.
Hot Plugging Safely
The small size, robustness and low impedance of ceramic
capacitors make them an attractive option for the input
bypass capacitor of LTM8026. However, these capacitors
can cause problems if the LTM8026 is plugged into a live
input supply (see Application Note 88 for a complete dis-
cussion). The low loss ceramic capacitor combined with
stray inductance in series with the power source forms an
underdamped tank circuit, and the voltage at the VIN pin
of the LTM8026 can ring to more than twice the nominal
input voltage, possibly exceeding the LTM8026’s rating
and damaging the part. If the input supply is poorly con-
trolled or the user will be plugging the LTM8026 into an
energized supply, the input network should be designed
to prevent this overshoot. This can be accomplished by
installing a small resistor in series to VIN, but the most
popular method of controlling input voltage overshoot is
to add an electrolytic bulk capacitor to the VIN net. This
capacitor’s relatively high equivalent series resistance
damps the circuit and eliminates the voltage overshoot.
The extra capacitor improves low frequency ripple filter-
ing and can slightly improve the efficiency of the circuit,
though it is physically large.
Thermal Considerations
The LTM8026 output current may need to be derated if it
is required to operate in a high ambient temperature. The
amount of current derating is dependent upon the input
voltage, output power and ambient temperature. The
temperature rise curves given in the Typical Performance
Characteristics section can be used as a guide. These curves
were generated by the LTM8026 mounted to a 58cm2
4-layer FR4 printed circuit board. Boards of other sizes
and layer count can exhibit different thermal behavior, so
it is incumbent upon the user to verify proper operation
over the intended system’s line, load and environmental
operating conditions.
For increased accuracy and fidelity to the actual applica-
tion, many designers use finite element analysis (FEA) to
predict thermal performance. To that end, Page 2 of the
data sheet typically gives four thermal coefficients:
θJA – Thermal resistance from junction to ambient
θJCbottomThermal resistance from junction to the
bottom of the product case
θJCtopThermal resistance from junction to top of the
product case
θJBThermal resistance from junction to the printed
circuit board.
While the meaning of each of these coefficients may seem
to be intuitive, JEDEC has defined each to avoid confusion
and inconsistency. These definitions are given in JESD
51-12, and are quoted or paraphrased below:
θJA is the natural convection junction-to-ambient air
thermal resistance measured in a one cubic foot sealed
enclosure. This environment is sometimes referred to as
“still air” although natural convection causes the air to
move. This value is determined with the part mounted to
a JESD 51-9 defined test board, which does not reflect an
actual application or viable operating condition.
LTM8026 19
LTM8026
19
8026fd
For more information www.linear.com/LTM8026
APPLICATIONS INFORMATION
θJCbottom is the junction-to-board thermal resistance with
all of the component power dissipation flowing through the
bottom of the package. In the typical µModule regulator,
the bulk of the heat flows out the bottom of the package,
but there is always heat flow out into the ambient envi-
ronment. As a result, this thermal resistance value may
be useful for comparing packages but the test conditions
don’t generally match the user’s application.
θJCtop is determined with nearly all of the component power
dissipation flowing through the top of the package. As the
electrical connections of the typical µModule regulator are
on the bottom of the package, it is rare for an application
to operate such that most of the heat flows from the junc-
tion to the top of the part. As in the case of θJCbottom, this
value may be useful for comparing packages but the test
conditions don’t generally match the user’s application.
θJB is the junction-to-board thermal resistance where
almost all of the heat flows through the bottom of the
µModule regulator and into the board, and is really the
sum of the θJCbottom and the thermal resistance of the
bottom of the part through the solder joints and through a
portion of the board. The board temperature is measured
a specified distance from the package, using a 2-sided,
2-layer board. This board is described in JESD 51-9.
Given these definitions, it should now be apparent that none
of these thermal coefficients reflects an actual physical
operating condition of a µModule regulator. Thus, none
of them can be individually used to accurately predict the
thermal performance of the product. Likewise, it would
be inappropriate to attempt to use any one coefficient to
correlate to the junction temperature vs load graphs given
in the product’s data sheet. The only appropriate way to
use the coefficients is when running a detailed thermal
analysis, such as FEA, which considers all of the thermal
resistances simultaneously.
A graphical representation of these thermal resistances
is given in Figure 6.
The blue resistances are contained within the µModule
device, and the green are outside.
The die temperature of the LTM8026 must be lower than
the maximum rating of 125°C, so care should be taken in
the layout of the circuit to ensure good heat sinking of the
LTM8026. The bulk of the heat flow out of the LTM8026
is through the bottom of the module and the pads into
the printed circuit board. Consequently a poor printed
circuit board design can cause excessive heating, result-
ing in impaired performance or reliability. Please refer to
the PCB Layout section for printed circuit board design
suggestions.
8026 F06
µMODULE DEVICE
JUNCTION-TO-CASE (TOP)
RESISTANCE
JUNCTION-TO-BOARD RESISTANCE
JUNCTION-TO-AMBIENT RESISTANCE (JESD 51-9 DEFINED BOARD)
CASE (TOP)-TO-AMBIENT
RESISTANCE
BOARD-TO-AMBIENT
RESISTANCE
JUNCTION-TO-CASE
(BOTTOM) RESISTANCE
JUNCTION AMBIENT
CASE (BOTTOM)-TO-BOARD
RESISTANCE
Figure 6
LTM8026 -IH|~ -IH|~ —.|.{ -+—H—H—- ”HI- —.I.{
LTM8026
20
8026fd
For more information www.linear.com/LTM8026
TYPICAL APPLICATIONS
VIN
RUN
510k
SS
LTM8026
SYNC
100µF
330µF
8026 TA02
10µF
VIN
6V TO 36V
VOUT
3.3V
5A
COMP
VOUT
VREF
CTL_I
CTL_T
RT GND
75.0k 5.62k
ADJ
+
VIN
RUN
510k
SS
LTM8026
SYNC
2.5V
2.2F
2.5V
2.2F
8026 TA03
10µF
VIN
7V TO 36V
VOUT
5V
COMP
VOUT
VREF
CTL_I
CTL_T
RT GND
68.1k 3.09k
47µF
ADJ
VIN
RUN
510k
SS
LTM8026
SYNC
47µF
120µF
8026 TA04
10µF
VIN
15V TO 36V
VOUT
12V
3.5A
COMP
VOUT
VREF
CTL_I
CTL_T
RT GND
61.9k 1.1k
ADJ
+
36VIN, 3.3VOUT Step-Down CVCC Converter
36VIN, 5.6A Tw o 2.5V Series Supercapacitor Charger
36VIN, 12VOUT Step-Down CVCC Converter
LTM8026 21
LTM8026
21
8026fd
For more information www.linear.com/LTM8026
V
IN
RUN
SS
LTM8026
SYNC 100µF
OPTIONAL
120µF
8026 TA05
10µF
V
IN
7V TO 31V
V
OUT
–5V
5A
COMP
V
OUT
V
REF
CTL_I
CTL_T
RT GND
68.1k
20k
20k
20k
5V
0
2N3906
3.09k
OPTIONAL: SEE DESIGN NOTE 1021
ADJ
+
31VIN, –5VOUT Negative CVCC Converter
VIN
RUN
324k
SS
LTM8026
SYNC 100µF
10µF
VIN
6V TO 36V
VOUT
2.5V
10A
COMP
VOUT
VREF
CTL_I
CTL_T
RT GND
75k
75k
4.53k
ADJ
VIN
RUN
SS
LTM8026
SYNC 100µF 330µF
8026 TA06
COMP
VOUT
VREF
CTL_I
CTL_T
RT GND ADJ
+
Tw o LTM8026s Operating in Parallel to Produce 2.5VOUT at 10A
TYPICAL APPLICATIONS
LTM8026
LTM8026
22
8026fd
For more information www.linear.com/LTM8026
TYPICAL APPLICATIONS
Tw o LTM8026s Operating in Parallel to Produce 2.5VOUT at 10A, Equally Sharing Current
VIN
RUN
324k
SS
LTM8026
SYNC 100µF
10µF
VIN
6V TO 36V
VOUT
2.5V
10A
COMP
VOUT
VREF
CTL_T
CTL_I
RT GND
75k
75k
0.1µF
4.02k
150k
100k
ADJ
VIN
RUN
SS
LTM8026
SYNC
100µF
680k 470pF
330µF
0.47µF
VOUT
VOUT
8026 TA09
COMP
VOUT
VREF
CTL_T
CTL_I
RT GND ADJ
+
+
LTC6255
100k
100k
VREF
INPUT CURRENT (mm mm 25 (M) HSMOd mdm Nun LTM8026 23
LTM8026
23
8026fd
For more information www.linear.com/LTM8026
TYPICAL APPLICATIONS
VIN
RUN
324k
SS
LTM8026
SYNC 100µF
10µF
<750mA
VIN1
REGULATED
24V
VOUT
2.5V
8A
COMP
VOUT
VREF
CTL_I
CTL_T
RT GND
90.9k 4.53k 140k
66.5k
ADJ
VIN
RUN
SS
LTM8026
SYNC 100µF
330µF
8026 TA07
COMP
VOUT
VREF
CTL_I
CTL_T
RT GND
90.9k 88.7k
132k
ADJ
<750mA
10µF
VIN1
REGULATED
12V
+
Tw o LTM8026s Running from 12V and 24V. At Max Load, Each LTM8026
Draws Less Than 750mA from Their Respective Input Sources
OUTPUT CURRENT (A)
0
400
500
700
8026 TA07b
300
200
2468
100
0
20
25
15
10
5
0
600
INPUT CURRENT (mA)
TOTAL INPUT POWER (W)
24V INPUT CURRENT
12V INPUT CURRENT
TOTAL INPUT POWER
Input Current vs Output Current
LTM8026 1.7 LINEAR LmsoZfiV Module .N78270‘ mzw
LTM8026
24
8026fd
For more information www.linear.com/LTM8026
PACKAGE DESCRIPTION
PACKAGE PHOTO
Table 3. Pin Assignment Table
(Arranged by Pin Number)
PIN NAME PIN NAME PIN NAME PIN NAME PIN NAME PIN NAME
A1 VOUT B1 VOUT C1 VOUT D1 VOUT E1 GND F1 GND
A2 VOUT B2 VOUT C2 VOUT D2 VOUT E2 GND F2 GND
A3 VOUT B3 VOUT C3 VOUT D3 VOUT E3 GND F3 GND
A4 VOUT B4 VOUT C4 VOUT D4 VOUT E4 GND F4 GND
A5 GND B5 GND C5 GND D5 GND E5 GND F5 GND
A6 GND B6 GND C6 GND D6 GND E6 GND F6 GND
A7 GND B7 GND C7 GND D7 GND E7 GND F7 GND
A8 GND B8 GND C8 GND D8 CTL_T E8 CTL_I F8 VREF
PIN NAME PIN NAME PIN NAME PIN NAME PIN NAME
G1 GND J1 VIN K1 VIN L1 VIN
G2 GND J2 VIN K2 VIN L2 VIN
G3 GND J3 VIN K3 VIN L3 VIN
G4 GND
G5 GND H5 GND J5 GND K5 GND L5 GND
G6 GND H6 GND J6 GND K6 GND L6 RUN
G7 GND H7 GND J7 GND K7 GND L7 SYNC
G8 RT H8 COMP J8 SS K8 ADJ L8 GND
15mm 2.82mm
11.25mm
15mm 3.42mm
11.25mm
LTM8026 E 1.7 JETL ‘.¢¢¢i¢¢¢‘ 00006000 000L000. COOLOOFO oooLoRoo 000L000. \"F’ E JEL coo \ooooLooo ooooLooo 0000 0000?... %?991?999 E 25
LTM8026
25
8026fd
For more information www.linear.com/LTM8026
LGA Package
81-Lead (15mm × 11.25mm × 2.82mm)
(Reference LTC DWG # 05-08-1868 Rev A)
PACKAGE DESCRIPTION
PACKAGE TOP VIEW
4
PAD “A1”
CORNER
X
Y
aaa Z
aaa Z
PACKAGE BOTTOM VIEW
3
SEE NOTES
SUGGESTED PCB LAYOUT
TOP VIEW
DETAIL A
PAD 1
0.000
0.635
0.635
1.905
1.905
3.175
3.175
4.445
4.445
6.350
6.350
5.080
5.080
0.000
F
G
H
L
J
K
E
A
B
C
D
2 14 35678
D
0.630 ±0.025 Ø 81x
E
b
e
e
b
F
G
NOTES:
1. DIMENSIONING AND TOLERANCING PER ASME Y14.5M-1994
2. ALL DIMENSIONS ARE IN MILLIMETERS
LAND DESIGNATION PER JESD MO-222, SPP-010
5. PRIMARY DATUM -Z- IS SEATING PLANE
6. THE TOTAL NUMBER OF PADS: 81
4
3
DETAILS OF PAD #1 IDENTIFIER ARE OPTIONAL,
BUT MUST BE LOCATED WITHIN THE ZONE INDICATED.
THE PAD #1 IDENTIFIER MAY BE EITHER A MOLD OR
MARKED FEATURE
DETAIL B
DETAIL B
SUBSTRATE
MOLD
CAP
0.27 – 0.37
2.45 – 2.55
// bbb Z
Z
DETAIL A
DIA (0.630) 81x
SYXeee
LGA 81 1212 REV A
LTMXXXXXX
µModule
TRAY PIN 1
BEVEL PACKAGE IN TRAY LOADING ORIENTATION
COMPONENT
PIN “A1
SYMBOL
A
b
D
E
e
F
G
aaa
bbb
eee
MIN
2.72
0.60
NOM
2.82
0.63
15.0
11.25
1.27
12.70
8.89
MAX
2.92
0.66
0.15
0.10
0.05
NOTES
DIMENSIONS
TOTAL NUMBER OF LGA PADS: 81
A
7 PACKAGE ROW AND COLUMN LABELING MAY VARY
AMONG µModule PRODUCTS. REVIEW EACH PACKAGE
LAYOUT CAREFULLY
!
7
SEE NOTES
Please refer to http://www.linear.com/product/LTM8026#packaging for the most recent package drawings.
lIhA8026 \6666W666 \6666W666 \6666W666 \6666 \66666666 i9??£?99? Q a A I T 157 $6t,Toir 666 3666 666 3666 3666 66663666 ‘¢¢¢¢3¢¢¢‘E 66663666 3606 66663666/3 e66663666 26
LTM8026
26
8026fd
For more information www.linear.com/LTM8026
PACKAGE DESCRIPTION
NOTES:
1. DIMENSIONING AND TOLERANCING PER ASME Y14.5M-1994
2. ALL DIMENSIONS ARE IN MILLIMETERS
BALL DESIGNATION PER JESD MS-028 AND JEP95
4
3
DETAILS OF PIN #1 IDENTIFIER ARE OPTIONAL,
BUT MUST BE LOCATED WITHIN THE ZONE INDICATED.
THE PIN #1 IDENTIFIER MAY BE EITHER A MOLD OR
MARKED FEATURE
PACKAGE TOP VIEW
4
PIN “A1”
CORNER
X
Y
aaa Z
aaa Z
PACKAGE BOTTOM VIEW
3
SEE NOTES
SUGGESTED PCB LAYOUT
TOP VIEW BGA 81 0517 REV A
LTMXXXXXX
µModule
TRAY PIN 1
BEVEL PACKAGE IN TRAY LOADING ORIENTATION
COMPONENT
PIN “A1
DETAIL A
PIN 1
0.000
0.635
0.635
1.905
1.905
3.175
3.175
4.445
4.445
6.350
6.350
5.080
3.810
2.540
1.270
1.270
2.540
3.810
5.080
0.000
DETAIL A
Øb (81 PLACES)
F
G
H
L
J
K
E
A
B
C
D
2 14 35678
D
A
DETAIL B
PACKAGE SIDE VIEW
MX YZddd
MZeee
0.630 ±0.025 Ø 81x
E
b
e
e
b
A2
F
G
BGA Package
81-Lead (15mm × 11.25mm × 3.42mm)
(Reference LTC DWG # 05-08-1959 Rev A)
6
SEE NOTES
5. PRIMARY DATUM -Z- IS SEATING PLANE
6 PACKAGE ROW AND COLUMN LABELING MAY VARY
AMONG µModule PRODUCTS. REVIEW EACH PACKAGE
LAYOUT CAREFULLY
!
Z
DETAIL B
SUBSTRATE
A1
ccc Z
Z
// bbb Z
H2
H1
b1
MOLD
CAP
SYMBOL
A
A1
A2
b
b1
D
E
e
F
G
H1
H2
aaa
bbb
ccc
ddd
eee
MIN
3.22
0.50
2.72
0.60
0.60
0.27
2.45
NOM
3.42
0.60
2.82
0.75
0.63
15.00
11.25
1.27
12.70
8.89
0.32
2.50
MAX
3.62
0.70
2.92
0.90
0.66
0.37
2.55
0.15
0.10
0.20
0.30
0.15
TOTAL NUMBER OF BALLS: 81
DIMENSIONS
NOTES
BALL HT
BALL DIMENSION
PAD DIMENSION
SUBSTRATE THK
MOLD CAP HT
Please refer to http://www.linear.com/product/LTM8026#packaging for the most recent package drawings.
LTM8026 27
LTM8026
27
8026fd
For more information www.linear.com/LTM8026
Information furnished by Linear Technology Corporation is believed to be accurate and reliable.
However, no responsibility is assumed for its use. Linear Technology Corporation makes no representa-
tion that the interconnection of its circuits as described herein will not infringe on existing patent rights.
REVISION HISTORY
REV DATE DESCRIPTION PAGE NUMBER
A 8/12 Added MP-Grade 2-3
B 5/13 Update maximum solder temperature
Update Package Description drawing
2
24
C 07/15 Added BGA Package 1, 2, 26
D 06/17 Corrected Device Part Marking of LTM8026MPV#PBF 2
LTM8026 Quick Puwar Sumh Inpm VW(MH7 v vmwaxy v ompm vow v In“. A ANALOG DEVICES 28 L7LJF1€AB
LTM8026
28
8026fd
For more information www.linear.com/LTM8026
LINEAR TECHNOLOGY CORPORATION 2012
LT 0617 REV D • PRINTED IN USA
www.linear.com/LTM8026
RELATED PARTS
TYPICAL APPLICATION
PART NUMBER DESCRIPTION COMMENTS
LTM8062 32VIN, 2A µModule Battery Charger with Maximum Peak
Power Tracking (MPPT)
Adjustable VBATT up to 14.4V, C/10 or Timer Termination,
9mm × 15mm × 4.32mm LGA Package
LTM8027 60VIN, 4A DC/DC Step-Down µModule Regulator 4.5V ≤ VIN ≤ 60V, 2.5V ≤ VOUT ≤ 24V, 15mm × 15mm × 4.32mm LGA Package
LTM8052 36VIN, ±5A µModule Regulator with Adjustable Accurate
Current Limit
6V ≤ VIN ≤ 36V, 1.2V ≤ VOUT ≤ 24V, –5V ≤ IOUT ≤ 5A, Synchronizable, Pin
Compatible with LTM8026, 11.25mm × 15mm × 2.82mm LGA Package
LTM4618 26VIN, 6A Step-Down µModule Regulator 4.5V ≤ VIN ≤ 26.5V, 0.8V ≤ VOUT ≤ 5V, Synchronizable, VOUT Tracking, 9mm ×
15mm × 4.3mm LGA Package
LTM4612 5A EN55022 Class B DC/DC Step-Down µModule
Regulator
5V ≤ VIN ≤ 36V, 3.3V ≤ VOUT ≤ 15V, PLL Input, VOUT Tracking and Margining,
15mm × 15mm × 2.8mm LGA Package
LTC2978 Octal Digital Power Supply Manager with EEPROM I2C/PMBus Interface, Configuration EEPROM, Fault Logging,
16-Bit ADC with ±0.25% TUE, 3.3V to 15V Operation
LTC2974 Quad Digital Power Supply Manager with EEPROM I2C/PMBus Interface, Configuration EEPROM, Fault Logging,
Per Channel Voltage, Current and Temperature Measurements
VIN
RUN
SS
LTM8026
SYNC 100µF 330µF
VOUT
3.3V
4.75A
8026 TA08
COMP
VOUT
VREF
CTL_I
CTL_T
RT GND
75k 127k
5.62k
71.5k
ADJ
10µF 510k
VIN
6V TO 36V
+
36VIN, 3.3VOUT Step-Down Converter with 4.75A Accurate Current Limit
DESIGN RESOURCES
SUBJECT DESCRIPTION
µModule Design and Manufacturing Resources Design:
Selector Guides
Demo Boards and Gerber Files
Free Simulation Tools
Manufacturing:
Quick Start Guide
PCB Design, Assembly and Manufacturing Guidelines
Package and Board Level Reliability
µModule Regulator Products Search 1. Sort table of products by parameters and download the result as a spread sheet.
2. Search using the Quick Power Search parametric table.
TechClip Videos Quick videos detailing how to bench test electrical and thermal performance of µModule products.
Digital Power System Management Linear Technology’s family of digital power supply management ICs are highly integrated solutions that
offer essential functions, including power supply monitoring, supervision, margining and sequencing,
and feature EEPROM for storing user configurations and fault logging.