Maximize Power-Device Control Efficiency with the Right Gate-Driver Power Converter
Contributed By DigiKey's North American Editors
2022-06-22
From power supplies and motor drives to charging stations and myriad other applications, switching power semiconductors such as silicon (Si), silicon carbide (SiC), and gallium nitride (GaN) MOSFETs, as well insulated-gate bipolar transistors (IGBTs), are the key to efficient power-system designs. However, to achieve maximum performance from the power device, an appropriate gate driver is needed.
As its name indicates, this component’s role is to drive the power-device gate and so put it into, or pull it out of, conduction mode quickly and crisply. Doing so requires that the driver have the ability to source/sink sufficient current despite internal device and stray (parasitic) capacitance, inductance, and other issues at the load (gate). As a consequence, providing a properly sized gate driver with the suitable key attributes is critical to realizing the full potential and efficiency of the power device. However, to get the most out of the gate driver, the designer must pay special attention to the driver DC power supply, which is independent of the power-device DC rail. This supply is similar to a conventional supply but with some important differences. It can be a unipolar supply, but in many cases, it is a non-symmetrical bipolar supply, along with other functional and structural differences. Designers must also pay attention to form factor in terms of board footprint and low-profile requirements, and compatibility with a design’s intended assembly and manufacturing processes.
This article will focus on power supplies for gate drivers, using surface mount device (SMD) DC/DC supplies in the Murata Power Solutions MGJ2 Series of 2-watt gate-drive DC/DC converters as examples.
Start with switching devices
An understanding of the role and desired attributes of the gate-driver DC/DC converter begins with the switching devices. For a MOSFET as switch device, the gate-source path is used to control the off or on state of the device (IGBTs are similar). When the gate-source voltage is less than the threshold voltage (VGS < VTH), the MOSFET is in its cut-off region, no drain current flows, ID = 0 amperes (A), and the MOSFET appears as an “open switch” (Figure 1).
Figure 1: In cut-off mode, the MOSFET drain-source path looks like an open switch. (Image source: Quora)
Conversely, when the gate-source voltage is much greater than the threshold voltage (VGS > VTH), the MOSFET is in its saturation region, the maximum drain current flows (ID = VDD /RL), and the MOSFET appears as a low resistance “closed switch” (Figure 2). For the ideal MOSFET, the drain-source voltage would be zero (VDS = 0 volts), but in practice, VDS is usually around 0.2 volts due to internal on-resistance RDS(on), which is typically under 0.1 Ohm (Ω) and can be as low as a few tens of milliohms.
Figure 2: In saturation mode, the MOSFET drain-source path looks like a low-resistance switch. (Image source: Quora)
While schematic diagrams make it appear that the voltage applied to the gate turns the MOSFET on and off, that is only part of the story. This voltage drives current into the MOSFET until there is enough accumulated charge to turn it on. Depending on the size (current rating) and type of switching drive, the amount of current needed to quickly go into a fully on state may be just a few milliamperes (mA) to several amperes (A).
The function of the gate driver is to drive sufficient current into the gate quickly and crisply to turn the MOSFET on, and to pull that current out in a reverse manner to turn the MOSFET off. More formally, the gate needs to be driven from a low-impedance source capable of sourcing and sinking sufficient current to provide for fast insertion and extraction of the controlling charge.
If the MOSFET gate looked like a purely resistive load, sourcing and sinking this current would be relatively simple. However, a MOSFET has internal capacitive and inductive parasitic elements, and there are also parasitics from the interconnects between the driver and the power device (Figure 3).
Figure 3: This model of a MOSFET shows the parasitic capacitance and inductance which affects driver performance. (Image source: Texas Instruments)
The result is ringing of the gate-drive signal around the threshold voltage, causing the device to turn on and off one or more times on its trajectory to being fully on or off; this is somewhat analogous to “switch bounce” of a mechanical switch (Figure 4).
Figure 4: Ringing of the driver output due to parasitics in the MOSFET load can cause ringing and false triggering, similar to mechanical-switch bounce. (Image source: Learn About Electronics)
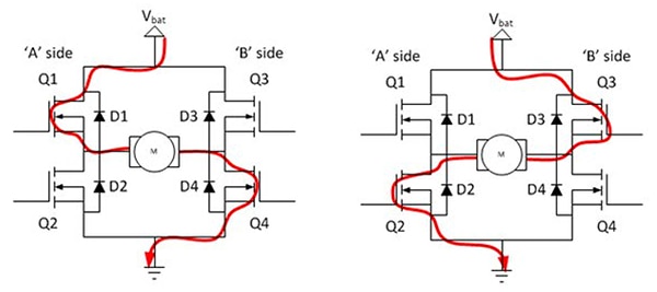
The consequences range from unnoticed or merely annoying in a casual application such as turning a light on or off, all the way to likely damage in the widely used pulse-width modulation (PWM) fast-switching circuits of power supplies, motor drives, and similar subsystems. It can cause short circuits and even permanent damage, in the standard half and full-bridge topologies where the load is placed between an upper and lower MOSFET pair if both MOSFETs on the same side of the bridge are turned on simultaneously even for an instant. This phenomenon is known as “shoot-through” (Figure 5).
Figure 5: In contrast to the normal MOSFET turn on of Q1 and Q4 (left), or Q2 and Q3 (right), if Q1 and Q2, or Q3 and Q4 of the bridge are turned on simultaneously due to driver issues or other causes, an unacceptable and possibly damaging short-circuit condition called shoot through will occur between the power rail and ground. (Image source: Quora)
Gate-drive details
In order to drive current into the gate, the positive rail’s voltage should be high enough to ensure full saturation/enhancement of the power switch, but without exceeding the absolute maximum voltage for its gate. While this voltage value is a function of the specific device type and model, IGBTs and standard MOSFETS will generally be fully on with a 15-volt drive, while typical SiC MOSFETS may need closer to 20 volts for a full on-state.
The negative gate-drive voltage situation is a little more complicated. In principle, for the off-state, 0 volts on the gate is adequate. However, a negative voltage, typically between -5 and -10 volts, enables rapid switching controlled by a gate resistor. An appropriate negative drive ensures that the gate-emitter off-voltage is always actually zero or less.
This is critical because any emitter inductance (L) (at point ‘x’ in Figure 6) between a switch and the driver reference, causes an opposing gate-emitter voltage when the switch is turning off. While the inductance may be small, even a very small inductance of 5 nanohenries (nH) (a few millimeters of wired connection) will produce 5 volts at a di/dt slew rate of 1000 A per microsecond (A/μs).
Figure 6: Even a small emitter inductance at point ‘x’ between a switch and the driver reference due to layout considerations can induce an opposing gate-emitter voltage when the switch is turning off, causing turn-on/off “jitter.” (Image source: Murata Power Solutions)
A negative gate-drive voltage also helps to overcome the effect of collector/drain-to-gate Miller-effect capacitance Cm, which injects current into the gate drive circuit during device turn-off. When the device is driven off, the collector-gate voltage rises and a current of value Cm × dVce/dt flows through the Miller capacitance, into the gate to emitter/source capacitance Cge, and through the gate resistor to the driver circuit. The resulting voltage Vge on the gate can be sufficient enough to turn the device on again causing possible shoot-through and damage (Figure 7).
Figure 7: Using a negative gate-drive voltage can overcome the shortcomings which occur due to the presence of the Miller-effect capacitance within a MOSFET or IGBT. (Image source: Murata Power Solutions)
However, by driving the gate negative, this effect is minimized. For this reason, an effective driver design requires both positive and negative voltage rails for the gate-drive function. However, unlike most bipolar DC/DC converters which have symmetrical outputs (such as +5 V and -5 V), the supply rails for the gate driver are usually asymmetrical with a positive voltage that is larger than the negative voltage.
Sizing the converter’s power rating
A critical factor is how much current the gate-driver converter must provide, and thus its power rating. The basic calculation is fairly straightforward. In each switching cycle, the gate must be charged and discharged through the gate resistor Rg. The device’s datasheet provides a curve for the gate charge Qg value, where Qg is the amount of charge that needs to be injected into the gate electrode to turn ON (drive) the MOSFET at specific gate voltages. The power which must be provided by the DC/DC converter is derived using the formula:

Where Qg is the gate charge for a chosen gate voltage swing (positive to negative), of value Vs and at frequency F. This power is dissipated in the internal gate resistance (Rint) of the device and external series resistance, Rg. Most gate drivers need a power supply below one to two watts.
Another consideration is the peak current (Ipk) required to charge and discharge the gate. This is a function of Vs, Rint, and Rg. It is calculated using the formula:

In many cases, this peak current is more than the DC/DC converter can provide. Rather than go to a larger, more costly supply (that is operating at a low duty cycle), most designs instead supply the current using “bulk” capacitors on the driver supply rails, which are charged by the converter during low-current portions of the cycle.
Basic calculations determine how large these bulk capacitors should be. However, it is also important that they have low equivalent series resistance (ESR) and inductance (ESL) so as to not impede the transient current they are delivering.
Other gate-driver converter considerations
Gate-driver DC/DC converters have other unique issues. Among them are:
• Regulation: The load on the DC/DC converter is close to zero when the device is not switching. However, most conventional converters need a minimum load at all times; otherwise, their output voltage can dramatically increase, possibly up to the gate breakdown level.
What happens is that this high voltage is stored on the bulk capacitors, such that when the device starts to switch, it could see a gate overvoltage until the converter level drops under normal load. A DC/DC converter that has clamped output voltages or very low minimum load requirements should therefore be used.
• Start-up and shutdown: It is important that IGBTs and MOSFETs not be actively driven by the PWM control signals until the drive-circuit voltage rails are at their designated values. However, as the gate-drive converters are powered up or down, a transient condition may exist where devices could be driven on—even with the PWM signal inactive—leading to shoot-through and damage. Therefore, the DC/DC converter outputs should be well behaved on power-up and down with monotonic rise and fall (Figure 8).
Figure 8: It is critical that the DC/DC converter outputs are well behaved during power-up and down sequences and not have voltage transients. (Image source: Murata Power Solutions)
• Isolation and coupling capacitance: At high power, power inverters or converters typically use a bridge configuration to generate line-frequency AC or to provide bi-directional PWM drive to motors, transformers, or other loads. For user safety and to meet regulatory mandates, the gate-drive PWM signal and associated drive power rails of the high side switches need galvanic isolation from ground with no ohmic path between them. Furthermore, the isolation barrier must be robust and show no significant degradation due to repeated partial discharge effects over the design lifetime.
In addition, there are issues due to capacitive coupling across the isolation barrier; this is analogous to leakage current between the primary and secondary windings of a fully insulated AC line transformer. This leads to requirements that the drive circuit and associated power rails should be immune to the high dV/dt of the switch node and have a very low coupling capacitance.
The mechanism of this problem is due to the very fast switching edges, typically 10 kilovolts per microsecond (kV/μs), and even as high as 100 kV/μs for the latest GaN devices. This fast-slewing dV/dt causes transient current flow through the capacitance of the DC/DC converter’s isolation barrier.
Since current I = C x (dV/dt), even a small barrier capacitance of just 20 picofarads (pF) with 10 kV/μs switching results in a current flow of 200 mA. This current finds an indeterminate return route through the controller circuitry back to the bridge, causing voltage spikes across connection resistances and inductances, which can have the potential to disrupt operation of the controller and the even DC/DC converter. Low coupling capacitance is therefore very desirable.
There’s another aspect to basic isolation and associated insulation of the DC/DC converter. The isolation barrier is designed to withstand the rated voltage continuously, but because the voltage is switched, the barrier can potentially degrade more quickly over time. This is due to electrochemical and partial discharge effects in the barrier material that would occur solely as a result of a fixed DC voltage.
The DC/DC converter must therefore have robust insulation and generous creepage and clearance minimum distances. If the converter barrier also forms part of a safety isolation system, the relevant agency regulatory mandates apply for the level of isolation required (basic, supplementary, reinforced), operating voltage, pollution degree, overvoltage category, and altitude.
For these reasons, only gate-drive DC/DC converters with suitable design and materials are recognized or are pending recognition to UL60950-1 for various basic and reinforced levels of protection (and which are generally equivalent to those in EN 62477-1:2012); more stringent recognition is also in place or pending to medical standard ANSI/AAMI ES60601-1 with 1 × Means of Patient Protection (MOPP) and 2 × Means of Operator Protection (MOOP) requirements.
• Common-mode transient immunity: CMTI is an important gate-driver parameter at higher switching frequencies where the gate driver has a differential voltage between two separate ground references, as is the case for isolated gate drivers. CMTI is defined as the maximum tolerable rate of rise or fall of the common-mode voltage applied between two isolated circuits and is specified in kV/µs or volts per nanosecond (V/ns).
Having a high CMTI means that the two sides of an isolated arrangement—the transmit side and receive side—exceed the datasheet specifications when “striking” the insulation barrier with a signal having a very high rise (positive) or fall (negative) slew rate. The DC/DC converter datasheet should have a specification value for this parameter, and designers need to match it to the specifics of the operating frequency and voltage of their circuit.
Meeting the gate-driver DC/DC converter requirements
Recognizing the many challenging and often conflicting demands on gate-drive DC/DC converters, Murata has extended their MGJ2 series of through-hole DC/DC converters to include SMD DC/DC units. Their converters are well suited to powering the high-side and low-side gate-drive circuits of IGBTs and MOSFETs in space- and weight-constrained applications due to their performance, compact form factor and low profile (approximately 20 millimeters (mm) long × 15 mm wide × 4 mm high), and compatibility with SMD manufacturing processes (Figure 9).
Figure 9: All units in the Murata MGJ2 series of DC/DC converters have the same outward appearance and size, but they are available with a variety of input voltage ratings and bipolar output voltage pairings. (Image source: Murata Power Solutions)
The members of this family of 2-watt converters operate from nominal inputs of 5, 12, and 15 volts, and offer a choice of asymmetric output voltages (+15 volt/-5 volt, +15 volt/-9 volt, and +20 volt/-5 volt outputs) to support optimum drive levels with the highest system efficiency and minimal electromagnetic interference (EMI). The surface-mount packaging eases physical integration with the gate drivers and enables closer placement, thus reducing wiring complexity while minimizing EMI or radio frequency interference (RFI) pickup.
The MGJ2series is specified for the high isolation and dV/dt requirements needed by bridge circuits used in motor drives and inverters, and the industrial-grade temperature rating and construction provides long service life and reliability. Other key attributes include:
- Reinforced insulation to UL62368 recognition (pending)
- ANSI/AAMI ES60601-1 recognition (pending)
- 5.7 kV DC isolation test voltage (per “hi pot” test)
- Ultra-low isolation capacitance
- Operation up to +105°C (with derating)
- Short-circuit protection
- Characterized common-mode transient immunity (CMTI) >200 kV/µs
- Continuous barrier-withstand voltage of 2.5 kV
- Characterized partial discharge performance
Two units show the range of performance available in the MGJ2 series:
•The MGJ2D152005MPC-R7 takes a nominal 15-volt input (13.5 to 16.5 volts) and delivers highly asymmetrical outputs of +20 volts and -5.0 volts at up to 80 mA each. Key specifications include 9% and 8% load regulation (maximum) for the two outputs (respectively), ripple and noise below 20/45 mV (typical/maximum), efficiency of 71/76% (minimum/typical), isolation capacitance of just 3 pF, and mean time to failure (MTTF) of approximately 1100 kilohours (kHrs) (determined using MIL-HDBK-217 FN2) and 43,500 kHrs (per Telecordia SR-332 calculation models).
•The MGJ2D121509MPC-R7 operates from a nominal 12-volt input (10.8 volts to 13.2 volts) and provides asymmetrical outputs of +15 volts and -9.0 volts, also at up to 80 mA. Other key specifications include 8%/13% load regulation (typical/maximum) for the +15-volt output and 7%/12% load regulation (typical/maximum) for the -9.0 volt output, ripple and noise below 20/45 mV (typical/maximum), efficiency of 72/77% (minimum/typical), isolation capacitance of 3 pF, and MTTF of approximately 1550 kHrs (using MIL-HDBK-217 FN2) and 47,800 kHrs (Telecordia models).
In addition to the expected listings and graphs detailing static and dynamic performance, the common datasheet for the members of this series calls out the many industry standards and regulatory mandates that these converters meet, along with comprehensive details of the associated test conditions used for determining these factors. This provides a higher level of confidence and speeds product certification in applications with strict conformance requirements.
Conclusion
Selecting the appropriate MOSFET or IGBT device for a switching power design is one step in the design process. There’s also the associated gate driver which controls the switching device, flipping it between on and off states quickly and crisply. In turn, the driver needs a suitable DC/DC converter to provide its operating power. As shown, Murata’s MGJ2 series of 2-watt surface-mount DC/DC converters offers the electrical performance needed and also meets the many complicated safety and regulatory mandates required in this function.
Disclaimer: The opinions, beliefs, and viewpoints expressed by the various authors and/or forum participants on this website do not necessarily reflect the opinions, beliefs, and viewpoints of DigiKey or official policies of DigiKey.




