How to Attach a Heatsink on a SPM® 5 Package
Contributed By DigiKey
2014-10-07
Motion SPM®5 products have various power ratings from 10 W to 100 W, and are targeted for applications such as small power motor drives which include small power fan motors, dishwashers, and circulation pumps. These products include a bootstrap diode, undervoltage lockout (UVLO) protection function and thermal sensing function of HVIC. Motion SPM®5 products have lower stand-by current which is desired for small power motor-drive applications. There are already a large number of customers adopting Motion SPM®5 into their products thanks to these nice features, but some customers want to attach a heatsink to increase the power rating of the drive. Low-power applications usually do not use heatsinks for heat dissipation even though the chassis of the motor sometimes is used as a heatsink. For example, a 100 W module can be extended to 150 W using a heatsink. (DUT: FSB50550A, Operating Conditions: VDC = 300 V, VCC = 15 V, FSW = 5 kHz, Sinusoidal PWM, TAmb. = 54℃, THeatsink = 100℃, Heatsink Size (DxWxH): 40 x 24 x 15 mm. Results will vary with choice of heatsink and thermal adhesive used.)


However, if customers try to drive higher power from the same power module, mounting the heatsink can be a relatively easy solution. Due to the fact that SPM 5 packages do not have mounting hole for a heatsink, it is not easy to attach a heatsink to an SPM 5 package. We will discuss how to attach a heatsink on an SPM 5 package in this article.
A. Thermal adhesive material
In order to expand the power range of the SPM®5 module, a small size heatsink is sufficient because their major applications are for low-power systems. Method A is to use higher thermal conductivity adhesive material to attach a heatsink to the package and, therefore, is much easier than other methods. Representative thermal conductivity adhesive is Loctite 384 with a thermal conductivity of 0.717 [W/m•K]. It is important to note that thermal adhesive alone does not provide the heat transfer to dissipate the heat. The thermal adhesive makes heat transfer easier between the module and the heatsink used.

Figure 2: Thermal adhesive material.
B. Direct assemble with PCB by screw (1)
Method B is to use screws to attach the SPM®5 package to the heatsink. This method is stable against external vibration, which may be common in motor applications. Users have to be careful not to bend PCB when assembling the heatsink to the package. If the bolt is tightened too strong, it can cause cold solder or solder crack of components soldered around mounting holes.

C. Direct assemble with PCB by screw (2)
Method C is an improved version of Method B. The key is the shape of the heatsink to prevent PCB bending. This method can reduce the possibility of cold solder owing to PCB bending, but needs more PCB space. The gap between the heatsink and the SPM®5 package should be filled by a thermal conductivity pad or thermal grease.

D. Heatsink clip
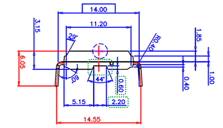
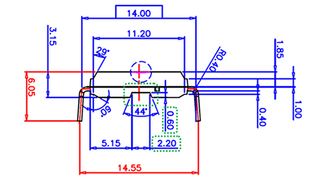
Method D utilizes the unique shape of the package. As shown with the green dotted line in Figure 4, the SPM®5 package has a trench at the bottom center of the package. A clip can be designed so that the package can be assembled to the heatsink by this clip.

In applying this method, important things are the shape and material of the clip. In order to hold the package tight and stable, the clip has to have tension over a certain level. The width and thickness of the clip should not exceed the size of trench in the SPM 5 package. Figure 6-d is an example drawing of a clip. Method D has merit on mass production when comparing to other methods. Additionally, Method D can lead to increased productivity (throughput) because the user can assemble the SPM to the heatsink before the PCB assembly process.

Summary
Some heatsink attachment methods described here have been adopted by some users. In order to apply these methods in real applications, however, we have to consider many things based on different operating conditions in each application. For example, customers may not apply Method A in applications with severe vibration because the heatsink could be detached from the package. Customers should be verifying reliability through vibration testing to apply Method A or B. Also, a thermal conductivity adhesive dispenser can be considered to improve productivity when using Method A. The methods described in this article are meant to demonstrate some basic concepts, and customers have to validate the effectiveness and reliability before applying these methods in real production.
Additional Information
Disclaimer: The opinions, beliefs, and viewpoints expressed by the various authors and/or forum participants on this website do not necessarily reflect the opinions, beliefs, and viewpoints of DigiKey or official policies of DigiKey.

