Design a Low-Power Edge Tier Node for the Industrial IoT
Contributed By DigiKey's North American Editors
2017-04-25
The architecture for an Industrial Internet of Things (IIoT) application uses a large number of networked sensors and actuators to monitor and control industrial processes. In the Industrial Internet Reference Architecture this collection of smart connected elements is called the Edge Tier, and a typical Edge Tier node is located on or close to the machine it serves.
The design of an Edge Tier node poses several challenges for the designer. Along with sensors and actuators, each node also includes a microcontroller, power supply circuitry, and a serial communication link to interface with other nodes in the network. Since there are hundreds or thousands of nodes, it's important to keep both cost and power consumption to a minimum. The industrial environment is unforgiving regarding EMC, so robust protection against electromagnetic threats is also a priority.
This article will provide an overview of the IO-Link communications protocol and its use in IIoT applications. It will then introduce the Maxim Integrated MAX14827A transceiver as an example of how to implement a cost-effective IIoT Edge Tier node for a variety of industrial sensing and safety applications.
IO-Link overview
IO-Link (IEC 61131-9) is a point-to-point serial communication protocol optimized for intelligent Edge Tier nodes that contain sensors, actuators, and low-power microcontrollers. In its basic form it is a three-wire connection that can switch both analog and digital signals (8, 12 and 16 bits). It has wide industry support due to its simplicity, intelligence, efficiency, configurability and ability to provide more information and control.
For example, it uses standard connectors and cables, eliminating custom connections. Using IO-Link, developers can identify devices and perform automated re-parameterization on the fly. Its Service Protocol Data Units (SPDUs) give access to detailed sensor and actuator status, from device type and ID numbers, to full diagnostics.
In a typical industrial installation, multiple IO-Link Masters operate actuators and collect data from sensors; they can also dynamically reconfigure sensors and actuators, known as “devices” in IO-Link terminology (Figure 1).
A programmable logic controller (PLC) can contain several IO-Link Masters, each connected to one or more devices. The PLCs themselves are nodes on an area network such as Fieldbus. A higher speed network, such as Industrial Ethernet, transfers data and commands between PLC hubs and higher enterprise or cloud levels.

Figure 1: Using IO-Link in an IIoT application, from sensors and actuators (devices) at the edge, through PLCs with IO-Link Masters, all the way to a high-speed Industrial Ethernet backbone. (Image source: IO-Link)
The IO-Link standard pinout combines a data link and a power connection in a single connector based on the circular M5, M8, and M12 form factors: M12 is the most common. Sensor connectors have four pins and actuators have five: an IO-Link Master device typically has a five-pin socket.
The standard defines two port classes, Port A and Port B: pins 1, 3, and 4 perform the same function in both classes. In Port A, pins 2 and 5 are not specified, but manufacturers often use pin 2 for an additional digital communication channel. In Port B, pins 2 and 5 provide additional power for devices with increased demand. Unshielded cables up to 20 meters long connect the master with its devices (Table 1).
|
||||||||||||||||||||||||
Table 1: Standard IO-Link pinouts for Port Class A and B. Port B uses pins 2 and 5 to deliver more (galvanically isolated) voltage for devices that need more power. (Image source: IO-Link)
The IO-Link specification incorporates backward compatibility and accommodates legacy devices. A Master can operate these devices using the Standard Input Output (SIO) feature, which transforms the C/Q serial link into a discrete digital I/O port. SIO also allows an IO-link sensor to operate with a conventional input module. A built-in load current on the C/Q line at the master side (ILLM) allows operation with older sensors with discrete PNP type outputs, which only drive high.
Designing an Edge Tier node using IO-Link
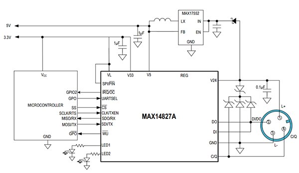
The IO-Link protocol can form the basis of a powerful and low-cost Edge Tier node (Figure 2). This low-power node implements IO-Link connectivity with only three active devices: an IO-Link transceiver (MAX14827A), a buck regulator (MAX17552), and a supervisory microcontroller.

Figure 2: Simplified block diagram of an IO-Link node with three active devices: an IO-Link transceiver, a buck regulator, and a supervisory microcontroller. (Image source: Maxim Integrated)
IO-Link transceiver
The Maxim Integrated MAX14827A transceiver sends and receives IO-Link messages and exchanges data with the supervising microcontroller via a three-wire UART. The device also includes an SPI interface that provides diagnostic information. A multiplexed UART/SPI option combines the SPI and UART interfaces into a single set of shared pins (Figure 3).

Figure 3: The MAX14827A combines an IO-Link transceiver, power drivers, and linear regulators into a single package (Image source: Maxim Integrated)
The MAX14827A has two modes of operation, set by the voltage on SPI/PIN. In PIN mode (SPI/PIN low), SPI and the UART are both disabled and the device configuration is set by tying the SPI/UART pins high or low as needed. Some functions are set to fixed values in this mode. When SPI/PIN is tied high, the SPI and UART are enabled and are used to configure the MAX14827A, monitor its operation, and transmit and receive IO-Link messages.
In addition to the IO-Link interface, the MAX14827A integrates several functions commonly required by IIoT sensor nodes, such as drivers and regulators. This reduces part count and node size. These functions include:
- Two low-power logic-level LED drivers
- Integrated 3.3 V and 5 V linear regulators for low-noise analog or logic supply rails.
- If not needed for DI/DQ operation, an additional digital input and output is available with push/pull, PNP, and NPN modes.
The MAX14827A detects fault conditions such as thermal overload and incorporates reverse polarity protection and hot-plug supply protection. The device can also raise an interrupt for conditions such IO-Link wake-up, overtemperature, driver overload, and low voltage on the V24 pin.
Buck regulator and power supply
The IO-Link L+/L- pins supply 24 volts DC to the node. The MAX17552A high-efficiency DC-DC converter generates the 5 volt bus voltage for the other components, sensors, and actuators. It uses a synchronous buck topology with integrated power MOSFETs.
The internal LDO in the MAX14827A uses the 5 volt bus voltage to generate 3.3 volts for the microcontroller. Since the 5 volts is supplied by the MAX17552, the MAX14827A’s internal 5 volt regulator is not used in this application.
Although the standard IO-Link L+ voltage is 24 volts, the MAX17552A can operate over an input voltage range of 4 volts to 60 volts, if needed. The converter can deliver output current up to 100 milliamps at output voltages adjustable from 0.8 volts to 0.9 x VIN. The output voltage accuracy is ±1.75% over a temperature range of -40°C to +125°C.
The device employs peak-current-mode control with a MODE pin that selects between pulse-width modulation (PWM) or pulse-frequency modulation (PFM) control schemes. PWM operation provides constant frequency operation under all load conditions, making it useful for applications that are sensitive to variable switching frequency. The PFM mode skips pulses at light loads for high efficiency. In this mode, the converter consumes only 22 microamps of no-load supply current.

Figure 4: The MAX17552A’s switching topology efficiently converts the IO-Link 24 volt input to a 5 volt bus voltage for the node. (Image source: Maxim Integrated)
Microcontroller selection
The microcontroller formats outgoing IO-Link messages and processes incoming messages. It also receives data from sensors and controls actuators via an external driver or the drivers in the MAX14827A.
In the minimum pin count configuration, the microcontroller serial port supports both UART and SPI functions, managing both transceiver control (SPI) and IO-Link data communication (UART). The microcontroller’s shared UART and SPI interface pins are multiplexed, but their usage patterns differ. The SPI is used to configure the transceiver configuration at power-up, and then infrequently for reconfiguration or diagnostic purposes. UART messages, on the other hand, can occur at any time.
Since the functions of an IIoT node can vary widely, the microcontroller must have a flexible feature set. Depending on the application, this may include analog-to-digital converter (ADCs), digital-to-analog converters (DACs), and digital I/O functions such as timers and PWM outputs.
The preferred IIoT design philosophy is to process the data where it makes sense, rather than automatically sending it upstream to a higher level node for action. This raises the bar for the node-level microcontroller since it may require such functions as floating-point support. Minimizing power consumption is still a top priority, though, so the microcontroller must have power management features that let it remain in a low-power mode for extended periods, only waking up when needed to process sensor input, or to send and receive messages.
Node operation
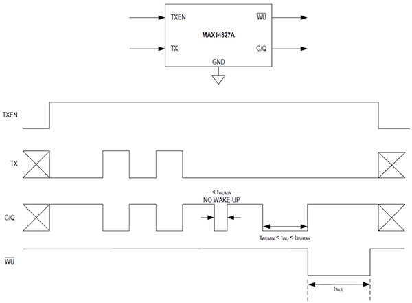
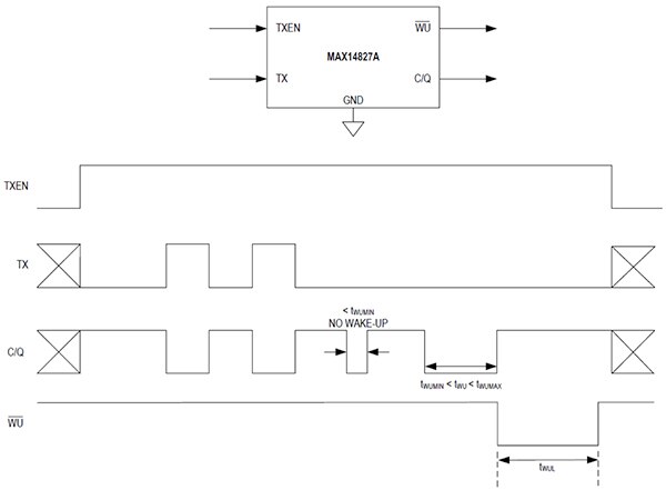
In operation, the device must wait to respond to a transmission from the master: it cannot initiate communication. The master wakes up the device by asserting a low-going pulse of 80 microseconds on the C/Q line (Figure 5). The MAX14827A detects the IO-Link wake-up condition and alerts the microcontroller by driving the pin low for 200 microseconds. The MAX14827A includes circuitry so that a pulse appreciably shorter or longer than 80 microseconds will not cause a change on. Additionally, when in SPI mode, the WuInt bit in the MAX14827A’s INTERRUPT register is set and the / pin asserts when an IO-Link wake-up event is detected.

Figure 5: The MAX41827A alerts the microcontroller via when it detects an incoming IO-Link wake-up. (Image source: Maxim Integrated)
During times when IO-Link communication is not occurring, the microcontroller is gathering sensor data, responding to fault conditions, or conserving power in sleep mode.
Design considerations
When designing a node for an IIoT application, there are a few key considerations to keep in mind.
ESD and transient protection is required as the IO-Link socket is open to the environment. There is a risk of ESD strikes when inserting or removing a connector.
Inductive load switching, bursts, and surges create high transient voltages. The V24, C/Q, DI, and DO pins should be protected against overvoltage and undervoltage transients. Positive voltage transients on V24, C/Q, DO, and DI must be limited to +70 volts relative to GND. Negative voltage transients must be limited to -70 volts relative to V24. Use protection diodes on C/Q, DO, and DI (Figure 3, again).
If the design calls for a surge rating that satisfies the IEC 61000-4-5 specification, Littelfuse Inc.’s SMAJ33A or Fairchild’s SMBJ36A TVS protectors are both good choices. For maximum protection, the SM6T39A from STMicroelectronics complies with the IEC 61000-4-2 level 4 ESD specification for 15 kilovolt air discharge and 8 kilovolt contact discharge.
At the other end of the spectrum, the IO-Link specification has a minimum level for ESD and burst protection; if this is the design requirement, a TVS in a smaller package can be used.
Switching regulator component selection
Whenever a switching power converter such as the MAX17552A is included in a design, it brings with it a few caveats along with its high efficiency. For example, it’s important to take care when selecting the external components.
Inductor selection: Pick a low-loss inductor having the lowest DC resistance that still fits in the space allotted. Ferrite and powdered iron are the most commonly available core materials. Ferrite cores have low core losses and are recommended for high-efficiency designs, while powdered iron cores are cheaper than ferrite but have higher core losses.
Input capacitor selection: The input capacitor reduces peak current drawn from the power source, and reduces ripple and noise on the input caused by the switching circuitry. Small ceramic X7R grade input capacitors are recommended. A minimum of 1 microfarad is recommended for the input capacitor of the MAX17552 to keep the input voltage ripple low, and to meet the maximum ripple current requirements.
Output capacitor selection: The output capacitor serves two functions. It stores sufficient energy to maintain the output voltage under transient load conditions, and also stabilizes the regulator’s internal control loop. Again, X7R grade ceramic devices are preferred. Size the output capacitor to support a step load of 50% of the maximum output current in the application, such that the output voltage deviation is less than 3%.
Also, be aware that dielectric materials used in ceramic capacitors exhibit capacitance loss due to DC bias levels; make sure you derate them appropriately.
PC board layout guidelines
A typical IIoT edge node includes both noise sensitive analog circuitry for gathering real world sensor data, and noisy digital and switching power devices. Careful PC board layout is critical to achieving clean and stable operation.
Recommended layout guidelines include keeping noise sensitive analog components and traces away from noisy power and ground lines. Isolate analog inputs from noisy traces, and run analog and power grounds separately.
The switching power stage requires particular attention because it combines noisy digital switching with high voltage and current. For example, the input ceramic capacitor should be located as close as possible to VIN and GND pins. All feedback connections should be short and direct, and the routing for LX, the high-speed switching node, should be kept away from the signal pins.
MAX14827A evaluation board
An evaluation board is available to help designers get started designing an edge node based around IO-Link and the MAX14827A. The MAX14827EVKIT can operate either as a stand-alone board or in conjunction with an Arduino-based form factor ARM® mbed board. The evaluation board includes a GUI that allows operation in both PIN mode and SPI mode (Figure 6).
Figure 6: The SPI mode default configuration GUI screen after power-up for the MAX14827A evaluation kit (Image source: Maxim Integrated)
Conclusion
The IIoT requires a large number of low-cost, low-power Edge Tier nodes to gather data and control industrial processes. IO-Link is a low-cost protocol optimized for industrial automation, especially when used with the large installed base of PLCs connected together in a Fieldbus network. The MAX14827A IO-Link transceiver can combine with a regulator and a low-power microcontroller to form a compact Edge Tier node design that is suitable for many IIoT applications.
Disclaimer: The opinions, beliefs, and viewpoints expressed by the various authors and/or forum participants on this website do not necessarily reflect the opinions, beliefs, and viewpoints of DigiKey or official policies of DigiKey.


