
October 2017 
DocID15676 Rev 7 
1/29 
This is information on a product in full production. 
www.st.com 
LD39100 
1 A, low quiescent current, low-noise voltage regulator 
Datasheet - production data 
Features 
AEC-Q100 qualified
Input voltage from 1.5 to 5.5 V
Ultra-low dropout voltage (200 mV typ. at
1 A load)
Very low quiescent current (20 µA typ. at no
load, 200 µA typ. at 1 A load, 1 µA max. in
off mode)
Very low-noise with no bypass capacitor
(30 µ VRMS at VOUT = 0.8 V)
Output voltage tolerance: ±2.0% at 25 °C
1 A guaranteed output current
Wide range of output voltages available on
request: 0.8 V to 4.5 V with 100 mV step and
adjustable from 0.8 V
Logic-controlled electronic shutdown
Stable with ceramic capacitors COUT = 1 µF
Internal current and thermal limit
DFN6 (3x3 mm) package
Temperature range: -40 °C to 125 °C
Applications 
Printers
Game consoles
Computer
Consumer applications
Automotive post regulation
Description 
The LD39100 provides 1 A maximum current with 
an input voltage range from 1.5 V to 5.5 V and a 
typical dropout voltage of 200 mV. The device is 
stable with ceramic capacitors on the input and 
output. The ultra-low dropout voltage, low 
quiescent current and low-noise features make it 
suitable for low power battery-powered 
applications. Power supply rejection is 70 dB at 
low frequency and starts to roll off at 10 kHz. 
Enable logic control function puts the LD39100 in 
shutdown mode, allowing a total current 
consumption lower than 1 µA. The device also 
includes short-circuit constant current limiting and 
thermal protection. LD39100 is available also in 
AEC-Q100 qualified version, in the DFN6 
(3x3 mm) with wettable flank package. 
DFN6 (3x3 mm)

Contents 
LD39100 
2/29 
DocID15676 Rev 7 
Contents 
1 Circuit schematics........................................................................... 5 
2 Pin configuration ............................................................................. 6 
3 Maximum ratings ............................................................................. 7 
4 Electrical characteristics ................................................................ 8 
5 Typical performance characteristics ........................................... 12 
6 Application information ................................................................ 16 
6.1 External capacitors .......................................................................... 17 
6.1.1 Input capacitor .................................................................................. 17 
6.1.2 Output capacitor ............................................................................... 17 
6.2 Power dissipation ............................................................................ 17 
6.3 Enable function ............................................................................... 18 
6.4 Power Good function ....................................................................... 18 
7 Package information ..................................................................... 20 
7.1 DFN6 (3x3 mm) package information ............................................. 21 
7.2 DFN6 (3x3 mm) automotive-grade package information ................. 23 
7.3 DFN6 (3x3 mm) packing information ............................................... 25 
8 Ordering information ..................................................................... 27 
9 Revision history ............................................................................ 28 

LD39100 
List of tables 
DocID15676 Rev 7 
3/29 
List of tables 
Table 1: Pin description .............................................................................................................................. 6 
Table 2: Absolute maximum ratings ........................................................................................................... 7 
Table 3: Thermal data ................................................................................................................................. 7 
Table 4: ESD performance ......................................................................................................................... 7 
Table 5: LD39100 electrical characteristics (adjustable version) ............................................................... 8 
Table 6: LD39100 electrical characteristics (fixed version) ...................................................................... 10 
Table 7: DFN6 (3x3 mm) mechanical data ............................................................................................... 22 
Table 8: DFN6 (3x3 mm) automotive-grade mechanical data .................................................................. 24 
Table 9: DFN6 (3x3) tape and reel mechanical data ................................................................................ 26 
Table 10: Order code ................................................................................................................................ 27 
Table 11: Document revision history ........................................................................................................ 28 

List of figures 
LD39100 
4/29 
DocID15676 Rev 7 
List of figures 
Figure 1: LD39100 schematic diagram (adjustable version) ...................................................................... 5 
Figure 2: LD39100 schematic diagram (fixed version) ............................................................................... 5 
Figure 3: Pin connection (top view) ............................................................................................................ 6 
Figure 4: VADJ accuracy ............................................................................................................................ 12 
Figure 5: VOUT accuracy ............................................................................................................................ 12 
Figure 6: Dropout voltage vs. temperature (VOUT = 2.5 V) ........................................................................ 12 
Figure 7: Dropout voltage vs. temperature (VOUT = 1.5 V) ........................................................................ 12 
Figure 8: Dropout voltage vs. output current ............................................................................................ 12 
Figure 9: Short-circuit current vs. drop voltage ......................................................................................... 12 
Figure 10: Output voltage vs. input voltage (VOUT = 0.8 V) ....................................................................... 13 
Figure 11: Output voltage vs. input voltage (VOUT = 2.5 V) ....................................................................... 13 
Figure 12: Quiescent current vs. temperature .......................................................................................... 13 
Figure 13: VIN input current in off mode vs. temperature .......................................................................... 13 
Figure 14: Load regulation ........................................................................................................................ 13 
Figure 15: Line regulation VOUT = 0.8 V .................................................................................................... 13 
Figure 16: Line regulation VOUT = 2.5 V .................................................................................................... 13 
Figure 17: Supply voltage rejection vs. temperature (VOUT = 0.8 V) ......................................................... 13 
Figure 18: Supply voltage rejection vs. temperature (VOUT = 2.5 V) ......................................................... 14 
Figure 19: Supply voltage rejection vs. frequency (VOUT = 0.8 V) ............................................................ 14 
Figure 20: Supply voltage rejection vs. frequency (VOUT = 2.5 V) ............................................................ 14 
Figure 21: Output noise voltage vs. frequency ......................................................................................... 14 
Figure 22: Enable voltage vs. temperature ............................................................................................... 14 
Figure 23: Load Transient (VOUT = 0.8 V, IOUT = from 10 mA to 1 A) ........................................................ 14 
Figure 24: Load Transient (VOUT = 0.8 V, IOUT = from 100 mA to 1 A) ...................................................... 15 
Figure 25: Load Transient (VOUT = 2.5 V, IOUT = from 10 mA to 1 A) ........................................................ 15 
Figure 26: Load Transient (VOUT = 2.5 V, IOUT = from 100 mA to 1 A) ...................................................... 15 
Figure 27: Line transient ........................................................................................................................... 15 
Figure 28: Start-up transient ..................................................................................................................... 15 
Figure 29: Enable transient ....................................................................................................................... 15 
Figure 30: Typical application circuit for fixed output version ................................................................... 16 
Figure 31: Typical application circuit for adjustable version ..................................................................... 16 
Figure 32: Power dissipation vs. ambient temperature ............................................................................ 18 
Figure 33: DFN6 (3x3 mm) package outline ............................................................................................. 21 
Figure 34: DFN6 (3x3 mm) recommended footprint ................................................................................. 22 
Figure 35: DFN6 (3x3 mm) automotive-grade package outline ............................................................... 23 
Figure 36: DFN6 (3x3 mm) automotive-grade recommended footprint .................................................... 24 
Figure 37: DFN6 (3x3) tape outline .......................................................................................................... 25 
Figure 38: DFN6 (3x3 mm) reel outline .................................................................................................... 26 
 PG:
 
 
Power-good
slg nal
 
 
 
IN
IN
{131
our
D
 
 
 
 
 
 
 
 
 
 
 
 
 
 
 
 
 
 
 
GND
 
 
 
 
EN
 
PG‘
 
Power-good
signal
 
 
 
 
 
 
 
 
 
 
 
 
 
 
 
 
 
 
 
 
 
 
 
 
 
 
 
GND
 
 
PG:
 
 
Power-good
slg nal
 
 
 
IN
IN
{131
our
D
 
 
 
 
 
 
 
 
 
 
 
 
 
 
 
 
 
 
 
GND
 
 
 
 
EN
 
PG‘
 
Power-good
signal
 
 
 
 
 
 
 
 
 
 
 
 
 
 
 
 
 
 
 
 
 
 
 
 
 
 
 
GND
 
 
 
 
 
 
 
LD39100 
Circuit schematics 
DocID15676 Rev 7 
5/29 
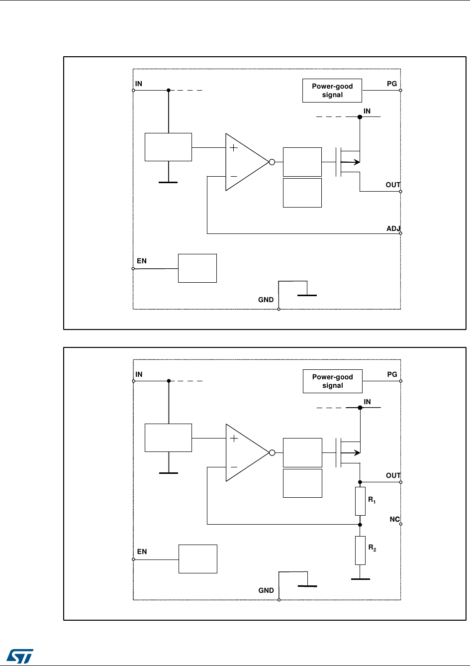
1  Circuit schematics 
Figure 1: LD39100 schematic diagram (adjustable version) 
Figure 2: LD39100 schematic diagram (fixed version) 
Current
limit
Thermal
protection
OUT
GND
OpAmp
IN Power-good
signal
PG
Internal
enable
IN
ADJ
EN
BandGap
reference Current
limit
Thermal
protection
OUT
GND
OpAmp
IN Power-good
signal
PG
Internal
enable
ININ
ADJ
EN
BandGap
reference
GIPD010920151332MT
Current
limit
Thermal
protection
OUT
GND
OpAmp
IN Power-good
signal
PG
Internal
enable
IN
NC
EN
BandGap
reference
R1
R2
Current
limit
Thermal
protection
OUT
GND
OpAmp
IN Power-good
signal
PG
Internal
enable
ININ
NC
EN
BandGap
reference
R1
R2
GIPD010920151333MT
 flflfl
 
 
 
 
 
flflfl
 
 
 
 
 
 
 
 
 
 
 
 
 
 
 
 
 
 
 
 
 
 
 
 
 
Pin configuration 
LD39100 
6/29 
DocID15676 Rev 7 
2  Pin configuration 
Figure 3: Pin connection (top view) 
Table 1: Pin description 
Symbol 
Pin 
Function 
LD39100 (adjustable 
version) 
LD39100 (fixed 
version) 
EN 
1 
1 
Enable pin logic input: low = shutdown, 
high = active 
GND 
2 
2 
Common ground 
PG 
3 
3 
Power Good 
VOUT 
4 
4 
Output voltage 
ADJ 
5 
- 
Adjust pin 
VIN 
6 
6 
LDO input voltage 
NC 
- 
5 
Not connected 
GND 
Exposed pad 
Exposed pad has to be connected to 
GND 
LD39100 (fixedversion)
EN
GND
PG
VIN
NC
VOUT
EN
GND
PG
VIN
ADJ
VOUT
 LD39100 (adjustable version)
1
2
34
5
6 1
2
34
5
6
GIPD010920151334MT

LD39100 
Maximum ratings 
DocID15676 Rev 7 
7/29 
3  Maximum ratings 
Table 2: Absolute maximum ratings 
Symbol 
Parameter 
Value 
Unit 
VIN 
DC input voltage 
-0.3 to 7 
V 
VOUT 
DC output voltage 
-0.3 to VIN + 0.3 
(7 V max.) 
V 
EN 
Enable pin 
-0.3 to VIN + 0.3 
(7 V max.) 
V 
PG 
Power Good pin 
-0.3 to 7 
V 
ADJ 
Adjust pin 
4 
V 
IOUT 
Output current 
Internally limited 
PD 
Power dissipation 
Internally limited 
TSTG 
Storage temperature range 
- 65 to 150 
°C 
TOP 
Operating junction temperature range 
- 40 to 125 
°C 
Absolute maximum ratings are those values beyond which damage to the device 
may occur. Functional operation under these conditions is not implied. All values 
are referred to GND. 
Table 3: Thermal data 
Symbol 
Parameter 
Value 
Unit 
RthJA 
Thermal resistance junction-ambient 
55 
°C/W 
RthJC 
Thermal resistance junction-case 
10 
°C/W 
Table 4: ESD performance 
Symbol 
Parameter 
Test conditions 
Value 
Unit 
ESD 
ESD protection voltage 
HBM 
4 
kV 
MM 
0.4 
kV 

Electrical characteristics 
LD39100 
8/29 
DocID15676 Rev 7 
4  Electrical characteristics 
TJ = 25 °C, VIN = 1.8 V, CIN = COUT = 1 µF, IOUT = 100 mA, VEN = VIN, unless otherwise 
specified. 
Table 5: LD39100 electrical characteristics (adjustable version) 
Symbol 
Parameter 
Test conditions 
Min. 
Typ. 
Max. 
Unit 
VIN 
Operating input 
voltage 
1.5 
5.5 
V 
VADJ 
VADJ accuracy 
IOUT = 10 mA 
 TJ = 25 °C 
784 
800 
816 
mV 
IOUT = 10 mA 
-40 °C < TJ < 125 °C 
776 
800 
824 
IADJ 
Adjust pin current 
1 
µA 
∆VOUT 
Static line 
regulation 
VOUT + 1 V ≤ VIN ≤ 5.5 V 
IOUT = 100 mA 
0.01 
%/V 
∆VOUT 
Transient line 
regulation (1) 
∆VIN = 500 mV 
IOUT = 100 mA 
tR = 5 µs 
10 
mVpp 
∆VIN = 500 mV 
IOUT = 100 mA 
tF = 5 µs 
10 
∆VOUT 
Static load 
regulation 
IOUT = 10 mA to 1 A 
0.002 
%/mA 
∆VOUT 
Transient load 
regulation (1) 
IOUT = 10 mA to 1 A 
tR = 5 µs 
40 
mVpp 
IOUT = 1 A to 10 mA 
tF = 5 µs 
40 
VDROP 
Dropout voltage (2) 
IOUT = 1 A VO fixed to 1.5 V 
-40 °C < TJ < 125 °C 
200 
400 
mV 
eN 
Output noise 
voltage 
10 Hz to 100 kHz 
IOUT = 100 mA 
VOUT = 0.8 V 
30 
µVRMS 
SVR 
Supply voltage 
rejection VO = 0.8 V 
VIN = 1.8 V+/-VRIPPLE 
VRIPPLE = 0.25 V 
frequency = 1 kHz 
IOUT = 10 mA 
70 
dB 
VIN = 1.8 V+/-VRIPPLE VRIPPLE = 0.25 V 
frequency = 10 kHz 
IOUT = 100 mA 
65 
IQ 
Quiescent current 
IOUT = 0 mA 
20 
µA 
IOUT = 0 mA -40 °C < TJ < 125 °C 
50 
IOUT = 0 to 1 A 
200 

LD39100 
Electrical characteristics 
DocID15676 Rev 7 
9/29 
Symbol 
Parameter 
Test conditions 
Min. 
Typ. 
Max. 
Unit 
IQ 
Quiescent current 
IOUT = 0 to 1 A 
-40 °C < TJ < 125 °C 
300 
µA 
VIN input current in off mode: 
VEN = GND (3) 
0.001 
1 
PG 
Power good output 
threshold 
Rising edge 
0.92* 
VOUT 
V 
Falling edge 
0.8* 
VOUT 
Power good output 
voltage low 
Isink = 6 mA open drain output 
0.4 
V 
ISC 
Short-circuit current 
RL= 0 
2.5 
A 
VEN 
Enable input logic 
low 
VIN = 1.5 V to 5.5 V 
-40 °C < TJ< 125 °C 
0.4 
V 
Enable input logic 
high 
0.9 
V 
IEN 
Enable pin input 
current 
VEN = VIN 
0.1 
100 
nA 
tON 
Turn-on time (4) 
30 
µs 
TSHDN 
Thermal shutdown 
160 
°C 
Hysteresis 
20 
COUT 
Output capacitor 
Capacitance (seeSection 5: "Typical 
performance characteristics") 
1 
µF 
Notes: 
(1)All transient values are guaranteed by design, not tested in production. 
(2)Dropout voltage is the input-to-output voltage difference at which the output voltage is 100 mV below its nominal 
value. This specification does not apply to output voltages below 1.5 V. 
(3)PG pin floating. 
(4)Turn-on time is time measured between the enable input just exceeding VEN high value and the output voltage 
just reaching 95% of its nominal value. 

Electrical characteristics 
LD39100 
10/29 
DocID15676 Rev 7 
TJ = 25 °C, VIN = VOUT(NOM) + 1 V, CIN = COUT = 1 µF, IOUT = 100 mA, VEN = VIN, unless 
otherwise specified. 
Table 6: LD39100 electrical characteristics (fixed version) 
Symbol 
Parameter 
Test conditions 
Min. 
Typ. 
Max. 
Unit 
VI 
Operating input 
voltage 
1.5 
5.5 
V 
VOUT 
VOUT accuracy 
VOUT >1.5 V 
IOUT = 10 mA 
TJ = 25 °C 
-2.0 
2.0 
% 
VOUT > 1.5 V 
IOUT = 10 mA 
-40 °C < TJ < 125 °C 
-3.0 
3.0 
VOUT ≤ 1.5 V 
IOUT = 10 mA 
±20 
mV 
VOUT ≤ 1.5 V 
IOUT = 10 mA 
-40 °C < TJ < 125 °C 
±30 
∆VOUT 
Static line 
regulation 
VOUT + 1 V ≤ VIN ≤ 5.5 V 
IOUT = 100 mA 
0.01 
%/V 
∆VOUT 
Transient line 
regulation (1) 
∆VIN = 500 mV 
IOUT = 100 mA tR = 5 µs 
10 
mVpp 
∆VIN = 500 mV 
IOUT = 100 mA 
tF = 5 µs 
10 
∆VOUT 
Static load 
regulation 
IOUT = 10 mA to 1 A 
0.002 
%/mA 
∆VOUT 
Transient load 
regulation (1) 
IOUT = 10 mA to 1 A 
tR = 5 µs 
40 
mVpp 
IOUT = 1 A to 10 mA 
tF = 5 µs 
40 
VDROP 
Dropout voltage (2) 
IOUT = 1 A VOUT > 1.5 V 
-40 °C < TJ < 125 °C 
200 
400 
mV 
eN 
Output noise 
voltage 
10 Hz to 100 kHz 
IOUT = 100 mA VOUT = 2.5 V 
85 
µVRMS 
SVR 
Supply voltage 
rejection 
VOUT = 1.5 V 
VIN = VOUT(NOM)+0.5 V+/-VRIPPLE 
VRIPPLE = 0.1 V 
frequency = 1 kHz 
IOUT = 10 mA 
65 
dB 
VIN = VOUT(NOM)+0.5 V+/-VRIPPLE 
VRIPPLE = 0.1 V 
frequency = 10 kHz 
IOUT = 100 mA 
62 

LD39100 
Electrical characteristics 
DocID15676 Rev 7 
11/29 
Symbol 
Parameter 
Test conditions 
Min. 
Typ. 
Max. 
Unit 
IQ 
Quiescent current 
IOUT = 0 mA 
20 
µA 
IOUT = 0 mA 
-40 °C < TJ < 125 °C 
50 
IOUT = 0 to 1 A 
200 
IOUT = 0 to 1 A 
-40 °C < TJ < 125 °C 
300 
VIN input current in OFF mode: (3) 
VEN = GND 
0.001 
1 
PG 
Power good output 
threshold 
Rising edge 
0.92* 
VOUT 
V 
Falling edge 
0.8* 
VOUT 
Power good output 
voltage low 
Isink = 6 mA open drain output 
0.4 
V 
ISC 
Short-circuit current 
RL = 0 
2.5 
A 
VEN 
Enable input logic 
low 
VIN = 1.5 V to 5.5 V 
-40 °C < TJ < 125 °C 
0.4 
V 
Enable input logic 
high 
0.9 
V 
IEN 
Enable pin input 
current 
VEN = VIN 
0.1 
100 
nA 
TON 
Turn-on time (4) 
30 
µs 
TSHDN 
Thermal shutdown 
160 
°C 
Hysteresis 
20 
COUT 
Output capacitor 
Capacitance (see Section 5: 
"Typical performance 
characteristics") 
1 
µF 
Notes: 
(1)All transient values are guaranteed by design, not tested in production. 
(2)Dropout voltage is the input-to-output voltage difference at which the output voltage is 100 mV below its nominal 
value. This specification does not apply to output voltages below 1.5 V. 
(3)PG pin floating. 
(4)Turn-on time is time measured between the enable input just exceeding VEN high value and the output voltage 
just reaching 95% of its nominal value. 
 ewwww.
wasvvmw. ‘,
 
so 725 o 25 so 75 m 125 m
n-u
swumowms mow
so 2; n 2; Sn 7: 1m us an
YFC
GIPDo7og7m5 um w
 
 
as»
am
_ zsn
 
saga ZSSnVSImlsxsa
1m
sxpnnzugzmsnuzm
400
V~=35VV mwmm
Ham
>
E250
gm
2 150
n ma
 
50 725 n 25 so 75 me 125 150
TFC]
ewnmmmsumw
 
 
 
a zoo «no 600 am
LaerrAJ
mm 1200
GwDozoszmsnowT
 
 
vu'mna’ussvvgmv. vwm
 
E :55
J —m-:
-23:
7m
7m
-4“
aoS\\5125335¢¢35556
VdmaM
Gwnmogm‘snois
 
ewwww.
wasvvmw. ‘,
 
so 725 o 25 so 75 m 125 m
n-u
swumowms mow
so 2; n 2; Sn 7: 1m us an
YFC
GIPDo7og7m5 um w
 
 
as»
am
_ zsn
 
saga ZSSnVSImlsxsa
1m
sxpnnzugzmsnuzm
400
V~=35VV mwmm
Ham
>
E250
gm
2 150
n ma
 
50 725 n 25 so 75 me 125 150
TFC]
ewnmmmsumw
 
 
 
a zoo «no 600 am
LaerrAJ
mm 1200
GwDozoszmsnowT
 
 
vu'mna’ussvvgmv. vwm
 
E :55
J —m-:
-23:
7m
7m
-4“
aoS\\5125335¢¢35556
VdmaM
Gwnmogm‘snois
 
 
Typical performance characteristics 
LD39100 
12/29 
DocID15676 Rev 7 
5  Typical performance characteristics 
CIN = COUT = 1 µF 
Figure 4: VADJ accuracy 
Figure 5: VOUT accuracy 
Figure 6: Dropout voltage vs. temperature 
(VOUT = 2.5 V) 
Figure 7: Dropout voltage vs. temperature 
(VOUT = 1.5 V) 
Figure 8: Dropout voltage vs. output current 
Figure 9: Short-circuit current vs. drop 
voltage 
 E]
 
 
 
 
 
 
 
 
 
 
mastssmmi namwwv um, 5v
75 mg 125 \50
750 725 0 25 so
T[‘C]
swuuzngzmsmzw
 
Svn my
 
vmmmnvmsvfla mmvwrwv
— m m mxnwmcm
monzoszmsmzw
E]
 
 
 
 
 
 
 
 
 
 
mastssmmi namwwv um, 5v
75 mg 125 \50
750 725 0 25 so
T[‘C]
swuuzngzmsmzw
 
Svn my
 
vmmmnvmsvfla mmvwrwv
— m m mxnwmcm
monzoszmsmzw
 
 
LD39100 
Typical performance characteristics 
DocID15676 Rev 7 
13/29 
Figure 10: Output voltage vs. input voltage 
(VOUT = 0.8 V) 
Figure 11: Output voltage vs. input voltage 
(VOUT = 2.5 V) 
Figure 12: Quiescent current vs. temperature 
Figure 13: VIN input current in off mode vs. 
temperature 
Figure 14: Load regulation 
Figure 15: Line regulation VOUT = 0.8 V 
Figure 16: Line regulation VOUT = 2.5 V 
Figure 17: Supply voltage rejection vs. 
temperature (VOUT = 0.8 V) 
GIPD020920151106MT
0
0.2
0.4
0.6
0.8
1
1.2
00.5 1 1.5 2 2.5 3 3.5 4 4.5 5 5.5 6
VIN [V]
VOUT[V]
125°C
85°C
55°C
25°C
0°C
-25°C
-40°C
VIN from 0 to 5.5 V, VEN to VIN, VOUT = 0.8 V, IOUT = 1 A
125°C
85°C
55°C
25°C
0°C
-25°C
-40°C
VIN from 0 to 5.5 V, VEN to VIN, VOUT = 0.8 V, IOUT = 1 A
GIPD020920151107MT
0
0.5
1
1.5
2
2.5
3
0 0.5 1 1.5 2 2.5 3 3.5 4 4.5 5 5.5 6
VIN [V]
VOUT[V]
125°C
85°C
55°C
25°C
0°C
-25°C
-40°C
VIN from 0 to 5V, VEN to VIN, VOUT = 2.5 V, IOUT =1A
VIN [V]
125°C
85°C
55°C
25°C
0°C
-25°C
-40°C
VIN from 0 to 5V, VEN to VIN, VOUT = 2.5 V, IOUT =1A
GIPD020920151108MT
0
20
40
60
80
100
120
140
-50 -25 0 25 50 75 100 125 150
T [°C]
Iq [µA]
No Load
IOUT = 1 A
VIN = 1.8 V, VEN to VIN, VOUT = 2.5 V
No Load
IOUT = 1 A
VIN = 1.8 V, VEN to VIN, VOUT = 2.5 V
GIPD020920151109MT
0
0.1
0.2
0.3
0.4
0.5
0.6
-50-25 0 25 5 0 75 100 125 150
T [°C ]
Iq[µA]
VIN = 3.5 V, VE N to GND, VO U T = 2.5 VVIN = 3.5 V, V E N to GND, VO U T = 2.5 V
GIPD020920151110MT
-0.015
-0.01
-0.005
0
0.005
0.01
0.015
-50 -25 0 25 50 75 100 125 150
T [°C]
Load [%/mA]
VIN = 3.5 V, IOUT = from 10 mA to 1 A, VEN=VIN, VOUT = 2.5 VVIN = 3.5 V, IOUT = from 10 mA to 1 A, VEN=VIN, VOUT = 2.5 V
GIPD020920151111MT
-0.04
-0.03
-0.02
-0.01
0
0.01
0.02
0.03
0.04
-50 -25 0 25 50 75 100 125150
T [°C]
VIN = from 1.8 V to 5.5 V , IOUT = 1 00 m A, VEN = V IN, VOUT = 0.8 V
Line [%/V]
VIN = from 1.8 V to 5.5 V , IOUT = 1 00 m A, VEN = V IN, VOUT = 0.8 V
 Vm’mmlM/h w.
v-«VM =st
vwmxssvhwsvwn bvmvwznxv
 
 
 
 
 
 
 
 
 
 
 
E é
~ ;
2 a
7 mg =mmz,bm=1£amA
amwmflw
so 725 o 25 so 75 um 125 13) n m 20 30 no so 50 n so an \m no
TPC] FreqlkHz]
Gwrmzaszmsjnaw mnemommw
1m: _M.,m
so 20 "mm
a m E ,5 _WD
g so g
1 50 3 )0
a «o E
30 05
10
m M
o
n m m 30 m 50 W )0 ED 90 m m 1E+m 1.502 1.5;” 1.E+o4 1§+Ds
FreqU‘Hl}
VV l-3‘/r‘/um “WV?“ V" GIPD020920151H7MT
cwunzogzolsxusw
Vow
2
>“
 
mo
725 a 25 SD 75 125 15a
vm
cwuozngzoxsmsw
 
 
Vm’mmlM/h w.
v-«VM =st
vwmxssvhwsvwn bvmvwznxv
 
 
 
 
 
 
 
 
 
 
 
E é
~ ;
2 a
7 mg =mmz,bm=1£amA
amwmflw
so 725 o 25 so 75 um 125 13) n m 20 30 no so 50 n so an \m no
TPC] FreqlkHz]
Gwrmzaszmsjnaw mnemommw
1m: _M.,m
so 20 "mm
a m E ,5 _WD
g so g
1 50 3 )0
a «o E
30 05
10
m M
o
n m m 30 m 50 W )0 ED 90 m m 1E+m 1.502 1.5;” 1.E+o4 1§+Ds
FreqU‘Hl}
VV l-3‘/r‘/um “WV?“ V" GIPD020920151H7MT
cwunzogzolsxusw
Vow
2
>“
 
mo
725 a 25 SD 75 125 15a
vm
cwuozngzoxsmsw
 
 
 
 
 
 
 
 
 
Typical performance characteristics 
LD39100 
14/29 
DocID15676 Rev 7 
Figure 18: Supply voltage rejection vs. 
temperature (VOUT = 2.5 V) 
Figure 19: Supply voltage rejection vs. 
frequency (VOUT = 0.8 V) 
Figure 20: Supply voltage rejection vs. 
frequency (VOUT = 2.5 V) 
Figure 21: Output noise voltage vs. frequency 
Figure 22: Enable voltage vs. temperature 
Figure 23: Load Transient (VOUT = 0.8 V, 
IOUT = from 10 mA to 1 A) 
 E]
 
 
 
 
anv 1
 
 
 
Vauv ‘
 
 
 
 
 
 
     
 
 
 
Vw-Vn-35VVW‘IDEVL,» unumanmAlMAL-b-Svs
 
 
 
valeAm 1A u
 
5v-
 
 
 
 
 
 
 
 
 
 
VW A“
 
Vow WW WWW
 
 
 
 
 
   
Maw-351v” .2sw, .«mmmummu an .5»
 
 
avmzav vwaavw=vmmnmm=p=sm
 
 
 
 
 
 
/
 
 
 
 
 
  
vuzvfiavmv‘vmaaw‘
 
 
 
 
 
 
VW
 
 
 
 
Vn-DVmZVVuI3SVVm unavm-mnmA
E]
 
 
 
 
anv 1
 
 
 
Vauv ‘
 
 
 
 
 
 
     
 
 
 
Vw-Vn-35VVW‘IDEVL,» unumanmAlMAL-b-Svs
 
 
 
valeAm 1A u
 
5v-
 
 
 
 
 
 
 
 
 
 
VW A“
 
Vow WW WWW
 
 
 
 
 
   
Maw-351v” .2sw, .«mmmummu an .5»
 
 
avmzav vwaavw=vmmnmm=p=sm
 
 
 
 
 
 
/
 
 
 
 
 
  
vuzvfiavmv‘vmaaw‘
 
 
 
 
 
 
VW
 
 
 
 
Vn-DVmZVVuI3SVVm unavm-mnmA
 
 
 
 
LD39100 
Typical performance characteristics 
DocID15676 Rev 7 
15/29 
Figure 24: Load Transient (VOUT = 0.8 V, 
IOUT = from 100 mA to 1 A) 
Figure 25: Load Transient (VOUT = 2.5 V, 
IOUT = from 10 mA to 1 A) 
Figure 26: Load Transient (VOUT = 2.5 V, 
IOUT = from 100 mA to 1 A) 
Figure 27: Line transient 
Figure 28: Start-up transient 
Figure 29: Enable transient 
 r, 5 VW PG i
1 4 V0“
7 EN LD39100 vow ;
OFF ON
v:IN ,: 1
GND NC
2
GwDu40920151351MT
VIN
\ 5 i
{J N PG
Vow
l 4
7 EN LD39100 vOUT >
OFF ON [3")
5
GND GN ADJ
 
 
 
 
 
 
z
 
 
 
 
 
 
GIPD040920151352MT
 
 
 
 
 
 
 
 
 
 
 
 
 
 
 
 
 
 
 
r, 5 VW PG i
1 4 V0“
7 EN LD39100 vow ;
OFF ON
v:IN ,: 1
GND NC
2
GwDu40920151351MT
VIN
\ 5 i
{J N PG
Vow
l 4
7 EN LD39100 vOUT >
OFF ON [3")
5
GND GN ADJ
 
 
 
 
 
 
z
 
 
 
 
 
 
GIPD040920151352MT
 
Application information 
LD39100 
16/29 
DocID15676 Rev 7 
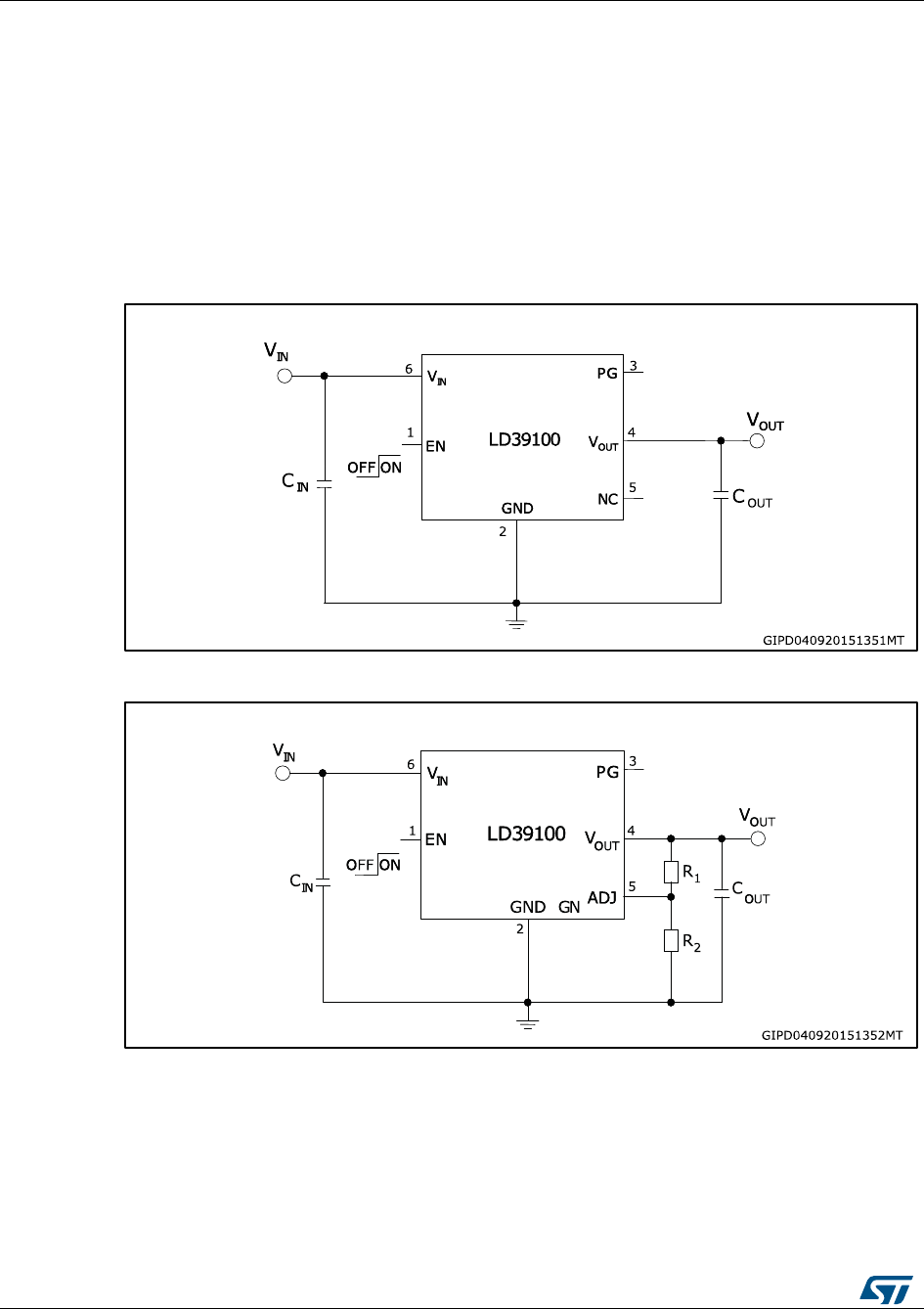
6  Application information 
The LD39100 is an ultra low-dropout linear regulator. It provides up to 1 A with a low 200 
mV dropout. The input voltage range is from 1.5 V to 5.5 V. The device is available in fixed 
and adjustable output versions. 
The regulator is equipped with internal protection circuitry, such as short-circuit current 
limiting and thermal protection. 
Figure 30: "Typical application circuit for fixed output version" and Figure 31: "Typical 
application circuit for adjustable version" illustrate the typical application schematics: 
Figure 30: Typical application circuit for fixed output version 
Figure 31: Typical application circuit for adjustable version 
Regarding the adjustable version, the output voltage can be adjusted from 0.8 V up to the 
input voltage, minus the voltage drop across the pass element (dropout voltage), by 
connecting a resistor divider between ADJ pin and the output, thus allowing remote voltage 
sensing. 

LD39100 
Application information 
DocID15676 Rev 7 
17/29 
The resistor divider should be selected as follows: 
Equation 1 
Resistors should be used with values in the range from 10 kΩ to 50 kΩ. Lower values can 
also be suitable, but they increase current consumption. 
6.1  External capacitors 
The LD39100 voltage regulator requires external low ESR capacitors to assure control loop 
stability. These capacitors must be selected to meet the requirements of minimum 
capacitance and equivalent series resistance defined in the following sections. 
Input and output capacitors should be located as close as possible to the relevant pins. 
6.1.1  Input capacitor 
An input capacitor with a minimum value of 1 μF must be located as close as possible to 
the input pin of the device and returned to a clean analog ground. A good quality, low-ESR 
ceramic capacitor is suggested. It helps to ensure stability of the control loop, reduces the 
effects of inductive sources and improves ripple rejection. 
A value above 1 µF may be chosen when the application involves fast load transients. 
6.1.2  Output capacitor 
The LD39100 requires a low-ESR capacitor connected on its output to keep the control 
loop stable and reduce the risk of ringing and oscillations. The control loop is designed to 
be stable with any good quality ceramic capacitor (such as X5R/X7R types) with a 
minimum value of 1 µF and equivalent series resistance in the 0 to 150 mΩ range. 
It is important to highlight that the output capacitor must maintain its capacitance and ESR 
in the stable region over the full operating temperature, load and input voltage ranges to 
assure stability. Therefore, capacitance and ESR variations must be taken into account in 
the design phase to ensure the device works in the expected stability region. 
If the above conditions are respected, there is no maximum limit to the output capacitance. 
6.2  Power dissipation 
An internal thermal feedback loop disables the output voltage if the die temperature rises to 
approximately 160 °C. This feature protects the device from excessive temperature and 
allows the user to push the limits of the power handling capability of a given circuit board 
without the risk of damaging the device. 
A good PC board layout should be used to maximize power dissipation. The thermal path 
for the heat generated by the device is from the die to the copper lead frame, through the 
package leads and exposed pad, to the PC board copper. The PC board copper acts as a 
heatsink. The footprint copper pads should be as wide as possible to spread and dissipate 
the heat to the surrounding ambient. Feed-through vias to the inner or backside copper 
layers are also useful to improve the overall thermal performance of the device. 
VOUT = VADJ (1 + R1/ R2) with VADJ = 0.8 V (typ.)
 
 
 
 
 
 
 
Application information 
LD39100 
18/29 
DocID15676 Rev 7 
The device power dissipation depends on the input voltage, output voltage and output 
current, and is given by: 
Equation 2 
Junction temperature of the device is: 
Equation 3 
where: 
TJ_MAX is the maximum junction of the die,125 °C 
TA is the ambient temperature 
RthJA is the thermal resistance junction-to-ambient 
Figure 32: Power dissipation vs. ambient temperature 
6.3  Enable function 
The LD39100 features the enable function. When EN voltage is higher than 0.9 V, the 
device is ON, and if it is lower than 0.4 V, the device is OFF. In shutdown mode, 
consumption is lower than 1 µA. 
EN pin has not an internal pull-up, so it cannot be left floating if it is not used. 
6.4  Power Good function 
Some applications require a flag showing that the output voltage is in the correct range. 
Power Good threshold depends on the adjust voltage. When it is higher than 0.92*VADJ, 
Power Good (PG) pin goes to high impedance. If it is below 0.80*VADJ PG pin goes to low 
PD= (VIN -VOUT) IOUT
TJ_MAX = TA+ RthJA x PD
0
0.5
1
1.5
2
2.5
3
3.5
-50 -30 -10 10 30 50 70 90 110130
TA[°C]
PD[W]
0
0.5
1
1.5
2
2.5
3
3.5
-50 -30 -10 10 30 50 70 90 110130
TA[°C]
PD[W]
GIPD040920151415MT

LD39100 
Application information 
DocID15676 Rev 7 
19/29 
impedance. If the device works well, Power Good pin is at high impedance. If the output 
voltage is fixed using an external or internal resistor divider, Power Good threshold is 
0.92*VOUT. 
If the device is disabled (EN pin low) the PG signal is set to high impedance.This is done 
intentionally to avoid pull down current by the PG pin in disabled mode. 
Power Good function requires an external pull-up resistor, which has to be connected 
between PG pin and VIN or VOUT. PG pin typical current capability is up to 6 mA. A pull-up 
resistor for PG should be in the range from 100 kΩ to 1 MΩ. If Power Good function is not 
used, PG pin has to remain floating. 

Package information 
LD39100 
20/29 
DocID15676 Rev 7 
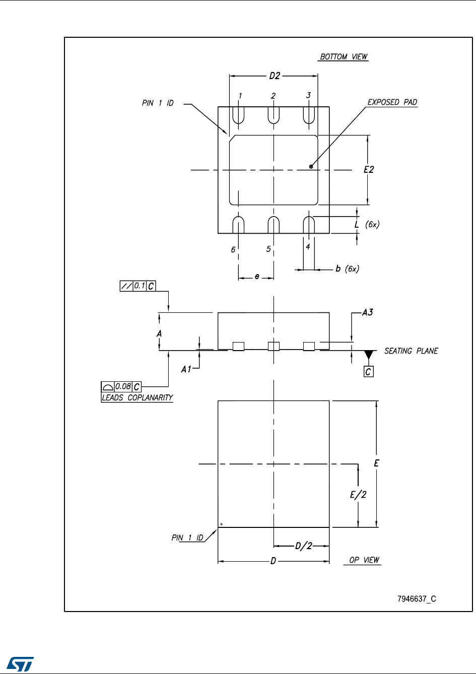
7  Package information 
In order to meet environmental requirements, ST offers these devices in different grades of 
ECOPACK® packages, depending on their level of environmental compliance. ECOPACK® 
specifications, grade definitions and product status are available at: www.st.com. 
ECOPACK® is an ST trademark.  
 E]
 
BDWUM VIEW
 
EXPOSED PAD
 
PWHD \ w
 
 
 
 
 
 
 
 
 
 
 
 
 
 
 
 
 
 
 
 
 
 
 
 
 
 
 
 
 
—A3
9
A \
4 j m
“J
LEADS COPLANAR/TY
_ _ — — —o— — — - —‘ E
[/2
PM 1 m
J ——D/2—
p M
I SEAT/N0 PLANE
79465373
E]
 
BDWUM VIEW
 
EXPOSED PAD
 
PWHD \ w
 
 
 
 
 
 
 
 
 
 
 
 
 
 
 
 
 
 
 
 
 
 
 
 
 
 
 
 
 
—A3
9
A \
4 j m
“J
LEADS COPLANAR/TY
_ _ — — —o— — — - —‘ E
[/2
PM 1 m
J ——D/2—
p M
I SEAT/N0 PLANE
79465373
 
 
LD39100 
Package information 
DocID15676 Rev 7 
21/29 
7.1  DFN6 (3x3 mm) package information 
Figure 33: DFN6 (3x3 mm) package outline 
 FOOTPRINT RECOMMENDED
 
 
3‘70
 
 
 
 
 
 
0.95
J
 
 
0‘50 (fix)
0.45 {6x}
79466377C
 
K17
 
 
 
FOOTPRINT RECOMMENDED
 
 
3‘70
 
 
 
 
 
 
0.95
J
 
 
0‘50 (fix)
0.45 {6x}
79466377C
 
K17
 
Package information 
LD39100 
22/29 
DocID15676 Rev 7 
Table 7: DFN6 (3x3 mm) mechanical data 
Dim. 
mm 
Min. 
Typ. 
Max. 
A 
0.80 
1 
A1 
0 
0.02 
0.05 
A3 
0.20 
b 
0.23 
0.45 
D 
2.90 
3 
3.10 
D2 
2.23 
2.50 
E 
2.90 
3 
3.10 
E2 
1.50 
1.75 
e 
0.95 
L 
0.30 
0.40 
0.50 
Figure 34: DFN6 (3x3 mm) recommended footprint 
 Bottom view
‘_ A _‘ . r61 .
 
 
 
 
 
 
 
 
 
 
 
 
 
 
 
 
 
 
 
 
 
 
 
—'—Dz— WWW
m
:9 arms
I i
n m _[L
H ‘ a‘ Lb ‘
AA?
DetaiIA
09'8" A « ’ 'r-mamx mm
{ mm» mm. 1
WE . EL Z3: mm.
m (a m L HEW. m. J
 
 
 
 
 
 
 
 
 
 
 
E
a // ///
v / / /
// // /
/ // /
/
// // /
i0 / /
"mm W
(s) D
Top view WWW
 
E]
 
 
Bottom view
‘_ A _‘ . r61 .
 
 
 
 
 
 
 
 
 
 
 
 
 
 
 
 
 
 
 
 
 
 
 
—'—Dz— WWW
m
:9 arms
I i
n m _[L
H ‘ a‘ Lb ‘
AA?
DetaiIA
09'8" A « ’ 'r-mamx mm
{ mm» mm. 1
WE . EL Z3: mm.
m (a m L HEW. m. J
 
 
 
 
 
 
 
 
 
 
 
E
a // ///
v / / /
// // /
/ // /
/
// // /
i0 / /
"mm W
(s) D
Top view WWW
 
E]
 
LD39100 
Package information 
DocID15676 Rev 7 
23/29 
7.2  DFN6 (3x3 mm) automotive-grade package information 
Figure 35: DFN6 (3x3 mm) automotive-grade package outline 
 7 0.20
 
1.70
 
 
%Z
”@095
/
 
 
and H74
I@'
2.50
 
 
 
757
 
 
 
7 0.20
 
1.70
 
 
%Z
”@095
/
 
 
and H74
I@'
2.50
 
 
 
757
 
 
 
Package information 
LD39100 
24/29 
DocID15676 Rev 7 
Table 8: DFN6 (3x3 mm) automotive-grade mechanical data 
Dim. 
mm 
Min. 
Typ. 
Max. 
A 
0.80 
0.85 
0.90 
A1 
0.0 
0.05 
b 
0.20 
0.25 
0.30 
D 
2.95 
3.00 
3.05 
D2 
2.30 
2.40 
2.50 
e 
0.95 
E 
2.95 
3.00 
3.05 
E2 
1.50 
1.60 
1.70 
L 
0.30 
0.40 
0.50 
Figure 36: DFN6 (3x3 mm) automotive-grade recommended footprint 
 E]
 
 
K0
 
 
 
 
 
 
 
 
 
 
 
 
 
 
 
 
 
 
 
 
 
 
 
 
 
 
 
 
 
 
 
g 0 M5
i Y 10.05
'40 ‘ 5 0.10
R w max
\
O %
"2
7 u
3 “s )
$1 n “
Id
E
m
51 2
COVER
1
— 10 SPRUCKH HULK P/TCN CUMULATIVE TOLERANCE 10,20
78759787N
E]
 
 
K0
 
 
 
 
 
 
 
 
 
 
 
 
 
 
 
 
 
 
 
 
 
 
 
 
 
 
 
 
 
 
 
g 0 M5
i Y 10.05
'40 ‘ 5 0.10
R w max
\
O %
"2
7 u
3 “s )
$1 n “
Id
E
m
51 2
COVER
1
— 10 SPRUCKH HULK P/TCN CUMULATIVE TOLERANCE 10,20
78759787N
 
 
 
LD39100 
Package information 
DocID15676 Rev 7 
25/29 
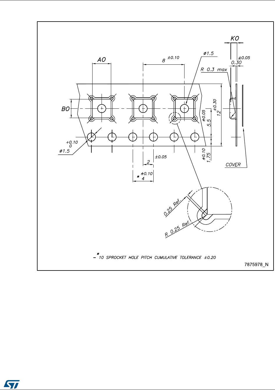
7.3  DFN6 (3x3 mm) packing information 
Figure 37: DFN6 (3x3) tape outline 
 4.
(WW
M
10.5 ‘ ‘
700
 
 
 
 
78759737N
 
 
 
 
4.
(WW
M
10.5 ‘ ‘
700
 
 
 
 
78759737N
 
 
Package information 
LD39100 
26/29 
DocID15676 Rev 7 
Figure 38: DFN6 (3x3 mm) reel outline 
Table 9: DFN6 (3x3) tape and reel mechanical data 
Dim. 
mm 
Min. 
Typ. 
Max. 
A0 
3.20 
3.30 
3.40 
B0 
3.20 
3.30 
3.40 
K0 
1 
1.10 
1.20 
 
 
 
LD39100 
Ordering information 
DocID15676 Rev 7 
27/29 
8  Ordering information 
Table 10: Order code 
Order code 
Output voltage 
Industrial grade 
Automotive grade(1) 
LD39100PUR 
LD39100PURY 
Adj. from 0.8 V 
LD39100PU12R 
LD39100PU12RY 
1.2 V 
LD39100PU18R 
LD39100PU18RY 
1.8 V 
LD39100PU25R 
LD39100PU25RY 
2.5 V 
LD39100PU30R 
3.0 V 
LD39100PU33R 
LD39100PU33RY 
3.3 V 
Notes: 
(1)Qualified and characterized according to AEC Q100 and Q003 or equivalent, advanced screening according to 
AEC Q001 and Q002 or equivalent. 

Revision history 
LD39100 
28/29 
DocID15676 Rev 7 
9  Revision history 
Table 11: Document revision history 
Date 
Revision 
Changes 
29-Jul-2009 
1 
Initial release. 
16-Apr-2010 
2 
Modified Figure 8 on page 9. 
11-Oct-2011 
3 
Document status promoted from preliminary data to datasheet. 
24-Apr-2014 
4 
Part numbers LD39100xx, LD39100xx12 and LD39100xx25 changed 
to LD39100. Updated Table 1: Device summary. Updated the 
description in cover page Section 1: Circuit schematics, Section 2: 
Pin configuration, Section 4: Electrical characteristics, Section 5: 
Typical performance characteristics, Figure 32: Typical application 
circuit for fixed output version, Section 7: Package mechanical data. 
Deleted previous Section 8: Different output voltage versions of the 
LD39100xx available on request. Added Section 8: Packaging 
mechanical data. Minor text changes. 
01-Sep-2015 
5 
Updated Figure 32: Typical application circuit for fixed output version. 
Minor text changes. 
20-Jun-2016 
6 
Updated features in cover page. 
Removed Table 1: Device summary. 
Updated Section 6.2: "Enable function". 
Added Section 8: "Ordering information" and Section 7.1: "DFN6 
(3x3 mm) package information". 
Minor text changes. 
23-Oct-2017 
7 
In Table 5: "LD39100 electrical characteristics (adjustable version)": 
- Updated ISC Typ. value (was 1.5) 
Table 6: "LD39100 electrical characteristics (fixed version)": 
- Updated ISC Typ. value (was 1.5) 
Removed Figure 30: ESR required for stability with ceramic 
capacitors (VOUT = 0.8 V) 
Removed Figure 31: ESR required for stability with ceramic 
capacitors (VOUT = 2.5 V) 
Updated Section 6: "Application information" 
Added Section 6.1: "External capacitors" 

LD39100 
DocID15676 Rev 7 
29/29 
IMPORTANT NOTICE – PLEASE READ CAREFULLY
STMicroelectronics NV and its subsidiaries (“ST”) reserve the right to make changes, corrections, enhancements, modifications, and 
improvements to ST products and/or to this document at any time without notice. Purchasers should obtain the latest relevant information on ST 
products before placing orders. ST products are sold pursuant to ST’s terms and conditions of sale in place at the time of order 
acknowledgement. 
Purchasers are solely responsible for the choice, selection, and use of ST products and ST assumes no liability for application assistance or the 
design of Purchasers’ products.
No license, express or implied, to any intellectual property right is granted by ST herein.
Resale of ST products with provisions different from the information set forth herein shall void any warranty granted by ST for such product.
ST and the ST logo are trademarks of ST. All other product or service names are the property of their respective owners.
Information in this document supersedes and replaces information previously supplied in any prior versions of this document.
© 2017 STMicroelectronics – All rights reserved
Products related to this Datasheet
IC REG LINEAR POS ADJ 1A 6DFN
        
    IC REG LINEAR 3.3V 1A 6DFN
        
    IC REG LINEAR POS ADJ 1A 6DFN
        
    IC REG LINEAR 1.8V 1A 6DFN
        
    IC REG LINEAR 3.3V 1A 6DFN
        
    IC REG LINEAR 3.3V 1A 6DFN
        
    IC REG LINEAR POS ADJ 1A 6DFN
        
    IC REG LINEAR 1.2V 1A 6DFN
        
    IC REG LINEAR POS ADJ 1A 6DFN
        
    IC REG LINEAR POS ADJ 1A 6DFN
        
    IC REG LINEAR 1.2V 1A 6DFN
        
    IC REG LINEAR 1.2V 1A 6DFN
        
    IC REG LINEAR 1.2V 1A 6DFN
        
    IC REG LINEAR 3.3V 1A 6DFN
        
    IC REG LINEAR POS ADJ 1A 6DFN
        
    IC REG LINEAR 3.3V 1A 6DFN
        
    IC REG LINEAR 3.3V 1A 6DFN
        
    IC REG LINEAR 1.8V 1A 6DFN
        
    IC REG LINEAR 1.8V 1A 6DFN